KEMBAR78
OC & SC Test On 1-Phase Transformer | PDF | Transformer | Physical Quantities
0% found this document useful (0 votes)
181 views5 pages

OC & SC Test On 1-Phase Transformer

1. The document describes procedures for open circuit and short circuit tests on a single-phase transformer to determine its efficiency and regulation. 2. Key connections and measurements are described for both tests, including no-load primary voltage and current for the open circuit test and primary voltage and current under short circuit conditions. 3. Test data will be used to calculate efficiency at various loads, regulation at different power factors, and develop an equivalent circuit model of the transformer.
Copyright
© © All Rights Reserved
We take content rights seriously. If you suspect this is your content, claim it here.
Available Formats
Download as PDF, TXT or read online on Scribd
0% found this document useful (0 votes)
181 views5 pages

OC & SC Test On 1-Phase Transformer

1. The document describes procedures for open circuit and short circuit tests on a single-phase transformer to determine its efficiency and regulation. 2. Key connections and measurements are described for both tests, including no-load primary voltage and current for the open circuit test and primary voltage and current under short circuit conditions. 3. Test data will be used to calculate efficiency at various loads, regulation at different power factors, and develop an equivalent circuit model of the transformer.
Copyright
© © All Rights Reserved
We take content rights seriously. If you suspect this is your content, claim it here.
Available Formats
Download as PDF, TXT or read online on Scribd
You are on page 1/ 5

EM-II Lab Manual OC & SC Test on 1Phase Transformer

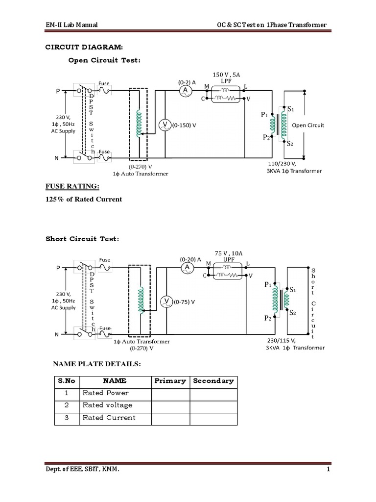
CIRCUIT DIAGRAM:
Open Circuit Test:

FUSE RATING:
125% of Rated Current

Short Circuit Test:

NAME PLATE DETAILS:

S.No NAME Primary Secondary


1 Rated Power
2 Rated voltage
3 Rated Current

Dept. of EEE, SBIT, KMM. 1


EM-II Lab Manual OC & SC Test on 1Phase Transformer

Exp No: Date:


OPEN CIRCUIT & SHORT CIRCUIT TEST ON A SINGLE PHASE TRANSFORMER

AIM: To predetermine the efficiency and regulation of a transformer by


conducting open circuit test and short circuit test and to draw
equivalent circuit

APPARATUS REQUIRED:
S.No. Component Type Range Quantity
1 Ammeter MI (0-2)A 1
2 Ammeter MI (0-20)A 1
3 Voltmeter MI (0-150)V 1
4 Voltmeter MI (0-75)V 1
5 Wattmeter LPF 150V, 5A 1
6 Wattmeter UPF 75V, 10A 1
7 Connecting wires Copper ------- As per required

PRECAUTIONS:
1. Auto Transformer should be in minimum voltage position at the time
of closing & opening DPST Switch.
PROCEDURE:
Open Circuit Test:
1. Connections are made as per the circuit diagram.
2. After checking the minimum position of Autotransformer, DPST switch
is closed.
3. Auto transformer variac is adjusted get the rated primary voltage.
4. Voltmeter, Ammeter and Wattmeter readings on primary side are noted.
5. Auto transformer is again brought to minimum position and DPST
switch is opened.

Short Circuit Test:


1. Connections are made as per the circuit diagram.
2. After checking the minimum position of Autotransformer, DPST switch
is closed.
3. Auto transformer variac is adjusted get the rated primary current.
4. Voltmeter, Ammeter and Wattmeter readings on primary side are noted.
5. Auto transformer is again brought to minimum position and DPST
switch is opened.

Dept. of EEE, SBIT, KMM. 2


EM-II Lab Manual OC & SC Test on 1Phase Transformer

TABULAR COLUMNS:
Open Circuit Test:
S.No. Voltage Current WOC
VOC (Volts) IOC (Amps) (Watts)
1

Short Circuit Test:


S.No. Voltage Current WSC
VSC (Volts) ISC (Amps) (Watts)
1

For Efficiency:

Iron losses (Wi) = KVA rating of the Transformer=

Rated SC current (Isc) = Short circuit power Wsc=

Fraction SC Output power = Copper Total Input Efficiency


of Current X× KVA× Cosθ (watts) Loss losses Power (η) %
load (ISC) (X2 x WSC) WT=Wi+WSC Pi
(X) Amps 0.2 0.4 0.6 0.8 1 watts (watts) (Watts)
1/4
1/2
3/4
1(FL)

For Regulation:

Rated SC current (Isc) =

Fraction SC R 02 Cos ± X02 Sin


of Current
load (X) (ISC) 0.2 0.4 0.6 0.8 1
Amps
Lead Lag Lead Lag Lead Lag Lead Lag Lead Lag

1/4
1/2
3/4
1(FL)

Dept. of EEE, SBIT, KMM. 3


EM-II Lab Manual OC & SC Test on 1Phase Transformer

FORMULAE:

Core loss: W0 = V0 I0 Cos 0


𝑊0 𝑊
No load power factor Cos 0 =( ) , 0 = Cos -I (𝑉 𝐼0 )
𝑉0 𝐼0 0 0
Where W0= Open circuit power in watts;
V0 = Open circuit voltage in volts.
I0 = Open circuit current in amps.
No-load current energy component, Ie = I0 Cos0
No-load current magnetizing component, Im = √I02 − Ie2 = I0 Sin0
V0 𝑉02
Equivalent circuit parameter, R0 = =
Ie 𝐼𝑒
V0 V20
Equivalent circuit parameter, X0 = =
Im √I20 −I2e
Vsc
Equivalent impedance referred to HV side, Z02=
Isc
Where Vsc = short circuit voltage in volts;
Isc = Short circuit current in Amps.
Wsc
Equivalent resistance referred to HV side R02= 2
ISC

Wsc = Short circuit power in watts.


Equivalent reactance referred to HV side X02 =√Z022 − R 022
V2
Transformation ratio, K =
V1
V1= Primary voltage in volts.
V2 = Secondary voltage in volts.
R02
Equivalent resistance referred to LV side R01=
𝐾2
X02
Equivalent reactance referred to LV side X01=.
𝐾2
Efficiency and Regulation:
Output power = X× KVA × Cos in watts
Where KVA = Power rating the transformer;
Cos = Power factor; X=fraction of load.
Total loss = (Cu loss + Iron loss) in watts
Where Cu loss = Wattmeter reading from SC test;
Iron loss = Wattmeter reading from OC test

Dept. of EEE, SBIT, KMM. 4


EM-II Lab Manual OC & SC Test on 1Phase Transformer

Output Power %
Efficiency =
(Output Power+Total losses)
X × ISC [R02 Cos ± X02 Sin]
Regulation = %
V2
Where X=fraction of load; V2 = secondary terminal voltage at no load
(+ for lagging, - for leading)

MODEL GRAPH:

VIVA-VOCE :

1.What is the purpose of Open Circuit Test?


2. What is the purpose of Short Circuit Test?
3. Why the open circuit test is usually conducted on LV side?
4. Why the Short circuit test is usually conducted on HV side?
5. What is the condition for maximum efficiency?
6. What is the condition for Zero regulation?
7. Does the transformer draw any current when its secondary is open?
8. Is the regulation at rated load of a transformer same at 0.8 pf lag and
0.8 pf lead?
9. What is meant by equivalent circuit of a transformer ?
10. Does the flux linking both the windings of a transformer remain same?

RESULT: Thus the efficiency and regulation of a transformer is predetermined


by conducting open circuit test and short circuit test and the
equivalent circuit is drawn..

Dept. of EEE, SBIT, KMM. 5

You might also like