KEMBAR78
Design Project Part 3 | PDF | Urea | Ammonia
0% found this document useful (0 votes)
237 views70 pages

Design Project Part 3

This report details the design of a urea production plant in South Africa. The plant uses a green ammonia feedstock and is designed to produce 1,000,000 metric tonnes of 99.8% pure urea annually. The report includes an updated process flow diagram, detailed 2D and 3D plant layouts, a HAZOP safety study, an analysis of environmental and social sustainability, and a life cycle assessment revealing a carbon footprint of 185kgCO2 eq./tonne of urea produced. An economic evaluation estimates a return on investment of 55.14% over the plant's lifetime.

Uploaded by

Jovan Vong
Copyright
© © All Rights Reserved
We take content rights seriously. If you suspect this is your content, claim it here.
Available Formats
Download as PDF, TXT or read online on Scribd
0% found this document useful (0 votes)
237 views70 pages

Design Project Part 3

This report details the design of a urea production plant in South Africa. The plant uses a green ammonia feedstock and is designed to produce 1,000,000 metric tonnes of 99.8% pure urea annually. The report includes an updated process flow diagram, detailed 2D and 3D plant layouts, a HAZOP safety study, an analysis of environmental and social sustainability, and a life cycle assessment revealing a carbon footprint of 185kgCO2 eq./tonne of urea produced. An economic evaluation estimates a return on investment of 55.14% over the plant's lifetime.

Uploaded by

Jovan Vong
Copyright
© © All Rights Reserved
We take content rights seriously. If you suspect this is your content, claim it here.
Available Formats
Download as PDF, TXT or read online on Scribd
You are on page 1/ 70

Synthesis of Urea

CHEN30012: Design Project Part 3


Group MN

University of Manchester
Abstract
Group MN
May 2023

This report details the final plant design for the sustainable production of urea in Nelson Mandela
Bay, South Africa, using the ACES21 process. The plant is designed to produce 1,000,000 metric
tonnes of urea annually with a purity of 99.8% w/w and targeted fertiliser and agricultural markets. The
process incorporates a green ammonia feedstock, sourced from the surrounding Eastern Cape Town
area. The liquid green ammonia is fed to the bubble column reactor via an HP carbamate ejector,
providing the driving force for circulation in the synthesis loop. A process flow diagram, updated from
Part 1, incorporating designs from Part 2 is presented, with 2D and 3D plant layouts included to pro-
vide a visual aid to the corresponding detailed descriptions. A HAZOP study has thoroughly assessed
and adjusted safety, health and environmental aspects. Furthermore, the three pillars of sustainabil-
ity: social, economic and environmental were comprehensively discussed in relation to the presented
process. A life cycle assessment (LCA) using the software CCalC was performed on a cradle-to-gate
basis, revealing a total carbon footprint of 185kgCO2 eq./fu for the process. Plant-wide control has been
meticulously designed and presented in P&IDs. Operating conditions such as commissioning, start-up,
shutdown maintenance and manning requirements have been outlined per industry standards and are
directly related to the process. Process integration was investigated using SPRINT and yielded an
energy recovery of 6633.2 kW using 11 heat exchangers, an additional steam utility system designed
generating around half of the electricity required for the process through steam turbines. Finally, an
economic evaluation was carried out, giving an ROI over the plant lifetime of 55.14% with a cumulative
cash flow at the end of the project lifetime of almost $9 billion.

Declaration of Participation
No part of the work referred to in this report has been submitted in support of an application for any
Degree or other qualification at this or any other university or institution of learning.

Signed Suleman Abbas 10702633

Signed Blaise Durham 10683221

Signed Adnan Hussain 10394642

Signed William Merrill-Glover 10761009

Signed Faiza Riaz 10704535

Signed Sing Vong 10687232

Certification of Acceptance
The work presented in this report in part fulfilment of the Degree of Master of Engineering has been
submitted and examined in accordance to the requirements of the School of Chemical Engineering and
Analytical Science, The University of Manchester.

Signed Dr. Robin Curtis, Academic Supervisor

3.2
Contents
Abstract 3.2
1 Introduction 3.5
1.1 Summary of Units and Changes from Part 1 . . . . . . . . . . . . . . . . . . . . . . . . . 3.6
1.1.1 Synthesis Section . . . . . . . . . . . . . . . . . . . . . . . . . . . . . . . . . . . 3.6
1.1.2 Purification Section . . . . . . . . . . . . . . . . . . . . . . . . . . . . . . . . . . 3.6
1.1.3 Concentration Section . . . . . . . . . . . . . . . . . . . . . . . . . . . . . . . . . 3.6
1.1.4 Recovery Section . . . . . . . . . . . . . . . . . . . . . . . . . . . . . . . . . . . 3.7
1.2 Wastewater Treatment . . . . . . . . . . . . . . . . . . . . . . . . . . . . . . . . . . . . . 3.7
1.3 PFD & BFD . . . . . . . . . . . . . . . . . . . . . . . . . . . . . . . . . . . . . . . . . . . 3.8
1.4 Manning Requirements . . . . . . . . . . . . . . . . . . . . . . . . . . . . . . . . . . . . 3.9
2 Detailed Plant Layout 3.10
2.1 Considerations . . . . . . . . . . . . . . . . . . . . . . . . . . . . . . . . . . . . . . . . . 3.10
2.2 Actions . . . . . . . . . . . . . . . . . . . . . . . . . . . . . . . . . . . . . . . . . . . . . 3.11
2.2.1 Factors . . . . . . . . . . . . . . . . . . . . . . . . . . . . . . . . . . . . . . . . . 3.11
2.2.2 Ancillaries . . . . . . . . . . . . . . . . . . . . . . . . . . . . . . . . . . . . . . . . 3.14
2.2.3 Storage Considerations . . . . . . . . . . . . . . . . . . . . . . . . . . . . . . . . 3.16
2.3 Storage Sizing . . . . . . . . . . . . . . . . . . . . . . . . . . . . . . . . . . . . . . . . . 3.17
2.4 2D & 3D Plant Layout . . . . . . . . . . . . . . . . . . . . . . . . . . . . . . . . . . . . . 3.17
3 Safety, Health and Environmental considerations 3.20
3.1 HAZOP study . . . . . . . . . . . . . . . . . . . . . . . . . . . . . . . . . . . . . . . . . . 3.20
3.2 HAZOP . . . . . . . . . . . . . . . . . . . . . . . . . . . . . . . . . . . . . . . . . . . . . 3.23
3.3 Process Hazards . . . . . . . . . . . . . . . . . . . . . . . . . . . . . . . . . . . . . . . . 3.26
3.4 COSHH Assessment . . . . . . . . . . . . . . . . . . . . . . . . . . . . . . . . . . . . . . 3.27
3.5 Operability . . . . . . . . . . . . . . . . . . . . . . . . . . . . . . . . . . . . . . . . . . . 3.31
3.5.1 Control and Instrumentation . . . . . . . . . . . . . . . . . . . . . . . . . . . . . . 3.31
3.5.2 Fires and Explosions . . . . . . . . . . . . . . . . . . . . . . . . . . . . . . . . . . 3.31
3.5.3 Permit to Work . . . . . . . . . . . . . . . . . . . . . . . . . . . . . . . . . . . . . 3.31
4 Sustainability Consideration 3.32
4.1 Essential Criteria . . . . . . . . . . . . . . . . . . . . . . . . . . . . . . . . . . . . . . . . 3.32
4.1.1 Environmental . . . . . . . . . . . . . . . . . . . . . . . . . . . . . . . . . . . . . 3.32
4.1.2 Economic . . . . . . . . . . . . . . . . . . . . . . . . . . . . . . . . . . . . . . . . 3.32
4.2 Additional Considerations . . . . . . . . . . . . . . . . . . . . . . . . . . . . . . . . . . . 3.33
4.2.1 Environmental . . . . . . . . . . . . . . . . . . . . . . . . . . . . . . . . . . . . . 3.33
4.2.2 Social . . . . . . . . . . . . . . . . . . . . . . . . . . . . . . . . . . . . . . . . . . 3.33
4.3 Life Cycle Analysis . . . . . . . . . . . . . . . . . . . . . . . . . . . . . . . . . . . . . . . 3.33
4.3.1 Goal and Scope Definition . . . . . . . . . . . . . . . . . . . . . . . . . . . . . . . 3.34
4.3.2 Inventory Analysis . . . . . . . . . . . . . . . . . . . . . . . . . . . . . . . . . . . 3.34
4.3.3 Impact Assessment . . . . . . . . . . . . . . . . . . . . . . . . . . . . . . . . . . 3.36
4.3.4 Interpretation . . . . . . . . . . . . . . . . . . . . . . . . . . . . . . . . . . . . . . 3.37
5 Control & Instrumentation 3.38
6 Operating Considerations 3.42
6.1 Commissioning . . . . . . . . . . . . . . . . . . . . . . . . . . . . . . . . . . . . . . . . . 3.42
6.1.1 Plant Inspection Requirements . . . . . . . . . . . . . . . . . . . . . . . . . . . . 3.42
6.1.2 Flushing and Cleaning . . . . . . . . . . . . . . . . . . . . . . . . . . . . . . . . . 3.43
6.1.3 Chemical Trials . . . . . . . . . . . . . . . . . . . . . . . . . . . . . . . . . . . . . 3.43
6.1.4 Handover Phase . . . . . . . . . . . . . . . . . . . . . . . . . . . . . . . . . . . . 3.43

3.3
Contents 3.4

6.2 Start-up . . . . . . . . . . . . . . . . . . . . . . . . . . . . . . . . . . . . . . . . . . . . . 3.44


6.2.1 Utility Systems . . . . . . . . . . . . . . . . . . . . . . . . . . . . . . . . . . . . . 3.44
6.2.2 Reactor . . . . . . . . . . . . . . . . . . . . . . . . . . . . . . . . . . . . . . . . . 3.44
6.2.3 Ancillary . . . . . . . . . . . . . . . . . . . . . . . . . . . . . . . . . . . . . . . . . 3.44
6.3 Shutdown . . . . . . . . . . . . . . . . . . . . . . . . . . . . . . . . . . . . . . . . . . . . 3.45
6.3.1 Routine Shutdown . . . . . . . . . . . . . . . . . . . . . . . . . . . . . . . . . . . 3.45
6.3.2 Emergency Shutdown . . . . . . . . . . . . . . . . . . . . . . . . . . . . . . . . . 3.45
6.4 Normal Operation . . . . . . . . . . . . . . . . . . . . . . . . . . . . . . . . . . . . . . . 3.46
6.5 Maintenance . . . . . . . . . . . . . . . . . . . . . . . . . . . . . . . . . . . . . . . . . . 3.46
6.5.1 Corrective . . . . . . . . . . . . . . . . . . . . . . . . . . . . . . . . . . . . . . . . 3.46
6.5.2 Preventative . . . . . . . . . . . . . . . . . . . . . . . . . . . . . . . . . . . . . . 3.46
6.5.3 Predictive . . . . . . . . . . . . . . . . . . . . . . . . . . . . . . . . . . . . . . . . 3.47
6.6 Specific Maintenance . . . . . . . . . . . . . . . . . . . . . . . . . . . . . . . . . . . . . 3.47
6.6.1 Reactor . . . . . . . . . . . . . . . . . . . . . . . . . . . . . . . . . . . . . . . . . 3.47
6.6.2 Absorption Columns . . . . . . . . . . . . . . . . . . . . . . . . . . . . . . . . . . 3.47
6.6.3 Storage Tanks . . . . . . . . . . . . . . . . . . . . . . . . . . . . . . . . . . . . . 3.47
6.6.4 Ancillaries . . . . . . . . . . . . . . . . . . . . . . . . . . . . . . . . . . . . . . . . 3.47
6.6.5 Valves, Piping and Instrumentation . . . . . . . . . . . . . . . . . . . . . . . . . . 3.47
7 Process Integration 3.48
7.1 Process Streams . . . . . . . . . . . . . . . . . . . . . . . . . . . . . . . . . . . . . . . . 3.48
7.1.1 Choice of Utilities . . . . . . . . . . . . . . . . . . . . . . . . . . . . . . . . . . . . 3.49
7.1.2 Process Units . . . . . . . . . . . . . . . . . . . . . . . . . . . . . . . . . . . . . . 3.50
7.1.3 Utility Costing . . . . . . . . . . . . . . . . . . . . . . . . . . . . . . . . . . . . . . 3.52
7.2 Heat Exchanger Network . . . . . . . . . . . . . . . . . . . . . . . . . . . . . . . . . . . 3.54
7.3 Steam System & Summary . . . . . . . . . . . . . . . . . . . . . . . . . . . . . . . . . . 3.56
8 Economics 3.57
8.1 Capital Cost . . . . . . . . . . . . . . . . . . . . . . . . . . . . . . . . . . . . . . . . . . . 3.58
8.1.1 ISBL . . . . . . . . . . . . . . . . . . . . . . . . . . . . . . . . . . . . . . . . . . . 3.58
8.1.2 OSBL, Engineering & Contingency Costs . . . . . . . . . . . . . . . . . . . . . . 3.59
8.1.3 Working Capital . . . . . . . . . . . . . . . . . . . . . . . . . . . . . . . . . . . . . 3.60
8.2 Operating Costs . . . . . . . . . . . . . . . . . . . . . . . . . . . . . . . . . . . . . . . . 3.60
8.2.1 FCOP . . . . . . . . . . . . . . . . . . . . . . . . . . . . . . . . . . . . . . . . . . 3.60
8.2.2 VCOP . . . . . . . . . . . . . . . . . . . . . . . . . . . . . . . . . . . . . . . . . . 3.61
8.3 Taxes & Depreciation . . . . . . . . . . . . . . . . . . . . . . . . . . . . . . . . . . . . . . 3.61
8.4 Economic Evaluation . . . . . . . . . . . . . . . . . . . . . . . . . . . . . . . . . . . . . . 3.61
8.5 Economic Sensitivity . . . . . . . . . . . . . . . . . . . . . . . . . . . . . . . . . . . . . . 3.63
8.5.1 Electricity Cost . . . . . . . . . . . . . . . . . . . . . . . . . . . . . . . . . . . . . 3.63
8.5.2 Taxation Rate . . . . . . . . . . . . . . . . . . . . . . . . . . . . . . . . . . . . . . 3.63
8.5.3 Urea Price . . . . . . . . . . . . . . . . . . . . . . . . . . . . . . . . . . . . . . . 3.64
8.6 Economic Analysis Sheet . . . . . . . . . . . . . . . . . . . . . . . . . . . . . . . . . . . 3.65
9 Conclusion 3.66
References 3.67
1
Introduction
So far in this project, preliminary sizing of the urea plant has been done, referencing current industry
processes in order to get a rough gauge of the feed requirements, production rates, process units,
utility requirements, and general considerations specific to the process. After that, the individual units
were designed more specifically, roughly using the information from the previous part as well as more
precise models. The mechanical designs and economics of each unit were obtained after optimisation
and sensitivity analyses were performed. This part of the report aims at collating the designs of the
individual sections in order to perform an overall economic and sustainability analysis, integrate process
energy and utilities, and develop a final P&ID with a realised plant layout. Alongside this, health and
safety will be considered as well as the operation of the plant. Final decisions will be made for the
source of feedstocks with the aim being to minimise the cost burden. The location of the plant, and
its proximity to other industrial processing sites, presents a great opportunity for integration with other
plants to minimise the cost of operation whilst also utilising waste which otherwise would require storage
and, ultimately, disposal.
From the previous parts, it has been determined that 1,000,000 tonnes of urea are to be produced
annually with 8000 hours of operation in this time span. The by-product, biuret, is also made in small
quantities and reduces the purity of the product to 99.8% w/w, however, this matches the purity of indus-
trially sold urea, thus it is an acceptable degree of impurity for sale at the higher asking prices, allowing
for higher profit margins. The location was decided to be in Gqeberha, South Africa on the Eastern
Cape. More specifically, the plant was determined to be located in the Coega Special Economic Devel-
opment Zone where, in Part 1, it was discovered that plans to construct a green ammonia plant in this
area were underway and that it was to be ready by the time that the urea plant would be finished with
construction. This provided a perfect opportunity to make use of this green ammonia as a feedstock,
both for convenience of transport between the 2 sites, as well as to ensure the urea production process
is more sustainable than others in operation. It was discovered in Part 1 that a large contribution of
the environmental burdens of urea production was from the sourcing of ammonia which, convention-
ally, requires utilisation of the Haber process which uses high pressure and temperature conditions to
force ammonia to form from hydrogen and nitrogen feedstocks. Additionally, the hydrogen is normally
sourced by cracking methane, a fossil fuel whose use must be reduced to ensure sustainable use of
it in the future. Removing the contribution of this to the emissions and energy use, instead replacing
it with electrolysed water as source of hydrogen, and using renewable energy from wind and solar
farms, makes this process magnitudes more sustainable than current industry standard processes. An
additional benefit of the location chosen was the proximity to the Kenako Concrete Production Facility,
200 m from the proposed plant location. This will act as the source of carbon dioxide for the process
as the concrete industry contributes between 4-8% of global carbon emissions with 0.9kg of carbon
dioxide being produced per kg of concrete1 . The facility has a capacity to produce 360 tons/hour of
concrete2 , thus producing approximately 324 tons/hour of carbon dioxide. This is much higher than
our requirement of 91.7 tons/ hour thus it was assumed that the concrete manufacturing facility would
be able to meet our carbon dioxide needs.

3.5
1.1. Summary of Units and Changes from Part 1 3.6

1.1. Summary of Units and Changes from Part 1


Below, a description of the units will be presented after further research and detailed design was under-
taken. Throughout the individual Part 2 designs, certain sections of the design needed to be adjusted
in order to ensure feasibility and accurate design. Therefore, these changes must be noted as well
to allow for transparency and reference to the previous part. These changes vary from changes to
unit selection or additional ancillary equipment, major assumptions, and operating parameters such as
stream composition, operating temperature, pressure or utility type.

1.1.1. Synthesis Section


Reactor
The reactor was designed as a bubble column reactor equipped with sieve trays. The operating tem-
perature of the reactor has been lowered to 183 ºC, which is two degrees lower than the initial design
which operated at 185 degrees. The CO2 conversion in the reactor is the same, at 63%. The pressure
of the new reactor remains the same as the initial reactor at 155 bar. The N/C ratio was calculated to
be 3.74.

HP Stripper
The stripping column in the synthesis section, S-101, was designed as a heat exchanger in Part 2.
For this reason, the conversion of ammonium carbamate to carbon dioxide and split of ammonia and
carbon dioxide in the liquid and gas were specified. The conversion remained the same as for Part 1
at 70%, however the amount of ammonia and carbon dioxide in the liquid phase was determined by
comparing the design to patents of similar inventions to find an accurate approximation.

VSCC
The vertically submerged carbamate condenser (VSCC) was considered to have a packed bed section
at the top that would allow for the collection of ammonia and carbon dioxide so it could be separated
from the rest of the products. However, in the design it is assumed that this will be in a gaseous state
and behave like ideal gases and therefore a packed bed is not required, meaning that the gases would
collect naturally in the outlet pipe to be carried over the next section of the plant.

1.1.2. Purification Section


The decomposers were also designed as heat exchangers in a similar vein to the stripper. The conver-
sion was set as 80% in accordance with literature, and the operating pressure of the MP decomposer
was set as 3.6 bar as opposed to the 2.5 bar value previously assumed. This was determined through
the discovery of literature more specific to the units than was used prior. For the sake of simplicity, no
biuret was assumed to have formed in either decomposer where in Part 1 it was assumed to form only
in the LP decomposer. As such, no biuret is found throughout the process. Finally, the recycle stream
is flashed at the top of the LP decomposer instead of entering the bottom and acting as a stripping
agent as was stated in the first part. This was because of the design model used being dependent on
heat duty and some broad assumptions were made, therefore accurate modelling of the stripping done
by the recycle stream would be not be possible.

1.1.3. Concentration Section


The first evaporator still operates at a temperature of 130°C at the inlet, however, the outlet temperature
of the heat exchanger is now 135°C instead of 130°C. In the second evaporator, medium pressure
steam at 8 bar is used for the heat exchanger instead of low pressure steam as it was found to provide a
urea melt with a slightly higher purity. The second evaporator operates at a slightly lower temperature of
140°C as opposed to the initially proposed 144°C. The pressure of the second evaporator has increased
from 0.03 bar to 0.05 bar to reduce the amount of urea solution that is vapourised and carried to the
treatment section, whilst also maintaining a high enough vacuum condition for the purpose of using two
evaporators.
1.2. Wastewater Treatment 3.7

1.1.4. Recovery Section


In the previous stages of this design project, a tray column was proposed as the preferred choice for the
absorption column. However, upon further evaluation and analysis, it was determined that a packed
column would be more suitable for the ACES21 urea production process. Packed columns are known
for their high efficiency and mass transfer rates, which would be beneficial for this process. With a high
concentration of carbon dioxide involved in the process, a packed column with a greater surface area
would allow for higher absorption and desorption rates of CO2 compared to a tray column. The smaller
footprint and reduced maintenance requirements of a packed column would also lead to long-term cost
savings. In addition, the high pressure and temperature conditions of the process make a packed
column the better choice. The high pressure allows for a higher density of packing materials, which
results in a greater surface area for mass transfer, and the high temperature makes thermally stable
packing materials suitable for the application. Environmental regulations and emission limits also play
a critical role in the selection of the appropriate column. A packed column provides better control over
emissions due to its ability to regulate the gas and liquid flow rates, resulting in better absorption and
desorption of CO2 , lower CO2 emissions, and compliance with environmental regulations.

1.2. Wastewater Treatment


The wastewater treatment section was not analysed and designed in detail during part 2. This means
that a decision must be made regarding its design. Its main importance in this part of the report is its cost
so that a more accurate economic evaluation can be performed. Therefore, sizing and costing of this
section, containing a hydrolyzer, process condenser stripper and decanter tank, must be performed.
Preliminary sizing of both these units was done and is presented in the following table:

Unit Volume (m3 ) Length (m) Diameter (m)


Hydrolyzer 61.7 16.5 2.18
Process Condenser Stripper 61.24 23.18 1.83
Water Tank 590 15 7.1

Table 1.1: Wastewater section sizing


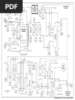
1.3. PFD & BFD
1.3. PFD & BFD

Figure 1.1: Block flow diagram of process with stream data

Mass in (kg/hr) Mass out (kg/hr)


NH3 70833 213
CO2 91667 62
Air 485 485
Urea 0 123750

Table 1.2: Overall mass balance


3.8
1.4. Manning Requirements 3.9

1.4. Manning Requirements


The manning requirements for the units were not performed in Part 2, thus they must be determined
before the following sections in order to aid with ancillaries sizings and costing of workers.

Operators
The following equation can be used to find the number of operators required according to the units
on-site3 .

NOL = (6.29 + 31.7P 2 + 0.23Nnp )0.5 (Eq.1.1)

Where NOL is the number of operating workers at a time, P is the number of process steps involving
handling solids, and Nnp is the number of process steps not involving solids handling. Extracting the
relevant information from the process, we can establish that P equals 2 and Nnp equals 16. Plugging
these into Eq.1.1 results in a value of 11.7, rounding up to 12 operators required at any one time. In
order to find out how many operators are required in total, this value must be multiplied by the fraction
of total shifts taken per year over the number of shifts per operator as is shown in the equation below3 :

No. of total shifts per year


No. of operators = NOL × (Eq.1.2)
No. of shifts per operator

The number of total shifts a year can be found by assuming there are 3 8-hour shifts each day3 , and
the number of days of operation can be found by dividing the number of annual operating hours, 8000,
by 24 giving 334 of operation. Multiplying this by 3 gives exactly 1000 shifts per year. Next, the number
of shifts per operator must be determined. It is assumed that each operator can work 5 shifts per week
for 49 weeks a year (accounting for holidays and sick leave) giving a value of 245 shifts per operator
per year3 . Plugging all values into Eq.1.2 gives a total number of operators of 49.

Other
The daily requirement of workers for the various ancillaries on-site must also be determined. Estima-
tions must be made for these as the actual number required won’t be known until the plant is under
operation and the workload can be gauged, with redundancies made for surplus staff4 . These will be
displayed in the following table:

Role No. required per shift No. required per day


Admin 5 21
Kitchen 3 13
Security 3 13
Laboratory 2 9
Medical 3 13
Managers 4 17
Total 20 86

Table 1.3: Staffing requirement

Overall
The total number of workers at the plant at any one time will be made up of the operators and the
other workers. This sums up to a value of 32. In terms of the total number, for use in the economic
breakdown, this number is 127 per day. With this information, we can now size the various ancillaries
described in the next section.
2
Detailed Plant Layout
Plant layout is a crucial factor to consider when trying to increase the efficiency of a plant whilst also
ensuring safe operation. Operating units, as well as ancillary buildings, must be arranged in such a
way that their location is logical and the space available is effectively used. These ancillary buildings
include offices, control rooms, storage vessels and utilities to name a few5 . When arranging the plant,
several considerations must be made to ensure the previously mentioned criteria are achieved using
heuristics and logic where appropriate.

2.1. Considerations

Cost
Cost can be reduced through efficient pipe networks. Having short runs of pipes will mean less material
use in addition to the decrease in inventory stored in pipes at any time6 . This may not be optimal for
other factors such as safety, maintenance or future expansion, however. With the many recycle loops
present in the process, careful consideration of the units’ proximity to one other must be taken into
account to reduce the pipe requirements as well as providing more convenience to operators. Speed
of construction, maintenance and operation are important factors for ensuring a plant minimises the
overall cost7 therefore keeping the plant as compact and accessible as possible is a key goal.
The choice of utility, and integration of heat from them, will also affect the cost. The operating conditions
chosen for each unit, and the plant as a whole, have been chosen in such a way as to maximise the
integration of heat from each unit8 . In the synthesis section, high temperature and pressure are seen,
generally decreasing from unit to unit. The differential in process heat can be used to generate varying
pressure steam for use in other units, therefore units should be arranged based on utility requirements
in order to minimise pipe requirement and maximise heat integration possible.

Operation
Operation of a site involves many considerations, the main aim of which being to optimise the plant
layout to make this as easy and time-efficient as possible for the operator. Convenience to workers is
important for maintaining and encouraging efficiency. During operation, any units which require regular
attention should be located in close proximity to the control room6 . Accessibility is also important for
allowing workers to reach certain sections easily or replace parts when necessary.
There are several tall vessels present on site where access to the top sections may be difficult.
Ensuring as much of the operating equipment as possible is located accessibly near the bottom of
each vessel will improve the working environment for operators. Of course, for maintenance of the top
of vessels, this can’t really be avoided. Lifts could be implemented to help access the top as some
vessels exceed 80 m in height. This would also help the less mobile workers to inspect these areas.

3.10
2.2. Actions 3.11

Maintenance
Maintenance is required at regular intervals for each piece of equipment on site. Maintenance includes
replacements of parts, cleaning of vessels to avoid contaminant and corrosion build-up, and general
check-ups on the equipment’s state and operability. To minimise the downtime during maintenance,
these should be scheduled to overlap as much as possible. Of course, certain units will require more
frequent check-ups than others. In order to minimise the disruption caused during periods of mainte-
nance, accessibility to the equipment must be optimised. For the stripper, decomposers and other heat
exchangers, tube bundles must be accessible for check-ups and replacement as the least permanent
component of these vessels. Therefore, a large clearing should be ensured to allow for their removal
and replacement. The choice of material being DP28W for these tubes has meant that replacement
should be less frequent due to the reduced rate and severity of corrosion build-up.

Safety
As the feed ammonia is to be sourced from a nearby green ammonia plant, pipe lines between the two
plants can be established to avoid the use of large pressurised vessels filled with ammonia. This is also
a feasibility constraint as the required hourly supply of ammonia is around 70,000 tons per hours, as
per the Part 1 design. Storing this quantity, without a steady stream entering the site, would be nigh on
impossible which explains why most, if not all, urea plants are integrated with ammonia plants on-site9 .
On a smaller scale, the general health of workers must be considered also. Operators must not be put
under unnecessary physical or mental strain during normal operation of the plant7 . Preventing workers
from being exposed to chemical fumes is critical in ensuring their health and well-being. Arranging the
plant in open air will help to keep fumes from accumulating to dangerous concentrations if there were
to be loss of containment.

Future Expansion
The plant must be laid out in a way that allows for expansion in the future. This may entail the addition
of extra units to increase output, replacement of existing equipment for more sophisticated equipment
available with future developments, or a new section of the plant for making the feedstocks if that
were to be desirable in the future. Currently, the target output of urea is around 100,000 kilograms per
hour or 800 million kilograms per year, assuming 8000 operating hours annually. For this reason, up-
scaling isn’t a priority in the near future. However, the current feedstock for ammonia is from a nearby
green ammonia plant. It may be that in the future development of an on-site green ammonia facility be
economically and environmentally advantageous, therefore it may be worth attributing space for that
future development in the layout of the plant.

2.2. Actions

2.2.1. Factors
Location
The determining factor for the plant location is its proximity to the upcoming green ammonia plant. It
has been stated that this is to be built in the Coega Special Economic Development Zone10 as is shown
in Figure 2.1 below. As you can see, the plot chosen for the urea plant is within this development zone
meaning piping of ammonia for the feedstock will be minimal in both length and disruption. Intermediate
storage will still be necessary to hold inventory on-site in case supply fluctuates or stops completely.
The area covered by this land is approximately 250,000 m2 or 25 hectares giving ample space to fit
the process equipment as well as all ancillaries, all adequately spaced from each other to mitigate
propagation of incidents on-site. An added benefit of the plant’s proximity to the green ammonia plant
is that surplus water generated during the production process can be fed back to the green ammonia
plant as a feedstock, thus improving the environmental sustainability of both processes and potentially
offsetting some of the costs from purchasing the green ammonia in the first place.

Wind
The prevailing wind is from the west meaning the plant will be downwind from the nearest urban area11 .
This is beneficial for minimising the impact of any vapours emitted from the plant. The plant will be
2.2. Actions 3.12

Figure 2.1: Image of Coeaga Special Economic Development Zone and the specific plot of land for plant

laid out in such a way that all the buildings and facilities used by workers are upwind, so west, of the
process units. This will ensure that if there were loss of containment, the workers won’t be subjected to
additional danger from vapours being blown towards them. Additionally, the flammability of ammonia
in certain concentrations would pose a risk to the urban area which is likely to contain many ignition
sources9 . The wind was also considered for the mechanical design of each vessel, accounting for
the maximum bending stressed due to wind. Therefore, they are all suitably designed for outdoor
installation which is desirable for the large vessels with potentially hazardous material contained as
previously mentioned.

Transport & Storage


The transport and storage concerns the on-site storage of both ammonia and carbon dioxide feedstocks
as well as the urea product, and the transport of those materials to and from this storage. The ammonia
is transported from the nearby green ammonia plant via either overground or underground piping and
is stored in a pressurised tank where it will be stored as a liquid. The carbon dioxide will be sourced
from a local gas and diesel power plant just 6 km north-east meaning, similarly to the green ammonia,
carbon dioxide will be piped into intermediate storage on-site. The urea product comes in the form of
solid urea prills, therefore they must be transported via conveyors from the prilling tower to a cool dry
storage facility. Both the conveyors and storage facility must be enclosed to prevent urea prills from
absorbing atmospheric moisture12 . These must also be kept distributed evenly throughout the transport
process to prevent urea from clumping together13 . From the conveyors, the urea will be packed up into
large sealed containers before being transported by lorry or truck to their final destination either for
domestic use or to be shipped to international buyers.

Spacing
All units must be spaced out an appropriate amount from one another based on how hazardous they
are. The ancillary equipment, such as pumps or heat exchangers, must also be appropriately spaced
according to their contents. Heuristics exist for this and are shown in Figures 2.2 and 2.3 below.
2.2. Actions 3.13

Figure 2.2: Minimum spacing between units14

Figure 2.3: Minimum spacing between process equipment14

The main constraints for spacing are between the units in synthesis section as well as the pressurised
storage of ammonia and carbon dioxide. According to Figure 2.2, adjacent ’High Hazard’ process units
must be a minimum of 200 ft (60 m) from each other whilst these high hazard process units must also be
350 ft (110 m) from pressurised storage. The only pressurised storage on-site will be the intermediate
ammonia and carbon dioxide tanks which feed the reactor. It is stated that spherical pressurised vessels
2.2. Actions 3.14

be at least 50 ft (15 m) from each other14 .


Non-process buildings and facilities must be located away from the process to reduce potential casual-
ties were an incident to occur. For many of these, proximity to the process site is not essential, therefore
placing them near by hazardous processes is adds unnecessary risk to workers. Additionally, keeping
the control rooms and utilities away from hazards ensures that, in the case of emergency, appropriate
control and utility can be provided to the units to quell any propagation of damage12 .

2.2.2. Ancillaries

Building/Facility Details
Control Room The control room will be located remotely, away from the process units. This
is to ensure the safety of operators and operation of the controllers in the case
of an incident. As per Figure 2.2, they must be located at least 350 ft (110 m)
from pressurised storage and 300 ft (90 m) from high hazard processes. Sizing
requirements state that an area of 10 m2 be allocated per worker. With 12
operators, only a quarter of them will be required in the control room, therefore
3 operators require 30 m2
Roads There already exists one access road to this plot of land on the eastern edge.
This will be the entrance closest to the process units and therefore will likely be
used for deliveries of materials and equipment. Another access point must be
added for the workers and as a separate exit in case of emergency whereby
access to the original exit is obstructed14 .
There also must be roads between units to allow access from vehicles. The
standard width for roads in a chemical plant is 8.5 m to allow for large vehicles
and emergency services to navigate the plant with relative ease14 . Secondary
access roads can be smaller, around 3.5 m2 , for access from employees and
visitors, for example15 . Additionally, these must be elevated in order to avoid
flooding14 .
Security At each of the 2 entry points, security must present 24/7 to ensure nobody
trespasses and tampers with equipment. Therefore, security outposts must be
constructed at each entrance with adequate surveillance of the plant meaning
CCTV may need to be installed. Tall, rigid fencing must be erected around the
perimeter of the site to prevent unlawful access to the plant. Ideally, barbed
wire will also be added as a further deterrent. 3 security staff are required at
any one time, 1 for each entrance and another in reserve in case of issues.
Utilities Utilities required for the process include: process steam, electricity and steam
cooling. Process steam is required at varying pressures and temperatures for
different units on-site. To step down the pressure, and thus the temperature,
a steam turbine system will be used to generate electricity from this change
in pressure. This electricity can then be used to help power certain electrical
equipment on-site.
2.2. Actions 3.15

Building/Facility Details
Car Park/Load- Car parking will be required for both employees and visitors, the latter requiring
ing Areas significantly less space. To account for the number of employees when first
opening the plant as well as any increase in the future, a surplus of car parking
spaces will be provided. The average car parking space is around 12 m2 per
car16 meaning that with 20 employees at any one time and a 10% surplus of
parking space, an area of 264 m2 must be available for cars to park.
Loading of trucks with the urea product will be done adjacent to the urea stor-
age. The capacity of trucks for carrying cargo is around 45,000 lbs (20410 kg)17
meaning that, in order to deal with the hourly production of urea of 100,000 kg
per hour, at least 5 trucks loading spaces will be required at any one time as-
suming an hour round trip on average to load and unload the product as well
as the travel time in between. In terms of sizing, the loading dock must be able
to fit a container truck which has dimensions of 70 ft by 96” or, 21.3 m by 2.4
m18 . The width of each bay should be 12 ft, or 3.6 m18 , in actuality to allow
ample clearance for each truck. Therefore, the overall area required for each
dock will be 77 m2 meaning that, with 5 loading docks, the area allocated to
loading will be 384 m2 .
Offices Offices will be required to house employees whilst not directly operating on-site.
These will be located on the south-side of the site, away from hazards. As this
is where most time will be spent by employees, it would make sense to position
it locally to the most frequently accessed facilities such as the canteen, car
park, toilets etc. Recommended sizing for offices states that 10 m2 be allocate
per administrative employee15 , therefore with 5 employees, the offices should
occupy 50 m2 .
Canteen Providing food for the workers is a necessity for worker satisfaction and effi-
ciency. This will be located on the opposite end of the plant to the process
equipment as to avoid any contamination of food and drink with hazardous
chemicals. It must be suitably sized to deal with workers entering at similar
times such as during their lunch breaks. It is advised to allocate 1 m2 space
per dining space and 3.5 m2 per canteen for kitchens and storage15 . Assuming
there are 20 employees and one canteen, this will require an area of 23.5 m2 .
Laboratory The laboratory is essential for analysing samples taken from the process. This
will be done to ensure all units are operating properly and that the urea product
is of the purity required for sale. It is recommended that there be 20 m2 space
allocated per lab employee15 , therefore with 2 lab employees, 40 m2 will be
required.
Fire Station A fire station is required to provide emergency response to any fires on-site.
Fire propagation must be prevented as soon as possible to avoid large scale
disaster. It is recommended to allow 500 m2 for the fire station including the
vehicle space as well as emergency supplies15 . This must be positioned 350
ft (110 m) from all storage facilities14 but ideally near an access road.
Medical Centre In the case of an accident on-site, there must be a medical facility in order
to provide emergency care to employees. Recommended sizing states that
a medical centre should allow 0.1 m2 per employee with a minimum size of
10 m215 . This minimum value will therefore be chosen. Accessibility to this
building for emergency vehicles is important, thus, it should be positioned near
an access road. However, as a service building, it must be 400 ft (110 m) from
high hazard process units, such as the reactor14 .
Workshop A workshop will be placed near to the processing section of the plant. The
purpose of this building is to allow for on-site repairs for processing equipment,
pumps or any other faulty equipment. This will help to decrease the downtime
of the plant if something were to fail as it can repaired on site.
2.2. Actions 3.16

Building/Facility Details
Shop A shop will be available on-site to sell some urea fertiliser in smaller quantities,
for personal use. This will be located near the urea storage and by the visitor
car park to encourage visitors to stop by and purchase the product or any
refreshments.

Table 2.1: Table of ancillaries

2.2.3. Storage Considerations

Ammonia
Ammonia is the most hazardous chemical requiring storage on-site. Loss of containment of this could
cause severe health complications for those working in the plant or even in surrounding land. For that
reason, the means of storing it must be robust. With a density of 596 kg/m3 under the storage conditions
of 100 bar and 35 ºC19 , 70,000 kg/hr equates to 117.5 m3 /hr. For safety reasons, it will be designed with
a 10% overfill margin. This provides some flexibility to the tank in the case that the level control fails
and the tank overfills. The 10% increase equates to a new hourly volume requirement of 130 m3 . For
pressurised ammonia storage, Horton sphere tanks are often used20 . The benefits of using this style
of tank range from the decrease in weld joints required for construction, thus decreasing the chance
for manufacture errors, savings in raw material use as pressure is distributed more evenly across a
spherical body, and the reduction in man-hours required for construction of the vessel21 .
Using the following equation, the diameter of the tank needed to provide the volume required can be
determined.

4 3
V = πr (Eq.2.1)
3

The diameter comes out to be 6.3 m and, assuming the tank is ground level with supports on the sides,
the height is also 6.3 m. It is common practise to have a bund surrounding the vessel to contain any
spilled liquid from the tank9 . This prevents flooding of nearby vessels and ancillaries if a spillage were
to occur. Similarly-designed Horton spheres used for ammonia storage have been constructed out of
HT60 steel22 to provide high strength to cope with the high pressure conditions.

Carbon Dioxide
Carbon dioxide needs to be stored in a similar way to ammonia to minimise the space occupied and
to safely and securely keep inventory in case supply fluctuates. For the same reason as for ammonia,
a blast wall will be built around this vessel. The hourly requirement for carbon dioxide, for use as a
feedstock and stripping agent, is 90 T/hr. With a density of 210 kg/m3 under the storage conditions of
155 bar and 185 ºC, the hourly volumetric requirement of carbon dioxide on-site is 430 m3 /hr23 . Again,
building in a 10% safety margin gives a volume requirement of 470 m3 . Similarly to before, it will be
designed as a Horton sphere meaning the diameter can be found using Eq.2.1. This gives a diameter
of 9.6 m. It is stated in literature that CO2 pressure vessels are constructed from stainless steel24 , thus
the industry standard SAE 304 stainless steel will be used.

Water
In this process, water is generated in large quantities is treated in the water treatment section. From
here it must be stored before being used as make-up for the steam system or being sent to the nearby
green ammonia plant as a feedstock. Any overflow may also be sent to the on-site reservoir to prevent
flooding of the process site. The material required for this must be corrosion resistant due to waters
high tendency to oxidise, therefore stainless steel will be used, 304 SS to be exact. The sizing was
done in the introductory section as part of the wastewater treatment section sizing, however for clarity
it will be added to the Table 1.2 below.
2.3. Storage Sizing 3.17

Urea
Urea being produced in the form of solid prills means that they cannot simply be piped into a storage
tank in the same way as with the liquid and gas feeds. Instead, it must be conveyored from the prilling
tower to a storage warehouse where it will be boxed up in air-tight boxes as was stated before. Another
consideration when handling fine prills, and conveying solids in general, is the formation of dust. These
pose a respiratory risk to workers and a fire risk if aerated25 . Therefore, several measure must be taken
to reduce formation, accumulation and aeration of these particles. These methods include reducing
any drop height for solid particles and controlling the air flow around the material25 . Moisture addition
is the most common and least expensive method of dust control25 however, due to the requirement
that the urea product be left dry, away from even atmospheric moisture, means that this method is
infeasible. The hourly production rate of urea is around 125 T/hr meaning, with a density of 1323
kg/m326 , the minimum volume required for an hours production would be 95 m3 . In order to account for
accumulation of urea product, from either low sales or slow exporting rate, the warehouse size will be
scaled up to provide 5 times more storage than required meaning the volume of the warehouse must
be 500 m3 . This will help to deal with sudden changes in the market and consumer demand.
To size the warehouse, the height must be set first. This can be done by finding the height reachable by
a forklift in order to load and unload the urea crates. It can be seen than warehouse forklifts can reach
anywhere from 6 m to 16 m27 , a reasonable value must be chosen from this range. In order to avoid
the requirement for specialist equipment, the lower bound of this will be taken at 6 m. This means that
the floor area needed for the warehouse will be around 83 m2 . Of course, this doesn’t allow for the
maneuvering of a forklift around the warehouse or accessibility to each shelf, thus an additional 25%
will be allowed for the floor space meaning the new area occupied by the warehouse will be 100 m2 .

2.3. Storage Sizing


Below, the dimensions of the storage vessels tabulated alongside the materials used for their construc-
tion.

Fluid Storage

Contents Diameter (m) Height (m) Material of Construction


Ammonia 6.3 6.3 HT60
Carbon Dioxide 9.6 9.6 SAE 304 SS
Water 7.1 15 SAE 304 SS

Table 2.2: Fluid storage sizing

Solid Storage

Contents Area m2 Height (m)


Urea 100 6

Table 2.3: Solid storage sizing

2.4. 2D & 3D Plant Layout


Below are the 2D and 3D plant layouts. The 2D diagram shows all process units, ancillaries and roads
whereas the 3D only shows the process units. The pipe network from unit to unit is also included for
both representations to show how the vessels interconnect. The icon sizes are not to scale for the
2D diagram as to make the diagram readable and as such, this does mean that some of the spacing
between units is not 100% accurate. The 3D layout is a better representation of the true scale and
proportions of the plant as all spacings and sizings have been done to scale using AutoCAD.
2.4. 2D & 3D Plant Layout 3.18

Figure 2.4: 2D Plant layout drawn on Draw.io


2.4. 2D & 3D Plant Layout 3.19

Figure 2.5: 3D plant layout taken from the North

Figure 2.6: 3D plant layout taken from the South-East

Figure 2.7: 3D plant layout taken from the top


3
Safety, Health and Environmental
considerations
3.1. HAZOP study
The Hazard and Operability (HAZOP) study is an important section and provides critical information by
identifying and analyzing potential hazards and operability issues that could arise due to deviations from
normal process or operating conditions.
The study evaluates the adequacy of the existing safeguards in place for safety and operations and
identifies any additional safeguards required for the system under study to address the causes and
minimise the consequences of deviation.
After careful consideration, it was determined that the HAZOP study should focus on the synthesis section
of the plant, with a particular emphasis on reactor D-101. This section was deemed most appropriate due
to the complexity of its processes, which require meticulous monitoring and control to ensure the plant’s
safe and efficient operation. As the initial step of the production process, the reactor plays a crucial role in
determining the success of the entire operation. Specifically, it enables the reaction between ammonia
and carbon dioxide, resulting in carbamate, which then dehydrates to form a liquor containing 33wt%
urea.
The starting point of the HAZOP study was the P&ID originally produced for the area in the corresponding
Part 2 report. The are was then split into three main investigation nodes, as follows:

• Node 1: Ammonia Stream + recycle stream


• Node 2: Carbon dioxide stream
• Node 3: Product stream;

The study recommends ways to mitigate the consequences of deviations and return to normal and safe
operations. The term ’deviations’ refers to the systems physical properties like flow, pressure, temper-
ature etc.These deviations are paired with guide words that indicate the direction of change, such as
more, less, no or reverse.
Before starting the study, a matrix was created to define the meaningful combinations of deviations and
guide words for the HAZOP analysis, and is presented in Table 3.1.

3.20
3.1. HAZOP study 3.21

Parameter Guideword
More Less No Reverse Other
Flow x x x x
Temperature x
Pressure x x
Level x x
Maintenance x
Composition x
Corrosion x

Table 3.1: Guidewords and deviations matrix

To evaluate the identified hazards, a risk matrix is utilised and illustrated in Table 3.2, which involved risk
ranking by combining severity and likelihood. This step is often referred to as the ”As Low as Reason-
ably Practicable” (ALARP) process since it involves identifying reasonable and effective ways of further
reducing risks until the cost of investment outweighs the benefit of risk reduction gain.
By using a risk matrix, the severity and likelihood of each hazard is evaluated and the most significant
risks are prioritised, allowing for efficient allocation of resources to reduce risks to an acceptable level.
The risk matrix provides a valuable tool for ensuring that the ALARP principle is applied, and risks are
reduced to a level that is both reasonable and practical.
The P&ID section relevant to this HAZOP study is shown in Figure 3.1 below for reference throughout
the HAZOP. The finalised HAZOP is presented in Tables 2.3-X. Following the completion of the study,
the P&ID was updated as per Figure 3.1, any changes identified are marked in red.

Figure 3.1: Section of P&ID relevant for HAZOP study


Consequences Likelihood
Severity People Assets Environment Reputation Improbable Remote Occasional Probable Frequent
A B C D E
0 No injury or No damage No effect (no or No impact (local Low Low Low Low Low
health effect temporary impact media, no signifi-
days) cant concern)
3.1. HAZOP study

1 Slight injury Slight damage Slight effect (local Slight impact (short Low Low Low Low Low
or health scale, short term term local concern)
effect (re- damage -weeks)
stricted work
case or LTI)
2 Major injury Moderate dam- Moderate effect (lo- Moderate impact Low Low Medium Medium High
or health ef- age cal scale, medium (medium-term na-
fect (partial terms damage- tional concern)
disability) years)
3 < 3 fatalities, Major damage Major effect (lo- Major impact (re- Low Medium Medium High High
or perma- cal scale, long gional or persistent
nent total term damage – national concern)
disabilities decades)
4 > 3 fatalities Massive dam- Massive effect (re- Massive impact Medium Medium High High High
age/ total loss gional scale, per- (global concern
manent damage) and media cover-
age)

Table 3.2: Risk matrix


3.22
3.2. HAZOP 3.23

3.2. HAZOP

Table 3.3: HAZOP


3.2. HAZOP 3.24

Table 3.4: HAZOP


3.2. HAZOP 3.25

Table 3.5: HAZOP


3.3. Process Hazards 3.26

Table 3.6: HAZOP

3.3. Process Hazards


A preliminary hazard analysis was conducted in Part 1, and the HAZID was used to discuss the discov-
ered process hazards. This report will examine each stage of the procedure and provide a thorough
analysis of the hazards to give a more complete insight. Correspondingly, each report in Part 2 went into
detail about the precautions and measures taken to address the identified hazards.

Corrosive and Toxic Chemicals


The presence of ammonia and ammonium carbamate on-site poses risks to worker health were they
to be released and either contact skin or be inhaled. Respiratory issues are a severe consequence of
over-exposure to ammonia which must be avoided at all costs. As for ammonium carbamate, if it were
to contact anyone on the processing site’s skin or eyes, it would cause severe irritation lasting prolonged
periods of time. Appropriate measures must be taken, such as proper PPE, in order to ensure these
risks are minimised.

Inventory of Liquids
The inventory of fluids, namely water, on-site poses a potential risk were it to be released from contain-
ment. Flooding of the plant and subsequent damage to mechanical and electrical equipment could lead
to severe consequences such as electrical fires, loss of controller function, and corrosion to equipment
which would decrease its effective lifespan. With electrical failures, if the proper safeguards aren’t put
in place in the event of loss of power, many unforeseen complications may arise with few immediate
means of mitigating these.
3.4. COSHH Assessment 3.27

3.4. COSHH Assessment


Below, in Tables 3.8-3.10, is a Control of Substances Hazardous to Human Health (COSHH) risk assess-
ment. This is based on the Globally Harmonized System of Classification and Labelling of Chemicals
(GHS). The GHS utilises standardised pictograms and precautionary statements to classify compounds
based on their associated hazards and provides guidance on the safe handling of substances28 . The
hazard signs and personal protective equipment (PPE) signs used in this assessment adhere to The
Health and Safety (Safety Signs and Signals) Regulations 1996.
The symbols used in this COSHH will be defined in the following table:

Symbol Meaning

Gas under pressure

Corrosive

Health hazard/ hazardous to the ozone layer

Hazardous to environment

Wear eye protection

Wear hand protection

Wear respirator

Wear protective clothing

Wear foot protection

Table 3.7: COSHH Hazard Symbols


3.4. COSHH Assessment

Table 3.8: COSHH of NH3 & CO2 2930


3.28
3.4. COSHH Assessment
3.29

Table 3.9: COSHH of Ammonium Carbamate, Urea & Biuret313233


3.4. COSHH Assessment

Table 3.10: COSHH of Nitrogen & Oxygen3435


3.30
3.5. Operability 3.31

3.5. Operability

3.5.1. Control and Instrumentation


In order to maintain the plant functioning within safe limits, the basic plant control system (BPCS) is
made to monitor and regulate process variables including pressure, temperature, and flowrates. These
variables must be measured by the instrumentation system and transmitted to the control system, which
must then, if necessary, take corrective action.

3.5.2. Fires and Explosions


The plant must have robust and dependable fire detection and suppression systems in place, such as
fire alarms, smoke detectors, and fire sprinklers, to ensure operability for fire and explosion dangers.
To make sure that they are functioning efficiently and are able to react quickly in the case of a fire or
explosion, these systems must be routinely examined, tested, and maintained. Passive fire protection
techniques are just as important for operation as active fire protection systems. They could include
using fire-resistant materials while constructing, as well as using insulation and fire barriers to prevent
the spread of heat and fire. Using simple auto ignition temperature (AIT) tests to determine operability
for fire and explosions is another essential part. These tests establish the lowest temperature at which a
substance can spontaneously ignite in air without the aid of an external source of ignition. Operators may
better manage the risk of ignition and make sure they are operating within safe limits by understanding the
AIT of the different materials utilised in the process36 . Electrical sources should be kept away from plant
areas where combustible gas/air combinations can occur and segregated from the equipment inventory.
This complies with the Atmospheres Explosives (ATEX) directive and the Dangerous Substances and
Explosive Atmospheres Regulations (DSEAR). By doing so, the likelihood of fire and explosion threats
in the facility is decreased and ignition sources are avoided37 .
The reactor poses the biggest explosion risk and is a key component of the ACES21 process. Thus,
it is imperative that the reactor’s design has sufficient pressure relief instrumentation for inherently safe
operation. This entails the installation of rupture discs, pressure relief valves, and other pressure relief
devices that are intended to release gases or liquids if the internal pressure rises over safe levels. A
system for emergency shutdown (ESD) that can immediately isolate the reactor from the rest of the plant
in the event of an emergency should also be implemented in the reactor38 . Typically, the reactor is shut
down and isolated from the rest of the process by valves that are actuated by sensors and alarms that
detect abnormal operating conditions.

3.5.3. Permit to Work


According to the permit to work system, any work done in the plant must be authorised and regulated by
a formal permitting process. This procedure makes sure that all personnel involved in the work is prop-
erly informed of the hazards, risks, and protective measures related to it. The procedure for obtaining a
permit to operate also makes sure that all parties involved in the operation are in constant communication
with one another. A permit issuer oversees the permit to work system to make sure all relevant safety
measures are taken. The permit outlines the requirements for the job, such as security measures, equip-
ment usage, and communication standards. Prior to carrying out operations like welding and structural
integrity tests, each piece of process equipment should have detailed descriptions of the isolation and
cleaning methods39 .
4
Sustainability Consideration
A key aim of this project is to ensure sustainable design and operation of the plant. This means that
the environmental, economic and social impacts of the overall design must be considered. Further mea-
sures will be proposed to those commissioning the plant in order to encourage sustainable practises are
continued in the further stretches of the plant’s influence. The hotspots for sustainability improvements
can be found through the use of life cycle assessment (LCA).

4.1. Essential Criteria


The essential sustainability criteria include those which must be a priority in order to make the most impact
on the overall sustainability of the plant. They can also be split up according to the 3 sustainability pillars
(Environment, Economy and Society).

4.1.1. Environmental
Reduction of Utilities
Reducing utility use is a major factor in reducing the environmental burden of a process. Due to the high
temperatures and pressures found in the synthesis section, for example, a lot of utility must be used in
order to achieve these conditions. Reduction of utility can be achieved through heat integration across
the plant.

Prevention of Hazardous Chemical or GHG release


With the presence of ammonia, ammonium carbamate and carbon dioxide present throughout many sec-
tions of the plant, safe and secure storage and transport of these chemicals must be ensured. Release
of these would have huge negative impacts on the environment on both a local and global scale. These
include global warming, eutrophication from ammonia or urea, and damage to wildlife.

4.1.2. Economic
Reduction of Operating and Capital Costs
Ensuring money is not spent excessively is important in retaining financial incentive to stakeholders.
Saving in one area can allow for otherwise wasted funds to either be saved, contributing to paying off
loan payments, or spent elsewhere on improving conditions for workers or the local community. Capital
cost can be reduced primarily by making equipment smaller or less intricate. In most cases, this won’t be
feasible due to the production requirements and Part 2 designs which would require complete revision.
This is an inefficient use of time and as such this must be minimised by other means. Cheaper materials
or simpler construction methods can be introduced to reduce the capital cost. Operating costs include
the feedstock, fuel, electricity, wages and waste disposal costs. The most significant of these will likely be
the fuel costs for heating steam. Therefore, reducing heating utility will be important in reducing operating
costs. This, again, can be done via heat integration. By using a steam turbine system for supplying high,

3.32
4.2. Additional Considerations 3.33

medium and low pressure steam to the processes, extra energy can be generated when letting down the
pressure. This can help with providing electricity on site for computers, sensors or pumps.

Reduce Waste
Waste can be seen as lost profits or wasted feedstock, therefore reducing waste produced throughout
the process is an important consideration. This could also be considered an environmental consideration
as waste often is disposed of in non-environmentally friendly ways. Waste production is controlled by the
purge stream. This stream consists of ammonia, carbon dioxide and air. If it were deemed appropriate,
these could be separated and recycled to the reactor feed to further improve the overall conversion of the
process. If the means of separation is not too expensive and the quantity of waste present is sufficient
to be worth recovering, this would be a suitable method of reducing process waste.

4.2. Additional Considerations


4.2.1. Environmental
Alternate Energy Source
In order to reduce energy generated through burning of natural gas, renewable energy sources could
be utilised. The location, Nelson Mandela Bay, has an average of 2810 hours of sunlight a year40 . This
means it would be more than adequate as a location for solar panels to lighten the energy load. This
does, however, involve the use of rare materials for the construction of these solar panels. An LCA could
assist in applying weightings to the environmental impact of solar panel use. If the abiotic depletion
potential of rare materials is less important than the global warming potential of process heating, then
their use may be justified.

Maximising Lifespan
Maximising the lifespan of instrumentation and equipment used on site is an important consideration
when considering the environmental impact of a chemical plant. Expensive, resource-heavy equipment
should be built to last many thousands of hours worth of operation to avoid replacement, which would
slow down the productivity of the plant and require disposal if not built in a reusable, recyclable way.
Proper maintenance of machinery will help to keep equipment running effectively and efficiently whilst
also reducing the build-up of contaminants within the system. In addition, corrosion can be monitored
such that any hotspots can be treated before irreversible mechanical failure occurs. This will lengthen
the lifespan of equipment further.

4.2.2. Social
Reduce Noise Pollution
Noise pollution is a common result of large chemical plants. If not considered, it could reduce locals’
property value if residential, or in extreme cases, cause hearing damage for workers and locals. This
outcome must be avoided, therefore plant location and configuration must be assessed. The plant should
be placed in an industrial area, downwind from the nearest residential area. This will also help reduce
pollution of the area and, were there to be any loss of containment of chemicals, would prevent toxic
chemicals from poisoning local residents.

4.3. Life Cycle Analysis


In this section the sustainability of the production of urea prills is to be investigated in terms of the social
and environmental aspects. The economic sustainability is to be discussed in a later section. This section
focuses on how waste can be minimised from the initial design which was proposed in Part 1 which is
only a general design.
To assess the environmental drawbacks of the final designed process, a “life cycle thinking” approach
is used. A Life Cycle Assessment (LCA) is an environmental management tool which is standard use
4.3. Life Cycle Analysis 3.34

in modern-day industries which applies life cycle thinking in order to assess the environmental conse-
quences as a result of human activities. It reviews the quantification of environmental burdens of prod-
ucts, processes or activities and then using these burdens to reveal what potential impacts they could
have. Finally, identification of opportunities for improvements along the whole life cycle can be carried
out. LCA is conducted in four main steps; the goal and scope definition, which defines the purpose of the
study, system boundary and functional unit; inventory analysis, which involves defining the system, data
collection and environmental burdens; impact assessment, which determines the impact categories and
environmental impacts; and the interpretation, which involves hotspot analysis, evalueation of results,
sensitivity and uncertainty analysis, and reporting of findings.

4.3.1. Goal and Scope Definition


The purpose of this LCA is to identify the significant impacts that the process of urea production has on the
social wellbeing of the community and on the environment and the focus is on improving the production
process. “Hotspots” are required to be identified to find areas of improvement. Alternative cases of
production are to be investigated and a recommended case will be chosen based on LCA analysis.
A “cradle-to- gate” or sometimes known as a “business to business” approach is to be used for this
process as opposed to a “cradle-to-grave” or a “business to customer” approach. This is for the reason
of ease of comparability: A cradle-to-gate LCA can provide a far clearer and more consistent basis for
comparing the environmental impacts of different urea production methods or facilities. By limiting the
scope to the production phase, the comparison becomes more straightforward and less prone to errors
and inconsistencies. It should be noted that a cradle-to-gate LCA does not consider the entire life cycle
of urea, including its use, potential emissions during use or its end-of-life management, however since
the focus is mainly on improving the production process, not including these factors are helpful because
it makes it less-time consuming and more manageable.

Figure 4.1: Cradle to grave system boundary

For the purpose of this particular LCA, the functional unit to be selected is “Production of 1000kg of pure
urea”.

4.3.2. Inventory Analysis


The main raw materials that are being fed into the process are ammonia and carbon dioxide. Figure 4.1
shows the overall process which is divided into eight stages and contains two inputs and three outputs.
The results of the inventory analysis are presented in Table X. The raw materials which are fed into the
process are ammonia and carbon dioxide. Both ammonia and carbon dioxide are to be supplied from
plants under a kilometre away from our plant, therefore it was assumed that the impact of transport to
the process is negligible and can be ignored. The energy input is based from the process integration
which is performed in chapter 7 of this report. Since the ammonia supply to the process is integrated
into the overall process, this saves a lot of energy needed due to the fact of increased heat recovery in
the process.

Figure 4.2: Flow diagram for LCA


4.3. Life Cycle Analysis 3.35

Inventory Type Amount (FU-1) (3sf)


Ammonia Raw Material 572kg
Carbon dioxide Raw Material 741kg
Gas Boiler Energy 876MJ
Electricity Energy 114MJ
Purge Stream Waste Waste 6.15kg
Urea prills Product 1.00kg

Table 4.1: Inventory Analysis results

A carbon footprint sensitivity analysis was carried out by varying the ratio of urea distributed locally
vs urea distributed overseas to depict the change in total carbon footprint emitted per functional unit.
According to a urea market analysis for the continent of Africa, South Africa is the majority importer
of urea in Africa with 42% of total urea imports in 2021 with the next largest importer of urea in Africa is
Djibouti with 9.1% of total urea imports in Africa41 .
Since South Africa is the biggest importer of urea in Africa by such a big margin, it was decided that all
urea not distributed overseas should be distributed to South Africa. Within South Africa it was found that
KwaZulu-Natal and Limpopo have the most fertile land in the country42 . The distances of KwaZulu-Natal
and Limpopo from our urea plant are 1245km and 1430km respectively. Under the assumption that half
of the locally distributed urea prills go to each of the two destinations an average of the two distances
can be calculated to estimate the distance locally distributed urea has to travel. This mean distance is
1338km and is inputted into CCalc2 to estimate the carbon footprint of the locally distributed urea. The
mode of transport to distribute urea prills locally is to be 22t trucks.
According to a global urea import study carried out in 2019, the largest importers of urea by volume
in the world are India and Brazil with 9679 metric tons and 5897 metric tons per year respectively43 .
The shortest distance from South Africa to India by cargo ship is 10,054 kilometres and to Brazil is
7780km. Similarly, under the same assumption used for local distribution, a mean distance between the
two distances was calculated to estimate the total carbon footprint when emitted overseas and this is
8917km. Urea to be distributed overseas travels 7km from the plant to the port via a 22t truck and then is
shipped by a cargo ship to its destination. The carbon footprint per functional units of the different cases
was calculated on the software CCalC2 using the distances and transport modes that were mentioned
and the results are presented in Table 4.2.

Urea Distributed Urea Distributed Total carbon footprint


Locally (kg/F.U) Overseas (kg/F.U) (kg.CO2.eq/F.U)
1.00 0.00 1756
0.75 0.25 1753
0.50 0.50 1750
0.25 0.75 1745
0.00 1.00 1741

Table 4.2: Total carbon footprint for each distribution case

Using green ammonia instead of ammonia completely eradicates any carbon footprint associated with
ammonia, therefore significantly reducing the carbon footprint from raw material since most of the raw
material emissions is due to ammonia. The carbon footprint emitted by raw materials decreases by
87.4% when using green ammonia compared to the ammonia, decreasing from 1565kgCO2eq./fu to
196kgCO2eq./fu. So when green ammonia is used instead of ammonia the total carbon footprint would
decrease to 185kgCO2eq./F.U in the case of 50/50 split of local and oversees distribution
The packaging used for urea prills were chosen to be in the form of large HDPE bags and it was assumed
that 0.333kg worth of bags were used per functional unit. However this only accounts for a very small
percentage of the total carbon footprint so this would not be a point for improvement in the process.
4.3. Life Cycle Analysis 3.36

4.3.3. Impact Assessment


This step of the LCA aims to define the environmental burdens of the process found during the data
collected in the inventory analysis. The figures below contain an overview of the carbon footprint for
each of the cases of urea distribution, all performed on CCaLC.

a) b)

c) d)

e)

Figure 4.3: Carbon footprint overview of varying local to overseas shipping ratios: a)75:25 b) 25:75 c)100:0 d)0:100 e)50:50
4.3. Life Cycle Analysis 3.37

Figure 4.4: Carbon footprint overview for raw materials

4.3.4. Interpretation
The final step of the LCA aims to transfer the environmental burdens from the impact assessment into the
potential impact they could have on the environment. The focus of this LCA was on global warming which
is defined by means of kg.CO2eq. basis. One of the main concerns currently in terms of environmental
sustainability is the issue of global warming due to the links it has to climate change which poses a serious
threat to life on Earth in the forms of widespread flooding and extreme weather as well as worsening the
quality of air and water we consume.
As can be seen from Figure 4.3 and in Table 4.2, the total carbon emission show a slight decrease when
more urea is distributed overseas than distributed locally. This is surprising as one may think the longer
distance travelled must mean more carbon emissions are given off, however the carbon emissions given
off per km is considerably larger for trucks than for cargo ships.
It may be easy to say that all the urea produced by the plant should be exported since India and Brazil
are the largest urea importers in the world and has a lower carbon footprint, but the social considerations
must be taken into account: How may the local community take the fact that none of the urea produced
is actually being used in the country in which it was produced? In addition, since South Africa is the
biggest importers of urea in Africa as mentioned previously, distributing urea locally to South Africa will
help reduce the carbon footprint indirectly of other exporters looking to export their urea to South Africa
since there is less demand for urea if our urea plant is supplying enough.
5
Control & Instrumentation
The design of a control system for the entire process is critical to ensure a consistent quality of urea
output is achieved in the most efficient, safe and sustainable method. The individual designs from Part
2 were used as a base control system for the whole process. The plant is split into six different sections,
with each sheet of the P&ID representing two sections in order to provide clear, detailed and legible
P&IDs. Figure 5.1 shows the P&ID of Sections 1 (Synthesis section) and 2 (Purification section) of the
process, Figure 5.2 shows the P&ID of Sections 3 (Concentration section) and 4 (Prilling section) of the
process, and Figure 5.3 shows the P&ID of Sections 5 (Wastewater Treatment section) and 6 (Recovery
section) of the process.
In Figure 5.1, changes made to the system as a result of the HAZOP performed in chapter 3 of this
report are highlighted in red. When collating the individual control systems onto an overall P&ID, it was
important to acknowledge conflicting nodes on connecting streams. This would cause the system to be
over-controlled or over-specified which is a violation to degrees of freedom. This problem is easily solved
by simply removing one of the duplicated control systems on a given stream ensuring that the system’s
control was not hindered.
The legend used for the P&IDs are presented in Table 5.1 below:

Table 5.1: P&ID Legend

3.38
Figure 5.1: Section 1&2 P&ID. Equipment in red illustrate new safety features added as a result of the HAZOP
3.39
Figure 5.2: Section 3&4 P&ID
3.40
Figure 5.3: Section 5&6P&ID
3.41
6
Operating Considerations
6.1. Commissioning
All systems and components must comply with operating specifications before being put into commission.
It demands for procedures including testing, site verification, and equipment inspection. This essential
procedure guarantees a seamless transition from plant construction to operation while reducing costs
and delays. It is important to confirm that the equipment complies with design requirements and P&IDs.
Successful commissioning lowers financial risks and facilitates dependable and safe plant operation.
Unit inspections and testing identify risks, safeguard personnel, and reduce any negative effects on the
environment44 .

6.1.1. Plant Inspection Requirements


Prior to commencing any commissioning operations, it is important to verify that the installed equipment
and piping align with the design specifications and process and instrumentation diagrams (P&IDs)45 .
This undertaking can be divided into the following sections:

Section Plant Inspection Requirements


Personnel Regular checks that PPE is fit for purpose. Verify staff have correct training
Safety and qualifications for the job. Adequate lighting and ventilation should be ex-
amined. These inspections can minimise the chance of accidents or injuries
by identifying potential risks and addressing them prior to the operation of ma-
chinery46 .
Reactors and Reactor and column integrity, including welds and supports, are investigated.
Columns Entry pipes and feed distributors are inspected to ensure proper alignment,
installation, and functionality. In the stripper, check for corrosion and/or foul-
ing in trays. Verify the design is safe and reliable. Pressure relief valves are
inspected to confirm their accurate calibration, correct positioning, and opera-
tion47 .
Heat Exchang- To ensure operational security, the integrity and supports of the system must
ers and Vessels be examined. Tube interiors are checked for fouling or deposits. Relief valves
undergo bench tests for correct installation and pressure release. Entry pipes
and drains must be properly installed for safe disposal. Instrument nozzles
need accurate positioning and alignment, with accessible instrumentation via
man-ways.48 .

3.42
6.1. Commissioning 3.43

Section Plant Inspection Requirements


Piping and In- Inspect the piping and supports thoroughly, ensuring valve operation and in-
strumentation strumentation function correctly. Confirm instrument calibration and accuracy,
making necessary adjustments. Calibrate analysers and sensors for reliable
readings.49 .
Electrical and To ensure safe and reliable plant operation, electrical and control systems re-
Control quire testing and inspection. This includes verifying control system, interlocks,
grounding, and electrical safety. The emergency shutdown system is also to
be tested for effective emergency response.50 .
Machinery Ensure rotating equipment is balanced, lubricated, and aligned to prevent vibra-
tion and premature wear. Verify all safety measures, including pressure relief
valves, rupture discs, and emergency shutdown systems, are operational to
avoid accidents and protect personnel and equipment.51 .

Table 6.1: Inspection checklist for various sections of the plant prior to commissioning

It is imperative to rectify any errors or problems found during the preliminary plant inspection before
the commissioning phase gets underway. The procurement team establishes the structure for commis-
sioning after making the required modifications. This team is made up of members from the design,
construction, and operations teams as well as, if necessary, specialised consultants. The procurement
team prepares a work schedule, develops a thorough execution plan, and decides on the commissioning
phase’s objectives and scope together. They guarantee the availability of resources, such as personnel,
equipment, and materials52 .

6.1.2. Flushing and Cleaning


Before commissioning, the process equipment and pipelines must be flushed and cleaned. This is a vital
step in making sure the plant operates efficiently. Equipment and pipelines may become significantly
clogged with debris, dirt, and other impurities during the construction period. If these contaminants are
not eliminated prior to commissioning, they may result in operational problems, lower production effec-
tiveness, or even severe equipment damage53 . This can be done either mechanically, using brushes,
scrapers or other forms of abrasion, or chemically, using solvents. Additionally, water is often used to
help ’flush’ debris out in a method called the ”fill-and-dump” technique54 .

6.1.3. Chemical Trials


Chemical trials are carried out following the Shutdown Procedure to evaluate the system’s performance
and find any potential problems before resuming normal operation. The operators can observe the be-
haviour of different components, such as reactors, columns, pumps, and control systems. This enables
them to evaluate the effectiveness, usability, and dependability of the machinery and systems. Any de-
viations or anomalies can be found, and the appropriate corrections or modifications can be performed
to ensure optimum performance52 .

6.1.4. Handover Phase


The commissioning team moves on to the next stage, known as the handover, when the chemical testing
is over and the performance of the facility has been thoroughly evaluated. To achieve a successful
transition, the handover involves providing training, documentation, and assistance. Operators must
be made aware of the necessary maintenance processes, safety precautions, and emergency response
plans. All pertinent design, construction, and commissioning documentation for the plant is transferred52 .
6.2. Start-up 3.44

6.2. Start-up
To ensure that a chemical plant can transition from a non-operational condition to an operating state
in a safe and dependable way, a set of carefully designed stages must be followed. This procedure is
required following plant commissioning, maintenance, or regular/emergency shutdowns. It is essential
to consider any hazards that could develop as a result of the unsteady state conditions that are involved
during the start-up. Every main operation in the plant should have a clear procedure for starting up in
order to restore normal operating conditions following every shutdown. Start-up procedures must be
executed in a manner that has the least negative financial impact and has the most operating capacity
possible55 .

6.2.1. Utility Systems


To make sure they are in good working condition and are prepared to be started up, all utility systems,
including the cooling water system, steam system, and electrical system, must first be inspected. The
utility systems must then be ready for startup after the examination is finished by cleaning and purging,
following the same methodology as previously mentioned56 .
The next stage is to bring the systems up to the necessary pressure and temperature after they have
been purged. To avoid any rapid pressure or temperature changes that would harm the machinery or
pipework, this is typically done gradually. Flow rates, pressures, and temperatures of the utilities’ fluids
must be monitored carefully to ensure safe operation56 . This entails checking that all interlocks and
alarms are operating as planned, as well as that all safety valves are properly set. To safeguard the
well-being of the personnel and the equipment, any issues with the safety systems must be rectified right
away56 .

6.2.2. Reactor
In order to search for any damage or corrosion that might have happened during maintenance or com-
missioning, the reactor and its related systems must first undergo a thorough inspection. An inert gas,
such as nitrogen, is used to fill the reactor when the examination is over. This displaces any air and
prevents explosive mixtures from forming. The reactor is then gradually filled with ammonia until the
desired pressure is achieved. To reach the desired temperature, hot oil or steam is used to preheat the
reactor57 .
At this point, the system is gradually infused with carbon dioxide, which causes it to react with the
ammonia in the reactor and the products follow the process as expected. Any abnormalities are quickly
corrected to stop equipment damage and the production of undesirable byproducts. To guarantee a
seamless and secure start-up, qualified personnel are required to be present57 .

6.2.3. Ancillary
One of the first pieces of equipment to be turned on during start-up is the pumps. It is important to evaluate
the condition of the pumps and the correct installation of all required valves and pipelines before turning
on the pumps. The flow rates and pressures are carefully monitored after the pumps are turned on to
guard against any process or equipment damage58 .
The heat exchangers are examined to make sure there isn’t any damage or corrosion that could affect
how well they work before they are put into service. They are progressively heated and inflated to their
operating pressure after being deemed to be in good condition59 .
The control systems are also important supporting components in the process since they are utilised
to track and regulate the many process variables, such as temperature, pressure, flow rates, and com-
positions. The calibration and functionality of all required sensors and equipment are verified before the
control systems are started, as well as their accuracy. In order to make sure they are running within the
proper range after they have been started, they are constantly checked.
6.3. Shutdown 3.45

6.3. Shutdown
The objective of a chemical plant’s shutdown procedure is to maintain a safe and stable state while
reducing the danger of equipment damage and personnel harm. To isolate equipment, depressurise
systems, drain vessels, and perform appropriate repair procedures, it entails a sequence of controlled
actions. The plant can ensure worker safety, safeguard the environment, and enable a smooth restart
with little to no downtime and the avoidance of expensive repairs by strictly adhering to the shutdown
protocol60 .

6.3.1. Routine Shutdown


The routine shutdown procedure seeks to end the production process in a safe and regulated manner,
limiting the risk of equipment damage or personnel injury. It is employed when a production process
must be momentarily stopped in order to perform maintenance, cleaning, or repairs61 .
The feedstock flow rate is progressively decreased during the first phase of the shutdown procedure
to prevent unexpected changes in pressure or temperature that could harm equipment or provide a
safety risk. The pumps that provide the feedstock are turned off once the flow rate has been lowered
to a safe level. In order to avoid any remaining feedstock from being forced through the system by the
pumps, which could cause over-pressurisation or equipment damage, it is essential to shut off the pumps
gradually. The remaining feedstock is allowed to progressively circulate through the system while the
pumps are turned off and the flow rate is decreased, until it is no longer present and the operation may
be safely stopped61 .
The heat exchangers that regulate the process’ temperature must then be shut down, gradually low-
ering the heat transfer medium’s temperature while altering the heat transfer medium’s flow rate. The
heat transfer medium’s temperature is then allowed to stabilise while the flow rate is decreased to zero.
The heat exchangers are then separated to stop any further passage of the medium into the process.
The usual method for accomplishing this is by shutting off the heat exchangers’ inlet and outlet valves.
To speed up the cooling process, often a cooling medium, such as air or water, is circulated through
the equipment to absorb the heat generated by the process. This must be done gradually to prevent ther-
mal shock and equipment damage from occurring if the temperature of the equipment and the process
fluids drops too quickly. Continuous monitoring of the equipment’s pressure helps to ensure that it stays
within safe ranges and doesn’t drop too quickly.
The next step is to drain the equipment of any leftover process fluids when the equipment and the
process fluids. This is done to make sure the equipment is secure for use and to stop any residual
fluids from polluting the environment. In order to safely remove the residual process fluids from the
equipment, specialised equipment like vacuum pumps or blow-down valves are typically used during the
depressurisation process61 .

6.3.2. Emergency Shutdown


The purpose of the emergency shutdown procedure is to prevent or minimise harm to the personnel,
environment, and equipment. This risk can be significantly decreased by stopping the production process
and isolating the equipment. This may prevent the situation from getting worse and potentially save
lives62 .
The emergency shutdown procedure is essential since this process handles materials that could
be harmful and that operate at high temperatures and pressures. The emergency shutdown process
entails turning on the emergency shutdown system, which consists of a collection of sensors and valves
connected to a main control panel. The emergency shutdown valves are activated when a sensor detects
an emergency condition and sends a signal to the control panel.
Any emergency shutdown system in a process facility must include emergency shutdown valves
(ESVs), often installed at key places along the process flow like at the inlet and outlet of equipment, to
stop the discharge of hazardous material in the event of an emergency. ESVs typically have actuators
installed, allowing a control system to remotely or automatically activate them. In some circumstances,
6.4. Normal Operation 3.46

ESVs can be made to be fail-safe, which means that if there is a power outage or a loss of control signal,
they will shut down automatically.
The emergency response team is informed after the emergency shutdown valves have been activated,
and the evacuation procedure is then initiated. As soon as the emergency has been contained, the team
will evaluate the situation, take the appropriate action, and attempt to safely halt the procedure and limit
any additional harm. The emergency response team will also start other emergency procedures, such
as firefighting, first aid, and environmental protection measures62 .

6.4. Normal Operation


The process enters normal operation once the commissioning and startup processes are complete, gen-
erating 1,000,000 metric tonnes (MT) of urea prills annually within 8000 operating hours. Despite the
autonomous operation of the plant, operators and employees are still essential for monitoring and re-
sponding to abnormal situations. To ensure that production runs smoothly, they actively monitor the
plant’s performance, immediately address any deviations, and collaborate with the maintenance person-
nel.

6.5. Maintenance
Equipment maintenance provides for optimal performance and longevity. Inadequate maintenance in-
creases the likelihood of accidents, downtime, and poor production, all of which are extraneous expenses
for businesses63 .
Chemical plants may occasionally have duplicates of significant process equipment, such as cold
standby pumps, to ensure uninterrupted operation in the event of equipment breakdown. This improves
the reliability of the plant as a whole since the duplicate equipment may be immediately turned on to fill
in for the failed equipment’s function. This helps to decrease downtime and production losses64 .
Normally, maintenance work is documented, including information on what was done, why, when,
and by whom. When doing retrospective hazard reviews to detect prospective safety dangers that may
develop due to equipment failure, this historical data might be helpful. A typical failure rate can be
established by including equipment dependability into a LOPA (layer of protection analysis), which can
assist in identifying and reducing potential risks65 .

6.5.1. Corrective
Equipment that has broken down or malfunctioned must be repaired or replaced. Corrective maintenance
aims to get the machinery back to its optimal operational condition, minimising downtime and increasing
production. Wear and tear, improper use, or external factors like power interruptions or environmental
conditions are potential causes of breakdown and malfunction. This form of maintenance can prevent
extended downtime, lower repair costs, and extend the life of the equipment by responding quickly and
effectively to equipment faults66 . The workshop on-site will be where most of these repairs occur, unless
the repair must be performed in-situ.

6.5.2. Preventative
In order to avoid failures altogether, equipment or machinery undergoes routine checking, cleaning, and
maintaining to make sure it stays in prime condition. Preventative maintenance aims to locate issues
and address them before they worsen and result in prolonged equipment downtime or damage. This
is usually accomplished by adhering to a schedule of regular maintenance procedures, such as lubrica-
tion, cleaning, calibration, and the replacement. Preventative maintenance is typically less costly and
time-consuming than corrective maintenance, making it a cost-effective strategy for equipment manage-
ment67 .
6.6. Specific Maintenance 3.47

6.5.3. Predictive
Predictive maintenance uses data analysis and machine learning to anticipate equipment breakdowns,
enhancing lifespan and reducing repair costs by planning suitable maintenance tasks. It enhances safety
by identifying potential issues in advance. Methods like statistical analysis, machine learning, and AI ana-
lyze sensor data like vibration, temperature, and pressure to detect potential problems. These algorithms
learn from past data to recognize anomalies indicating issues.68 .

6.6. Specific Maintenance

6.6.1. Reactor
The reactor operates at a high temperature of 185°C and a pressure of 155 bar. The materials involved
in this process include ammonia and carbon dioxide, the former being flammable under certain concen-
trations9 . A thorough maintenance schedule should be put in place due to the potential risks associated
with this operation. The internal reaction is exothermic, which means it generates heat. Since the high
temperature and pressure can lead to corrosion, erosive wear, and fatigue, this places additional strain
on the equipment. High-strength alloys and coatings that resist corrosion and wear are employed as a
means of addressing this issue. The reactor is also built with cooling devices to control temperature and
avoid overheating69 .

6.6.2. Absorption Columns


Regular maintenance of absorption columns involves inspecting and replacing any fouled, corroded, or
damaged packing material. Preventive measures include cleaning with suitable solvents, monitoring
process parameters like flow rates, temperatures, and pressures, checking vibration levels, and using
non-destructive testing to identify potential issues with the column’s structure or internals.70 .

6.6.3. Storage Tanks


To prevent containment loss, storage tanks need regular inspections, cleanings, and integrity tests, in-
cluding lining, valves, and fittings. Predictive maintenance methods like thermography and ultrasonic
testing can detect issues like corrosion, stress cracking, or leaks early, enabling timely repairs to prevent
extensive damage or safety risks.71 .

6.6.4. Ancillaries
Preventative maintenance is frequently employed for pumps, which entails routine inspections, cleaning,
and replacing worn-out parts like seals and bearings. Predictive maintenance techniques like vibration
analysis and oil analysis can also be used in order to diagnose issues in the equipment. Corrective main-
tenance, which may involve repairing or replacing the pump, may be necessary if a pump malfunctions72 .
Preventative maintenance involves checking and repairing worn parts and cleaning heat exchanger sur-
faces to prevent fouling. If malfunctions occur, corrective maintenance, including heat exchanger repair
or replacement, may be necessary. Regular inspection and replacement of gaskets and seals are es-
sential to prevent fluid leaks, which pose operational and safety risks. Deterioration due to corrosive
substances, extreme heat, and pressure might require a complete heat exchanger replacement to mini-
mize production disturbance.73 .

6.6.5. Valves, Piping and Instrumentation


Regular valve and piping inspection and cleaning are required for leak prevention and proper process
fluid flow. Instrumentation, including sensors and transmitters, must also be frequently calibrated and
maintained to provide accurate readings and process control. Accurate documentation and record-
keeping of maintenance procedures are also crucial in order to monitor the state of these components
and identify potential issues before they become serious ones74 .
7
Process Integration
Process integration is a vital part of chemical engineering design that allows the engineer to maximise
energy recovery by utilising surplus heat to heat cold streams thus minimizing the utility consumption
therefore operating costs and energy consumption. This is especially important in this process as the
urea process relies on synthetic ammonia production, accounting for around 10% of the world’s energy
consumption75 . In Part 1, enthalpies were approximated using constant specific heat capacities for am-
monium carbamate and urea as values for the Shomate equation were unavailable for these components.
As this assumption was assumed to be unviable for our process over the large operating temperatures,
and many group members used ASPEN Plus for their Part 2, enthalpies and heat capacities were in-
stead taken from ASPEN Plus simulation software for these components. ASPEN Plus was used by
using the SR-POLAR property method to approximate the physical property data for these components
at the range of operating temperatures and pressures. The heat capacities for water76 , carbon dioxide76
and ammonia76 were calculated using the Shomate equation shown in Eq.7.1, and integrated to give the
enthalpies, as in Part 1. The integrated Shomate equation to give the enthalpy is shown in Eq.7.2.

E
Cp = A + Bt + Ct2 + Dt3 + (Eq.7.1)
t2

Bt2 Ct3 Dt4 E


H 0 − H298.15
0
= At + + + − +F −H (Eq.7.2)
2 3 4 t

Furthermore, in Part 1, it was assumed that process to process heat transfer already occurs in both the
cooling of wastewater and in the recycle loop between the hydrolyser and process condenser stripper
as per the ACES21 brochure8 . For the purpose of designing an optimal heat exchanger network, and
to ensure that the energy balance is satisfied with the newly calculated enthalpies from ASPEN, this
integration was omitted, and the streams were treated individually.

7.1. Process Streams


In this process there are 8 streams that have heating and cooling requirements supplied directly by heat
exchangers or by process to process heat transfer. As discussed previously, the enthalpies
In all tables below the standard sign convention of negative duty for heat release and positive for heat
absorption is used.

3.48
7.1. Process Streams 3.49

Streams TS (ºC) TT (ºC) M (kg/s) CP (kJ/kg.K) ∆H (kW)


2 to 3 40 166 19.7 2.24 5540
14 to 15 130 135 46.7 1.55 935
18 to 19 128 140 36 0.753 449
39 to 26 129 35 12 4.1 -4622
27 to 33 35 61 11.8 4.1 1260
44 to 44A 141 112 10.3 4.29 -1260
34B to 34C 137 205 11.7 4.49 3450
35A to 35 B 215 147 1.96 4.35 -566

Table 7.1: Table of heat exchanger streams and duties

The streams above were entered into SPRINT software with a minimum approach temperature of 10°C
to yield the grand composite curves in figure 1 below. It was found that the minimum total hot utility
requirement was 5003.46kW and the minimum cold utility requirement was 622.884kW.

Figure 7.1: Grand composite curve

In order to design the heat exchanger network, the utilities that will be used must firstly be chosen, which
is further discussed in the following section.

7.1.1. Choice of Utilities


The minimum temperatures for utilities must firstly be calculated in order to chose the type of utility. The
minimum temperature for cold utility is 25°C for the cooling of 39 to 26 and the maximum hot utility
temperature is 225°C to heat 35A to 35B. The minimum cold utility temperature means that the cold
utility can be cooling water with a feed temperature of 20°C as it is cheaper and requires less equipment
than refrigeration systems. Additionally, the heated cooling water can be used as boiler feedwater in
steam generation later in the process. The maximum temperature requirement of the hot utility means
that MP steam will be required at a saturation temperature of at least 225°C, however in order to generate
electricity to power pumps and to sell back to the grid to reduce the unit cost of the steam it was decided
that HP steam at 40 bar would be produced and let down through steam turbines and generation. In
addition to this, there will be 3 additional levels of steam that are required for heating the stripper and
decomposers. The MP decomposer requires 17 bar steam, the stripper requires 15 bar steam and the
7.1. Process Streams 3.50

LP decomposer requires 3.5 bar steam. Finally, it was decided to use the large duty in the reactor to
generate another level of steam at 8 bar, to be used for process heating and electricity generation. 8 bar
steam was chosen here as it was the highest level of steam that did not violate a ∆T min of 10°C given
an assumed water feed temperature of 125° to the jacket of the reactor.

7.1.2. Process Units


As stated prior, duties for all the units were recalculated from Eq.7.2 and can be seen in the table below:

Name Code Tinlet (ºC) Toutlet (ºC) Duty (kW)


Reactor D-101 166 183 -26500
Stripper E-101 183 183 31900
VSCC C-101 183 213 -22300
MP Decom- E-201 155 155 10400
poser
LP Decom- E-202 130 130 1580
poser
Vacuum K-301 144 128 -1320
Evaporator 1
Vacuum K-302 140 138 74.6
Evaporator 2
LP Absorber AB-601 130 45 -3130
MP Ab- AB-602 155 72 -22300
sorber
Process E-501 132 138 -595
Condenser
Stripper
Hydrolyzer HZ-501 205 215 514

Table 7.2: Table of heat exchanger streams and duties

As the duty for the vacuum evaporator is so low it was decided to operate this unit adiabatically, leading
to a final outlet temperature of 136°C
It was decided that the VSCC would be focused on first as this is the unit that operates at the highest
temperature with one of the largest duties. Thus, the utility used to cool the VSCC as the exothermic
reaction occurs could be used to generate steam to heat units such as the decomposers and to be used
in heat exchangers. In the units designed in Part 2, the highest-pressure steam requirement is the 17
bar steam used in the MP decomposer, therefore ideally, the steam generated in the VSCC should be of
this pressure or higher. The saturation temperature of 17 bar steam is 204.3°C from steam tables77 and
assuming that the feed to the VSCC cooling jacket is at 125°C, the log mean temperature difference of
the jacket can be calculated using Eq.7.3 below, modelling the jacket as counter current flow.

(Thi − Tco ) − (Tho − Tci )


∆TLM T D = (Eq.7.3)
hi −Tco )
ln (T
(Tho −Tci )

Substituting in Thi = 213 ºC, Tho =183 ºC, Tci =125 ºC and Tco = 204.3 ºC gives a log mean temperature
difference (LMTD) of 26 ºC, much larger than the minimu temperature difference. Next, the enthalpy of
cold water at 125 ºC and 17 bar was found from cold water tables (ref) and the enthalpy of the steam
generated at 17 bar was found again from steam tables to be hf = 526.1 kJ/kg and hg =2794.53 kJ/kg.
These values were substituted into Eq.7.4 below along with the duty of the VSCC to give the mass
flowrate of steam generated for the unit to be 9.83 kg/s.
7.1. Process Streams 3.51

Q
mgen = (Eq.7.4)
(hg − hf )

This process was repeated for the reactor, generating 8 bar steam, the MP absorber, generating 3.5 bar
steam, and the LP absorber, vacuum concentrator, and process condensate stripper all used to heat
cooling water from 20°C to 125°C. These results are shown in the table below. Note that hg for all units
preheating feedwater to 125°C is the enthalpy of liquid water at this temperature and a pressure of 3.5
bar, shown by the * in the hg column. A pressure of 3.5 bar was chosen as to minimize the thickness
requirements of the vessel wall whilst keeping the water in the liquid phase as these units are operating
below 3.5 bar pressure.

Unit Code Steam/Water Thi Tho Tci Tco hf hf mg


pressure (bar) (ºC) (ºC) (ºC) (ºC) (kJ/kg) (kJ/kh) (kg/s)
D-101 8 183 166 125 170.4 525.5 2762 11.8
C-101 17 213 183 125 204.3 526.1 2795 9.83
K-301 3.5 144 128 20 125 108.5 525.5* 3.16
AB-601 3.5 130 45 20 125 108.5 525.5* 7.5
AB-602 3.5 155 72 20 138.25 108.5 2732
E-501 3.5 138 132 20 125 108.5 525.5* 1.43

Table 7.3: Table of unit stream unit stream enthalpies and generated steam mass flowrates

The steam generated from D-101, C-101 and AB-602 can now be used to heat process units and as a
utility to heat process streams. Firstly, the process units will be considered and the steam requirements
of the units must be calculated. This is completed by using Eq.7.5 and the results can be seen in the
table below.

Q
mreq = (Eq.7.5)
(hg − hf )

Unit Code Saturated hf hg mreq


Steam Pres- (kJ/kg) (kJ/kg) (kg/s)
sure (bar)
E-101 15 844.7 2791 16.4
E-201 17 871.9 2795 5.43
E-202 3.5 584.3 2732 0.734
HZ-501 40 1087 2801 0.3

Table 7.4: Table of unit stream enthalpies and required steam mass flowrates

This shows that the 17 bar steam generated in C-101 can be consumed by the heating requirement of
E-201, and the leftover steam is let-down through a condensing steam turbine to 15 bar. The flowrate of
steam let-down to generate 15 bar steam is 9.83-5.43 = 4.4 kg/s, and is insufficient to satisfy the heating
requirement of E-101, thus more 15 bar steam must be generated. This was done by using a natural
gas boiler to generate 40 bar steam, which was let-down through a condensing steam turbine to give 15
bar steam. The supply of 3.5 bar steam generated in AB-602 is sufficient to meet requirements in E-202
with 9.566kg remaining to be used in process heating or further let down to generate electricity.
7.1. Process Streams 3.52

7.1.3. Utility Costing


As SPRINT software optimizes for cost, some information on the cost of the steam must be inputted. The
cost of the use any steam generated for process heating is set to be 0 as it would be preferred that this
steam is used for process heating before any steam is let-down to generate electricity. The cost of the
cooling water was found to be approximately 3$ per 1000 gallons6 . The cost of the 40 bar steam was
calculated using Eq.7.6, as it was decided that the HP steam would be generated using a gas boiler.

dHb
PHP S = PF + + PBF W (Eq.7.6)
ηB

Where PHP S is the prices of the high pressure steam in R/ton, PF is the prices of the fuel, in this case
natural gas with the price taken to be 53.91 R/GJ from the South African Department of Energy’s web-
site78 , dHB is the heating rate in GJ/ton of steam, ηB is the boiler efficiency assumed to be 0.85, and
PB F W is the price of boiler feedwater which is assumed to be negligible due to the contribution from
condensate recycle. Assuming a boiler feedwater temperature of 125°C and pressure of 40 bar, hg and
hBF W can be calculated from compressed water and steam tables. These were found to be 2801 kJ/kg
and 527.7 kJ/kg respectively. These can be substituted into Eq.7.7 to find the heating rate.

dHB = 1000(hg − hBF W ) (Eq.7.7)

Giving a final heating rate of 2.31 GJ/ton of steam. This is substituted back into Eq.7.6 to give a final
price of 56.6 R/ton of steam for 40 bar steam.
The price of the 17 and 15 bar steam used for process heating was calculated by finding the power
generation from letting the 40 bar steam down to 17 and 15 bar and the return from selling the electricity
generated back to the South African grid. Example calculations for the 15 bar steam are shown below.
Firstly, an isentropic efficiency for the turbine used to expand the steam was assumed to be 0.8, and
the inlet conditions of the high-pressure steam are the saturated conditions at 40 bar. The isentropic
efficiency is defined by Eq.7.8.

hin − hout
ηIS = (Eq.7.8)
hin − hIS

Where hin =2801 kJ/kg from saturated steam tables at 40 bar. To find hIS , the entropy of the outlet steam
at the new saturation pressure was found and compared with the inlet entropy of Sin =6.067 kJ/kG.K. If
the new value of Sout at isentropic conditions, Sout =Sin =6.067 kJ/kg.K, was lower than the Sout at the
saturation pressure, it was determined there would be wet steam at the outlet, thus a wetness check
under isentropic conditions as per Eq.7.9 was carried out. As the entropy of 15 bar steam is 6.444
kJ/kg.K, Eq.7.9 was used to find the isentropic dryness fraction, with values of Sf =2.315 kJ/kg.K and
Sf g =4.129 kJ/kg.K.

Swet = Sf + XIS Sf g (Eq.7.9)

Where Swet =Sin , XIS is the isentropic dryness fraction, and Sf and Sf g are the entropies of the liquid
and the difference between the entropies of the liquid and gas respectively at the new lower saturation
pressure of 15 bar from saturated steam tables. This equation was rearranged to find the dryness fraction
under isentropic conditions, XIS =0.9092. The wet enthalpy of the stream was then calculated from
Eq.7.10.
7.1. Process Streams 3.53

hwet = hf + XIS hf g (Eq.7.10)

Using the previously calculated value for XIS , and finding hf =844.7 kJ/kg and hf g =1947 kJ/kg from
saturated steam tables at the new saturation pressure, hwet was calculated to be 2615 kJ/kg. As XI S
was determined under isentropic conditions, hwet =hIS , and can be substituted into Eq.7.8 to find hout .
Now that the outlet enthalpy has been found, a final wetness test, shown in Eq.7.11, is carried out on the
outlet steam to ensure the dryness fraction, X, at real conditions, is not below 0.88 as cited in literature79 .
This is because excessive wetness in the turbine can cause corrosion and damage to the equipment.

hwet = hf + Xhf g (Eq.7.11)

Where hwet =hout . The dryness fraction at the real conditions was found to be 0.928. Assuming a flowrate
of 1 ton/hour of steam for comparison with the calculated price of high pressure steam being 56.6 R/ton,
the turbine shaft work, W , can be calculated from Eq.7.12.

W = ṁst (hin − hout ) (Eq.7.12)

This gives a work W =41.3 kWh. The price of the sale of electricity back to the grid was taken from the
National Energy Regulator of South Africa, NERSA, at 0.7898 R/kWh80 . The price of the lower pressure
steam can now be calculated for 1 ton using Eq.7.13.

P15bar = PHP S − 0.7898W (Eq.7.13)

This gave a price of 15 bar steam of 24.0 R/ton. The above calculations were repeated for 17 bar steam,
using saturated steam tables for the physical properties of the steam to give a price of 28.0 R/ton. These
prices per ton can be converted into R/kWh by using dimensional analysis to give Eq.7.14.

3600P15bar
P ∗15bar = (Eq.7.14)
1000(hg − hf )

This gives P ∗15bar =0.0443 R/kWh, P ∗17bar =0.0523 R/kWh and P ∗HP S =0.119 R/kWh. These were then
converted into dollars using an exchange rate of 1 Rand=$0.053 (as per 2nd May), to find P ∗15bar =
$0.00235 /kWh, P ∗17bar = $0.0028 /kWh and P ∗HP S = $0.0063 /kWh.
The maximum loads of the ‘free’ 8 bar and 3.5 bar steam generated to be used for process heating can
be calculated by subtracting the steam used for process unit heating from the total amount of steam on
each level generated. This was found to be 11.8 kg/s for 8 bar steam and 9.566 kg/s for 3.5 bar steam.
Using Eq.7.15 the maximum heating load of these streams can be calculated.

Q = mgen (hg − hf ) (Eq.7.15)

This was found to be 24200 kW for the 8 bar steam and 20500 kW for the 3.5 bar steam.
7.2. Heat Exchanger Network 3.54

7.2. Heat Exchanger Network


With the utility prices and maximum utility usage for the generated steam, data can now be entered into
the SPRINT software. In addition to the cost of the steam, capital costs of the heat exchanger must
also be added. This was taken from Sinnot and Towler’s Chemical Engineering Design81 , using Eq.7.16,
where Ce is the purchased equipment cost in $.

Ce = 24000 + 46A1.2 (Eq.7.16)

The objective of the NLP optimization was to find the minimum total cost by changing the duty and branch
flowrate of all of the streams. The was completed with the constraint of a minimum exchanger duty of
300 kW and a minimum approach temperature of 10°C. The final HEN is shown in Figure 7.2 on the
following page yielding a total heat recovery of 6633.62kW. The final hot utility requirement was 5190 kW
and the cold utility requirement 622.915 kW. This shows that the objective of the cold utility requirement
was met however the minimum hot utility requirement was not. Upon further simulation and investigation
it was apparent that this was due to the large amount of heat exchangers required to meet the hot utility
requirement and the optimal design for the minimization of the total costs slightly exceeds the minimum
hot utility due to cross pinch heat transfer in exchangers 1, 3 and 7.
It was also discovered that the SPRINT software used no 15 or 3.5 bar steam to heat the process streams.
The use of this excess steam in addition to excess 8 bar and 17 bar steam will be further discussed in
the following section with a steam balance over the whole system.

Heat Ex- Th,in Th,out Tc,in Tc,out ∆Tmin Area Duty


changer (ºC) (ºC) (ºC) (ºC) (ºC) (m2 ) (kW)
1 215 192 160 196 19.2 18.8 467.4
2 206 206 160 196 10 56.8 1327
3 192 173 128 140 45 7.92 387.7
4 170 170 128 166 11.6 57.1 1356
5 170 170 130 135 35.9 22.4 850.4
6 170 170 137 160 10 61.3 1187
7 141 132 119 128 13 30.6 399
8 129 59 40 119 10 252.5 3267
9 132 116 35 50 81 8.5 727.7
10 59 46 20 25 25.8 21 623
11 250 250 196 205 45 9.5 468.9

Table 7.5: Table of heat exchanger network (HEN)


7.2. Heat Exchanger Network

Figure 7.2: Heat exchanger network


3.55
7.3. Steam System & Summary 3.56

7.3. Steam System & Summary

Figure 7.3: Steam system

It was decided that a final level of steam at 2.32 bar would be used in order to generate additional
electricity from the excess 8 bar and 3.5 bar steam. Furthermore, as the 2.32 bar steam has a saturation
temperature of 125°C, it could be used as boiler feed water upon condensation. The electricity produced
from the turbines was calculated using Eq.7.8 Eq.7.12 for each level of steam and the process heating
duty was calculated by finding the sum of the duties of the exchangers in the HEN which the steam
level was involved in. The overall required heating and cooling utility requirement to be supplied to the
process is now only 13.2 kg/s of 40 bar steam in addition to the 29.8 kg/s of cooling water. As the costs
of all of the utilities were added to the SPRINT software, an economic summary can be made available.
The final hot utility cost was calculated to be $57,400 per year and the cold utility cost to be $203 per
year, giving a cumulative cost of $57,600 per year. The capital cost of the heat exchanger network will
be calculated in further detail in the economics section.
8
Economics
To ensure that the plant is economically sustainable, a full economic analysis must be carried out and key
economic performance indicators analysed to ensure profitability and to attract investors. The economic
indicators that will be used are the cash flow, cumulative cash flow, net present value and payback
time. To perform a full economic analysis for the urea plant design it became clear that the urea plant
could not be considered as a standalone plant due to the high-cost price of ammonia, R12 204/ton of
ammonia, compared to the price of urea R12 890/ton of urea82 . The price of carbon dioxide supplied by
a nearby Kenako concrete was taken to be negligible as the second phase of the South African carbon
tax introduces the removal of any carbon allowances83 in addition to a progressive increase in the cost
of emissions of carbon dioxide to $20/ton by 202584 . This gave a gross margin with the production rate
of 3000 MT/D of urea consuming 2200 MT/D of ammonia calculated from Eq.8.1.

GM = (3000 × 12890) − (2200 × 12204) (Eq.8.1)

This gave a gross margin of 11,821,200 R/day which can be converted to $/day by multiplying by the
exchange rate of 0.053 $/R (2nd May) to find a GM=627,000 $/day. Despite this being a large positive
value, it was decided that a partnership would be proposed between our plant and the HIVE Energy
green ammonia plant from which we source our ammonia. This partnership would assume that our
plant is pitched to HIVE Energy as an extension of their plant thus assuming our feedstock price for the
ammonia could be calculated from the levelized cost of production. The equation for this is shown below
in Eq.8.285 .

Annualised CAPEX + OPEX


LCOA = (Eq.8.2)
Annual Ammonia Production

In the International Energy Agency’s 2019 report on The Future of Hydrogen86 , a graphical method for
estimating this levelized cost is given for three routes of ammonia synthesis: using hydrogen from natural
gas; using hydrogen from natural gas with carbon capture; and using hydrogen from electrolysis of water,
as done in the new HIVE Energy plant. Figure 8.1 below was taken directly from Figure 42 in the report86
in lieu of using the data upon which it was based due to lack of access to the data.
This graph shows that if the cost of renewable electricity is less than around 50 $/MWH the cost of green
ammonia from electrolysis is less than that of both unabated grey ammonia and blue ammonia using
carbon capture87 . As the electricity price can be found from the energy.gov.za website, the LCOA of
green ammonia can now be calculated.

3.57
8.1. Capital Cost 3.58

Figure 8.1: Levelised cost of ammonia against electricity cost

8.1. Capital Cost


Minimizing the capital costs is essential for a proposed chemical plant to make the initial investment
as small as possible to make the project inviting to prospective investors. The capital costs considers
the fixed capital investment and working capital, with the fixed capital investment consisting of the ISBL
and OSBL plant costs as well as any engineering costs and contingency charges88 . ISBL stands for
the Inside Site Battery Limits and includes the cost of equipment erection including civil engineering
costs, piping, electrical power, process control instrumentation, and any structures and buildings. The
OSBL considers off-site considerations, specifically the utility systems’ infrastructure and any ancillary
buildings such as offices, canteens, and control rooms. Engineering costs take into account the costs of
contracting other engineering services to perform the design, construction, and supervision of the on-site
equipment. Finally, contingency charges are added to this final fixed capital investment to ensure the
project is robust to any price fluctuations and changes in the project scope, and any other unexpected
issues that may arise during the project.

8.1.1. ISBL
The ISBL was calculated using the detailed factorial method from Sinnott and Towler’s Chemical En-
gineering Design (6th Edition)88 . This was completed using equation (3) and the coefficients in Table
8.1.


i=M
C= Ce,i,CS [(1 + fp )fm + (fer + fel + fi + fc + fs + fl )] (Eq.8.3)
i

Where C is the ISBL cost M is the total number of pieces of equipment, Ce,i,CS is the price of purchased
equipment in carbon steel and the installation factors are defined in Table 8.1. Any value with an *
denotes that it is used for fluid-solid process types and is used in the costing of the prilling tower.

Metal Price Ratio, Equipment Erec-


Piping, fp Electrical Work, fel
fm tion, fer
0.8 1 Carbon Steel 0.3 0.2
0.6* 1.24 DP28W89 0.5* 0.2*
1.3 Stainless
Steel88
Control & Instru- Civil Engineering Structures & Build-
Lagging & Paint, fl
mentation, fi Work, fc ings, fs
0.3 0.3 0.2 0.1
0.3* 0.3* 0.2* 0.1*

Table 8.1: Table factors for IBSL cost


8.1. Capital Cost 3.59

The purchased equipment cost, Ce,i,CS , was calculated using the estimation method from Sinnott and
Towler’s Chemical Engineering Design (6th Edition)88 . As the values for these cost approximations were
taken from 2007, they must be updated to modern prices. This was done using the CEPCI with an initial
value of 509.7 and a final value of 813.0 for the year 202290 and Eq.8.4 below.

813
Cost in 2022 = Cost in 2007 × (Eq.8.4)
509.7

Finally, as the estimations are based on the cost of production of the U.S Gulf Coast basis, this was
converted using a location factor of 0.965 for South Africa91 .

Equipment 2007 Purchased MOC 2022 ISBL Cost


Equipment Cost South Africa ($
($ x106 ) x106 )
Reactor 2.42 DP28W 15.5
Stripper 2.1 DP28W 12.2
VSCC 0.522 DP28W 2.95
MP Decomposer 0.693 DP28W 4.48
LP Decomposer 0.591 DP28W 3.82
Vacuum Evaporator 1 0.283 SS 1.6
Vacuum Evaporator 2 0.503 SS 2.09
Prilling Tower 8.49 CS 34.3
MP Absorber 0.708 DP28W 4.41
LP Absorber 0.152 DP28W 0.846
Hydrolyzer 0.307 SS 1.98
Process Condenser Stripper 1.49 SS 8.34
Water Tank 0.319 SS 1.29
Pumps 0.213 CS 1.38
HEN 0.327 SS 1.85
Total 38.1 191

Table 8.2: Table factors for IBSL cost

This gives a final value for the IBSL of $191,000,000, which can be used to estimate the OSBL, engi-
neering costs and contingency charges.

8.1.2. OSBL, Engineering & Contingency Costs


The OSBL can be approximated using the estimation that the OSBL will be 40% of the ISBL cost. The
engineering costs can then be approximated as these will be 25% and 10% of the sum of the ISBL
and OSBL respectively. The values chosen were those for a fluid-solid processing plant sourced from
literature88 . The values for the contributions to the overall Fixed Capital Investment are shown in Table
8.3 below.

Fixed Capital Investment Contribution Cost ($ x106 )


ISBL 191
OSBL 76.3
Engineering costs 66.8
Contingency costs 26.7
Total 361

Table 8.3: Fixed capital investment contribution

This gives the final fixed capital investment to be $361,000,000. This can now be converted to an annu-
alised cost using an estimated plant lifetime of 40 years92 and an interest rate from the Bank of South
8.2. Operating Costs 3.60

Africa of 7.75%93 using Eq.8.5.

i(1 + i)n
ACCR = (Eq.8.5)
(1 + i)n − 1

Where i=0.0775 and n=40, giving an ACCR of 0.0816, multiplied by the fixed capital investment to give
an annualised capital investment of $29,400,000 per year.

8.1.3. Working Capital


The working capital is the additional capital investment required upon plant start-up for it to run before
profit can be made from the sale of the product. The method for estimation for the working capital was
taken from Sinnott and Towler’s Chemical Engineering Design88 .

Working Capital Contribution Estimate Cost ($ x106 )


Raw Material Inventory 2 weeks raw material cost 16.0
Product Inventory 2 weeks cost of production 17.2
Cash on Hand 1 week cost of production 8.58
Accounts Receivable 4 weeks cost of production 34.3
Credit for Accounts Payable 4 week raw material cost -32.0
Spare Parts Inventory 1% of (ISBL + OSBL) 2.67
Total 46.7

Table 8.4: Working capital contribution

8.2. Operating Costs


The operating costs are made up of the Variable Costs of Production, VCOP, and the Fixed Costs of
Production, FCOP88 . The VCOP consists of the costs due to the consumption of raw materials, utilities,
packaging and shipping. The FCOP consists of the costs that are independent of the plant operation rate,
including but not limited to the operating labour and supervision, property taxes, environmental charges
and general plant overhead.

8.2.1. FCOP
The average salary for a plant operator in South Africa was found to be R213,600 per year94 , converted
to $11,320 per year with an interest rate of 0.053$/R. This was applied to all 86 workers as discussed in
the manning requirements section to find the operating labour cost. The other costs associated with the
FCOP were estimated based on this value in addition to the ISBL and OSBL calculated previously and
are shown in Table 8.4.
8.3. Taxes & Depreciation 3.61

FCOP Contribution Estimation Cost ($ x106/a)


Operating Labour $11,600 annual salary with 86 0.974
workers
Supervision 25% of Operating Labour 0.243
Direct Salary Overhead 40% of (Operating Labour + Su- 0.487
pervision)
Maintenance 5% of ISBL 9.54
Property Taxes 1% of ISBL 1.91
Rent of Land 1% of (ISBL+OSBL) 2.67
General Plant Overhead 65% of (Operating Labour+ Su- 7.31
pervision + Direct Salary Over-
head + Maintenance)
Environmental Charges 1% of (ISBL+OSBL) 2.67
Total 25.8

Table 8.5: FCOP contribution

This gives a FCOP values of $25,800,000 per year.

8.2.2. VCOP
In order to calculate VCOP, an energy price must be used to find an approximate LCOA for the ammonia
feedstock. This was found to be 90.03 Rc/kWh from the most recent South African Energy Price Report
in 2021,78 converting this to 0.047 $/kWh or 47$/mWh. This electricity price can also be used to calculate
the cost of the electricity requirements for the pumps, subtracting the electricity generated by the steam
turbines, to give a final electricity price of $1,480,000 per year. Determining the LCOA graphically by tak-
ing an average from the high and low bounds for the LCOA of ammonia in Figure 1 at this electricity price
gives an estimated value of $520 per ton of ammonia. The variable cost of the utility system was costed
in the process integration section and found to have an annual cost of $57,600 per year. Consumable
costs were neglected due to there being no catalysts, acids, bases or solvents used in the process and
waste disposal costs were neglected as waste from the wastewater treatment section is recycled and the
waste from the purge on the MP Absorber was considered to be negligible. Calculating the raw material
cost with a 2200 ton/day requirement operating for 333.3 days per year gave the annualised raw material
cost of $381,000,000 per year. As the utility cost is so small in comparison, the contribution is negligible
when rounded to 3 significant figures giving a final VCOP of $383,000,000 per year.

8.3. Taxes & Depreciation


A benefit of the plant location choice is the Coega Special Economic Zone, which brings with it many
financial incentives to invest in the area. These include a reduced corporate income tax rate from 28% to
15%, a significant decrease in the annual tax payments95 . Furthermore, a R900,000,000 tax allowance
is made for a greenfield project located in a special economic zone96 , converted to around $46,900,000.
This is deducted from the taxable income in the first year of production as soon as the equipment comes
into use. Additionally, the depreciation rate in the SEZ is 10% which can be applied to the installed
equipment and buildings. The installed equipment and building cost was taken to be the sum of the
ISBL and OSBL, thus the depreciation allowance was calculated to be $26,700,000. There is no social
contribution tax or surcharge on the corporation tax in South Africa so 15% is a flat rate for the overall
taxes.

8.4. Economic Evaluation


To begin the economic evaluation, firstly a start up schedule must be decided upon to calculate the
cumulative cash flow for the plant. It was decided that the plant would take 3 years to construct with the
fixed capital split 30%, 40%, 30% in the first 3 years respectively. The working capital was introduced in
8.4. Economic Evaluation 3.62

the third year as production scaled up based on heuristics88 until finally full production was reached in
the 5th year.
To calculate the cash flow first the gross profit must be calculated. This was done using Eq.8.6 below:

GP = P roductRevenues − V COP − F COP (Eq.8.6)

The gross profit under normal operation at full capacity was found to be GP=$274,000,000 per year From
the gross profit the cash flow can be calculated using Eq.8.7.

CF = GP − (GP − D)tr (Eq.8.7)

Where CF is the cash flow, D is the depreciation allowance, found to be 10% of the ISBL and OSBL
for the first 10 years and tr is the tax rate, a flat rate of 15%. The cash flow changed annually with an
average of $233,000,000 per year and a graph of the cumulative cash flow against plant life can be seen
in Figure 8.2 below.

Figure 8.2: Graph of cumulative cash flow against plant life

From the cash flow the return on investment can be calculated using Eq.8.8.

cumulative cashflow
ROI = × 100 (Eq.8.8)
plant life × initial investment

The return on investment after 10 years was found to be 48.8% and at the end of the plant life to be
55.45%. The net present value can also be calculated from the cash flow using Eq.8.9.


N =t
CFn
NPV = (Eq.8.9)
(1 + i)n
N =1

The simple payback time was calculated using Eq.8.10 and was found to be 1.75 years.
8.5. Economic Sensitivity 3.63

Total Investment
Simple Payback Time = (Eq.8.10)
Average Annual Cashflow

The actual payback time can be determined from Figure 8.2 as the point on the x axis at which the
cumulative cash flow crosses $0 in the positive direction. This was found to be 4.54 years.

8.5. Economic Sensitivity


It was decided that to examine the robustness of the proposed plant sensitivity analysis would be com-
pleted to ensure that the plant can withstand fluctuations in feedstock prices, revenues, and corporation
tax. In addition to this the choice of ammonia would be examined in terms of the economics using figure
1 to cost both grey and green ammonia based on a varying electricity cost.

8.5.1. Electricity Cost


It was determined that the electricity cost would be essential to perform sensitivity on as the LCOA
of ammonia is based on electricity cost. Additionally, at a recent renewable energy auction in 2021
contracts to produce renewable electricity at cost prices of as low $20/MWh97 . The sensitivity analysis
was therefore performed to analyse the ROI and NPV at the end of the project lifetime for electricity costs
between $20/MWh and $80/MWh for both green and grey ammonia, with the LCOA being determined
once again graphically from Figure 8.2. Figure 8.3 below shows that for an electricity price of around
$20/MWh, green ammonia produces a higher cumulative net present value and return on investment
than the grey ammonia, and with contracts already given to produce renewable electricity at this cost
price, green ammonia will soon be cheaper to produce than grey ammonia.

Figure 8.3: Electricity cost compared with cumulative NPV (left) and ROI (right)

8.5.2. Taxation Rate


Next the taxation rate was considered, as there is no guarantee for how long the Coega Industrial Zone
will be a Special Economic Zone, and the lower corporation tax could very easily increase to the normal
level of 25% in South Africa or even higher. A sensitivity on the corporation tax was thus completed
between 15% and 40%, finding the ROI and simple payback period. Figures 8.4 shows, as might be
expected, an increase in corporation tax would lead to both a lower return on investment and a higher
simple payback time.
8.5. Economic Sensitivity 3.64

Figure 8.4: Taxation rate compared with ROI (top) and payback time (bottom)

8.5.3. Urea Price


The price of urea has fluctuated over the last few years as the production of urea depends on ammonia
price which largely depends on energy cost, which has increased globally. Furthermore, the price of urea
has been greatly affected by the war in Ukraine as Russia is the largest global exporter or fertilisers. The
conflict has disrupted the shipping of urea from Russia and driven up the price of natural gas due to the
disruption of the Nord Stream natural gas pipeline to Central Europe. It is therefore important to examine
the effects of a changing urea price on the profitability of the plant. Figure 8.7 shows that a urea price of
around 400$/ton would make our plant have a negative gross profit and average cash flow, increasing
with increasing urea price.

Figure 8.5: Urea price comparison


8.6. Economic Analysis Sheet 3.65

8.6. Economic Analysis Sheet

Figure 8.6: Economic analysis sheet


9
Conclusion
This report outlines the process design procedure for the production of green urea using ammonia
sourced from the electrolysis of water. Any changes from in the designs from Part 2 were integrated
back into the overall chemical plant and any equipment not designed in detail in Part 2 was revisited,
sized and costed. The final block flow diagram shows the final mass balances with any changes from
Parts 1 and 2. The manning requirements were calculated and it was decided in total that 49 operators
would be required to man the plant, on 3 different 8 hour shifts per day. Both 2D and 3D plant layouts
were completed using heuristic minimum distances between units and the detailed design of ancillaries
was included. Safety was considered in depth, with a detailed HAZOP and COSHH due to the corrosivity
and toxicity of ammonium carbamate and ammonia respectively. Sustainability was considered through
the process design with the sourcing of the feedstock and plant location close to the green ammonia
plant and was further examined with an cradle to gate LCA, showing that when using conventional am-
monia the hotspot for the carbon footprint of the process is the raw materials stage. Due to the use of
renewable electricity to produce ammonia from the electrolysis of water in the Hive Energy ammonia,
our ammonia feedstock would have a net carbon footprint of zero, reducing this hotspot by 87.4%. Oper-
ating considerations such as commissioning, start-up, shutdown and maintenance were outlined within
specific operating requirements and in compliance with design requirements, safety requirements and
industry modelled standards and procedures. Integration was carried out to maximise our energy effi-
ciency by implementing and designing a network of heat exchangers that would allow us to minimise out
utilities and waste energy produced. This was modelled using specialised SPRINT software specifically
designed for the optimisation of such a network. Using SPRINT we managed to obtain a heat recovery
of 6633.62kW, where the hot utility and cold utility requirement is 5190kW and 622.915kW, respectively.
The final heat exchanger network consisted of 11 additional heat exchangers implemented to achieve this
result. Finally, an extensive economic analysis was carried out to calculate the profitability of the plant
as a whole. This yielded a large fixed capital cost of investment of $361,000,000, however additionally
yielded a significant ROI of 55.14% over the plant lifetime of 40 years. Furthermore, the payback time
was found to be 4.54 years from the start of construction with a final cumulative cash flow at the end of
the project lifetime of almost $9 billion. The choice of the plant location in the Coega Special Economic
Zone led to a significant reduction in the tax paid and thus the economic performance indicators as found
in the economic sensitivity section.

3.66
References
1 16
Concrete: the most destructive material on earth What are the dimensions of a parking space?,
| cities | the guardian, https : / / www . https://www.interparking- france.com/
theguardian . com / cities / 2019 / feb / en / what - are - the - dimensions - of - a -
25 / concrete - the - most - destructive - parking-space/.
material-on-earth. 17
How much weight can a truck carry - logity dis-
2
Dti, idc fund kenako concrete, https : / / www . patch, https://logitydispatch.com/how-
bizcommunity . com / Article / 196 / 493 / much-weight-can-a-truck-carry/.
170585.html. 18
Design the loading dock | nova technology
3
jverrett, R. Qiao, and R. A. Barghout, Cost of op- loading dock equipment, https : / / www .
erating labour, Aug. 2020. novalocks . com / design - the - loading -
4
dock/.
Staffing levels & workload – human factors 101,
https : / / humanfactors101 . com / topics /
19
Online calculation of ammonia, https : / / www .
staffing-levels-workload/. peacesoftware . de / einigewerte / calc _
nh3.php7.
5
R. K. Sinnott and G. Towler, 14.3 site layout (El- 20
sevier, 2009). S. Nand, M. Goswami, and A. Jain, “Operation,
inspection and maintenance of ammonia storage
6
R. K. Sinnott and G. Towler, 14.4 plant layout (El- tanks in fertilizer industry”, Indian Journal of Fer-
sevier, 2009). tilisers 17, 432–438 (2021).
7 21
S. Moran, Applied guide to process and plant de- Spherical storage tank design - chemical engi-
sign (2nd edition) (Elsevier, 2019). neering world, https : / / chemicalengineer
8
“Aces21 urea process by toyo - advanced pro- ingworld.com/spherical- storage- tank-
cess for cost and energy saving”, design/.
22
9 “Horton sphere ammonia storage tanks at sfc
E. M. H. M. E. M. M. Z. E. A. Q. G. Fadl and
kota”,
E. M. M. Z. E. A. Q. G. Fadl, “Alexfert experience
in commissioning and operation of ammonia stor- 23
Online calculation of carbon dioxide, https://
age tank. prepared by: presented by”, www . peacesoftware . de / einigewerte /
10 calc_co2.php7.
Hive hydrogen to launch south africa’s first-ever
green ammonia plant, https://energycapit Co2 storage tanks | igc engineering, https :
24

alpower.com/hive- hydrogen- to- launch- / / igc - pressure - vessels . co . uk / co2 -


south - africas - first - ever - green - storage-tanks/.
ammonia-plant/. 25
“Dust management for conveying powdered ma-
11
Port elizabeth climate, weather by month, aver- terials”,
age temperature (south africa) - weather spark, 26
Density of urea in 285 units and reference in-
https : / / weatherspark . com / y / 91692 / formation, https : / / www . aqua - calc . com /
Average - Weather - in - Port - Elizabeth - page/density-table/substance/urea.
South-Africa-Year-Round. 27
How high can a forklift lift? | east midlands fork-
12
Urea - the chemical company, https : / / lifts, https://www.eastmidlandsforklifts
thechemco.com/chemical/urea/. .co.uk/news/high-can-forklift-lift/.
13
Dipl, “Storage and handling plant solutions for
28
Ghs classification, https : / / pubchem . ncbi .
urea”, nlm.nih.gov/ghs/.
29
14
“Property risk consulting guidelines a publication “Safety data sheet ghs product identifier”,
of axa xl risk consulting”, (2020). 30
“Section 3. composition/information on ingredi-
15
S. Moran, Appendix 3: plant separation tables (El- ents”,
31
sevier, 2019). “Safety data sheet”, (2020).

3.67
3.68

32
“Section 3. composition/information on ingredi- 49
Piping inspection, https://www.inspection-
ents section 4. first aid measures”, for - industry . com / piping - inspection .
33 html.
“Material safety data sheets”, 41–143 (2004).
34
“Safety data sheet ghs product identifier”,
50
Electrical inspection and testing | croner-i, ht
35 tps : / / app . croneri . co . uk / topics /
“Section 3. composition/information on ingredi-
electrical - inspection - and - testing /
ents section 4. first aid measures”,
summary?product=133.
36
Auto-ignition temperature test | sigma-hse, htt 51
ps : / / www . sigma - hse . co . in / process - “Machinery, plant and equipment (labour admin-
safety - testing / auto - ignition - istration and inspection)”,
temperature.html. 52
The commissioning process: a step-by-step
Dsear regulations - fire and explosion, https :
37 guide - commissioning academy, https : / /
/ / www . hse . gov . uk / fireandexplosion / commissioningandstartup . com / the -
dsear-regulations.htm. commissioning - process - a - step - by -
38 step-guide/.
K. Sano, Y. Koshiba, and H. Ohtani, “Emer-
gency shutdown of fluidized bed reaction sys- 53
Guide to flushing and pre-commission cleaning
tems”, Journal of Loss Prevention in the Process of pipework | wts, https://watertreatment
Industries 68, 104277 (2020). services . co . uk / guide - flushing - pre -
39
The purpose of a permit to work system - has- commission-cleaning/.
pod, https : / / www . haspod . com / blog / 54
Inspection technique for plants and vessels | rls
paperwork / purpose - permit - to - work - human care, https : / / rlsdhamal . com /
system. inspection - techniques - for - plants -
40
Port elizabeth climate: weather by month, tem- vessels-and-procedures/.
perature, precipitation, when to go, https : / / 55
S. Mukherjee, “Preparations for initial startup of
www . climatestotravel . com / climate /
a process unit; here is what to do just after a
south-africa/port-elizabeth.
new plant is built, to make sure it will have a
41
Africa’s urea market report 2023 - prices, size, smooth startup”, Chemical Engineering 112, 36–
forecast, and companies, https : / / www . 43 (2005).
indexbox . io / store / africa - urea -
market - analysis - forecast - size -
56
Utility systems - processdesign, https : / /
trends-and-insights/. processdesign.mccormick.northwestern.
edu/index.php/Utility_systems.
42
Who owns sa’s land? | news24, https://www.
57
news24.com/news24/who-owns-sas-land- Reactor startup - an overview | sciencedirect top-
20171028. ics, https : / / www . sciencedirect . com /
43 topics/engineering/reactor-startup.
Urea imports worldwide by country | statista,
https://www.statista.com/statistics/ 58
The basics of pump startup | pumps & systems,
1281701 / global - urea - import - volume - https : / / www . pumpsandsystems . com /
by-country/. basics-pump-startup.
44
Commissioning • addison, https://addisong 59
R. Smith, M. Pan, and I. Bulatov, “Heat trans-
roup.uk/commissioning/. fer enhancement in heat exchanger networks”,
45 Handbook of Process Integration (PI): Minimisa-
What is commissioning - complete commission-
ing, inc. https : / / completecx . com / what - tion of Energy and Water Use, Waste and Emis-
is-commissioning/. sions, 966–1039 (2013).
46
Inspection of work equipment - equipment and 60
Effective plant maintenance shutdown from cole-
machinery, https://www.hse.gov.uk/work- parmer, https : / / www . coleparmer .
equipment-machinery/inspection.htm. com / tech - article / plant - shutdown -
47
Design codes - plant, https://www.hse.gov. maintenance.
uk/comah/sragtech/techmeasplant.htm. 61
Seven steps for a successful shutdown | plant en-
48
Heat exchanger inspection, https : / / www . gineering, https://www.plantengineering.
inspection - for - industry . com / heat - com / articles / seven - steps - for - a -
exchanger-inspection.html. successful-shutdown/.
3.69

62 75
Difference between process shutdown and emer- Y. Chen, Y. Lyu, X. Yang, X. Zhang, H. Pan, J.
gency shutdown, https : / / instrumentati Wu, Y. Lei, Y. Zhang, G. Wang, M. Xu, and H.
ontools . com / process - shutdown - and - Luo, “Performance comparison of urea produc-
emergency- shutdown/?utm_content=cmp- tion using one set of integrated indicators consid-
true. ering energy use, economic cost and emissions’
63
What is plant maintenance? | rasmussen me- impacts: a case from china”, Energy 254, 124489
chanical, https://www.rasmech.com/blog/ (2022).
what-is-plant-maintenance/. 76
J. C. M.W., “Nist-janaf themochemical tables,
64
Maintenance and repair safety of plant equip- fourth edition”, J. Phys. Chem. Ref. Data, Mono-
ment using hasps locks » locksafe, https : / / graph 9, 1–1951 (1998).
locksafe . com . au / blog / maintenance - 77
Online calculation of properties of water and
and - repair - safety - of - plant - steam, https : / / www . peacesoftware . de /
equipment-using-hasps-locks/. einigewerte/wasser_dampf_e.html.
65
R. J. Willey, “Layer of protection analysis”, Proce- 78
K. Ratshomo and R. Nembahe, “Energy price re-
dia Engineering 84, 12–22 (2014). port 2021”, ¥ South African Energy Price Report
66
What is corrective maintenance? (definition, pros, ¥ (2021).
cons and examples) - twi, https://www.twi- 79
Steam and gas turbines and power plant engi-
global.com/technical- knowledge/faqs/ neering by r. yadav | goodreads, https://www.
what-is-corrective-maintenance. goodreads.com/en/book/show/28257926.
67
What are the benefits of preventative mainte- 80
Cape town to pay cash for electricity – with aim to
nance? | plant engineering, https : / / www . cut load shedding by 4 stages | business, https:
plantengineering . com / articles / what - //www.news24.com/fin24/economy/cape-
are - the - benefits - of - preventative - town-to-pay-cash-for-electricity-to-
maintenance/. businesses-households-20230124.
68
Predictive maintenance explained, https : / / 81
R. Sinnott and G. Towler, “Costing and project
www . reliableplant . com / Read / 12495 / evaluation”, Chemical Engineering Design, 275–
preventive-predictive-maintenance. 369 (2020).
69
Operation and maintenance of nuclear power 82
“Executive summary � international and domes-
plants | iaea, https : / / www . iaea . org / tic price trends for selected fertilisers”, (2021).
topics/operation-and-maintenance.
83
70
South africa: carbon tax - impact on carbon-
News and views from the tracerco marketing intensive businesses and the way forward,
team | distillation column maintenance, https : https : / / www . globalcompliancenews .
//blog.tracerco.com/marketing/topic/
com/2022/09/16/south- africa- carbon-
distillation-column-maintenance.
tax - impact - on - carbon - intensive -
71
Storage tank preventative maintenance / manag- businesses-and-the-way-forward/.
ing ageing plant | assentech limited, http : / / 84
Carbon tax: will allowances, after 2022, be re-
breather - valves . co . uk / preventative -
duced or removed?, https://www2.deloitte.
maintenance - site - agent - service -
com/za/en/pages/tax/articles/carbon-
safety/.
tax-will-allowances-after-2022.html.
72
Pump maintenance – why when and how! | cas- 85
A. Bose, N. Lazouski, M. L. Gala, K. Manthiram,
tle pumps, https://www.castlepumps.com/
and D. S. Mallapragada, “Spatial variation in cost
info - hub / pump - maintenance - why - when -
of electricity-driven continuous ammonia produc-
and-how1/.
tion in the united states”, ACS Sustainable Chem-
73
Heat exchanger maintenance guide | sterling tt, istry and Engineering 10, 7862–7872 (2022).
https : / / www . sterlingtt . com / 2021 / 86
pidjoe, “The future of hydrogen”,
08 / 07 / heat - exchanger - maintenance -
87
guide/. The cost of co2-free ammonia – ammonia energy
74
Valve and instrumentation calibration and main- association, https : / / www . ammoniaenergy .
org / articles / the - cost - of - co2 - free -
tenance | sgs ecuador, https : / / www .
ammonia/.
sgs . com / en - ec / services / valve -
and- instrumentation- calibration- and- 88
R. K. Sinnott and G. Towler, 6. costing and project
maintenance. evaluation (Elsevier, 2009).
3.70

89
Uns s32808 stainless steel :: makeitfrom.com,
https://www.makeitfrom.com/material-
properties / UNS - S32808 - Stainless -
Steel.
90
Fluid mechanics, https : / / personalpages .
manchester . ac . uk / staff / tom . rodgers /
Interactive _ graphs / CEPCI . html ?
reactors/CEPCI/index.html.
91
How to determine the location factor? - chemi-
cal engineering blogger, http : / / nikraftar .
com / how - to - determine - the - location -
factor/.
92
The state-of-the-art urea reactor - ureaknowhow,
https : / / ureaknowhow . com / the - state -
of-the-art-urea-reactor/.
93
Bank of south africa interest rate 2023 | take-
profit.org, https : / / take - profit . org /
en / statistics / interest - rate / south -
africa/.
94
Plant operator salary in south africa - average
salary, https : / / za . talent . com / salary ?
job=plant+operator.
95
“Simplified overview of special economic zones
tax and customs incentives”,
96
12i tax allowance incentive – the department of
trade industry and competition, http : / / www .
thedtic . gov . za / financial - and - non -
financial - support / incentives / 12i -
tax-allowance-incentive/.
97
T. Matsuo and T. S. Schmidt, “Managing trade-
offs in green industrial policies: the role of renew-
able energy policy design”, World Development
122, 11–26 (2019).

You might also like