KEMBAR78
Fuse Box in Engine Compartment | PDF | Fuel Injection | Headlamp
0% found this document useful (0 votes)
2K views3 pages

Fuse Box in Engine Compartment

The document provides a list and description of fuses located in the engine compartment fuse box of a Toyota Verso. There are 52 fuses listed ranging from 7.5 to 140 amps that power various vehicle systems like the headlights, air conditioning, anti-lock brakes, charging system, and more. It also notes some differences in fuses depending on whether the vehicle has a gasoline or diesel engine. Additionally, it mentions there is a second fuse box under the instrument panel that contains 3 fuses.

Uploaded by

lazarevici
Copyright
© © All Rights Reserved
We take content rights seriously. If you suspect this is your content, claim it here.
Available Formats
Download as DOCX, PDF, TXT or read online on Scribd
0% found this document useful (0 votes)
2K views3 pages

Fuse Box in Engine Compartment

The document provides a list and description of fuses located in the engine compartment fuse box of a Toyota Verso. There are 52 fuses listed ranging from 7.5 to 140 amps that power various vehicle systems like the headlights, air conditioning, anti-lock brakes, charging system, and more. It also notes some differences in fuses depending on whether the vehicle has a gasoline or diesel engine. Additionally, it mentions there is a second fuse box under the instrument panel that contains 3 fuses.

Uploaded by

lazarevici
Copyright
© © All Rights Reserved
We take content rights seriously. If you suspect this is your content, claim it here.
Available Formats
Download as DOCX, PDF, TXT or read online on Scribd
You are on page 1/ 3

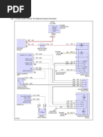
Fuse box in engine compartment

Toyota Verso – fuse box – engine compartment


Fuse Amper Circuit
e
1 H-LP CLN 30 Headlight cleaner
2 RDI FAN 40 Electric cooling fan(s)
3 CDS FAN 30 Electric cooling fan(s)*1
4 ABS NO.1 50 Anti-lock brake system, VSC+
5 HTR 50 Air conditioning system
6 ALT 120 *2
Charging system, RDI FAN, CDS FAN, H-LP CLN, FUEL OPN, ABS NO.1, ABS NO.2,
140*1 FR DEICER, HTR, STV HTR, PWR OUTLET, HTR SUB NO.1, HTR SUB NO.2, HTR SUB
NO.3, ECU-IG NO.2, HTR-IG, WIPER, RR WIPER, WASHER, ECU-IG NO.1, ECU-IG
NO.3, SEAT HTR, AM1, DOOR, STOP, FR DOOR, POWER, RR DOOR, RL DOOR,
OBD, ACC-B, RR FOG, FR FOG, DEF, TAIL, PANEL
7 EPS 80 Electric power steering
8 GLOW *1
80 Engine glow system
9 P- 30 VALVEMATIC system
SYSTEM *2

10 P/I 50 EFI MAIN, HORN, IG2, EDU


11 H-LP 50 H-LP LH LO, H-LP RH LO, H-LP LH HI, H-LP RH HI
MAIN
12 E-PKB 30 No circuit
13 SPARE 10 Spare fuse
14 SPARE 30 Spare fuse
15 SPARE 20 Spare fuse
16 AMP 30 No circuit
17 DOOR 25 Main body ECU
NO.2
18 ECU-B2 10 Smart entry & start system, air conditioning system, power windows
19 ECU-B 10 Gauges and meters, main body ECU, steering sensor, double locking system,
wireless remote control, smart entry & start system
20 RAD NO.1 15 Audio system
21 DOME 10 Luggage compartment light, vanity lights, engine switch light, front door courtesy
lights, personal/interior lights, personal lights, foot lights
22 AM2 NO.2 7,5 Starting system
23 ALT-S 7,5 No circuit
24 TURN- 10 Turn signal lights, emergency flashers
HAZ
25 ETCS*2 10 Electronic throttle control system
26 AM2 30 Starting system
27 A/F*1 20 Exhaust system
28 STRG 20 Steering lock system
LOCK
29 IGT/INJ*2 15 Multiport fuel injection system/ sequential multiport fuel injection system, ignition
system
30 EDU *1
20 Multiport fuel injection system/ sequential multiport fuel injection system
31 EFI MAIN 20 *2
Multiport fuel injection system/ sequential multiport fuel injection system,
30*1 automatic transmission*3, EFI NO.1, EFI NO.2, EFI NO.3*3
32 HORN 15 Horn
33 IG2 15 IGN, METER
34 HTR SUB 30 Air conditioning system
NO.1
35 HTR SUB 30 Air conditioning system
NO.2
36 HTR SUB 30 Air conditioning system
NO.3
37 PWR SEAT 30 No circuit
LH
38 PWR 15 Power outlet
OUTLET
39 PSB 30 No circuit
40 FUEL OPN 10 No circuit
41 FR DEICER 20 No circuit
42 ABS NO.2 30 Anti-lock brake system, VSC+
43 STV HTR *1
25   Power heater
44 EFI NO.3*3 7,5  Automatic transmission
45 IG2 NO.2 7,5 Starting system
46 EFI NO.2 10 Air intake system, air flow meter, exhaust system
47 EFI NO.1 10 Multiport fuel injection system/ sequential multiport fuel injection system,
air flow meter, exhaust system*1
48 H-LP RH 10 Right-hand headlight (high beam)
HI
49 H-LP LH 10 Left-hand headlight (high beam)
HI
50 H-LP RH 15*4 Right-hand discharge headlights (low beam)
LO 10*5 Right-hand headlight (low beam)
51 H-LP LH 15 *4
Left-hand discharge headlights (low beam)
LO 10*5 Left-hand headlight (low beam)
*1: Vehicles with diesel engine

*2: Vehicles with gasoline engine

*3: Vehicles with diesel engine and automatic transmission

*4: Vehicles with discharge headlights

*5: Vehicles with halogen headlights

Fuse box under the instrument panel (type B

Toyota Verso – fuse box – instrument panel type B


Fuse Ampere Circuit
1 WIPER NO.2 7,5 Charging system, driver support system ECU
2 DEF 30 Rear window defogger, MIR HTR
3 POWER 30 Power windows (driver side)

You might also like