KEMBAR78
TD-Java Reborn Ver.1a | PDF | Airship | Aeronautics
0% found this document useful (0 votes)
97 views4 pages

TD-Java Reborn Ver.1a

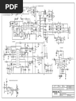
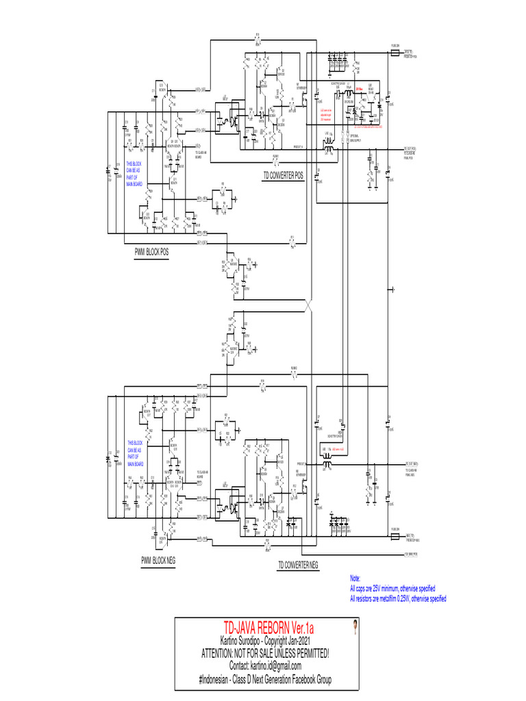
The document summarizes a circuit diagram with 3 sentences: The circuit diagram shows a power supply design with a transformer (T1), MOSFET transistors (Q1-Q3, Q13, Q20-Q21), and diodes (D1, D3, D5, D23, D25-D27) used to regulate and control voltage and current flow. Resistors (R1-R7, R23, R28, R30-R31, R35, R49, R51-R54) and capacitors (C8-C11, C17, C19-C21, C22-C24) are included for voltage division and noise filtering

Uploaded by

Harlan 123
Copyright
© © All Rights Reserved
We take content rights seriously. If you suspect this is your content, claim it here.
Available Formats
Download as PDF, TXT or read online on Scribd
0% found this document useful (0 votes)
97 views4 pages

TD-Java Reborn Ver.1a

The document summarizes a circuit diagram with 3 sentences: The circuit diagram shows a power supply design with a transformer (T1), MOSFET transistors (Q1-Q3, Q13, Q20-Q21), and diodes (D1, D3, D5, D23, D25-D27) used to regulate and control voltage and current flow. Resistors (R1-R7, R23, R28, R30-R31, R35, R49, R51-R54) and capacitors (C8-C11, C17, C19-C21, C22-C24) are included for voltage division and noise filtering

Uploaded by

Harlan 123
Copyright
© © All Rights Reserved
We take content rights seriously. If you suspect this is your content, claim it here.
Available Formats
Download as PDF, TXT or read online on Scribd
You are on page 1/ 4

R10

560K FUSE 25A


+POS_TD
C22 C24 C23 C60 FROM OCP POS
R51 R5 R6
100µ 100µ 220n 3n3 R54
1K 1K 47 250V 250V 250V 250V
Q2 12K
3W
2SA1020

Q1 M1 SCHOTTKY 2A 60V L1
Q13 BC556A D26 100µH Q20
BC547A U6-6 U6-6 IXTH88N30P D1 25V Max BD441
C11 R3
22 ON HS D3
R35 U1 1/2W SR26 SMD
220p 6N137 R1 R53 C19
31GF6 OR 2R2-2W
10K V+ E 31GF6
R49 D5 C20 1K
U6-1 U6-1 Q21 4R7-1/2W LA2 turns to be D27 22µ
BC556A adjusted to get 220µ C21 D25 25V
R23 330 Q3 25V maximum ZD33V 80V 100n ZD12V
C10 C9 R25 BAT54
R28 1K8 2SC2655
C20 - 470uF IF OPTIONAL BIAS SUPPLY IS NOT USED
120p 39K U6-5 U6-5 R4
82p 39K C17 D23

J1

J2
C-FSW 680 R7 LA2 1.8µ
OPTIONAL
R31 R30 C8 47 BIAS SUPPLY

J1

J2
Q9 Q10 100n ZD5V
BC547A BC547A U6-2 PREOUT_A
TD_OUT_POS
10K 10K 82p TO CLASS-AB LA1 15µ C2 TO CLASS-AB
D13 D14 BOARD RLINK1 FINAL POS

C7 D15 THIS BLOCK 1N4148 1N4148 1


470n C1
D4
CAN BE AS D2 470n
47µ
63V
ZD56V PART OF Q11
TD CONVERTER POS R2
2R2 31GF6
31GF6
MAIN BOARD BC547A R8
R29
300K
1K U6-3 U6-3
C3 R9

Q12 10p 47K


D11
BC547A D12 R26 R27 R24
47K 100 330K 1N4148
1N4148
U6-4 U6-4
R11
U6-7 U6-7
10K
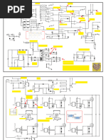
PWM BLOCK POS
Q8 R34
R33
MJE340C
33K
2W 100K
D16
R32
10K ZD75V
2W

R46
D22
10K
2W
ZD75V

R47 R48
MJE350C
56K Q19
2W 100K

RLINK2

1
R19
U5-7 U5-7
10K
U5-4 U5-4
D18 D17
R39 R40 R37

BC557A 1N4148 47K 100 330K 1N4148


Q17 R21
D7 D9
D28
300K
U5-3 U5-3 31GF6 31GF6
R42 SR26
C6 R22
1K SCHOTTKY 2A 60V

THIS BLOCK BC557A 10p 47K R52 R16 R17


C12 D21 CAN BE AS Q18
1K 1K 47 LB2 1.8µ LB2 turns = LA2

PART OF Q6
2SA1020
33µ
63V ZD56V MAIN BOARD D19 D20 PREOUT_B TD_OUT_NEG
Q4 LB1 15µ C5 TO CLASS-AB
1N4148 1N4148 TO CLASS-AB M2
BC556A IXTH88N30P FINAL NEG
R44 R43 C13 BOARD R14 470n
22 C4
BC557A BC557A U5-2 U2 1/2W
10K 10K 82p Q14 Q15 6N137 R12 470n
R13
V+ E D8
C15 C14 R41 R38 R50 D10 D6 2R2
U5-5 U5-5 Q5 6.8-1/2W
39K 39K R36 BC556A
120p 82p 31GF6
330 BAT54 Q7 31GF6
C-FSW 1K8
2SC2655
U5-1 U5-1
C18 D24 R18 C29 C28 C25 C27 C26 C61
R45 R15
C16 680 47 100µ 100n 100µ 100µ 220n 3n3
10K 100n 250V 250V 250V 250V FUSE 25A
ZD5V
220p -NEG_TD
BC557A U5-6 U5-6 R20 FROM OCP NEG
Q16

560K
12V_BIAS_POS

PWM BLOCK NEG


TD CONVERTER NEG
Note:
All caps are 25V minimum, otherwise specified
All resistors are metalfilm 0.25W, otherwise specified

TD-JAVA REBORN Ver.1a


Kartino Surodipo - Copyright Jan-2021
ATTENTION: NOT FOR SALE UNLESS PERMITTED!
Contact: kartino.id@gmail.com
#Indonesian - Class D Next Generation Facebook Group
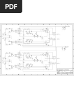
OCP_MUTE
R70 FROM MAIN SUPPLY POS
++VCC
C79 C35 C80
R55 D30 R64 100 -2W
1N4148 100µ 220n 3n3 TD_OUT_POS
470 C40 180 250V 250V 250V FROM TD CONVERTER POS
D31
22µ 1N4148
R99 R95
Q22 C47
MJE350C 2SA1381C
Q28
ON HS 220 220
ON HS 33p
C48 R117 Q29
MJE340C C58
10p 4R7 ON HS
R114 100p
C52 U6-2
VR2 6K8 R122 PWM BLOCK POS
R=500 R73 R76 R78
T=0.5 82p 4.7 4.7 4.7
DCO 47K
R72 Q30 Q31 Q32 Q33
R56 R57 D33 MJL3281C MJL3281C MJL3281C
2SC4793
ON HS ON HS ON HS ON HS
220 220 330
1N4148 Q44 C54
C31 R98 C38
2N5551C
100K 3n3
100n R119 100n R75 R102 R74 R103 R77 R104 R79
C41 R68 470 33 47 0.22 47 0.22 47 0.22
Q26 Q27 R106
+_INPUT_SIGNAL BC557A BC557A R96
22µ 1K L2
C34 R63 1K2 1K2 C56
R69 R65 Q42 R107 R82
100K BD139 5µ
100K 1n5 33K ON HS 270 68 1µ
R83
R67 C32 C49 R97 AMP_OUT
47µ
220 C57 4
330 470µ R116 R121 C42
R101 R62
VR1 1µ
R=500 270 R105 68 220n
10 C43 100K
T=0.5
10n BIAS
1K2 R88
R120 R81 R111 R108 R112 R109 R113 R110
Q39 Q40 C33 10
MPSA92 R66 470 33 47 0.22 47 0.22 47 0.22
MPSA92 C55 C39
22p Q43
33K 2N5401C
D34 3n3 100n
ON HS ON HS ON HS
R115 R80 MJL1302C MJL1302C MJL1302C
Q34
1N4148 2SA1837 Q35 Q36 Q37
C44 D32 R100
6K8 330 ON HS R123
220 R84 R85 R86
22µ C50 R118 C53 4.7 4.7 4.7
Q38
ZD15V MJE350C 47K
ON HS U5-2
10p 4R7 82p
C59 PWM BLOCK NEG
C51
R94 Q25
C46 C45 2SC3503C 100p
R93 R92 ON HS 33p
220
6n8 3K3 6n8
3K3

Q41
BC546A

Q23 Q24 C30


BC546A BC546A 3n3

D29 R61 R60


R91 C37 C81 C36 C82
R59 R58 FROM TD CONVERTER NEG
47K 22µ 220 180
1W 100µ 220n 3n3 TD_OUT_NEG
560 560 ZD3.9V R71
250V 250V 250V
--VEE
100 -2W FROM MAIN SUPPLY NEG

CLASS-AB BLOCK Note:


All caps are 25V minimum, otherwise specified
All resistors are metalfilm 0.25W, otherwise specified

TD-JAVA REBORN Ver.1a


Kartino Surodipo - Copyright Jan-2021
ATTENTION: NOT FOR SALE UNLESS PERMITTED!
Contact: kartino.id@gmail.com
#Indonesian - Class D Next Generation Facebook Group
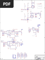
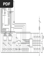
LIMITER SENSITIVITY
OFF
LIMITER VR3 FROM MAIN SUPPLY POS
R=50k

+12
T=0.5 ++VCC
R134 1.8 Volt R131
Before Clip R132 U5

3K3
3K3
D40 2K2 MC33078
D35 D36
Limiter

-12
Active
NSCW100 1N4148 1N4148
D37 D38
C73 R136
1N4148 1N4148
3
22µ NP 1K C69 R176
SINE(0 1 10K) +12
RIGHT CHANNEL V2 1 TO RIGHT CHANNEL
1µ C86 C85 D62 12K /3W
2 C72 R137 OPTOLDR
NSCW100 100n 220µ ZD12V
XLR INPUT D39 1W
1Vpp Sensitivity 22µ NP 1K 25V
WHITE SUPER BRIGHT LED

C88 C87 D63

100n 220µ ZD12V


R175
ST/PAR/BTL LDR1 25V 1W
ST COM ST COM
BR BR
1Meg R133 -12
PR PR SWITCH
R89 2K2 12K /3W

18K 12V OP AMP SUPPLY


C70
C65
C67
R125 47p
100K 22p
C64 R129 100p R90

+12
3
22µ NP 1K 6K8
C68
U4
R135 C62
LEFT CHANNEL
SINE(0 1 10K)
V1 1 MC33078 +_INPUT_SIGNAL
100n 1K U3 22µ
2 C63 R130 R87 R127 R128
R=20K NP
T=1

-12
XLR INPUT 100K 20K 100K
1Vpp Sensitivity 22µ NP 1K C66 6K8 Volume
C71 --VEE
R124 R126 Potentio
100p 100K 18K FROM MAIN SUPPLY NEG
22p

Note:
All caps are 25V minimum, otherwise specified
INPUT BOARD All resistors are metalfilm 0.25W, otherwise specified

TD-JAVA REBORN Ver.1a


Kartino Surodipo - Copyright Jan-2021
ATTENTION: NOT FOR SALE UNLESS PERMITTED!
Contact: kartino.id@gmail.com
#Indonesian - Class D Next Generation Facebook Group
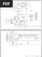
TO PRE_AMP
++VCC

R149 R148 R154


680
0.1 0.1 R153 D55 R165
Q49 D53
+POS_TD MPSA92 56K
2K2 1N4148 V3
ZD15V
R171
OCP_MUTE R166 +POS SUPPLY
200
22 56K

OCP-SENSOR POS

Q52 D41
MPSA42
R140 1N4148
22K D44
1N4148 C74 C75

D43 AMP_OUT
1N4148 100µ 100µ
R141
R138
Q51 22K D42
33K
MPSA92
1N4148 TO_SPEAKER_PLUS
R157
TO_SPEAKER_MIN

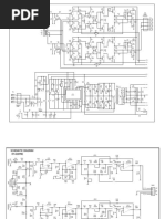
DC PROTECTION 470

Protection Features: D54 R139


R168 R170 R162 1N4007
1. OCP LATCHED 33K
2. DC OUT PROTECTION 100K 100K 56K D45
3. DELAY ON QTLP690C
CLIP

Signalling: R152 R169 R163


1. POWER ON 100K 100K 56K R161
18K
2. CLIP SIGNAL 2W
3. MUSIC SIGNAL

R159 R160
4K7 3K3

C84 D66
V4
10µ ZD12V D46 D47
16V QTLP690C
POWER ON
QTLP690C
SIGNAL
-NEG SUPPLY
200
Q45
2N5551C
D48 R145
1N4148
6K8

12V_BIAS_POS
CLIP & POWER ON LED
D57

D58 R164

QTLP690C 1N4007 4K7


R144
OCP_ON U6

4K7
R147 D50
D59 D49
OCP_LATCH 100K 1N4007
1N4148 QTLP690C V5
D56
R143 R167
12V BIAS SUPPLY
Q47 PROTECT OFF C77
WARNING!!!
OCP-SENSOR NEG 1N4148
470 1K
2N5551C
100µ NEG REFERENCE
Q46
Q48 BD139C R146 25V 12
R155 D52
Q50 2N5551C C76
-NEG_TD MPSA42 R142
4K7 CUT-OFF RELAY
2K2 1N4148 C78 C83 D51
R174 100µ 68K
R150 R156 R158 25V
R151 10µ 1.5µ
100K
0.1 680 680 QTLP690C
0.1
PROTECT ON
--VEE
TO PRE_AMP
Note:
OVERCURRENT PROTECTION AND SIGNALLING BOARD All caps are 25V minimum, otherwise specified
All resistors are metalfilm 0.25W, otherwise specified

TD-JAVA REBORN Ver.1a


Kartino Surodipo - Copyright Jan-2021
ATTENTION: NOT FOR SALE UNLESS PERMITTED!
Contact: kartino.id@gmail.com
#Indonesian - Class D Next Generation Facebook Group

You might also like