KEMBAR78
Audio and Visual System: Precaution | PDF | Frequency Modulation | Compact Disc
0% found this document useful (0 votes)
351 views224 pages

Audio and Visual System: Precaution

Uploaded by

Shiran Peiris
Copyright
© Attribution Non-Commercial (BY-NC)
We take content rights seriously. If you suspect this is your content, claim it here.
Available Formats
Download as PDF, TXT or read online on Scribd
0% found this document useful (0 votes)
351 views224 pages

Audio and Visual System: Precaution

Uploaded by

Shiran Peiris
Copyright
© Attribution Non-Commercial (BY-NC)
We take content rights seriously. If you suspect this is your content, claim it here.
Available Formats
Download as PDF, TXT or read online on Scribd
You are on page 1/ 224

AUDIO / VISUAL AUDIO AND VISUAL SYSTEM

AV1

AUDIO AND VISUAL SYSTEM


PRECAUTION
NOTICE: When disconnecting the cable from the negative (-) battery terminal, initialize the following systems after the cable is reconnected.
System name Power Window Control System See procedure IN-32

AV

AV2

AUDIO / VISUAL AUDIO AND VISUAL SYSTEM

PARTS LOCATION
SPIRAL CABLE STEERING PAD SWITCH FRONT CENTER SPEAKER (FRONT STEREO COMPONENT SPEAKER)* FRONT SIDE SPEAKER (FRONT NO. 2 SPEAKER)

MULTI-DISPLAY GATEWAY ECU

FRONT SIDE SPEAKER (FRONT NO. 2 SPEAKER)

AV

FRONT SIDE SPEAKER (FRONT NO. 1 SPEAKER)

FRONT SIDE SPEAKER (FRONT NO. 1 SPEAKER)

DRIVER SIDE JUNCTION BLOCK - ACC FUSE - AM1 FUSE - ACC-B FUSE *: for 9 Speaker System

RADIO RECEIVER

E126612E01

AUDIO / VISUAL AUDIO AND VISUAL SYSTEM

AV3

ANTENNA AMPLIFIER

REAR SIDE SPEAKER (REAR NO. 2 SPEAKER)*

ANTENNA POLE

AV

REAR SIDE SPEAKER (REAR NO. 2 SPEAKER)*

REAR SIDE SPEAKER (REAR NO. 1 SPEAKER) REAR SIDE SPEAKER (REAR NO. 1 SPEAKER)

STEREO COMPONENT AMPLIFIER

*: for 9 Speaker System


E126613E01

AV4

AUDIO / VISUAL AUDIO AND VISUAL SYSTEM

SYSTEM DIAGRAM
for 9 Speaker System

Microphone

Steering Pad Switch

Combination Meter

Antenna Spiral Cable Switch Signal Stereo Component Amplifier Speed Signal

AV
Multi-display (Master Unit)

Radio Receiver (Slave Unit) Sound Signal

(Slave Unit)

Speakers

Sound Signal

Sound Signal

Stereo Jack Adapter

: AVC-LAN

E107236E01

AUDIO / VISUAL AUDIO AND VISUAL SYSTEM

AV5

for 6 Speaker System

Microphone

Steering Pad Switch

Combination Meter

Antenna Spiral Cable Switch Signal Multi-display (Master Unit) Speed Signal

Radio Receiver (Slave Unit) Sound Signal

AV

Speakers

Stereo Jack Adapter

Sound Signal

Sound Signal

: AVC-LAN

E107237E01

AV6

AUDIO / VISUAL AUDIO AND VISUAL SYSTEM

SYSTEM DESCRIPTION
1. DISC PLAYER OUTLINE (a) A CD player uses a laser pickup to read digital signals recorded on CDs. By converting the digital signals to analog, music and other content can be played. CAUTION: Do not look directly at the laser pickup because the CD player uses an invisible laser beam. Be sure to operate the player only as instructed. NOTICE: Do not disassemble any part of the CD player. Do not apply oil to the CD player. Do not insert anything but a CD into the CD player. (b) Usable discs (1) CD player

AV

E119759

(c) Precautions for handling disc NOTICE: Copy-controlled CDs cannot be used. Some CD-Rs and CD-RWs are not playable as a result of: 1) the type of recording method used, 2) the type of disc, 3) scratches, 4) contamination, or 5) the disc being in the vehicle for an extended amount of time, leading to deterioration. CD-Rs and CD-RWs that have not been finalized cannot be played. PAL or SECAM color television standard discs cannot be played. Only NTSC discs can be played. Dual layered discs that mate DVD recorded material on one side with CD digital audio material on the other cannot be played. When handling a disc, be careful not to put fingerprints, stains or scratches on the disc. When holding a disc, pinch the center hole and edge of the disc with your fingers. Face the printed side upward. If a disc is ejected by pressing the eject button and left partially ejected for an extended period of time, the disc may become deformed and unusable.

AUDIO / VISUAL AUDIO AND VISUAL SYSTEM

AV7

A disc may not be able to be ejected or the player may become damaged if: 1) cellophane tape, stickers, CD-R labels or rental CD labels are attached; or 2) residue from removed tape, stickers or labels remain. Avoid direct sunlight when storing discs as they may become deformed and unusable. Do not use uniquely-shaped discs as they may damage the player. Do not use discs where part of the recording surface is transparent or translucent. If used, the disc may become unable to be inserted, ejected and played normally. HINT: Just as condensation fogs the vehicle's windows during wet or cold weather, condensation may also form inside the player. If condensation forms, CD skipping or playback stoppage may occur. Ventilate or dehumidify the vehicle for a while before using the player. If the player vibrates severely due to driving on a rough road, the CD may skip. (d) Cleaning NOTICE: Do not use lens cleaner when cleaning the player, as it may damage the player's pickup part. (1) To clean dirty discs, use a dry, soft cloth such as those used for glasses with plastic lenses. Lightly wipe radially from the center of the disc. NOTICE: Pressing the disc roughly with your hand or scrubbing with a hard cloth may scratch the disc surface. Using record spray, anti-static agents, alcohol, benzene, thinner or other solvents, and chemical cloths on a disc will damage the disc and may make the disc unusable. MP3/WMA OUTLINE HINT: Some vehicle's audio and visual systems do not support the WMA format. (a) Playable MP3 file standards
MP3 (MPEG1 LAYER3, MPEG2 LSF LAYER3) Compatible bit rate MPEG1 LAYER3: 32, 44.1, 48 (kHz) MPEG2 LSF LAYER3: 16, 22.05, 24 (kHz) MPEG1 LAYER3: 64, 80, 96, 112, 128, 160, 192, 224, 256, 320 (kbps) MPEG2 LSF LAYER3: 64, 80, 96, 112, 128, 144, 160 (kbps) Compatible with VBR

AV

I100151

2.

Compatible standard Compatible sampling frequency

Compatible channel mode

Stereo, joint stereo, dual channel, monaural

AV8

AUDIO / VISUAL AUDIO AND VISUAL SYSTEM

(b) Playable WMA file standards


Compatible standard Compatible sampling frequency Compatible bit rate WMA Ver. 7, 8, and 9 32, 44.1, 48 (kHz) Ver. 7, 8: CBR48, 64, 80, 96, 128, 160, 192 (kbps) Ver. 9: CBR48, 64, 80, 96, 128, 160, 192, 256, 320 (kbps) Compatible with playback of channel 2 only

AV

(c) ID3 tag and WMA tag (1) Additional textual information called ID3 tags can be input to MP3 files. Information such as song titles and artist names can be stored. HINT: This player is compatible with the ID3 tags of ID3 Ver. 1.0 and 1.1, and ID3 Ver. 2.2 and 2.3. (Number of characters complies with ID3 Ver. 1.0 and 1.1.) (2) Additional textual information called WMA tags can be input to WMA files. Information such as song titles and artist names can be stored. (d) Usable media (1) Only CD-ROMs, CD-Rs (CD-Recordable), and CD-RWs (CD-ReWritable) can be used to play MP3/WMA files. NOTICE: CD-Rs and CD-RWs are more easily affected by a hot and humid environment than discs used for normal audio CDs. For this reason, some CD-Rs and CD-RWs may not be playable. If there are fingerprints or scratches on the disc, the disc may not be playable or the CD may skip. Some CD-Rs and CD-RWs deteriorate if they are left in the cabin for a long time. Keep CD-Rs and CD-RWs in a storage case that is non-transparent. (e) Usable media format (1) Usable media format
Disc format File format CD-ROM Mode 1, CD-ROM XA Mode 2 Form1 ISO9660 Level 1 and Level 2 (Joliet, Romeo)

HINT: As for MP3/WMA files written in any format other than those above, the contents of the files may not be playable or the file names or folder names may not be displayed correctly. This player is compatible with multi-session discs and can play CD-Rs and CD-RWs on which MP3/WMA files are added. However, only the first session can be played. Discs whose first session includes both music data and MP3 or WMA format data cannot be played. (2) Standards and restrictions
Maximum directory levels 8 levels

AUDIO / VISUAL AUDIO AND VISUAL SYSTEM


Maximum number of characters for a folder name/file name Maximum number of folders Maximum number of files in a disc 32 characters

AV9

192 (Including empty folders, root folders, and folders that do not contain MP3/WMA files) 255 (Including non-MP3/WMA files)

(f)

File names (1) Only files with an extension of ".mp3" or ".wma" can be recognized and played as MP3 or WMA files. (2) Save MP3 or WMA files with an extension of ".mp3" or ".wma". NOTICE: If saving non-MP3 or non-WMA files with an extension of ".mp3" or ".wma", those files are wrongly recognized as MP3 or WMA files and played. A loud noise may occur and damage to the speaker may result.

3.

BLUETOOTH is a trademark owned by Bluetooth SIG, Inc.

I101463E01

BLUETOOTH OUTLINE (a) Bluetooth is a new wireless connection technology that uses the 2.4 GHz frequency band. This makes it possible to connect a cellular phone (Bluetooth capable phone*) to the multi-display (Bluetooth system is built-in), and use a handsfree function with the cellular phone in a pocket or bag. As a result, it is not necessary to use a connector for the cellular phone. HINT: *: The communication performance of Bluetooth may vary depending on the Bluetooth version, obstructions or radio wave conditions between communication devices, electromagnetic radiation, communication device sensitivity, or antenna capacity.

AV

AV10

AUDIO / VISUAL AUDIO AND VISUAL SYSTEM

Multi-display (Built-in Bluetooth receiver antenna)

Cellular Tower

AV

Cellular Phone (Bluetooth Type)

I100033E09

4.
Example Radio Receiver (Resistor 60 to 80 )

AVC-LAN DESCRIPTION (a) What is AVC-LAN?

AVC-LAN

Stereo Component Amplifier

I100319E10

AVC-LAN, an abbreviation for "Audio Visual Communication Local Area Network", is a united standard developed by the manufacturers in affiliation with Toyota Motor Corporation. This standard pertains to audio and visual signals as well as switch and communication signals.

AUDIO / VISUAL AUDIO AND VISUAL SYSTEM

AV11

5.

6.

(b) Purpose: Recently, car audio systems have rapidly developed and the functions have vastly changed. The conventional car audio system is being integrated with multimedia interfaces similar to those in navigation systems. At the same time, customers are demanding higher quality from their audio systems. This is an overview of the standardization background. The specific purposes are as follows: (1) To solve sound problems, etc. caused by using components of different manufacturers through signal standardization. (2) To allow each manufacturer to concentrate on developing products they do best. From this, reasonably priced products can be produced. HINT: If a short to +B or short to ground is detected in the AVC-LAN circuit, communication is interrupted and the audio system will stop functioning. If an audio system is equipped with a navigation system, the multi-display unit acts as the master unit. If the navigation system is not equipped, the audio head unit acts as the master unit instead. If the radio and navigation assembly is equipped, it is the master unit. The radio receiver contains a resistor that is necessary to enable communication on the different AVC-LAN circuits. The car audio system with an AVC-LAN circuit has a diagnostic function. Each component has a specified number (3digit) called a physical address. Each function has a number (2-digit) called a logical address. COMMUNICATION SYSTEM OUTLINE (a) Components of the audio system communicate with each other via the AVC-LAN. (b) The master component of the AVC-LAN is a radio receiver with a 60 to 80 resistor. This is essential for communication. (c) If a short circuit or open circuit occurs in the AVCLAN circuit, communication is interrupted and the audio system will stop functioning. DIAGNOSTIC FUNCTION OUTLINE (a) The audio system has a diagnostic function (the result is indicated on the master unit). (b) A 3-digit hexadecimal component code (physical address) is allocated to each component on the AVC-LAN. Using this code, the component in the diagnostic function can be displayed.

AV

AV12

AUDIO / VISUAL AUDIO AND VISUAL SYSTEM

HOW TO PROCEED WITH TROUBLESHOOTING


HINT: Use these procedures to troubleshoot the audio and visual system. *: Use the intelligent tester.

1
NEXT

VEHICLE BROUGHT TO WORKSHOP

INSPECT BATTERY VOLTAGE Standard voltage: 11 to 14 V If the voltage is below 11 V, recharge or replace the battery before proceeding.

AV

NEXT

INSPECT COMMUNICATION FUNCTION OF MULTIPLEX COMMUNICATION SYSTEM (BEAN)* (a) Using the intelligent tester, check if the Multiplex Communication System (MPX) is functioning normally. Result
Result MPX DTC is not output MPX DTC is output Proceed to A B

B A

Go to MULTIPLEX COMMUNICATION SYSTEM

BASIC INSPECTION (a) Turn the power switch ON (ACC). (b) Check whether or not the radio receiver turns on. Result
Result Radio receiver turns on Radio receiver does not turn on Proceed to A B

B A

Go to step 6

AUDIO / VISUAL AUDIO AND VISUAL SYSTEM

AV13

CHECK FOR DTC (a) Check for DTCs and note any codes that are output (see page AV-37). (b) Delete the DTCs. (c) Recheck by simulating the operation indicated by the DTC. HINT: If the system cannot enter the diagnosis mode, inspect each AVC-LAN communication signal and repair or replace the problem parts. Even if the malfunction symptom is not confirmed, check the DTCs. This is because the system stores past DTCs. Check and clear past DTCs. Then check for DTCs. Result
Result DTC is output again DTC is not output Proceed to A B

B A

Go to step 7

AV

DIAGNOSTIC TROUBLE CODE CHART (a) Find the output code on the diagnostic trouble code chart (see page AV-41).

NEXT Go to step 9

7
Result
Result

PROBLEM SYMPTOMS TABLE (a) Refer to the problem symptoms table (see page AV-29).
Proceed to A B

Fault is not listed in problem symptoms table Fault is listed in problem symptoms table

B A

Go to step 9

OVERALL ANALYSIS AND TROUBLESHOOTING (a) Terminals of ECU (see page AV-31).

AV14 NEXT

AUDIO / VISUAL AUDIO AND VISUAL SYSTEM

9
NEXT

REPAIR OR REPLACE

10
NEXT END

CONFIRMATION TEST

AV

AUDIO / VISUAL AUDIO AND VISUAL SYSTEM

AV15

IDENTIFICATION OF NOISE SOURCE


1. RADIO DESCRIPTION (a) Radio frequency band (1) Radio broadcasts use the radio frequency bands shown in the table below.

Frequency

30 kHz

300 kHz

30 MHz

30 MHz

300 MHz

Designation Radio Wave Modulation LF: Low Frequency

LF

MF AM

HF

VHF FM Frequency modulation VHF: Very High Frequency


E108734E01

Amplitude modulation MF: Medium Frequency HF: High Frequency

FM (Stereo) FM (Monaural) AM

(b) Service area (1) The service areas of AM and FM broadcasts are vastly different. Sometimes an AM broadcast can be received very clearly but an FM stereo cannot. FM stereo has the smallest service area, and is prone to pick up static and other types of interference such as noise. (c) Radio reception problems HINT: In addition to static, other problems such as "phasing", "multipath", and "fade out" exist. These problems are not caused by electrical noise, but by the radio signal propagation method itself.
E108735E01

AV

Phasing Ionosphere

(1) Phasing AM broadcasts are susceptible to electrical interference and another kind of interference called phasing. Occurring only at night, phasing is the interference created when a vehicle receives 2 radio wave signals from the same transmitter. One signal is reflected off the ionosphere and the other signal is received directly from the transmitter.

I100011E02

AV16
Multipath

AUDIO / VISUAL AUDIO AND VISUAL SYSTEM

(2) Multipath Multipath is a type of interference created when a vehicle receives 2 radio wave signals from the same transmitter. One signal is reflected off buildings or mountains and the other signal is received directly from the transmitter.

I100012E02

Fade Out

I100013E02

AV
Radio Frequency AM AM AM FM

(3) Fade out Fade out is caused by objects (buildings, mountains, and other such large obstacles) that deflect away part of a signal, resulting in a weaker signal when the object is between the transmitter and vehicle. High frequency radio waves, such as FM broadcasts, are easily deflected by obstructions. Low frequency radio waves, such as AM broadcasts, are much more difficult to deflect. (d) Noise problem Technicians must have a clear understanding about each customer's noise complaint. Use the following table to diagnose noise problems.
Presumable Cause Foreign noise Same program transmitted from multiple towers can cause noise where the signals overlap Music beats from a distant broadcast Multipath or phasing noise resulting from a change in FM frequency

Noise Occurrence Condition Noise occurs in a specified area Noise occurs when listening to an intermittent broadcast Noise occurs only at night Noise occurs while driving in a specified area

HINT: If the noise does not match the examples above, refer to the descriptions about phasing and multipath.

AUDIO / VISUAL AUDIO AND VISUAL SYSTEM

AV17

DISPLAY CHECK MODE


HINT: This mode checks the color display on the multi-display. Illustrations may differ from the actual vehicle depending on the device settings and options. Therefore, some detailed areas may not be exactly the same as on the actual vehicle. 1. ENTER DIAGNOSTIC MODE (see page AV-37) 2. DISPLAY CHECK (a) Select "Display Check" from the "Diagnosis MENU" screen.

* *: If this switch is gray, the Bluetooth TEL Check inspection cannot be performed.

AV
E130103E01

3.

COLOR BAR CHECK (a) Select "Color Bar Check" from the "Display Check" screen.

* *: Depending on the type of audio system, this switch may not be present.

E130108E01

AV18

AUDIO / VISUAL AUDIO AND VISUAL SYSTEM

(b) Select a color bar from the "Color Bar Check Mode" screen. (c) Check the display color. HINT: The entire screen turns to the color or stripe selected. Touch the display to the "Color Bar Check" screen.

E120102

AV

4.

TOUCH SWITCH CHECK (a) Select "Touch Switch Check" from the "Display Check" screen.

* *: Depending on the type of audio system, this switch may not be present.

E130108E02

(b) Touch the display anywhere in the open area to perform the check when the "Touch Switch Check" screen is displayed. HINT: A "+" mark is displayed where the display is touched.

E120103

AUDIO / VISUAL AUDIO AND VISUAL SYSTEM

AV19

5.

PANEL SWITCH CHECK (a) Select "Panel Switch Check" from the "Display Check" screen.

* *: Depending on the type of audio system, this switch may not be present.

E130108E03

(b) Operate each switch and check that the switch name and condition are correctly displayed.
*

AV
E126438E01

Display Pressed switch name/*

Contents Name of the pressed switch is displayed. If more than one switch is pressed, "MULTIPLE" is displayed.

6.

VEHICLE SIGNAL CHECK (a) Select "Vehicle Signal Check" from the "Display Check" screen.

* *: Depending on the type of audio system, this switch may not be present.

E130108E04

AV20

AUDIO / VISUAL AUDIO AND VISUAL SYSTEM

(b) When the "Vehicle Signal Check Mode" screen is displayed, check all the vehicle signal conditions. HINT: Only conditions having inputs are displayed. This screen is updated once per second when input signals to the vehicle are changed. For details of this function, refer to DIAGNOSIS DISPLAY DETAILED DESCRIPTION (see page AV-22).
I038223

7.

MIC & VOICE RECOGNITION CHECK (a) Select "Mic & Voice Recognition Check" on the "Display Check" screen to display the "MICROPHONE & VOICE RECOGNITION CHECK" screen.

* *: Depending on the type of audio system, this switch may not be present.

AV

E130108E05

Microphone Input Level Meter

Recording Switch

Stop Switch

Recording Play Switch Indicator

(b) When a voice is input into the microphone, check that the microphone input level meter changes according to the input voice. (c) Push the recording switch and perform voice recording. (d) Check that the recording indicator remains on while recording and that the recorded voice is played normally. HINT: For details of this function, refer to DIAGNOSIS DISPLAY DETAILED DESCRIPTION (see page AV22).

E125811E01

AUDIO / VISUAL AUDIO AND VISUAL SYSTEM

AV21

BLUETOOTH TEL CHECK MODE


HINT: Illustrations may differ from the actual vehicle depending on the device settings and options. Therefore, some detailed area may not be exactly the same as on the actual vehicle. 1. ENTER DIAGNOSTIC MODE (see page AV-37) 2. BLUETOOTH TEL CHECK (a) Select "Bluetooth TEL Check" from the "Diagnosis MENU" screen.

If this switch is gray, the Bluetooth TEL Check inspection cannot be performed.

E130112E01

AV
3. BLUETOOTH CHECK (a) Select "Bluetooth Check" from the "Bluetooth Handsfree Check Menu" screen.

E120063

(b) Select "Serial Communication Log" from the "Bluetooth Check Menu" screen.

E120064

AV22

AUDIO / VISUAL AUDIO AND VISUAL SYSTEM

(1) The communication log data in the multi-display is displayed on this screen. HINT: The displayed data can be used as a reference.

E120065

(c) Select "Software Version" from the "Bluetooth Check Menu" screen.

E120066

AV
*1 *2 *3 *4
E120067E02

(1) Check the software version of the Bluetooth module.

Screen description:
Display General Version/*1 Contents Overall software version of Bluetooth module If any of the API version, upper stack version, and low stack version is updated, the general version is upgraded.

API Version/*2 Upper Stack Version/*3 Lower Stack Version/*4

API software version is displayed. Upper Stack version is displayed. Lower Stack version is displayed.

HINT: This function is controlled by the multi-display. 4. HANDSFREE VOICE QUALITY SET (a) Select "Handsfree Voice Quality Set" from the "Bluetooth Handsfree Check Menu" screen.

E120068

AUDIO / VISUAL AUDIO AND VISUAL SYSTEM

AV23

(b) Check the handsfree voice level.

*1 *2

E120069E01

Screen description:
Display Received voice level adjustment/*1 Sent voice level adjustment/*2 Contents Setting possible for the voice level received from Bluetooth compatible phones. Setting possible for the voice sent to Bluetooth compatible phones.

HINT: This function is controlled by the multi-display. NOTICE: "Voice Quality Type" should not be changed.

AV

AV24

AUDIO / VISUAL AUDIO AND VISUAL SYSTEM

DIAGNOSIS DISPLAY DETAILED DESCRIPTION


HINT: This section contains a detailed description of displays within diagnostic mode. Illustrations may differ from the actual vehicle depending on the device settings and options. Therefore, some detailed areas may not be exactly the same as on the actual vehicle. 1. SYSTEM CHECK (a) System Check Mode Screen

AV

*1

*2

*3

*1

*4

*2
I100055E08

(1) Device Names and Hardware Address/*1 HINT: Registered device names are displayed. If a device name is unknown to the system, its physical address is shown instead.
Address No. 110 128 144 17C 1AC 1C0 1C4 1C8 1EC 1F1 230 250 360 Name EMV 1DIN TV G-BOOK MONET CAMERA-C Rr-CONT PANEL FM-M-LCD Body XM TV-TUNER DVD-CH CD-CH1 Address No. 120 140 178 190 1B0 19D 1C6 1D8 118 1F2 240 280 3A0 Name AVX AVN NAVI AUDIO H/U Rr-TV BT-HF G/W CONT-SW EMVN SIRIUS CD-CH2 CAMERA MD-CH

AUDIO / VISUAL AUDIO AND VISUAL SYSTEM


Address No. 17D 530 1A0 238 Name TEL ETC DVD-P DTV Address No. 440 1F6 1D6 480 Name DSP-AMP RSE CLOCK AMP

AV25

(2) Check Result/*2 HINT: Result codes for all devices are displayed.
Result OK EXCH CHEK NCON Meaning Device did not respond with DTC (excluding communication DTCs from AVC-LAN). Device responds with "replace" type DTC. Device responds with "check" type DTC. Device was previously present, but does not respond in diagnostic mode. Device responds with "old" type DTC. Device responds in diagnostic mode, but gives no DTC information. Action Look up DTC in "Unit Check Mode" and replace device. Look up DTC in "Unit Check Mode". 1. Check power supply wire harness of device. 2. Check AVC-LAN of device. Look up DTC in "Unit Check Mode". 1. Check power supply wire harness of device. 2. Check AVC-LAN of device.

Old NRES

(3) Code Clear/*3 Present DTCs are cleared. Press the "Code CLR" switch for 3 seconds. (4) Memory Clear/*4 Present and past DTCs and registered connected device names are cleared. Press the "Memory CLR" switch for 3 seconds. (b) Diagnosis MENU Screen

AV

* *: If this switch is gray, the Bluetooth TEL Check inspection cannot be performed.
E120070E02

AV26

AUDIO / VISUAL AUDIO AND VISUAL SYSTEM

HINT: Each item is grayed out or not displayed based on the device settings. (c) Unit Check Mode Screen

*1

*6

*5

AV
*2 *3 *4 *7
E120071E02

Screen description:
Display Device name/*1 Segment/*2 DTC/*3 Timestamp/*4 Present Code/*5 Past Code/*6 Diagnosis Clear Switch/*7 Contents Target device Target device logical address DTC (Diagnostic Trouble Code) Time and date of past DTCs are displayed (Year is displayed in 2-digit format). DTCs output at service check are displayed. Diagnostic memory results and recorded DTCs are displayed. Pushing this switch for 3 seconds clears diagnostic memory data of target device (both response to diagnostic system check result and displayed data are cleared).

AUDIO / VISUAL AUDIO AND VISUAL SYSTEM

AV27

(d) LAN Monitor (Original) Screen

*1

I100058E04

AV

(1) Check Result/*1 HINT: The check results of all the devices are displayed.
Result No Err (OK) CHEK NCON Meaning There are no communication DTCs. Device responds with "check" type DTC. Device was previously present, but does not respond in diagnostic mode. Device responds with "old" type DTC. Device responds in diagnostic mode, but gives no DTC information. Action Look up DTC in "Unit Check Mode". 1. Check power supply wire harness of device. 2. Check AVC-LAN of device. Look up DTC in "Unit Check Mode". 1. Check power supply wire harness of device. 2. Check AVC-LAN of device.

Old NRES

AV28

AUDIO / VISUAL AUDIO AND VISUAL SYSTEM

(e) LAN Monitor (Individual) Screen

*1

*2 *3 *4 *5 *6 *7
E120072E01

AV
Screen description:
Display Device name/*1 Segment/*2 DTC/*3 Sub-code (device address)/*4 Connection check No./*5 DTC occurrence/*6 Diagnosis Clear Switch/*7 Contents Target device Target logical address DTC (Diagnostic Trouble Code)

Physical address stored with DTC (If there is no address, nothing is displayed). Connection check number stored with DTC Number of times same DTC has been recorded Pushing this switch for 3 seconds clears diagnostic memory data of target device (both response to diagnostic system check result and displayed data are cleared).

AUDIO / VISUAL AUDIO AND VISUAL SYSTEM

AV29

2.

DISPLAY CHECK (a) Vehicle Signal Check Mode Screen

I100060

AV

Screen description:
Name Battery PKB REV IG ADIM/TCAN TAIL SPEED Contents Battery voltage is displayed. Parking brake ON / OFF state is displayed. Reverse signal ON / OFF state is displayed. Power switch ON / OFF state is displayed. Brightness state DIM (with) / BRIGHT (without) is displayed. TAIL signal (Light control switch) ON / OFF state is displayed. Vehicle speed is displayed in km/h.

HINT: Only items sending a vehicle signal will be displayed. This screen is updated once per second when input signals to the vehicle are changed.

AV30

AUDIO / VISUAL AUDIO AND VISUAL SYSTEM

(b) Microphone & Voice Recognition Check Screen

*1

*2

*3

*4

*5

AV
Screen description:
Name Microphone input level meter/*1 Recording switch/*2 Stop switch/*3 Play switch/*4 Recording indicator/*5 Contents

E125091E01

HINT: Depending on the type of audio system, this menu may not be present.

Monitors microphone input level every 100 ms and displays results in 8 different levels. Starts recording. Stops recording. Plays recorded voice. Comes on while recording.

HINT: The microphone input function is on at all times when this screen is displayed. While recording or playing, the switches other than the stop switch cannot be pushed. When no voice is recorded, the play switch cannot be pushed. Recording will stop after 5 seconds or by pushing the stop switch.

AUDIO / VISUAL AUDIO AND VISUAL SYSTEM

AV31

PROBLEM SYMPTOMS TABLE


HINT: Use the table below to help determine the cause of the problem symptom. The potential causes of the symptoms are listed in order of probability in the "Suspected area" column of the table. Check each symptom by checking the suspected areas in the order they are listed. Replace parts as necessary. Inspect the fuses and relays related to this system before inspecting the suspected areas below. Audio function
Symptom Suspected area 1. Proceed to "Pressing Power Switch does not Turn on System" 2. Radio receiver power source circuit Pressing power switch does not turn on system. 3. Multi-display power source circuit 4. AVC-LAN circuit 5. Radio receiver 6. Multi-display 1. Steering pad switch circuit Panel switch does not function. 2. AVC-LAN circuit 3. Radio receiver 1. AVC-LAN circuit 2. Radio receiver power source circuit 3. Multi-display power source circuit 4. Proceed to "No Sound can be Heard from Speakers" 5. Stereo component amplifier power source circuit No sound can be heard from speakers (audio is mute). 6. Proceed to "Sound Signal Circuit between Radio Receiver and Stereo Component Amplifier" 7. Speaker circuit 8. Proceed to "Mute Signal Circuit between Radio Receiver and Stereo Component Amplifier" 9. Stereo component amplifier 10. Radio receiver 11. Multi-display 1. Proceed to "Poor Sound Quality in All Models (Low Volume)" 2. Speaker circuit Sound quality is bad in all modes (Volume is too low). 3. Proceed to !Sound Signal Circuit between Radio Receiver and Stereo Component Amplifier" 4. Proceed to "Mute Signal Circuit between Radio Receiver and Stereo Component Amplifier" Auto sound levelizer does not function (9 speaker system). Auto sound levelizer does not function (6 speaker system). Proceed to "Vehicle Speed Signal Circuit between Stereo Component Amplifier and Combination Meter" Proceed to "Vehicle Speed Signal Circuit between Radio Receiver and Combination Meter" 1. Radio receiver power source circuit External device sound cannot be heard or sound quality is bad (Stereo jack is used). 2. Proceed to "Sound Signal Circuit between Radio Receiver and Stereo Jack Adapter" 3. Stereo jack adapter 4. Radio receiver See page AV-96 AV-171 AV-175 AV-148 AV-31 AV-31 AV-119 AV-148 AV-31 AV-148 AV-171 AV-175 AV-97 AV-173 AV-142 AV-130 AV-146 AV-31 AV-31 AV-31 AV-107 AV-130 AV-142 AV-146 AV-150 AV-116 AV-171 AV-144 AV-31

AV

AV32
Symptom

AUDIO / VISUAL AUDIO AND VISUAL SYSTEM


Suspected area 1. Proceed to "Noise occurs" See page AV-94 AV-31 AV-31 AV-104 AV-171 AV-100 AV-171 AV-99 AV-98 AV-102 AV-123

Abnormal noise occurs.

2. Stereo component amplifier 3. Radio receiver

Radio broadcast cannot be received or poor reception. CD cannot be inserted/played or CD is ejected right after insertion.

Proceed to "Radio Broadcast cannot be Received or Poor Reception" 1. Radio receiver power source circuit 2. Proceed to "CD cannot be Inserted/Played or CD is Ejected Right After Insertion" 1. Radio receiver power source circuit 2. Proceed to "CD cannot be Ejected" Proceed to "Sound Quality is Bad Only when CD is Played (Volume is Too Low)" Proceed to "CD Sound Skips" Illumination circuit

CD cannot be ejected. Sound quality is bad only when CD is played. CD sounds skips. Radio receiver or multi-display cannot be illuminated at night.

Steering pad switch function


Symptom Audio system cannot be operated with steering pad switch. Suspected area 1. Steering pad switch circuit 2. Radio receiver Illumination circuit Proceed to "Cellular Phone Registration Failure, Phone Directory Transfer Failure" 1. Proceed to Cellular Phone cannot Send / Receive Cellular phone cannot send / receive. 2. Steering pad switch circuit 3. Multi-display Cannot call in a certain place. The other caller's voice cannot be heard, is too quiet, or distorted. Proceed to "Cannot call in a Certain Place" 1. Proceed to "The Other Caller's Voice cannot be Heard, is too Quiet, or Distorted" 2. Multi-display 1. Proceed to "The Other Caller cannot Hear Your Voice, or Your Voice is too Quiet or Distorted" The other caller cannot hear your voice, or your voice is too quiet or distorted. 2. Microphone circuit between overhead J/B and multi-display 3. Microphone 4. Microphone amplifier 5. Multi-display See page AV-119 AV-31 AV-123 AV-108 AV-110 AV-119 AV-31 AV-112 AV-113 AV-31 AV-114 AV-153 AV-31

AV

Steering pad switch cannot be illuminated at night. Cellular phone registration failure, phone directory transfer failure.

AUDIO / VISUAL AUDIO AND VISUAL SYSTEM

AV33

TERMINALS OF ECU
1.
M13

CHECK MULTI-DISPLAY (for 3 Connector Type)


M14 M15

I101059E03

Symbols (Terminal No.) ILL+ (M13-1) - GND1 (M13-3) GND1 (M13-3) - Body ground TX1+ (M13-4) - GND1 (M13-3) TX1- (M13-5) - GND1 (M13-3) TC (M13-7) - GND1 (M133) IG (M13-10) - GND1 (M13-3) ACC (M13-11) - GND1 (M13-3) B1 (M13-12) - GND1 (M13-3) ILL- (M13-2) - GND1 (M13-3) DR (M13-17) - GND1 (M13-3)

Wiring Color G - BR

Terminal Description Illumination (rheostat) signal Ground AVC-LAN communication signal AVC-LAN communication signal Diagnosis ON signal

Condition Power switch OFF Power switch ON (IG) Always Power switch ON (IG) Power switch ON (IG) Power switch OFF Power switch ON (IG)

Specified Condition Below 1 V 10 to 14 V Below 1 2 to 3 V 2 to 3 V Below 1 V 10 to 14 V Below 1 V 10 to 14 V Below 1 V 10 to 14 V 10 to 14 V Below 1 V 10 to 14 V Below 1 V 10 to 14 V 2 to 3 V 2 to 3 V -

BR - Body ground B - BR W - BR P - BR

AV

B - BR

Power switch IG

Power switch OFF Power switch ON (IG)

GR - BR

Power switch ACC

Power switch OFF Power switch ON (IG)

Y - BR W-B - BR

Battery Illumination (rheostat) signal Dimmer signal

Always Power switch OFF Power switch ON (IG) Light control switch OFF Light control switch TAIL or HEAD

B - BR

TX2+ (M13-18) - GND1 (M13-3) TX2- (M13-19) - GND1 (M13-3) SPD (M13-25) - GND1 (M13-3)

P - BR W - BR V - BR

AVC-LAN communication signal AVC-LAN communication signal Speed signal from combination meter

Power switch ON (IG) Power switch ON (IG) See "vehicle signal check mode"

AV34

AUDIO / VISUAL AUDIO AND VISUAL SYSTEM

2.

CHECK MULTI-DISPLAY (for 4 Connector Type)

M16

M15

M14

M13

E123948E04

Symbols (Terminal No.) ILL+ (M13-12) - GND (M13-1)

Wiring Color G - BR

Terminal Description Illumination (rheostat) signal Ground AVC-LAN communication signal AVC-LAN communication signal Diagnosis ON signal

Condition Power switch OFF Power switch ON (IG) Always Power switch ON (IG) Power switch ON (IG) Power switch OFF Power switch ON (IG)

Specified Condition Below 1 V 10 to 14 V Below 1 2 to 3 V 2 to 3 V Below 1 V 10 to 14 V Below 1 V 10 to 14 V Below 1 V 10 to 14 V 10 to 14 V Below 1 V 10 to 14 V Below 1 V 10 to 14 V 2 to 3 V 2 to 3 V 5V

AV

GND (M13-1) - Body ground TX1+ (M13-4) - GND (M13-1) TX1- (M13-5) - GND (M13-1) TC (M13-7) - GND (M131) IG (M13-10) - GND (M131)

BR - Body ground B - BR W - BR P - BR

B - BR

Power switch IG

Power switch OFF Power switch ON (IG)

ACC (M13-2) - GND (M13- GR - BR 1) +B1 (M13-3) - GND (M131) ILL- (M13-11) - GND (M13-1) DR (M13-17) - GND (M131) Y - BR W-B - BR

Power switch ACC

Power switch OFF Power switch ON (IG)

Battery Illumination (rheostat) signal Dimmer signal

Always Power switch OFF Power switch ON (IG) Light control switch OFF Light control switch TAIL or HEAD

B - BR

TX2+ (M13-18) - GND (M13-1) TX2- (M13-19) - GND (M13-1) SPD (M13-20) - GND (M13-1) MIN+ (M14-2) - Body ground MIN- (M14-3) - Body ground MACC (M14-4) - Body ground

P - BR W - BR V - BR G - Body ground R - Body ground BR - Body ground

AVC-LAN communication signal AVC-LAN communication signal Speed signal from combination meter Microphone voice signal Microphone voice signal Microphone amplifier power supply

Power switch ON (IG) Power switch ON (IG) See "vehicle signal check mode" See "Microphone & Voice Recognition Check" mode See "Microphone & Voice Recognition Check" mode Power switch ON (IG)

AUDIO / VISUAL AUDIO AND VISUAL SYSTEM

AV35

3.

CHECK RADIO RECEIVER (for 6 Speaker System)


R5

R3

R4

E110945E03

Symbols (Terminal No.) RR+ (R4-1) - GND (R3-7) RL+ (R4-2) - GND (R3-7) RR- (R4-3) - GND (R3-7) RL- (R4-6) - GND (R3-7) FR+ (R3-1) - GND (R3-7) FL+ (R3-2) - GND (R3-7) ACC (R3-3) - GND (R3-7) +B (R3-4) - GND (R3-7) FR- (R3-5) - GND (R3-7) FL- (R3-6) - GND (R3-7) GND (R3-7) - Body ground ANT+ (R3-8) - GND (R37)

Wiring Color R - BR B - BR W - BR Y - BR LG - BR P - BR GR - BR SB - BR L - BR V - BR BR - Body ground O - BR

Terminal Description Sound signal (Rear Right) Sound signal (Rear Left) Sound signal (Rear Right) Sound signal (Rear Left) Sound signal (Front Right) Sound signal (Front Left) Accessory (ON) Battery Sound signal (Front Right) Sound signal (Front Left) Ground Power source of antenna

Condition Audio system is sounding Audio system is sounding Audio system is sounding Audio system is sounding Audio system is sounding Audio system is sounding Turn power switch OFF Turn power switch ON (ACC) Always Audio system is sounding Audio system is sounding Always Radio switch ON Turn light control switch OFF

Specified Condition Below 1 V 10 to 14 V 10 to 14 V Below 1 10 to 14 V Below 1 V

AV

ILL+ (R3-10) - GND (R3-7)

G - BR

Illumination signal

Turn light control switch TAIL or HEAD (Light intensity is max.) Turn power switch ON (ACC) Turn power switch ON (ACC) Always Steering pad switch not operated SEEK+ switch pushed

10 to 14 V

TX1+ (R5-9) - GND (R3-7) TX1- (R5-10) - GND (R37) SWG (R5-6) - GND (R3-7)

P - BR W - BR R - BR

AVC-LAN communication signal AVC-LAN communication signal Steering pad switch ground

2 to 3 V 2 to 3 V Below 1 4 V or more Approx. 0.5 V Approx. 0.9 V Approx. 2.0 V Approx. 3.4 V 4 V or more Below 2.5 V Below 1 V

SW1 (R5-7) - GND (R3-7)

B - BR

Steering pad switch signal

SEEK- switch pushed VOL+ switch pushed VOL- switch pushed

SW2 (R5-8) - GND (R3-7)

W - BR

Steering pad switch signal

Steering pad switch not operated MODE switch pushed Turn light control switch OFF

ILL- (R4-5) - GND (R3-7)

W-B - BR

Illumination signal

Turn light control switch TAIL or HEAD (Light intensity is max.)

10 to 14 V

AV36

AUDIO / VISUAL AUDIO AND VISUAL SYSTEM

4.

CHECK RADIO RECEIVER (for 9 Speaker System)

R6

R5

I040207E02

Symbols (Terminal No.) +B (R6-1) - GND (R6-20)

Wiring Color SB - BR

Terminal Description Battery

Condition Always Turn light control switch OFF

Specified Condition 10 to 14 V Below 1 V

ILL+ (R6-2) - GND (R6-20) G - BR

Illumination signal

Turn light control switch TAIL or HEAD (Light intensity is max.) Audio system is sounding

10 to 14 V Above 3.5 V Below 1 V Below 1 Below 1 V 10 to 14 V 10 to 14 V Below 1 2 to 3 V 2 to 3 V Below 1 4 V or more Approx. 0.5 V Approx. 0.9 V Approx. 2.0 V Approx. 3.4 V Below 1 V

MUTE (R6-7) - GND (R620)

W - BR R - BR W - BR Shielded - Body ground

MUTE signal Sound signal (Right) Sound signal (Left) Shield ground

Audio system is changing mode Audio system is sounding Audio system is sounding Always Turn power switch OFF

AV

R+ (R6-8) - GND (R6-20) L+ (R6-9) - GND (R6-20) SLD (R6-10) - Body ground ACC (R6-11) - GND (R620) ANT+ (R6-13) - GND (R620) R- (R6-18) - GND (R6-20) L- (R6-19) - GND (R6-20) GND (R6-20) - Body ground TX+ (R6-5) - GND (R6-20) TX- (R6-15) - GND (R620) SWG (R5-6) - GND (R620)

GR - BR

Accessory

Turn power switch ON (ACC) Radio switch ON Audio system is sounding Audio system is sounding Always Turn power switch ON (ACC) Turn power switch ON (ACC) Always Steering pad switch not operated

O - BR G - BR B - BR BR - Body ground P - BR O - BR R - BR

Power source of antenna Sound signal (Right) Sound signal (Left) Ground AVC-LAN communication signal AVC-LAN communication signal Steering pad switch ground

SW1 (R5-7) - GND (R620)

SEEK+ switch pushed B - BR Steering pad switch signal SEEK- switch pushed VOL+ switch pushed VOL- switch pushed Turn light control switch OFF W-B - BR Illumination signal Turn light control switch TAIL or HEAD (Light intensity is max.) Steering pad switch not operated MODE switch pushed

ILL- (R6-12) - GND (R620)

10 to 14 V

SW2 (R5-8) - GND (R620)

W - BR

Steering pad switch signal

4 V or more Below 2.5 V

AUDIO / VISUAL AUDIO AND VISUAL SYSTEM


Symbols (Terminal No.) TX+ (R5-9) - GND (R6-20) TX- (R5-10) - GND (R620) ARI (R5-15) - GND (R620) ASGN (R5-16) - GND (R620) ALI (R5-17) - GND (R620) AUXI (R5-19) - GND (R620) Wiring Color P - BR W - BR G - BR Shielded - Body ground R - BR Terminal Description AVC-LAN communication signal AVC-LAN communication signal Sound signal (Right) Shield ground Sound signal (Left) External device connection detection signal Condition Turn power switch ON (ACC) Turn power switch ON (ACC) External device is playing (When stereo jack is used) Always External device is playing (When stereo jack is used) External device is connection

AV37
Specified Condition 2 to 3 V 2 to 3 V A waveform synchronized with sounds is output Below 1 A waveform synchronized with sounds is output Below 1

W - BR

5.

CHECK STEREO COMPONENT AMPLIFIER (for 9 Speaker System)

S29

S14

S15

AV
E107188E02

Symbols (Terminal No.) +B (S14-1) - GND (S29-6) CTR+ (S29-4) - GND (S29-6) RL+ (S14-3) - GND (S296) RR+ (S14-10) - GND (S29-6) FL+ (S14-8) - GND (S296) FR+ (S14-2) - GND (S296) WFL+ (S29-2) - GND (S29-6) WFR+ (S29-9) - GND (S29-6) +B2 (S14-5) - GND (S296) CTR- (S29-10) - GND (S29-6) RL- (S14-9) - GND (S296) RR- (S14-4) - GND (S296) GND2 (S29-7) - Body ground GND (S29-6) - Body ground SPD (S15-11) - GND (S29-6)

Wiring Color SB - W-B R - W-B B - W-B R - W-B P - W-B LG - W-B P - W-B LG - W-B SB - W-B W - W-B Y - W-B W - W-B W-B - Body ground W-B - Body ground V - W-B

Terminal Description Battery Sound Signal (Center) Sound Signal (Left) Sound signal (Right) Sound signal (Left) Sound signal (Right) Sound signal (Left) Sound signal (Right) Battery Sound signal (Center) Sound signal (Left) Sound signal (Right) Ground Ground Speed signal from combination meter

Condition Always Audio system playing Audio system is playing Audio system is playing Audio system is playing Audio system is playing Audio system is playing Audio system is playing Always Audio system is playing Audio system is playing Audio system is playing Always Always See "vehicle signal check mode"

Specified Condition 10 to 14 V A waveform synchronized with sounds is output A waveform synchronized with sounds is output A waveform synchronized with sounds is output A waveform synchronized with sounds is output A waveform synchronized with sounds is output A waveform synchronized with sounds is output A waveform synchronized with sounds is output 10 to 14 V A waveform synchronized with sounds is output A waveform synchronized with sounds is output A waveform synchronized with sounds is output Below 1 Below 1 -

AV38
Symbols (Terminal No.)

AUDIO / VISUAL AUDIO AND VISUAL SYSTEM


Wiring Color Terminal Description Sound signal (Left) Sound signal (Right) Sound signal (Left) Sound signal (Right) Condition Audio system is playing Audio system is playing Audio system is playing Audio system is playing Audio system is playing W - W-B Mute signal Audio system is changing mode Audio system is playing Audio system is playing Audio system is playing Audio system is playing Power switch ON (IG) Power switch ON (IG) Power switch OFF Power switch ON (ACC) Specified Condition A waveform synchronized with sounds is output A waveform synchronized with sounds is output A waveform synchronized with sounds is output A waveform synchronized with sounds is output Above 3.5 V Below 1 V A waveform synchronized with sounds is output A waveform synchronized with sounds is output A waveform synchronized with sounds is output A waveform synchronized with sounds is output 2 to 3 V 2 to 3 V Below 1 V 10 to 14 V

FL- (S14-7) - GND (S29-6) V - W-B FR- (S14-6) - GND (S296) L - W-B

WFL- (S29-1) - GND (S29V - W-B 6) WFR- (S29-3) - GND (S29-6) MUTE (S15-1) - GND (S29-6) L- (S15-2) - GND (S29-6) L+ (S15-3) - GND (S29-6) R- (S15-4) - GND (S29-6) R+ (S15-5) - GND (S29-6) TX- (S15-7) - GND (S296) L - W-B

B - W-B W - W-B G - W-B R - W-B O - W-B P - W-B GR - W-B

Sound signal (Left) Sound signal (Left) Sound signal (Right) Sound signal (Right) AVC-LAN communication signal AVC-LAN communication signal Power switch ACC

AV

TX+ (S15-8) - GND (S296) ACC (S15-12) - GND (S29-6)

6.

CHECK NETWORK GATEWAY ECU


G1

E072244E06

Symbols (Terminal No.) GND (G1-24) - Body ground BATT (G1-10) - Body ground IG (G1-1) - Body ground ACC (G1-2) - Body ground GTX+ (G1-6) - Body ground GTX- (G1-21) - Body ground

Wiring Color W-B - Body ground Y - Body ground B - Body ground P - Body ground B - Body ground W - Body ground

Terminal Description Ground Battery power supply Ignition power supply ACC power supply AVC-LAN communication signal AVC-LAN communication signal

Condition Always Always Power switch ON (IG) Power switch ON (IG) Power switch ON (ACC) Power switch ON (ACC)

Specified Condition Below 1 10 to 14 V 10 to 14 V 10 to 14 V 2 to 3 V 2 to 3 V

AUDIO / VISUAL AUDIO AND VISUAL SYSTEM

AV39

DTC CHECK / CLEAR


1. START DIAGNOSTIC MODE HINT: The illustrations may differ depending on the device settings (options, etc.). Therefore, some detailed areas may not be exactly the same as on the actual vehicle. After the power switch is turned ON (ACC), check that the map is displayed before starting the diagnostic mode. Otherwise, some items cannot be checked. (a) There are 2 methods to start diagnostic mode. Start the mode by using one of them. (b) Method 1 (1) Start the hybrid system. (2) While pressing and holding the "INFO" switch, operate the light control switch OFF TAIL OFF TAIL OFF TAIL OFF. (3) The diagnostic mode starts and the "Service Check" screen will be displayed. The service inspection starts automatically and the result will be displayed.
E107189

AV

I102032

2.

(c) Method 2 (1) Start the hybrid system. (2) Press the "Display" switch. (3) On the display adjustment screen, touch the corners of the screen in the following order: upper left lower left upper left lower left upper left lower left. (4) The diagnostic mode starts and the "Service Check" screen will be displayed. The service inspection starts automatically and the result will be displayed. (d) Diagnosis MENU Press the menu switch on the service check screen. The diagnostic window will be displayed. FINISH DIAGNOSTIC MODE (a) Use one of the following 2 methods to finish the diagnostic mode. (1) Turn the power switch OFF. (2) Press the "Display" switch for 3 seconds.

AV40

AUDIO / VISUAL AUDIO AND VISUAL SYSTEM

3.

SYSTEM CHECK MODE (DTC CHECK) HINT: The illustrations may differ depending on the device settings (options, etc.). Therefore, some detailed areas may not be exactly the same as on the actual vehicle. (a) Start the diagnostic mode.

* *: If this switch is gray, the Bluetooth TEL Check inspection cannot be performed.
E130106E01

AV

(b) Read the service check result. If all the devices report as "EXCH", "CHEK" or "Old", touch the display to check the contents in the "Unit Check Mode" screen and write them into the customer problem analysis check sheet.

Diagnostic Code Logical Address


E111052E02

AUDIO / VISUAL AUDIO AND VISUAL SYSTEM


Example

AV41

Diagnostic Code Logical Address

HINT: If all the check results are "OK", go to the communication DTC check. If a device name is not known, its physical address is displayed. If "EXCH", "CHEK" and "Old" as well as "OK" are shown, press the service switch to return to the "System Check Mode". Then, check the "Unit Check Mode" screen and fill them in on the customer problem analysis check sheet.

I038207E08

Example

(c) Read the communication diagnostic check result. (1) Return to the "System Check Mode", and press "LAN Mon" switch to enter the LAN monitor window.

AV

E111053E01

AV42

AUDIO / VISUAL AUDIO AND VISUAL SYSTEM

4.
Diagnostic Code Logical Address
E126493E01

Sub-code

(2) If the result is "CHEK" or "Old", touch this display to check the contents on the "Unit Check Mode" screen and write them into the customer problem analysis check sheet. HINT: If all check results are "No Err", the system judges that no DTC exists. The sub-code (relevant device) will be indicated by its physical address. If a check result is "CHEK", press the "Service" switch to return to the "LAN Monitor" screen. Then, check the individual communication diagnostic screen for the next device and fill out the result on the customer problem analysis check sheet. SERVICE CHECK MODE (DTC CLEAR/RECHECK) HINT: The illustrations may differ from the actual vehicle depending on the device settings and options.

AV

(a) Clear DTC (1) Press the "Code CLR" switch for 3 seconds.

E111072E01

(2) Check result is cleared. (b) Recheck (1) Press the "Recheck" switch.

E111073E02

(2) Confirm that all diagnostic codes are "OK" when the check results are displayed. If a code other than "OK" is displayed, troubleshoot again.

E111074E01

AUDIO / VISUAL AUDIO AND VISUAL SYSTEM

AV43

(3) Press "LAN Mon" to switch to "LAN Monitor" mode.

E111075E01

(4) Confirm that all diagnostic codes are "No Err". If a code other than "No Err" is displayed, troubleshoot again.

E111076E01

AV

AV44

AUDIO / VISUAL AUDIO AND VISUAL SYSTEM

DIAGNOSTIC TROUBLE CODE CHART


Communication diagnosis
DTC No. 01-21 01-22 01-D5 Detection Item ROM Error RAM Error Absence of Registration Unit Trouble Area Multi-display Multi-display 1. Power source circuit of component shown by sub-code 2. AVC-LAN circuit between multidisplay and component shown by sub-code 3. Component shown by subcode 1. Multi-display power source circuit 2. Power source circuit of component which has stored this code 3. AVC-LAN circuit between multidisplay and component which has stored this code 4. Component which has stored this code 5. Multi-display 1. Multi-display power source circuit 2. Power source circuit of component which has stored this code 3. AVC-LAN circuit between multidisplay and component which has stored this code 4. Component which has stored this code 5. Multi-display 1. Power source circuit of component shown by sub-code 2. AVC-LAN circuit between multidisplay and component shown by sub-code 3. Component shown by subcode 1. Power source circuit of component shown by sub-code 2. AVC-LAN circuit between multidisplay and component shown by sub-code 3. Component shown by subcode 1. Power source circuit of component shown by sub-code 2. AVC-LAN circuit between multidisplay and component shown by sub-code 3. Component shown by subcode 1. Power source circuit of component shown by sub-code 2. AVC-LAN circuit between multidisplay and component shown by sub-code 3. Component shown by subcode See page AV-46 AV-46 AV-47

01-D6

No Master

AV-49

01-D7

Connection Check Error

AV-49

AV

01-D8

No Response for Connection Check

AV-47

01-D9

Last Mode Error

AV-47

01-DA

No Response Against ON / OFF Command

AV-47

01-DB

Mode Status Error

AV-47

AUDIO / VISUAL AUDIO AND VISUAL SYSTEM


DTC No. 01-DC Detection Item Transmission Error Trouble Area If same sub-code is recorded in other components, check harness for power supply and communication system of all components shown by sub-code 1. Multi-display power source circuit 2. AVC-LAN circuit between multidisplay and component which has stored this code 3. Multi-display 4. Component which has stored this code 1. Power source circuit of component shown by sub-code 2. AVC-LAN circuit between multidisplay and component shown by sub-code 3. Component shown by subcode 1. Multi-display power source circuit 2. AVC-LAN circuit between multidisplay and component which has stored this code 3. Multi-display 4. Component which has stored this code 1. Multi-display power source circuit 2. AVC-LAN circuit between multidisplay and component which has stored this code 3. Multi-display 4. Component which has stored this code Multi-display See page AV-53

AV45

01-DD

Master Reset

AV-56

01-DE

Slave Reset

AV-47

01-DF

Master Error

AV-60

AV
AV-64 AV-56

01-E0 01-E1

Registration Complete Indication Error Voice Processing Device ON Error

01-E2 01-E3 01-E4

ON / OFF Indication Parameter Error Registration Demand Transmission Multiple Frame Incomplete

AV-65 AV-64 AV-64

Bluetooth
DTC No. 57-47 Detection Item Bluetooth Module Initialization Failed Trouble Area See page AV-66

Radio unit
DTC No. 60-10 60-11 60-42 60-43 60-44 60-50 Detection Item AM Tuner PLL does not Lock Error FM Tuner PLL does not Lock Error Tuner Power Source Error AM Tuner Error FM Tuner Error Malfunction in Internal IC Trouble Area Radio receiver Radio receiver Radio receiver Radio receiver Radio receiver Radio receiver See page AV-67 AV-67 AV-68 AV-68 AV-68 AV-68

AV46 CD player
DTC No. 62-10 62-11 62-12 62-40 62-41 62-42 62-43

AUDIO / VISUAL AUDIO AND VISUAL SYSTEM

Detection Item CD Player Mechanical Error CD Insertion and Eject Error CD Reading Abnormal No Disc Wrong Disc Disc cannot be Read CD-ROM Abnormal

Trouble Area Radio receiver Radio receiver Radio receiver 1. CD 2. Radio receiver 1. CD 2. Radio receiver 1. CD 2. Radio receiver 1. CD 2. Radio receiver 1. CD 2. Radio receiver Radio receiver Radio receiver 1. CD 2. Radio receiver Radio receiver Radio receiver Radio receiver Radio receiver Radio receiver Radio receiver 1. CD 2. Radio receiver 1. CD 2. Radio receiver 1. CD 2. Radio receiver

See page AV-69 AV-69 AV-69 AV-70 AV-71 AV-71 AV-73

62-44 62-45 62-46 62-47 62-48 62-50

CD Abnormal Eject Error Scratched / Reversed Disc High Temperature Excess Current Tray Insertion / Ejection Error Elevator Error Clamp Error DSP Error Disc cannot be Played No Playable Files Copyright Protection Error

AV-75 AV-76 AV-77 AV-79 AV-75 AV-75 AV-76 AV-76 AV-80 AV-81 AV-81 AV-81

AV

62-51 62-52 62-78 62-7D 62-7E 62-7F

In-dash CD changer
DTC No. 63-10 63-11 63-12 63-40 63-41 63-42 63-43 63-44 63-45 63-46 63-47 63-48 63-50 63-51 63-52 63-78 Detection Item CD Changer Mechanical Error CD Insertion and Eject Error CD Reading Abnormal No Disc Wrong Disc Disc cannot be Read CD-ROM Abnormal CD Abnormal Eject Error Scratched / Reversed Disc High Temperature Excess Current Tray Insertion / Ejection Error Elevator Error Clamp Error DSP Error Trouble Area Radio receiver Radio receiver Radio receiver 1. CD 2. Radio receiver 1. CD 2. Radio receiver 1. CD 2. Radio receiver 1. CD 2. Radio receiver Radio receiver Radio receiver 1. CD 2. Radio receiver Radio receiver Radio receiver Radio receiver Radio receiver Radio receiver Radio receiver See page AV-69 AV-69 AV-69 AV-70 AV-71 AV-71 AV-73 AV-75 AV-76 AV-77 AV-79 AV-75 AV-75 AV-76 AV-76 AV-80

AUDIO / VISUAL AUDIO AND VISUAL SYSTEM


DTC No. 63-7D 63-7E 63-7F Detection Item Disc cannot be Played No Playable Files Copyright Protection Error Trouble Area 1. CD 2. Radio receiver 1. CD 2. Radio receiver 1. CD 2. Radio receiver See page AV-81 AV-81 AV-81

AV47

Speaker
DTC No. 74-40 Detection Item Short in Speaker Circuit Trouble Area 1. Wire harness 2. Speaker 3. Stereo component amplifier See page AV-82

AV

AV48

AUDIO / VISUAL AUDIO AND VISUAL SYSTEM

DTC DTC
DESCRIPTION
DTC No. 01-21 01-22

01-21 01-22

ROM Error RAM Error


Trouble Area Multi-display

DTC Detection Condition A malfunction exists in ROM. A malfunction exists in RAM.

INSPECTION PROCEDURE
HINT: After the inspection is completed, clear the DTCs.

1
NEXT

REPLACE MULTI-DISPLAY

AV

END

AUDIO / VISUAL AUDIO AND VISUAL SYSTEM

AV49

DTC DTC DTC DTC DTC DTC


DESCRIPTION
DTC No. 01-D5 *1, *3

01-D5 01-D8 01-D9 01-DA 01-DB 01-DE

Absence of Registration Unit No Response for Connection Check Last Mode Error No Response Against ON / OFF Command Mode Status Error Slave Reset
Trouble Area Power source circuit of component shown by subcode AVC-LAN circuit between multi-display and component shown by sub-code Component shown by sub-code

DTC Detection Condition Device that the sub-code shows is (was) disconnected from system when turning power switch ON (ACC or IG). Communication condition with the device that the code shows cannot be obtained when the hybrid system starts. The device indicated by sub-code is (was) disconnected from the system after the hybrid system starts. Device that had functioned before engine stopped is (was) disconnected from system when the power switch is (was) ON (ACC or IG). No response is identified when changing mode. Sound and image do not change by switch operation. Dual alarm is detected. Slave device has been disconnected after the hybrid system starts.

AV

01-D8 *2, *3 01-D9 *1, *3 01-DA *3 01-DB *1, *3 01-DE *3

HINT: *1: Even if no fault is present, this trouble code may be stored depending on the battery condition or hybrid system start voltage. *2: If the power connector is disconnected after the hybrid system starts, this code is stored after 180 seconds. *3: If the device is reported as not existing during verification, check the power source circuit and AVCLAN circuit for the device. NOTICE: Before starting troubleshooting, be sure to clear DTCs to erase codes stored due to the reasons described in the HINT above. Then, check for DTCs and troubleshoot according to the output DTCs. The multi-display is the master unit. Be sure to clear and recheck DTCs after the inspection is completed to confirm that no DTCs are output.

INSPECTION PROCEDURE
NOTICE: Be sure to read DESCRIPTION before performing the following procedures.

AV50

AUDIO / VISUAL AUDIO AND VISUAL SYSTEM

CHECK "MULTI-DISPLAY COMMUNICATION ERROR" IN FLOWCHART (a) Refer to the multi-display communication error (see page AV-167).

NEXT END

AV

AUDIO / VISUAL AUDIO AND VISUAL SYSTEM

AV51

DTC DTC
DESCRIPTION
DTC No. 01-D6 *1

01-D6 01-D7

No Master Connection Check Error


Trouble Area Multi-display power source circuit Power source circuit of component which has stored this code AVC-LAN circuit between multi-display and component which has stored this code Component which has stored this code Multi-display

DTC Detection Condition When either of following conditions is met: Device that stores (stored) code has (had) been disconnected when power switch is ON (ACC or IG) Master device has (had) been disconnected when this code is stored When either of following conditions is met: Device that stored code has (had) been disconnected after hybrid system starts (started) Master device has (had) been disconnected when this code is (was) stored

01-D7 *2

HINT: *1: Even if no fault is present, this trouble code may be stored depending on the battery condition or hybrid system start voltage. *2: When 210 seconds have elapsed after disconnecting the power supply connector of the master component with the power switch ON (ACC or IG), this code is stored. NOTICE: Before starting troubleshooting, be sure to clear DTCs to erase codes stored due to the reasons described in the HINT above. Then, check for DTCs and troubleshoot according to the output DTCs. The multi-display is the master unit. Be sure to clear and recheck DTCs after the inspection is completed to confirm that no DTCs are output.

AV

INSPECTION PROCEDURE
NOTICE: Be sure to read DESCRIPTION before performing the following procedures.

CHECK MULTI-DISPLAY POWER SOURCE CIRCUIT (a) Refer to the multi-display power source circuit (see page AV-175). If the power source circuit is operating normally, proceed to the next step.

NEXT

AV52

AUDIO / VISUAL AUDIO AND VISUAL SYSTEM

IDENTIFY COMPONENT WHICH HAS STORED THIS CODE (a) Enter the diagnostic mode. (b) Press the "LAN Mon" switch to change to "LAN Monitor" mode. (c) Identify the component which has stored this code. Component table:
Display G/W DSP-AMP AUDIO H/U Component Gateway ECU Stereo component amplifier Radio receiver

Example

HINT: "G/W" is the component which has stored this code in the example shown in the illustration.

AV
Component which has stored this code

DTC Component shown by sub-code


E107226E01

NEXT

CHECK POWER SOURCE CIRCUIT OF COMPONENT WHICH HAS STORED THIS CODE (a) Inspect the power source circuit of the component which has stored this code. If the power source circuit is operating normally, proceed to the next step.

Component table:
Component Gateway ECU (G//W) Stereo component amplifier (DSP-AMP) Radio receiver (AUDIO H/U) Proceed to Gateway ECU power source circuit (see page AV-177) Stereo component amplifier power source circuit (see page AV-173) Radio receive power source circuit (see page AV-171)

NEXT

AUDIO / VISUAL AUDIO AND VISUAL SYSTEM

AV53

INSPECT RADIO RECEIVER (a) for 9 Speaker System: Disconnect the R5 and R6 receiver connectors. (b) for 6 Speaker System: Disconnect the R5 receiver connector. (c) Measure the resistance of the receiver. Standard resistance
Tester Connection R5-9 (TX1+) - R5-10 (TX1-)*1 R5-9 (TX+) - R5-10 (TX-)*2 R6-5 (TX+) - R6-15 (TX-)*2 Specified Condition 60 to 80 60 to 80 60 to 80

for 9 Speaker System Radio Receiver TX+ R5

TXRadio Receiver R6

HINT: *1: for 6 speaker system *2: for 9 speaker system NG REPLACE RADIO RECEIVER

AV
TX+ TXfor 6 Speaker System TX1+ R5 Radio Receiver

TX1E107228E01

OK

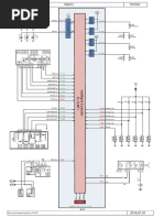
CHECK WIRE HARNESS (MULTI-DISPLAY - COMPONENT WHICH HAS STORED THIS CODE) HINT: For details of the connectors, refer to the "TERMINALS OF ECU" (see page AV-31). (a) Referring to the AVC-LAN wiring diagram below, check the AVC-LAN circuit between the multi-display and the component which has stored this code. (1) Disconnect all connectors between the multi-display and the component which has stored this code. (2) Check for an open or short in the AVC-LAN circuit between the multi-display and the component which has stored this code.

AV54

AUDIO / VISUAL AUDIO AND VISUAL SYSTEM

OK: There is no open or short circuit.


AVC-LAN Wiring Diagram

Gateway ECU

Multi-display

Radio Receiver

GTX+ Slave Unit GTX-

TX1+

TX2+

TX1+*1 TX+*2 TX1-*1 TX-*2

Master Unit TX1TX2-

Slave Unit

AV

Stereo Component Amplifier*2

TX+*2 *1: for 6 Speaker System *2: for 9 Speaker System Slave Unit TX-*2

*2

TX+*2

*2

TX-*2

E126611E01

NG OK

REPAIR OR REPLACE HARNESS AND CONNECTOR

REPLACE COMPONENT WHICH HAS STORED THIS CODE (a) Replace the component which has stored this code with a normal one and check if the same problem occurs again. OK: Same problem does not occur. NG REPLACE MULTI-DISPLAY

OK END

AUDIO / VISUAL AUDIO AND VISUAL SYSTEM

AV55

DTC
DESCRIPTION
DTC No. 01-DC

01-DC

Transmission Error
Trouble Area If same sub-code is recorded in other components, check harness for power supply and communication system of all components shown by code

DTC Detection Condition Transmission to component shown by sub-code is failed (Detecting this DTC does not always mean actual failure)

NOTICE: The multi-display is the master unit. Be sure to clear and recheck DTCs after the inspection is completed to confirm that no DTCs are output.

INSPECTION PROCEDURE
NOTICE: Be sure to read DESCRIPTION before performing the following procedures.

CHECK FOR DTC OF OTHER COMPONENTS (a) Check if the component shown by the sub-code is displayed in the check result of the other components. (1) Check if "01-DC" is output for the other components. (2) If "01-DC" is output for any other components, check if the same physical address is displayed. Result
Result "01-DC" is output and same physical address is displayed "01-DC" is not output or same physical address is not displayed Proceed to A B

AV

HINT: For the list of the components shown by sub-codes, refer to the table in the step below. B A Go to step 4

AV56

AUDIO / VISUAL AUDIO AND VISUAL SYSTEM

IDENTIFY COMPONENT WHICH HAS STORED THIS CODE (a) Enter the diagnostic mode. (b) Press the "LAN Mon" switch to change to "LAN Monitor" mode. (c) Identify the component which has stored this code. Component table:
Display G/W DSP-AMP EMV AUDIO H/U Component Gateway ECU Stereo component amplifier Multi-display Radio receiver

Example

HINT: "G/W" is the component which has stored this code in the example shown in the illustration.

AV
Component which has stored this code

DTC Component shown by sub-code


E107226E01

NEXT

CHECK COMPONENT WHICH HAS STORED THIS CODE (a) Select the component which has stored this code.

Component table:
Component Gateway ECU (G/W) Stereo component amplifier (DSP-AMP) Multi-display (EMV) Radio receiver (AUDIO H/U) Proceed to Gateway ECU communication error (see page AV-155) Stereo component amplifier communication error (see page AV-163) Multi-display communication error (see page AV-167) Radio receiver communication error (see page AV-159)

NEXT END

AUDIO / VISUAL AUDIO AND VISUAL SYSTEM

AV57

CLEAR DTC (a) Clear the DTCs (see page AV-37). HINT: If "01-DC" is output for only one component, this may not indicate a malfunction.

NEXT

RECHECK DTC (a) Recheck for DTCs and check if the same trouble code occurs again. OK: Malfunction disappears. NG Go to step 3

OK END

AV

AV58

AUDIO / VISUAL AUDIO AND VISUAL SYSTEM

DTC DTC
DESCRIPTION
DTC No. 01-DD 01-E1 *

01-DD 01-E1

Master Reset Voice Processing Device ON Error


Trouble Area Multi-display power source circuit AVC-LAN circuit between multi-display and component which has stored this code Multi-display Component which has stored this code

DTC Detection Condition Device that should be master has been disconnected after hybrid system start AMP device records that AMP output does not function even while source device operates

AV

HINT: *: Even if no fault is present, this trouble code may be stored depending on the battery condition or hybrid system start voltage. NOTICE: Before starting troubleshooting, be sure to clear DTCs to erase codes stored due to the reasons described in the HINT above. Then, check for DTCs and troubleshoot according to the output DTCs. The multi-display is the master unit. Be sure to clear and recheck DTCs after the inspection is completed to confirm that no DTCs are output.

INSPECTION PROCEDURE
NOTICE: Be sure to read DESCRIPTION before performing the following procedures.

CHECK MULTI-DISPLAY POWER SOURCE CIRCUIT (a) Refer to the multi-display power source circuit (see page AV-175). If the power source circuit is operating normally, proceed to the next step.

NEXT

AUDIO / VISUAL AUDIO AND VISUAL SYSTEM

AV59

INSPECT RADIO RECEIVER (a) for 9 Speaker System: Disconnect the R5 and R6 receiver connectors. (b) for 6 Speaker System: Disconnect the R5 receiver connector. (c) Measure the resistance of the receiver. Standard resistance
Tester Connection R5-9 (TX1+) - R5-10 (TX1-)*1 R5-9 (TX+) - R5-10 (TX-)*2 R6-5 (TX+) - R6-15 (TX-)*2 Specified Condition 60 to 80 60 to 80 60 to 80

for 9 Speaker System Radio Receiver TX+ R5

TXRadio Receiver R6

HINT: *1: for 6 speaker system *2: for 9 speaker system NG REPLACE RADIO RECEIVER

AV
TX+ TXfor 6 Speaker System TX1+ R5 Radio Receiver

TX1E107228E01

OK

AV60

AUDIO / VISUAL AUDIO AND VISUAL SYSTEM

IDENTIFY COMPONENT WHICH HAS STORED THIS CODE (a) Enter the diagnostic mode. (b) Press the "LAN Mon" switch to change to "LAN Monitor" Mode. (c) Identify the component which has stored this code. Component table
Display G/W DSP-AMP AUDIO H/U Component Gateway ECU Stereo component amplifier Radio Receiver

Example

HINT: "G/W" is the component which has stored this code in the example shown in the illustration.

AV
Component which has stored this code

DTC Component shown by sub-code


E107226E01

NEXT

CHECK WIRE HARNESS (MULTI-DISPLAY - COMPONENT WHICH HAS STORED THIS CODE) HINT: For details of the connectors, refer to the "TERMINALS OF ECU" (see page AV-31). (a) Referring to the AVC-LAN wiring diagram below, check the AVC-LAN circuit between the multi-display and the component which has stored this code. (1) Disconnect all connectors between the multi-display and the component which has stored this code. (2) Check for an open or short in the AVC-LAN circuit between the multi-display and the component which has stored this code.

AUDIO / VISUAL AUDIO AND VISUAL SYSTEM

AV61

OK: There is no open or short circuit.


AVC-LAN Wiring Diagram

Gateway ECU

Multi-display

Radio Receiver

GTX+ Slave Unit GTX-

TX1+

TX2+

TX1+*1 TX+*2 TX1-*1 TX-*2

Master Unit TX1TX2-

Slave Unit Stereo Component Amplifier*2

AV
*2 TX+*2

TX+*2 *1: for 6 Speaker System *2: for 9 Speaker System Slave Unit TX-*2

*2

TX-*2

E126611E01

NG OK

REPAIR OR REPLACE HARNESS AND CONNECTOR

REPLACE MULTI-DISPLAY (a) Replace the multi-display with a normal one and check if the same problem occurs again. OK: Same problem does not occur. NG REPLACE COMPONENT WHICH HAS STORED THIS CODE

OK END

AV62

AUDIO / VISUAL AUDIO AND VISUAL SYSTEM

DTC
DESCRIPTION
DTC No. 01-DF *

01-DF

Master Error
Trouble Area Multi-display power source circuit AVC-LAN circuit between multi-display and component which has stored this code Multi-display Component which has stored this code

DTC Detection Condition Device with display fails and master is switched to audio device. Also when communication error between sub-master (audio) and master occurs, this code is stored.

HINT: *: When 210 seconds have elapsed after disconnecting the power supply connector of the master component with the power switch ON (ACC or IG), this code is stored. NOTICE: Before starting troubleshooting, be sure to clear DTCs to erase codes stored due to the reasons described in the HINT above. Then, check for DTCs and troubleshoot according to the output DTCs. The multi-display is the master unit. Be sure to clear and recheck DTCs after the inspection is completed to confirm that no DTCs are output.

AV

INSPECTION PROCEDURE
NOTICE: Be sure to read DESCRIPTION before performing the following procedures.

CHECK MULTI-DISPLAY POWER SOURCE CIRCUIT (a) Refer to the multi-display power source circuit (see page AV-175). If the power source circuit is operating normally, proceed to the next step.

NEXT

AUDIO / VISUAL AUDIO AND VISUAL SYSTEM

AV63

INSPECT RADIO RECEIVER (a) for 9 Speaker System: Disconnect the R5 and R6 receiver connectors. (b) for 6 Speaker System: Disconnect the R5 receiver connector. (c) Measure the resistance of the receiver. Standard resistance
Tester Connection R5-9 (TX1+) - R5-10 (TX1-)*1 R5-9 (TX+) - R5-10 (TX-)*2 R6-5 (TX+) - R6-15 (TX-)*2 Specified Condition 60 to 80 60 to 80 60 to 80

for 9 Speaker System Radio Receiver TX+ R5

TXRadio Receiver R6

HINT: *1: for 6 speaker system *2: for 9 speaker system NG REPLACE RADIO RECEIVER

AV
TX+ TXfor 6 Speaker System TX1+ R5 Radio Receiver

TX1E107228E01

OK

AV64

AUDIO / VISUAL AUDIO AND VISUAL SYSTEM

IDENTIFY COMPONENT WHICH HAS STORED THIS CODE (a) Enter the diagnostic mode. (b) Press the "LAN Mon" switch to change to "LAN Monitor" mode. (c) Identify the component which has stored this code. Component table:
Display G/W DSP-AMP AUDIO H/U Component Gateway ECU Stereo component amplifier Radio Receiver

Example

HINT: "G/W" is the component which has stored this code in the example shown in the illustration.

AV
Component which has stored this code

DTC Component shown by sub-code


E107226E01

NEXT

CHECK WIRE HARNESS (MULTI-DISPLAY - COMPONENT WHICH HAS STORED THIS CODE) HINT: For details of the connectors, refer to the "TERMINALS OF ECU" (see page AV-31). (a) Referring to the AVC-LAN wiring diagram below, check the AVC-LAN circuit between the multi-display and the component which has stored this code. (1) Disconnect all connectors between the multi-display and the component which has stored this code. (2) Check for an open or short in the AVC-LAN circuit between the multi-display and the component which has stored this code.

AUDIO / VISUAL AUDIO AND VISUAL SYSTEM

AV65

OK: There is no open or short circuit.


AVC-LAN Wiring Diagram

Gateway ECU

Multi-display

Radio Receiver

GTX+ Slave Unit GTX-

TX1+

TX2+

TX1+*1 TX+*2 TX1-*1 TX-*2

Master Unit TX1TX2-

Slave Unit Stereo Component Amplifier*2

AV
*2 TX+*2

TX+*2 *1: for 6 Speaker System *2: for 9 Speaker System Slave Unit TX-*2

*2

TX-*2

E126611E01

NG OK

REPAIR OR REPLACE HARNESS AND CONNECTOR

REPLACE MULTI-DISPLAY (a) Replace the multi-display with a normal one and check if the same problem occurs again. OK: Same problem does not occur. NG REPLACE COMPONENT WHICH HAS STORED THIS CODE

OK END

AV66

AUDIO / VISUAL AUDIO AND VISUAL SYSTEM

DTC DTC DTC


DESCRIPTION
DTC No. 01-E0 01-E3

01-E0 01-E3 01-E4

Registration Complete Indication Error Registration Demand Transmission Multiple Frame Incomplete
Trouble Area -

DTC Detection Condition "Registration complete" signal from master device cannot be received. Registration demand signal from slave device is output. Or registration demand signal is output by receiving connection confirmation signal from sub-master device. Multiple frame transmission is incomplete.

01-E4

HINT: Even if no fault is present, these trouble codes may be stored depending on the battery condition or hybrid system start voltage.

AV

INSPECTION PROCEDURE
HINT: After the inspection is completed, clear the DTCs. These DTCs do not indicate a malfunction.

AUDIO / VISUAL AUDIO AND VISUAL SYSTEM

AV67

DTC
DESCRIPTION
DTC No. 01-E2

01-E2

ON / OFF Indication Parameter Error


Trouble Area Multi-display

DTC Detection Condition Command for ON / OFF control from master device has problem.

INSPECTION PROCEDURE
HINT: After the inspection is completed, clear the DTCs.

1
NEXT END

REPLACE MULTI-DISPLAY

AV

AV68

AUDIO / VISUAL AUDIO AND VISUAL SYSTEM

DTC
DESCRIPTION
DTC No.

57-47

Bluetooth Module Initialization Failed


DTC Detection Condition Trouble Area

57-47

When one of following conditions is met: Bluetooth module is not installed Problem with Bluetooth module Problem in communication line to Bluetooth module

Multi-display

INSPECTION PROCEDURE
HINT: After the inspection is completed, clear the DTCs.

1
NEXT END

REPLACE MULTI-DISPLAY

AV

AUDIO / VISUAL AUDIO AND VISUAL SYSTEM

AV69

DTC DTC
DESCRIPTION
DTC No. 60-10 60-11

60-10 60-11

AM Tuner PLL does not Lock Error FM Tuner PLL does not Lock Error
Trouble Area Radio receiver

DTC Detection Condition AM tuner PLL (phase locked loop) synchronization is impossible. FM tuner PLL (phase locked loop) synchronization is impossible.

INSPECTION PROCEDURE
HINT: After the inspection is completed, clear the DTCs.

1
NEXT END

REPLACE RADIO RECEIVER

AV

AV70

AUDIO / VISUAL AUDIO AND VISUAL SYSTEM

DTC DTC DTC DTC


DESCRIPTION
DTC No. 60-42 60-43 60-44 60-50

60-42 60-43 60-44 60-50

Tuner Power Source Error AM Tuner Error FM Tuner Error Malfunction in Internal IC
Trouble Area Radio receiver

DTC Detection Condition Power source of tuner is abnormal. AM tuner is abnormal. FM tuner is abnormal. Problem occurs in IC inside tuner unit and radio reception is not normal.

INSPECTION PROCEDURE

AV

HINT: After the inspection is completed, clear the DTCs.

CLEAR DTC (a) Clear the DTCs (see page AV-37).

NEXT

RECHECK DTC (a) Recheck for DTCs and check if the same trouble occurs again. HINT: If DTCs are detected frequently, replace the radio receiver. OK: Malfunction disappears. NG REPLACE RADIO RECEIVER

OK END

AUDIO / VISUAL AUDIO AND VISUAL SYSTEM

AV71

DTC DTC DTC DTC DTC DTC


DESCRIPTION
DTC No. 62-10 62-11 62-12 63-10 63-11 63-12

62-10 62-11 62-12 63-10 63-11 63-12

CD Player Mechanical Error CD Insertion and Eject Error CD Reading Abnormal CD Changer Mechanical Error CD Insertion and Eject Error CD Reading Abnormal
DTC Detection Condition Mechanical error in CD player is detected while CD is not being inserted or ejected. CD insertion or ejection is failed. CD read problem occurs. Mechanical error in CD changer is detected while CD is not being inserted or ejected. CD insertion or ejection is failed. CD read problem occurs. Trouble Area Radio receiver

AV

INSPECTION PROCEDURE
HINT: After the inspection is completed, clear the DTCs.

1
NEXT END

REPLACE RADIO RECEIVER

AV72

AUDIO / VISUAL AUDIO AND VISUAL SYSTEM

DTC DTC
DESCRIPTION
DTC No. 62-40 63-40

62-40 63-40

No Disc No Disc
DTC Detection Condition No disc is inserted. No disc is inserted. Trouble Area Radio receiver

INSPECTION PROCEDURE
HINT: After the inspection is completed, clear the DTCs.

CHECK RADIO RECEIVER (a) Check if a disc is inserted. OK: A disc is inserted.

AV
NG END

OK

REPLACE RADIO RECEIVER

AUDIO / VISUAL AUDIO AND VISUAL SYSTEM

AV73

DTC DTC DTC DTC


DESCRIPTION
DTC No. 62-41 62-42 63-41 63-42

62-41 62-42 63-41 63-42

Wrong Disc Disc cannot be Read Wrong Disc Disc cannot be Read
DTC Detection Condition Unsuitable disc is inserted. The disc cannot be read. Unsuitable disc is inserted. The disc cannot be read. Trouble Area CD Radio receiver

INSPECTION PROCEDURE
HINT: After the inspection is completed, clear the DTCs.

AV

CHECK DISC (a) Check that the disc is not deformed or cracked. OK: No deformation or cracks on the disc. NG CHANGE DISC

I100152

OK

CLEAN DISC (a) If dirt is on the disc surface, wipe it clean with a soft cloth from the inside to the outside in a radial direction. NOTICE: Do not use a conventional record cleaner or antistatic preservative.

I100151

NEXT

AV74

AUDIO / VISUAL AUDIO AND VISUAL SYSTEM

CLEAR DTC (a) Clear the DTCs (see page AV-37).

NEXT

RECHECK DTC (a) Recheck for DTCs and check if the same trouble occurs again. OK: Malfunction disappears. OK END

NG

REPLACE DISC (a) Replace the disc with another and recheck. (1) Replace the disc with a normal one. (2) Clear the DTCs (see page AV-37). (3) Recheck for DTCs and check if the same trouble occurs again. OK: Malfunction disappears. NG REPLACE RADIO RECEIVER

AV

OK END

AUDIO / VISUAL AUDIO AND VISUAL SYSTEM

AV75

DTC DTC
DESCRIPTION
DTC No. 62-43 63-43

62-43 63-43

CD-ROM Abnormal CD-ROM Abnormal


Trouble Area CD Radio receiver

DTC Detection Condition CD-ROM operation is abnormal CD-ROM operation is abnormal

INSPECTION PROCEDURE
HINT: After the inspection is completed, clear the DTCs.

CHECK IF A PROPER CD IS INSERTED (a) Make sure that the CD is an audio CD or a CD with an MP3 or WMA file, and that it is not deformed, flawed, stained, burred, or otherwise defective. OK: Normal CD HINT: Translucent or uniquely-shaped CDs cannot be played. CDs with adhesive paper labels should not be played. Commercial audio CDs can be played. CD-DA files on CD-ROMs, CD-Rs, and CD-RWs can be played. MP3 and WMA files on CD-ROMs, CD-Rs, and CDRWs can be played. For details on playable CDs, refer to the Owner's Manual. NG CD IS FAULTY

AV

OK

REPLACE CD (a) Replace the CD with another and recheck. (1) Replace the CD with a normal one. (2) Clear the DTCs (see page AV-37). (3) Recheck for DTCs and check if the same trouble occurs again. OK: Malfunction disappears. NG REPLACE RADIO RECEIVER

AV76 OK END

AUDIO / VISUAL AUDIO AND VISUAL SYSTEM

AV

AUDIO / VISUAL AUDIO AND VISUAL SYSTEM

AV77

DTC DTC DTC DTC DTC DTC


DESCRIPTION
DTC No. 62-44 62-48 62-50 63-44 63-48 63-50

62-44 62-48 62-50 63-44 63-48 63-50

CD Abnormal Excess Current Tray Insertion / Ejection Error CD Abnormal Excess Current Tray Insertion / Ejection Error
DTC Detection Condition Operation error in CD mechanism Excess current is present in CD player Malfunction in insertion / ejection system Operation error in CD mechanism Excess current is present in CD changer Malfunction in insertion / ejection system Radio receiver Trouble Area

AV

INSPECTION PROCEDURE
HINT: After the inspection is completed, clear the DTCs.

CLEAR DTC (a) Clear the DTC (see page AV-37).

NEXT

RECHECK DTC (a) Recheck DTCs and check if the same trouble occurs again. HINT: If DTCs are detected frequently, replace the radio receiver. OK: Malfunction disappears. NG REPLACE RADIO RECEIVER

OK END

AV78

AUDIO / VISUAL AUDIO AND VISUAL SYSTEM

DTC DTC DTC DTC DTC DTC


DESCRIPTION
DTC No. 62-45 62-51

62-45 62-51 62-52 63-45 63-51 63-52

Eject Error Elevator Error Clamp Error Eject Error Elevator Error Clamp Error
DTC Detection Condition Disc cannot be ejected. Mechanical error occurs during elevator operation. Error occurs in CD player clamp. Magazine cannot be ejected. Mechanical error occurs during elevator operation. Error occurs in CD changer clamp. Radio receiver Trouble Area

AV

62-52 63-45 63-51 63-52

INSPECTION PROCEDURE
HINT: After the inspection is completed, clear the DTCs.

CHECK RADIO RECEIVER (a) Check if a disc can be changed, inserted or ejected normally. OK: Malfunction disappears. NG REPLACE RADIO RECEIVER

OK END

AUDIO / VISUAL AUDIO AND VISUAL SYSTEM

AV79

DTC DTC
DESCRIPTION
DTC No. 62-46 63-46

62-46 63-46

Scratched / Reversed Disc Scratched / Reversed Disc


Trouble Area CD Radio receiver

DTC Detection Condition Scratches or dirt is found on CD surface or CD is inserted upside down. Scratches or dirt is found on CD surface or CD is inserted upside down.

INSPECTION PROCEDURE
HINT: After the inspection is completed, clear the DTCs.

CHECK THAT CD IS INSERTED PROPERLY (a) Check that the CD is not inserted upside down. OK: CD is properly inserted. NG INSERT CD PROPERLY

AV

OK

CHECK DISC (a) Check that the disc is not deformed or cracked. OK: No deformation or cracks on the disc. NG REPLACE DISC

I100152

OK

AV80

AUDIO / VISUAL AUDIO AND VISUAL SYSTEM

CLEAN DISC (a) If dirt is on the disc surface, wipe it clean with a soft cloth from the inside to the outside in a radial direction. NOTICE: Do not use a conventional record cleaner or antistatic preservative.

I100151

NEXT

CLEAR DISC (a) Clear the DTCs (see page AV-37).

AV

NEXT

RECHECK DTC (a) Recheck for DTCs and check if the same trouble occurs again. OK: Malfunction disappears. OK END

NG

REPLACE DISC (a) Replace the disc with another and recheck. (1) Replace the disc with a normal one. (2) Clear the DTCs (see page AV-37). (3) Recheck for DTCs and check if the same trouble occurs again. OK: Malfunction disappears. NG REPLACE RADIO RECEIVER

OK END

AUDIO / VISUAL AUDIO AND VISUAL SYSTEM

AV81

DTC DTC
DESCRIPTION
DTC No. 62-47 63-47

62-47 63-47

High Temperature High Temperature


Trouble Area Radio receiver

DTC Detection Condition Sensor detects that CD unit temperature is high (Over 80C (176.0F)) Sensor detects that CD unit temperature is high (Over 80C (176.0F))

INSPECTION PROCEDURE
HINT: After the inspection is completed, clear DTCs.

CHECK RADIO RECEIVER (a) Park the vehicle in a cool place. (b) Check that the temperature of the radio receiver becomes sufficiently low, then start the hybrid system. (c) Clear DTC and recheck. (d) Check if DTC 62-47 or 63-47 is output. OK: DTC 62-47 or 63-47 is not output. NG REPLACE RADIO RECEIVER

AV

OK END

AV82

AUDIO / VISUAL AUDIO AND VISUAL SYSTEM

DTC DTC
DESCRIPTION
DTC No. 62-78 63-78

62-78 63-78

DSP Error DSP Error


Trouble Area Radio receiver

DTC Detection Condition Error occurs during the decode process (MP3/WMA) Error occurs during the decode process (MP3/WMA)

INSPECTION PROCEDURE
HINT: After the inspection is completed, clear the DTCs. NOTICE: This code may be output even if there is no malfunction. If this code is output frequently, replace the radio receiver.

CLEAR DTC (a) Clear the DTCs (see page AV-37).

AV
NEXT

RECHECK DTC (a) Recheck for DTCs and check if the same trouble code occurs again. OK: Malfunction disappears. NG REPLACE RADIO RECEIVER

OK END

AUDIO / VISUAL AUDIO AND VISUAL SYSTEM

AV83

DTC DTC DTC DTC DTC DTC


DESCRIPTION
DTC No. 62-7D

62-7D 62-7E 62-7F 63-7D 63-7E 63-7F

Disc cannot be Played No Playable Files Copyright Protection Error Disc cannot be Played No Playable Files Copyright Protection Error
Trouble Area CD Radio receiver

DTC Detection Condition When either condition below is met: Incompatible MP3/WMA file is used. Although the file has an extension of ".mp3" or ".wma", the header information cannot be read. When either condition below is met: Disc with no music data is used. Playable files are not on the disc (MP3/WMA). A copy-protected file, which cannot be played, is used. When either condition below is met: Incompatible MP3/WMA file is used. Although file has an extension of ".mp3" or ".wma", the header information cannot be read. When either condition below is met: Disc with no music data is used. Playable files are not on the disc (MP3/WMA). A copy-protected file, which cannot be played, is used.

62-7E

AV

62-7F 63-7D

63-7E

63-7F

INSPECTION PROCEDURE
HINT: After the inspection is completed, clear the DTCs.

CHANGE DISC (a) Insert a disc with a playable file and check if the disc can be played correctly. HINT: For details on playable files and discs, refer to the Owner's Manual. OK: The disc can be played correctly. NG REPLACE RADIO RECEIVER

OK DISC IS FAULTY

AV84

AUDIO / VISUAL AUDIO AND VISUAL SYSTEM

DTC
DESCRIPTION
DTC No. 74-40

74-40

Short in Speaker Circuit


Trouble Area Wire harness Speaker Stereo component amplifier

DTC Detection Condition Short is detected in speaker output circuit.

This circuit has a fail-safe function. When a short in the speaker circuit is detected, all sound outputs are stopped.

AV

AUDIO / VISUAL AUDIO AND VISUAL SYSTEM

AV85

WIRING DIAGRAM
for 6 Speaker System Radio Receiver Front No. 2 Speaker LH

FL+ Front No. 1 Speaker LH FL-

Front No. 2 Speaker RH FR+ Front No. 1 Speaker RH FR-

AV

RL+ Rear No. 1 Speaker LH RL-

RR+ Rear No.1 Speaker RH RR-

E107207E01

AV86

AUDIO / VISUAL AUDIO AND VISUAL SYSTEM

for 9 Speaker System Stereo Component Amplifier

FLFront No. 2 Speaker LH

FL+

FRFront No. 2 Speaker RH

AV

FR+

WFLFront No. 1 Speaker LH

WFL+

WFRFront No. 1 Speaker RH WFR+

E107208E01

AUDIO / VISUAL AUDIO AND VISUAL SYSTEM

AV87

CTRFront Stereo Component Speaker CTR+

Rear No. 2 Speaker LH RLRear No. 1 Speaker LH RL+

AV

Rear No. 2 Speaker RH RRRear No. 1 Speaker RH RR+

E107209E01

INSPECTION PROCEDURE
HINT: After the inspection is completed, clear the DTCs.

AV88

AUDIO / VISUAL AUDIO AND VISUAL SYSTEM

CHECK VEHICLE EQUIPMENT

Vehicle equipment
Vehicle equipment 6 speaker system 9 speaker system Proceed to A B

B A

Go to step 9

INSPECT RADIO RECEIVER (a) Disconnect the R3 and R4 receiver connectors. (b) Clear DTC and recheck. (c) Check if DTC 74-40 is output. OK: DTC 74-40 is not output.

AV
OK

NG

REPLACE RADIO RECEIVER

CHECK OPERATION (a) Reconnect the R3 and R4 receiver connectors. (b) Check if DTC 74-40 is output. OK: DTC 74-40 is not output. OK END

NG

AUDIO / VISUAL AUDIO AND VISUAL SYSTEM

AV89

CHECK WIRE HARNESS (RADIO RECEIVER - SPEAKER) (a) Disconnect the R3 and R4 receiver connectors. (b) Disconnect the T6, T7, R11 and R12 speaker connectors. (c) Measure the resistance of the wire harness side connectors. Standard resistance
Tester Connection R3-2 (FL+) - T6-4 R3-6 (FL-) - T6-2 R3-1 (FR+) - T7-4 Specified Condition Below 1 Below 1 Below 1 Below 1 Below 1 Below 1 Below 1 Below 1

Wire Harness Side

Radio Receiver FR+ R3 FL+ FRFL-

R3-5 (FR-) - T7-2 R4-2 (RL+) - R11-1 R4-6 (RL-) - R11-2

Radio Receiver RL+ RL-

R4-1 (RR+) - R12-1 R4-3 (RR-) - R12-2

R4

RR+ RR-

NG

REPAIR OR REPLACE HARNESS AND CONNECTOR

AV

Front No. 2 Speaker LH*1, RH*2 T6 *1

T7 *2

Rear No. 1 Speaker LH*1, RH*2 *1 *1: for LH *2: for RH


E107212E03

R11

R12 *2

OK

AV90

AUDIO / VISUAL AUDIO AND VISUAL SYSTEM

CHECK WIRE HARNESS (FRONT NO. 1 SPEAKER - FRONT NO. 2 SPEAKER) (a) Disconnect the F12, F13, T6 and T7 speaker connectors. (b) Measure the resistance of the wire harness side connectors. Standard resistance
Tester Connection F12-1 - T6-3 F12-2 - T6-1 F13-1 - T7-3 F13-2 - T7-1 Specified Condition Below 1 Below 1 Below 1 Below 1

Wire Harness Side Front No. 1 Speaker LH*1, RH*2 F12 *1 F13 *2

Front No. 2 Speaker LH*1, RH*2 T6 *1 T7 *2

NG

REPAIR OR REPLACE HARNESS AND CONNECTOR

AV
OK

*1: for LH *2: for RH


E107213E04

INSPECT FRONT NO. 1 SPEAKER (a) Disconnect the F12 and F13 speaker connectors. (b) Measure the resistance of the speaker. Standard resistance
Tester Connection 1-2 Specified Condition Approximately 4

NG
E107214

REPLACE FRONT NO. 1 SPEAKER

OK

INSPECT FRONT NO. 2 SPEAKER (a) Check that the malfunction disappears when the speaker is replaced with a normal one. OK: Malfunction disappears. HINT: Connect all the connectors to the front No. 2 speakers.

AUDIO / VISUAL AUDIO AND VISUAL SYSTEM

AV91

When there is a possibility that either the right or left front speaker is defective, inspect by interchanging the right one with the left one. Perform the inspection above on both LH and RH sides. NG OK REPLACE FRONT NO. 2 SPEAKER

INSPECT REAR NO. 1 SPEAKER (a) Disconnect the R11 and R12 speaker connectors. (b) Measure the resistance of the speaker. Standard resistance
Tester Connection 1-2 Specified Condition Approximately 4

NG
E107214

REPLACE REAR NO. 1 SPEAKER

AV

OK REPLACE RADIO RECEIVER

INSPECT STEREO COMPONENT AMPLIFIER (a) Disconnect the S14 and S29 amplifier connectors. (b) Clear DTC and recheck. (c) Check if DTC 70-40 is output. OK: DTC 74-40 is not output. NG REPLACE STEREO COMPONENT AMPLIFIER

OK

10

CHECK OPERATION (a) Reconnect the S14 and S29 amplifier connectors. (b) Check that audio can be heard from the speaker. OK: Audio can be heard. OK END

NG

AV92

AUDIO / VISUAL AUDIO AND VISUAL SYSTEM

11

CHECK WIRE HARNESS (STEREO COMPONENT AMPLIFIER - SPEAKER) (a) Disconnect the S14 and S29 amplifier connectors. (b) Disconnect the C8, F12, F13, T6, T7, T8 and T9 speaker connectors. (c) Measure the resistance of the wire harness side connectors. Standard resistance
Tester Connection S29-2 (WFL+) - F12-1 S29-1 (WFL-) - F12-2 S29-9 (WFR+) - F13-1 Specified Condition Below 1 Below 1 Below 1 Below 1 Below 1 Below 1 Below 1 Below 1 Below 1 Below 1 Below 1 Below 1 Below 1 Below 1

Wire Harness Side Stereo Component Amplifier FR+ S14 FR- FLFL+ RL+ RRRR+ RL-

S29-3 (WFR-) - F13-2 S14-8 (FL+) - T6-4 S14-7 (FL-) - T6-2 S14-2 (FR+) - T7-4

Stereo Component Amplifier S29 WFLCTR+

S14-6 (FR-) - T7-2 S14-3 (RL+) - T8-4 S14-9 (RL-) - T8-2

AV

WFL+ WFR- WFR+

CTR-

S14-10 (RR+) - T9-4 S14-4 (RR-) - T9-2 S29-4 (CTR+) - C8-2

Front No. 1 Speaker LH*1, RH*2

S29-10 (CTR-) - C8-1

F12 *1 F13 *2

NG

REPAIR OR REPLACE HARNESS AND CONNECTOR

Front No. 2 Speaker LH*1, RH*2 Rear No. 2 Speaker LH*3, RH*4 T6 *1 T7 *2 T8 *3 T9 *4 Front Stereo Component Speaker

C8

E107215E03

AUDIO / VISUAL AUDIO AND VISUAL SYSTEM

AV93

OK

12

CHECK WIRE HARNESS (REAR NO. 1 SPEAKER - REAR NO. 2 SPEAKER) (a) Disconnect the R11, R12, T8 and T9 speaker connectors. (b) Measure the resistance of the wire harness side connectors. Standard resistance
Tester Connection R11-1 - T8-3 R11-2 - T8-1 R12-1 - T9-3 R12-2 - T9-1 Specified Condition Below 1 Below 1 Below 1 Below 1

Wire Harness Side Rear No. 1 Speaker LH*1, RH*2 R11 *1 R12 *2

Rear No. 2 Speaker LH*1, RH*2 T8 *1 *2 T9

NG

REPAIR OR REPLACE HARNESS AND CONNECTOR

AV
*1: for LH *2: for RH
E107213E05

OK

13

INSPECT FRONT NO. 1 SPEAKER (a) Disconnect the F12 and F13 speaker connectors. (b) Measure the resistance of the speaker. Standard resistance
Tester Connection 1-2 Specified Condition Approximately 4

NG
E107214

REPLACE FRONT NO. 1 SPEAKER

OK

14

INSPECT FRONT NO. 2 SPEAKER (a) Check that the malfunction disappears when the speaker is replaced with a normal one. OK: Malfunction disappears. HINT: Connect all the connectors to the front No. 2 speakers.

AV94

AUDIO / VISUAL AUDIO AND VISUAL SYSTEM

When there is a possibility that either the right or left front speaker is defective, inspect by interchanging the right one with the left one. Perform the inspection above on both LH and RH sides. NG OK REPLACE FRONT NO. 2 SPEAKER

15

INSPECT REAR NO. 1 SPEAKER (a) Disconnect the R11 and R12 speaker connectors. (b) Measure the resistance of the speaker. Standard resistance
Tester Connection 1-2 Specified Condition Approximately 4

NG

REPLACE REAR NO. 1 SPEAKER

AV
OK

E107214

16

INSPECT REAR NO. 2 SPEAKER (a) Check that the malfunction disappears when the speaker is replaced with a normal one. OK: : Malfunction disappears. HINT: Connect all the connectors to the rear No. 2 speakers. When there is a possibility that either the right or left rear speaker is defective, inspect by interchanging the right one with the left one. Perform the inspection above on both LH and RH sides. NG REPLACE REAR NO. 2 SPEAKER

OK

AUDIO / VISUAL AUDIO AND VISUAL SYSTEM

AV95

17

INSPECT FRONT STEREO COMPONENT SPEAKER (a) Disconnect the C8 speaker connector. (b) Measure the resistance of the speaker. Standard resistance
Tester Connection 1-2 Specified Condition 1.2 to 2.2

NG
E116557

REPLACE FRONT STEREO COMPONENT SPEAKER

OK PROCEED TO NEXT CIRCUIT INSPECTION SHOWN IN PROBLEM SYMPTOMS TABLE

AV

AV96

AUDIO / VISUAL AUDIO AND VISUAL SYSTEM

Noise Occurs
INSPECTION PROCEDURE

NOISE CONDITION (a) Check in which direction the noise comes from (front left or right, or rear left or right). OK: The location of the noise source can be determined. NG Go to step 3

OK

CHECK SPEAKER (a) Check the installation conditions of the speaker units that are located near the noise source and that there are no cracks, scratches, deformation, or other failures.

AV

Result
Condition Speaker is installed incorrectly Foreign objects are in speaker Speaker cone paper is broken No malfunction is found Proceed to A B C D

A B C D

REINSTALL SPEAKER REMOVE FOREIGN OBJECT REPLACE SPEAKER

CHECK NOISE CONDITIONS (a) Check the noise condition. HINT: The radio has a noise prevention function to reduce noise when listening to the radio. If a loud noise occurs, check whether the ground at the antenna mounting base and the noise prevention unit are installed and wired correctly.

Conditions under which noise occurs Noise increases when the accelerator pedal is depressed, but stops when the hybrid system is stopped. Noise occurs during A/C or heater operation. Noise occurs when the vehicle accelerates rapidly on an unpaved road or after the power switch is turned ON (IG).

Noise Source Generator Blower motor Fuel pump

AUDIO / VISUAL AUDIO AND VISUAL SYSTEM


Conditions under which noise occurs Noise occurs when the horn switch is pressed and released or when pressed and held. Noise occurs synchronously with the blink of the turn signal. Noise occurs during window washer operation. Noise occurs while the hybrid system is running, and continues even after the hybrid system is stopped. Noise occurs during wiper operation. Noise occurs when the brake pedal is depressed. Other Noise Source Horn Flasher Washer Water temperature sensor Wiper Stop light switch Static electricity

AV97

HINT: In the chart's left column, find the situation that matches the customer's complaint. Then, in the right column, find the part that is causing the noise. Check the noise filter on or for the part. To save time and avoid a misdiagnosis, first make sure that the noise is not coming from outside the vehicle. Noise should be removed in descending order of loudness. Setting the radio to a frequency where no signal is received may make recognition of the noise problem easier. OK: The noise source can be determined. NG OK PROCEED TO NEXT CIRCUIT INSPECTION SHOWN IN PROBLEM SYMPTOMS TABLE REPAIR OR REPLACE NOISE SOURCE

AV

AV98

AUDIO / VISUAL AUDIO AND VISUAL SYSTEM

Pressing Power Switch does not Turn on System


INSPECTION PROCEDURE

CHECK VEHICLE CONDITION (a) Check that conditions in the cabin are not likely to cause condensation. HINT: This problem occurs when the cabin is humid and the temperature changes rapidly. This may produce condensation, resulting in a short circuit. OK: Condensation is not likely to be produced. NG DRY OUT CABIN

OK PROCEED TO NEXT CIRCUIT INSPECTION SHOWN IN PROBLEM SYMPTOMS TABLE

AV

AUDIO / VISUAL AUDIO AND VISUAL SYSTEM

AV99

No Sound can be Heard from Speakers


INSPECTION PROCEDURE

CHECK RADIO RECEIVER (a) Check the radio receiver setting. (1) Check that the volume is not set to "0". (2) Check that "MUTE" is off. OK: The volume is not set to "0" and "MUTE" is off. NG TURN "MUTE" OFF OR RAISE VOLUME ABOVE 0

OK PROCEED TO NEXT CIRCUIT INSPECTION SHOWN IN PROBLEM SYMPTOMS TABLE

AV

AV100

AUDIO / VISUAL AUDIO AND VISUAL SYSTEM

Sound Quality is Bad Only when CD is Played (Volume is Too Low)


INSPECTION PROCEDURE

REPLACE CD (a) Replace the CD with another one and recheck. (1) Check if the problem recurs using another CD. OK: Malfunction disappears. NG REPLACE RADIO RECEIVER

OK END

AV

AUDIO / VISUAL AUDIO AND VISUAL SYSTEM

AV101

CD cannot be Ejected
INSPECTION PROCEDURE

CHECK OPERATION (a) Press the CD EJECT switch of the radio receiver for 2 seconds or more and check that the CD is ejected. OK: CD is ejected. NG REPLACE RADIO RECEIVER

OK

REPLACE CD (a) Insert another CD and check if it is ejected. OK: CD is ejected. NG REPLACE RADIO RECEIVER

AV

OK END

AV102

AUDIO / VISUAL AUDIO AND VISUAL SYSTEM

CD cannot be Inserted / Played or CD is Ejected Right After Insertion


INSPECTION PROCEDURE

CHECK IF PROPER CD IS INSERTED (a) Make sure that the CD is an audio CD or a CD with an MP3 or WMA file, and that it is not deformed, flawed, stained, burred, or otherwise defective. OK: Normal CD. HINT: Translucent or uniquely-shaped CDs cannot be played. CDs with adhesive paper labels should not be played. Commercial audio CDs can be played. CD-DA files on CD-ROMs, CD-Rs, and CD-RWs can be played. MP3 and WMA files on CD-ROMs, CD-Rs, and CDRWs can be played. For details on playable CDs, refer to the Owner's Manual. NG REPLACE CD

AV
OK

CHECK THAT CD IS INSERTED PROPERLY (a) Check whether or not the CD is inserted upside down. OK: CD is properly inserted. NG INSERT CD PROPERLY

OK

CLEAN CD (a) Clean the disc by wiping it with a soft cloth from the inside to the outside in a radial direction. OK: Malfunction disappears. NOTICE: Do not use a conventional record cleaner or antistatic preservative. OK
I100151

END

NG

AUDIO / VISUAL AUDIO AND VISUAL SYSTEM

AV103

REPLACE CD (a) Replace the CD with a normal one and check that the malfunction disappears. OK: Malfunction disappears. NG REPLACE RADIO RECEIVER

OK END

AV

AV104

AUDIO / VISUAL AUDIO AND VISUAL SYSTEM

CD Sound Skips
INSPECTION PROCEDURE

CHECK CD (a) Check the CD. OK: The CD is clean. HINT: If dirt is on the CD surface, wipe it clean with a soft cloth from the inside to the outside in a radial direction. NOTICE: Do not use a conventional record cleaner or antistatic preservative.
I100151

NG

CLEAN CD

OK

AV

CHECK CD (a) Check that the CD is not deformed or cracked. OK: No deformation or cracks on the CD. NG REPLACE CD

I100152

OK

CHECK OPERATION (a) Check using another CD. (1) Check if the problem recurs using another CD. OK: The problem does not occur. OK END

NG

CHECK RADIO RECEIVER (a) Check the radio receiver installation condition. (1) Check that the radio receiver is properly installed. OK: Radio receiver is properly installed.

AUDIO / VISUAL AUDIO AND VISUAL SYSTEM

AV105

NG OK REPLACE RADIO RECEIVER

REINSTALL RADIO RECEIVER PROPERLY

AV

AV106

AUDIO / VISUAL AUDIO AND VISUAL SYSTEM

Radio Broadcast cannot be Received or Poor Reception


INSPECTION PROCEDURE

CHECK RADIO RECEIVER (a) Check the radio's automatic station search function. (1) Move the vehicle to a location where radio wave reception is possible. (2) Check the radio's automatic station search function by activating it. OK: The radio's automatic station search function works properly. OK REPLACE RADIO RECEIVER

NG

AV

CHECK RADIO RECEIVER (a) Disconnect the R3*1 or R6*2 receiver connector. (b) Measure the voltage of the receiver. Standard voltage
Tester Connection Condition Power switch ON (IG), Radio switch ON Specified Condition 10 to 14 V R3-8 (ANT+) - Body ground*1 R6-13 (ANT+) - Body ground*2

for 9 Speaker System Radio Receiver

R6

HINT: *1: for 6 speaker system *2: for 9 speaker system


ANT+

for 6 Speaker System Radio Receiver

NG

REPLACE RADIO RECEIVER

R3

4 3

2 1

10 9 8 7 6 5 ANT+

E107233E01

OK

CHECK OPTIONAL COMPONENTS (a) Check optional components (sunshade film, telephone antenna, etc.). (1) Check if any optional components, such as sunshade film or telephone antenna, that may decrease reception capacity are installed.

AUDIO / VISUAL AUDIO AND VISUAL SYSTEM

AV107

OK: Optional components are installed. NOTICE: Do not remove any optional components installed by the customer without consent. OK NG REMOVE OPTIONAL COMPONENTS AND CHECK AGAIN (SEE NOTICE ABOVE)

CHECK RADIO RECEIVER (a) Preparation for check (1) Remove the antenna plug from the radio receiver. (b) Check for noise (1) Turn the power switch ON (ACC) with the radio receiver connector connected. (2) Turn the radio on and change to AM mode. (3) Place a screwdriver, thin wire, or other metal object on the radio receiver's antenna jack and check that noise can be heard from the speaker. OK: Noise occurs. NG REPLACE RADIO RECEIVER

E050367

AV

OK

CHECK ANTENNA CORD (a) Remove the antenna plug of the radio receiver and antenna. (b) Measure the resistance between the antenna cord's inner conductor and radio receiver to check for an open circuit in the antenna cord. Standard resistance: Below 1 (c) Measure the resistance between the antenna cord's inner conductor and body ground to check for a short circuit in the antenna cord. Standard resistance: 10 k or higher NG REPLACE ANTENNA CORD

OK

REPLACE AMPLIFIER ANTENNA (a) Replace the amplifier antenna and check if radio broadcasts can be received normally. OK: Radio broadcasts can be received.

AV108

AUDIO / VISUAL AUDIO AND VISUAL SYSTEM

OK NG REPLACE RADIO RECEIVER

END

AV

AUDIO / VISUAL AUDIO AND VISUAL SYSTEM

AV109

Poor Sound Quality in All Modes (Low Volume)


INSPECTION PROCEDURE

CHECK AUDIO SETTINGS (a) Set "BASS", "MID", and "TREB" to the initial values and check that sound is normal. OK: Malfunction disappears. OK END

NG

COMPARE WITH ANOTHER VEHICLE OF SAME MODEL (a) Compare with another vehicle of the same model which does not have trouble to see if there is any difference in the sound quality. OK: No difference is found. OK END

AV

NG PROCEED TO NEXT CIRCUIT INSPECTION SHOWN IN PROBLEM SYMPTOMS TABLE

AV110

AUDIO / VISUAL AUDIO AND VISUAL SYSTEM

Cellular Phone Registration Failure, Phone Directory Transfer Failure


INSPECTION PROCEDURE

CHECK CURRENT CONDITION (a) Check for Bluetooth capable cellular phones and vehicles in the area.

Result:
Conditions Another Bluetooth compatible cellular phone is present Another Bluetooth compatible vehicle is present None of the above Proceed to A B C

B C A

Go to step 3 Go to step 4

AV

CHECK USING ANOTHER CELLULAR PHONE (a) Check if the system functions using another Bluetooth compatible cellular phone. HINT: Confirm that either the same or a different version of another Bluetooth compatible cellular phone complies with the system. Depending on the version, some Bluetooth compatible cellular phones cannot be used. OK: System functions. NG REPLACE MULTI-DISPLAY

OK USE BLUETOOTH COMPATIBLE CELLULAR PHONE (DEPENDING ON THE VERSION)

CHECK USING ANOTHER BLUETOOTH CAPABLE VEHICLE (a) Register the cellular phone with another vehicle and check if the system functions normally. HINT: Depending on the version, some Bluetooth compatible cellular phones cannot be used. OK: System functions. OK REPLACE MULTI-DISPLAY

AUDIO / VISUAL AUDIO AND VISUAL SYSTEM

AV111

NG USE BLUETOOTH COMPATIBLE CELLULAR PHONE

CHECK CELLULAR PHONE (a) Check if the cellular phone is Bluetooth compatible. HINT: Some versions of Bluetooth compatible cellular phones may not function. OK: The phone is Bluetooth compatible. NG USE BLUETOOTH COMPATIBLE CELLULAR PHONE

OK

CHECK CELLULAR PHONE (a) Check if a call can be made from the cellular phone. HINT: When the battery is low, registration or directory transfer cannot be done. OK: A call can be made from the cellular phone. NG REPLACE CELLULAR PHONE

AV

OK REPLACE MULTI-DISPLAY

AV112

AUDIO / VISUAL AUDIO AND VISUAL SYSTEM

Cellular Phone cannot Send / Receive


INSPECTION PROCEDURE

CHECK BLUETOOTH SETTING (a) Check if the Bluetooth settings are correct. OK: Bluetooth settings are correct. NG SET SETTINGS CORRECTLY

OK

CHECK CELLULAR PHONE (a) Check if the cellular phone is Bluetooth compatible. HINT: Some versions of Bluetooth compatible cellular phones may not function. OK: Phone is Bluetooth compatible. NG END (ONLY A BLUETOOTH COMPATIBLE CELLULAR PHONE CAN BE USED)

AV

OK

CHECK SETTING (a) Check if the cellular phone functions. HINT: The cellular phone is unable to call under any of the following conditions. The cellular phone is locked. The directory is being transferred. The line is crossed. Transmission is regulated. The power is OFF. The cellular phone is not connected to Bluetooth ("Bluetooth mark" is displayed while connected). OK: Above conditions do not exist. NG SET CORRECTLY

OK

CHECK CELLULAR PHONE (a) Check if the cellular phone can call.

AUDIO / VISUAL AUDIO AND VISUAL SYSTEM

AV113

HINT: When the battery is low, calls cannot be made or received. OK: Cellular phone can call. NG OK REPLACE CELLULAR PHONE

CHECK RECEPTION (a) Set the cellular phone so that it can receive calls. (b) Place the cellular phone close to the multi-display. (c) Check if the cellular phone has reception according to the multi-display. OK: Cellular phone has reception. NG REPLACE MULTI-DISPLAY

OK PROCEED TO NEXT INSPECTION PROCEDURE SHOWN IN PROBLEM SYMPTOMS TABLE

AV

AV114

AUDIO / VISUAL AUDIO AND VISUAL SYSTEM

Cannot Call in a Certain Place


INSPECTION PROCEDURE

CHECK SURROUNDING CONDITION (a) Check if the cellular phone can make calls in a certain location. OK: It can make calls. NG END (CELLULAR PHONES CAN ONLY FUNCTION IN CELLULAR SERVICE AREAS)

OK

CHECK RECEPTION (a) Enter the "Information" screen by pressing the "INFO" switch. (b) Select "Telephone".

AV

I102023

(c) Check the "BT" mark. Result


Condition Yellow color Blue color No connection mark is displayed Proceed to A B C

B
I102024

REPLACE MULTI-DISPLAY SELECT REGISTERED CELLULAR PHONE OR REGISTER BLUETOOTH COMPATIBLE PHONE

A BRING CELLULAR PHONE TO LOCATION WHERE BT MARK TURNS BLUE

AUDIO / VISUAL AUDIO AND VISUAL SYSTEM

AV115

The Other Caller's Voice cannot be Heard, is too Quiet, or Distorted


INSPECTION PROCEDURE

CHECK CELLULAR PHONE (a) Check if the voice on the other side can be heard using a cellular phone. OK: Voice can be heard. NG REPAIR OR REPLACE CELLULAR PHONE

OK

CHECK SETTINGS (a) Check if the volume level is low on the CALL screen. OK: The level is not low. NG SET VOLUME TO HIGH

AV

I102027

OK

CHECK SETTINGS (a) Enter the "Handsfree Voice Quality Set" mode (see page AV-19). (b) Check if the Receive Voice Level is set to "0". HINT: The Receive Voice Level can be set to 11 different levels, -5 to +5, with a 3 dB difference. (c) Check if the Receive Voice Level is set to the minimum or maximum level. HINT: When the Receive Voice Level is set to the minimum or maximum level, the sound may be distorted. OK: The Receive Voice Level is set to "0". NG SET RECEIVE VOICE LEVEL TO "0"

E120069E02

OK PROCEED TO NEXT INSPECTION PROCEDURE SHOWN IN PROBLEM SYMPTOMS TABLE

AV116

AUDIO / VISUAL AUDIO AND VISUAL SYSTEM

The Other Caller cannot Hear Your Voice, or Your Voice is too Quiet or Distorted
INSPECTION PROCEDURE

CHECK CELLULAR PHONE (a) Check if the other side can hear your voice properly. OK: Your voice can be heard correctly. NG REPLACE CELLULAR PHONE

OK

CHECK SETTINGS (a) Check if the mute switch is set to ON. OK: Mute switch is not set to ON. NG TURN MUTE SWITCH OFF

AV

I102028

OK

CHECK SETTINGS (a) Enter the "Handsfree Voice Quality Set" mode (see page AV-19). (b) Check if the Send Voice Level is set to "0". HINT: The Send Voice Level can be set to 11 different levels, -5 to +5, with a 3 dB difference. (c) Check if the Send Voice Level is set to the minimum or maximum level. HINT: When the Send Voice Level is set to the minimum or maximum level, the sound may be distorted. OK: The Send Voice Level is set to "0". NG SET SEND VOICE LEVEL TO "0"

E120069E04

OK

AUDIO / VISUAL AUDIO AND VISUAL SYSTEM

AV117

CHECK MICROPHONE (DISPLAY CHECK MODE) (a) Enter the "MICROPHONE & VOICE RECOGNITION CHECK" mode (see page AV-16). (b) When a voice is input into the microphone, check that the microphone input level meter changes according to the input voice. (c) Push the recording switch and perform voice recording. HINT: The recording is limited to 5 seconds. (d) Check that the recording indicator remains on while recording and that the recorded voice is played normally without noise or distortion. OK: All check results are normal. NG
E125811E01

Microphone Input Level Meter

Recording Switch

Stop Switch

Recording Play Switch Indicator

PROCEED TO NEXT INSPECTION PROCEDURE SHOWN IN PROBLEM SYMPTOMS TABLE

OK REPLACE MULTI-DISPLAY

AV

AV118

AUDIO / VISUAL AUDIO AND VISUAL SYSTEM

Vehicle Speed Signal Circuit between Radio Receiver and Combination Meter
DESCRIPTION
This circuit is necessary for the ASL (Auto Sound Levelizer) built into the radio receiver. Speed signals are received from the combination meter and used for the ASL. The ASL function automatically adjusts the sound data in order to enable hearing the clear audio even when vehicle noise increases (as vehicle noise increases, the volume is turned up, etc.).

WIRING DIAGRAM
Combination Meter Radio Receiver

SPD

AV
INSPECTION PROCEDURE

E107202E04

OPERATION OF SPEEDOMETER (a) Drive the vehicle and check if the function of the speedometer on the combination meter is normal. OK: Actual vehicle speed and the speed indicated on the speedometer are the same. HINT: The vehicle speed sensor is functioning normally when the indication on the speedometer is normal. NG GO TO METER / GAUGE SYSTEM

OK

CHECK RADIO RECEIVER (SPD VOLTAGE) (a) Disconnect the R5 receiver connector. (b) Measure the voltage. (1) Jack up either one of the drive wheels. (2) Move the shift lever to the neutral position. (3) Turn the power switch ON (IG).

R5

SPD

E107234E01

AUDIO / VISUAL AUDIO AND VISUAL SYSTEM

AV119

(4) Measure the voltage between terminal SPD of the radio receiver and body ground when the drive wheels are turned slowly. OK: Voltage pulses as shown in the illustration.
4.5 to 14 V

OK

REPLACE RADIO RECEIVER

Below 2 V 0 Turn the wheel


E110855E01

NG

CHECK WIRE HARNESS (COMBINATION METER - RADIO RECEIVER) (a) Disconnect the R5 receiver connector. (b) Disconnect the C10 meter connector. (c) Measure the resistance of the wire harness side connectors. Standard resistance
Tester Connection R5-3 (SPD) - C10-13 Specified Condition Below 1

Wire Harness Side Radio Receiver

AV

R5

NG
SPD Combination Meter

REPAIR OR REPLACE HARNESS AND CONNECTOR

C10

E107206E01

OK

AV120

AUDIO / VISUAL AUDIO AND VISUAL SYSTEM

CHECK WIRE HARNESS (RADIO RECEIVER - BODY GROUND) (a) Disconnect the R5 receiver connector. (b) Measure the resistance of the wire harness side connector. Standard resistance
Tester Connection R5-3 (SPD) - Body ground Specified Condition 10 k or higher

Wire Harness Side R5 SPD

E107195E03

HINT: If the resistance between terminal SPD and body ground is less than 10 k, there may be a short in a wire harness, connector, or an ECU that is connected to the SPD signal wire. NG REPAIR OR REPLACE HARNESS AND CONNECTOR

OK

AV

REPLACE RADIO RECEIVER

AUDIO / VISUAL AUDIO AND VISUAL SYSTEM

AV121

Steering Pad Switch Circuit


DESCRIPTION
This circuit sends an operation signal from the steering pad switch to the radio receiver. If there is an open in the circuit, the audio system cannot be operated using the steering pad switch. If there is a short in the circuit, the same condition as when the switch is continuously depressed occurs. As a result, the radio receiver cannot be operated using the steering pad switch, and also the radio receiver itself cannot function.

WIRING DIAGRAM

Steering Pad Switch

Spiral Cable

Radio Receiver

AU1 VOLVOL+ SEEK-

SW1

SEEK+ EAU MODE AU2 SW2 SWG

AV

ON HOOK

OFF HOOK

VOICE

E129490E01

INSPECTION PROCEDURE
NOTICE: The vehicle is equipped with an SRS (Supplemental Restraint System) which includes components such as airbags. Before servicing (including removal or installation of parts), be sure to read the precautionary notice for the Supplemental Restraint System.

AV122

AUDIO / VISUAL AUDIO AND VISUAL SYSTEM

CHECK STEERING PAD SWITCH CIRCUIT (a) Disconnect the R5 receiver connector. (b) Measure the resistance of the wire harness side connector. Standard resistance
Tester Connection R5-7 (SW1) - R5-6 (SWG) R5-7 (SW1) - R5-6 (SWG)
E107195E04

Wire Harness Side Radio Receiver

SWG SW1 SW2

Condition No switch is pushed SEEK+ switch is pushed SEEK- switch is pushed VOL+ switch is pushed VOL- switch is pushed No switch is pushed MODE switch is pushed VOICE switch is pushed ON HOOK switch is pushed OFF HOOK switch is pushed

Specified Condition Approx. 100 k Below 2.5 Approx. 320 Approx. 1 k Approx. 3.2 k Approx. 100 k Below 2.5 3,110 329 1,000

R5

R5-7 (SW1) - R5-6 (SWG) R5-7 (SW1) - R5-6 (SWG) R5-7 (SW1) - R5-6 (SWG) R5-8 (SW2) - R5-6 (SWG) R5-8 (SW2) - R5-6 (SWG) R5-8 (SW2) - R5-6 (SWG) R5-8 (SW2) - R5-6 (SWG) R5-8 (SW2) - R5-6 (SWG)

AV

OK NG

PROCEED TO NEXT CIRCUIT INSPECTION SHOWN IN PROBLEM SYMPTOMS TABLE

INSPECT STEERING PAD SWITCH

VOL+ Switch VOL- Switch MODE Switch SEEK+ Switch SEEK- Switch EAC EAU AU2 VOICE Switch OFF HOOK Switch ON HOOK Switch

E126427E04

(a) Disconnect the steering pad switch connector.

AUDIO / VISUAL AUDIO AND VISUAL SYSTEM

AV123

(b) Measure the resistance of the wire harness side connector. Standard resistance
Tester Connection 10 (AU1) - 8 (EAU) 10 (AU1) - 8 (EAU) 10 (AU1) - 8 (EAU) 10 (AU1) - 8 (EAU) 10 (AU1) - 8 (EAU) 9 (AU2) - 8 (EAU) 9 (AU2) - 8 (EAU) 9 (AU2) - 8 (EAU) 9 (AU2) - 8 (EAU) 9 (AU2) - 8 (EAU) Condition No switch is pushed SEEK+ switch is pushed SEEK- switch is pushed VOL+ switch is pushed VOL- switch is pushed No switch is pushed MODE switch is pushed VOICE switch is pushed ON HOOK switch is pushed OFF HOOK switch is pushed Specified Condition Approx. 100 k Below 2.5 Approx. 320 Approx. 1 k Approx. 3.2 k Approx. 100 k Below 2.5 3,110 329 1,000

NG OK

REPLACE STEERING PAD SWITCH

AV
3
INSPECT SPIRAL CABLE
Steering Pad Switch Side AU2 A AU1
A-10 (AU1) - C12-6 (AU1)

EAU

(a) Disconnect the steering pad switch connector. (b) Disconnect the spiral cable connector. (c) Measure the resistance of the cable. Standard resistance
Tester connection A-8 (EAU) - C12-4 (EAU) Spiral Cable Position Center 2.5 rotations to the left 2.5 rotations to the right Center 2.5 rotations to the left 2.5 rotations to the right A-9 (AU2) - C12-5 (AU2) Center 2.5 rotations to the left 2.5 rotations to the right Below 1 Below 1 Specified condition Below 1

Vehicle Side

C12

NOTICE: The spiral cable is an important part of the SRS. Incorrect removal or installation of the spiral cable may prevent the airbag from deploying. Be sure to read the SRS section's precaution. NG REPLACE SPIRAL CABLE

AU2

EAU

AU1
I039337E21

AV124 OK

AUDIO / VISUAL AUDIO AND VISUAL SYSTEM

CHECK WIRE HARNESS (SPIRAL CABLE - RADIO RECEIVER) (a) Disconnect the R5 receiver connector. (b) Disconnect the C12 cable connector. (c) Measure the resistance of the wire harness side connectors. Standard resistance
SW2
Tester Connection R5-7 (SW1) - C12-6 (AU1) R5-8 (SW2) - C12-5 (AU2) R5-6 (SWG) - C12-4 (EAU) Specified Condition Below 1 Below 1 Below 1 10 k or higher 10 k or higher 10 k or higher

Wire Harness Side Radio Receiver R5

SWG

SW1

R5-7 (SW1) - Body ground R5-8 (SW2) - Body ground

Spiral Cable

R5-6 (SWG) - Body ground

C12

NG
AU1 EAU AU2
E127904E04

REPAIR OR REPLACE HARNESS AND CONNECTOR

AV

OK PROCEED TO NEXT CIRCUIT INSPECTION SHOWN IN PROBLEM SYMPTOMS TABLE

AUDIO / VISUAL AUDIO AND VISUAL SYSTEM

AV125

Illumination Circuit
DESCRIPTION
Power is supplied to the radio receiver, multi-display and steering pad switch illumination when the light control switch is in the TAIL or HEAD position.

WIRING DIAGRAM
Multi-display

ILL+ ILL-

to Panel Fuse Radio Receiver

AV

ILL+ Steering Pad Switch Spiral Cable Illumination ILL+

EAU

SWG

ILL-

E107196E04

INSPECTION PROCEDURE
NOTICE: The vehicle is equipped with an SRS (Supplemental Restraint System) which includes components such as airbags. Before servicing (including removal or installation of parts), be sure to read the precautionary notice for the supplemental restraint system.

AV126

AUDIO / VISUAL AUDIO AND VISUAL SYSTEM

CHECK ILLUMINATION (a) Check if the illumination for the radio receiver, steering pad switch, multi-display and other illuminations (hazard switch, etc.) come on when the light control switch is turned to the HEAD or TAIL position.

Result
Result Illumination comes on for all components except steering pad switch. Illumination comes on for all components except radio receiver. Illumination comes on for all components except multi-display. No illumination comes on (radio receiver, hazard switch, multi-display, etc.). Proceed to A B C D

B C D

Go to step 6 Go to step 7 GO TO METER / GAUGE SYSTEM

AV

CHECK WIRE HARNESS (BATTERY - SPIRAL CABLE) (a) Disconnect the C12 cable connector. (b) Measure the voltage of the wire harness side connector. Standard voltage
Tester Connection C12-12 (ILL+) - Body ground Condition Light control switch TAIL or HEAD Specified Condition 10 to 14 V

C12

NG
ILL+
E126428E02

REPAIR OR REPLACE HARNESS AND CONNECTOR

OK

AUDIO / VISUAL AUDIO AND VISUAL SYSTEM

AV127

INSPECT STEERING PAD SWITCH

ILL+

EAU

E129483E01

(a) Disconnect the steering pad switch connector. (b) Connect the battery's positive (+) lead to terminal 5 (ILL+) and the negative (-) lead to terminal 8 (EAU) of the steering pad switch connector. (c) Check if the illumination for the steering pad switch comes on. OK: Illumination for the steering pad switch comes on. NG OK REPLACE STEERING PAD SWITCH

AV

AV128

AUDIO / VISUAL AUDIO AND VISUAL SYSTEM

INSPECT SPIRAL CABLE


Steering Pad Switch Side ILL+ EAU

(a) Disconnect the steering pad switch connector. (b) Disconnect the spiral cable connector. (c) Measure the resistance of the cable. Standard resistance
Tester Connection C12-4 (EAU) - A-8 (EAU) Spiral Cable Position Center 2.5 rotations to the left 2.5 rotations to the right C12-12 (ILL+) - A-5 (ILL+) Center 2.5 rotations to the left 2.5 rotations to the right Below 1 Specified Condition Below 1

Vehicle Side

NOTICE: The spiral cable is an important part of the SRS. Incorrect removal or installation of the spiral cable may prevent the airbag from deploying. Be sure to read the SRS section's precaution. NG REPLACE SPIRAL CABLE

AV
C12 ILL+

EAU
I102015E09

OK

AUDIO / VISUAL AUDIO AND VISUAL SYSTEM

AV129

CHECK WIRE HARNESS (SPIRAL CABLE - RADIO RECEIVER) (a) Disconnect the R5 receiver connector. (b) Disconnect the C12 cable connector. (c) Measure the resistance of the wire harness side connectors. Standard resistance
Tester Connection Specified Condition Below 1 10 k or higher R5-6 (SWG) - C12-4 (EAU) R5-6 (SWG) - Body ground

Wire Harness Side Radio Receiver

R5 SWG Spiral Cable

NG

REPAIR OR REPLACE HARNESS AND CONNECTOR

C12

EAU
E127904E05

AV

OK REPLACE RADIO RECEIVER

AV130

AUDIO / VISUAL AUDIO AND VISUAL SYSTEM

CHECK WIRE HARNESS (BATTERY - RADIO RECEIVER) (a) Disconnect the R3*1 or R6*2 receiver connector. (b) Measure the voltage of the wire harness side connector. Standard voltage
Tester Connection R3-10 (ILL+) - Body ground*1 R6-2 (ILL+) - B0dy ground*2 Condition Light control switch TAIL or HEAD Light control switch TAIL or HEAD Specified Condition 10 to 14 V 10 to 14 V

Wire Harness Side for 9 Speaker System Radio Receiver

R6

ILL+

ILL-

(c) Measure the resistance of the wire harness side connectors. Standard resistance
Tester Connection R4-5 (ILL-) - Body ground*1 Specified Condition Below 1 Below 1

for 6 Speaker System Radio Receiver

R6-12 (ILL-) - Body ground*2

AV
R3 ILL+ Radio Receiver

HINT: *1: for 6 speaker system *2: for 9 speaker system NG REPAIR OR REPLACE HARNESS AND CONNECTOR

R4

ILL-

E107193E03

OK REPLACE RADIO RECEIVER

AUDIO / VISUAL AUDIO AND VISUAL SYSTEM

AV131

CHECK WIRE HARNESS (BATTERY - MULTI-DISPLAY) (a) Disconnect the M13 display connector. (b) Measure the voltage of the wire harness side connector. Standard voltage
ILL-*2
Tester Connection M13-1 (ILL+) - Body ground*1 M13-12 (ILL+) - Body ground*2 Condition Light control switch TAIL or HEAD Light control switch TAIL or HEAD Specified Condition 10 to 14 V 10 to 14 V

Wire Harness Side ILL-*1 M13

ILL+*1

ILL+*2 *1: for 3 Connector Type *2: for 4 Connector Type


B118155E14

(c) Measure the resistance of the wire harness side connector. Standard resistance
Tester Connection M13-2 (ILL-) - Body ground*1 M13-11 (ILL-) - Body ground*2 Specified Condition Below 1 Below 1

HINT: *1: for 3 connector type *2: for 4 connector type NG OK REPLACE MULTI-DISPLAY REPAIR OR REPLACE HARNESS AND CONNECTOR

AV

AV132

AUDIO / VISUAL AUDIO AND VISUAL SYSTEM

Speaker Circuit
DESCRIPTION
When the vehicle has a built-in type amplifier, a sound signal is sent from the radio receiver to the speakers via the "6 Speaker System" circuit. When the vehicle has a separate type amplifier, a sound signal from the radio receiver is amplified by the stereo component amplifier and then transmitted to the speaker via the "9 Speaker System". If there is a short in this circuit, the stereo component amplifier detects it and stops output to the speakers. Thus, sound cannot be heard from the speakers even if there is no malfunction in the stereo component amplifier or speakers.

AV

AUDIO / VISUAL AUDIO AND VISUAL SYSTEM

AV133

WIRING DIAGRAM
for 6 Speaker System Radio Receiver Front No. 2 Speaker LH

FL+ Front No. 1 Speaker LH FL-

Front No. 2 Speaker RH FR+ Front No. 1 Speaker RH FR-

AV

RL+ Rear No. 1 Speaker LH RL-

RR+ Rear No.1 Speaker RH RR-

E107207E01

AV134

AUDIO / VISUAL AUDIO AND VISUAL SYSTEM

for 9 Speaker System Stereo Component Amplifier

FLFront No. 2 Speaker LH

FL+

FRFront No. 2 Speaker RH

AV

FR+

WFLFront No. 1 Speaker LH

WFL+

WFRFront No. 1 Speaker RH WFR+

E107208E01

AUDIO / VISUAL AUDIO AND VISUAL SYSTEM

AV135

CTRFront Stereo Component Speaker CTR+

Rear No. 2 Speaker LH RLRear No. 1 Speaker LH RL+

AV

Rear No. 2 Speaker RH RRRear No. 1 Speaker RH RR+

E107209E01

AV136

AUDIO / VISUAL AUDIO AND VISUAL SYSTEM

INSPECTION PROCEDURE

CHECK VEHICLE EQUIPMENT

Vehicle equipment
Vehicle equipment 6 speaker system 9 speaker system Proceed to A B

B A

Go to step 7

AV

AUDIO / VISUAL AUDIO AND VISUAL SYSTEM

AV137

CHECK WIRE HARNESS (RADIO RECEIVER - SPEAKER) (a) Disconnect the R3 and R4 receiver connectors. (b) Disconnect the T6, T7, R11 and R12 speaker connectors. (c) Measure the resistance of the wire harness side connectors. Standard resistance
Tester Connection R3-2 (FL+) - T6-4 R3-6 (FL-) - T6-2 R3-1 (FR+) - T7-4 Specified Condition Below 1 Below 1 Below 1 Below 1 Below 1 Below 1 Below 1 Below 1

Wire Harness Side

Radio Receiver FR+ R3 FL+ FRFL-

R3-5 (FR-) - T7-2 R4-2 (RL+) - R11-1 R4-6 (RL-) - R11-2

Radio Receiver RL+ RL-

R4-1 (RR+) - R12-1 R4-3 (RR-) - R12-2

R4

RR+ RR-

NG

REPAIR OR REPLACE HARNESS AND CONNECTOR

AV

Front No. 2 Speaker LH*1, RH*2 T6 *1

T7 *2

Rear No. 1 Speaker LH*1, RH*2 *1 *1: for LH *2: for RH


E107212E03

R11

R12 *2

OK

AV138

AUDIO / VISUAL AUDIO AND VISUAL SYSTEM

CHECK WIRE HARNESS (FRONT NO. 1 SPEAKER - FRONT NO. 2 SPEAKER) (a) Disconnect the F12, F13, T6 and T7 speaker connectors. (b) Measure the resistance of the wire harness side connectors. Standard resistance
Tester Connection F12-1 - T6-3 F12-2 - T6-1 F13-1 - T7-3 F13-2 - T7-1 Specified Condition Below 1 Below 1 Below 1 Below 1

Wire Harness Side Front No. 1 Speaker LH*1, RH*2 F12 *1 F13 *2

Front No. 2 Speaker LH*1, RH*2 T6 *1 T7 *2

NG

REPAIR OR REPLACE HARNESS AND CONNECTOR

AV
OK

*1: for LH *2: for RH


E107213E04

INSPECT FRONT NO. 1 SPEAKER (a) Disconnect the F12 and F13 speaker connectors. (b) Measure the resistance of the speaker. Standard resistance
Tester Connection 1-2 Specified Condition Approximately 4

NG
E107214

REPLACE FRONT NO. 1 SPEAKER

OK

INSPECT FRONT NO. 2 SPEAKER (a) Check that the malfunction disappears when the speaker is replaced with a normal one. OK: Malfunction disappears. HINT: Connect all the connectors to the front No. 2 speakers.

AUDIO / VISUAL AUDIO AND VISUAL SYSTEM

AV139

When there is a possibility that either the right or left front speaker is defective, inspect by interchanging the right one with the left one. Perform the inspection above on both LH and RH sides. NG OK REPLACE FRONT NO. 2 SPEAKER

INSPECT REAR NO. 1 SPEAKER (a) Disconnect the R11 and R12 speaker connectors. (b) Measure the resistance of the speaker. Standard resistance
Tester Connection 1-2 Specified Condition Approximately 4

NG
E107214

REPLACE REAR NO. 1 SPEAKER

AV

OK REPLACE RADIO RECEIVER

AV140

AUDIO / VISUAL AUDIO AND VISUAL SYSTEM

CHECK WIRE HARNESS (STEREO COMPONENT AMPLIFIER - SPEAKER) (a) Disconnect the S14 and S29 amplifier connectors. (b) Disconnect the C8, F12, F13, T6, T7, T8 and T9 speaker connectors. (c) Measure the resistance of the wire harness side connectors. Standard resistance
Tester Connection S29-2 (WFL+) - F12-1 S29-1 (WFL-) - F12-2 S29-9 (WFR+) - F13-1 Specified Condition Below 1 Below 1 Below 1 Below 1 Below 1 Below 1 Below 1 Below 1 Below 1 Below 1 Below 1 Below 1 Below 1 Below 1

Wire Harness Side Stereo Component Amplifier FR+ S14 FR- FLFL+ RL+ RRRR+ RL-

S29-3 (WFR-) - F13-2 S14-8 (FL+) - T6-4 S14-7 (FL-) - T6-2 S14-2 (FR+) - T7-4

Stereo Component Amplifier S29 WFLCTR+

S14-6 (FR-) - T7-2 S14-3 (RL+) - T8-4 S14-9 (RL-) - T8-2

AV

WFL+ WFR- WFR+

CTR-

S14-10 (RR+) - T9-4 S14-4 (RR-) - T9-2 S29-4 (CTR+) - C8-2

Front No. 1 Speaker LH*1, RH*2

S29-10 (CTR-) - C8-1

F12 *1 F13 *2

NG

REPAIR OR REPLACE HARNESS AND CONNECTOR

Front No. 2 Speaker LH*1, RH*2 Rear No. 2 Speaker LH*3, RH*4 T6 *1 T7 *2 T8 *3 T9 *4 Front Stereo Component Speaker

C8

E107215E03

AUDIO / VISUAL AUDIO AND VISUAL SYSTEM

AV141

OK

CHECK WIRE HARNESS (REAR NO. 1 SPEAKER - REAR NO. 2 SPEAKER) (a) Disconnect the R11, R12, T8 and T9 speaker connectors. (b) Measure the resistance of the wire harness side connectors. Standard resistance
Tester Connection R11-1 - T8-3 R11-2 - T8-1 R12-1 - T9-3 R12-2 - T9-1 Specified Condition Below 1 Below 1 Below 1 Below 1

Wire Harness Side Rear No. 1 Speaker LH*1, RH*2 R11 *1 R12 *2

Rear No. 2 Speaker LH*1, RH*2 T8 *1 *2 T9

NG

REPAIR OR REPLACE HARNESS AND CONNECTOR

AV
*1: for LH *2: for RH
E107213E05

OK

INSPECT FRONT NO. 1 SPEAKER (a) Disconnect the F12 and F13 speaker connectors. (b) Measure the resistance of the speaker. Standard resistance
Tester Connection 1-2 Specified Condition Approximately 4

NG
E107214

REPLACE FRONT NO. 1 SPEAKER

OK

10

INSPECT FRONT NO. 2 SPEAKER (a) Check that the malfunction disappears when the speaker is replaced with a normal one. OK : Malfunction disappears HINT: Connect all the connectors to the front No. 2 speakers.

AV142

AUDIO / VISUAL AUDIO AND VISUAL SYSTEM

When there is a possibility that either the right or left front speaker is defective, inspect by interchanging the right one with the left one. Perform the inspection above on both LH and RH sides. NG OK REPLACE FRONT NO. 2 SPEAKER

11

INSPECT REAR NO. 1 SPEAKER (a) Disconnect the R11 and R12 speaker connectors. (b) Measure the resistance of the speaker. Standard resistance
Tester Connection 1-2 Specified Condition Approximately 4

NG

REPLACE REAR NO. 1 SPEAKER

AV
OK

E107214

12

INSPECT REAR NO. 2 SPEAKER (a) Check that the malfunction disappears when the speaker is replaced with a normal one. OK: Malfunction disappears. HINT: Connect all the connectors to the rear No. 2 speakers. When there is a possibility that either the right or left rear speaker is defective, inspect by interchanging the right one with the left one. Perform the inspection above on both LH or RH sides. NG REPLACE REAR NO. 2 SPEAKER

OK

AUDIO / VISUAL AUDIO AND VISUAL SYSTEM

AV143

13

INSPECT FRONT STEREO COMPONENT SPEAKER (a) Disconnect the C8 speaker connector. (b) Measure the resistance of the speaker. Standard resistance
Tester Connection 1-2 Specified Condition 1.2 to 2.2

NG
E116557

REPLACE FRONT STEREO COMPONENT SPEAKER

OK PROCEED TO NEXT CIRCUIT INSPECTION SHOWN IN PROBLEM SYMPTOMS TABLE

AV

AV144

AUDIO / VISUAL AUDIO AND VISUAL SYSTEM

Sound Signal Circuit between Radio Receiver and Stereo Component Amplifier
DESCRIPTION
The radio receiver sends a sound signal to the stereo component amplifier through this circuit. The sound signal that has been sent is amplified by the stereo component amplifier, and then is sent to the speakers. If there is an open or short in the circuit, sound cannot be heard from the speakers even if there is no malfunction in the stereo component amplifier or speakers.

WIRING DIAGRAM

Stereo Component Amplifier

Radio Receiver

Shielded SLD

AV
LL-

L+

L+

R-

R-

R+

R+

E107198E01

AUDIO / VISUAL AUDIO AND VISUAL SYSTEM

AV145

INSPECTION PROCEDURE

CHECK WIRE HARNESS (RADIO RECEIVER - STEREO COMPONENT AMPLIFIER) (a) Disconnect the R6 receiver connector. (b) Disconnect the S15 amplifier connector. (c) Measure the resistance of the wire harness side connectors. Standard resistance
R+ L+ SLD RLTester Connection R6-9 (L+) - S15-3 (L+) R6-19 (L-) - S15-2 (L-) R6-8 (R+) - S15-5 (R+) R6-18 (R-) - S15-4 (R-) R6-9 (L+) - Body ground R6-19 (L-) - Body ground Specified Condition Below 1 Below 1 Below 1 Below 1 10 k or higher 10 k or higher 10 k or higher 10 k or higher 10 k or higher

Wire Harness Side

Radio Receiver

R6

Stereo Component Amplifier

R6-8 (R+) - Body ground R6-18 (R-) - Body ground R6-10 (SLD) - Body ground

S15

NG
LL+ R- R+
E107199E01

REPAIR OR REPLACE HARNESS AND CONNECTOR

AV

OK PROCEED TO NEXT CIRCUIT INSPECTION SHOWN IN PROBLEM SYMPTOMS TABLE

AV146

AUDIO / VISUAL AUDIO AND VISUAL SYSTEM

Sound Signal Circuit between Radio Receiver and Stereo Jack Adapter
DESCRIPTION
The stereo jack adapter sends an external device sound signal to the radio receiver through this circuit. The sound signal that has been sent is amplified by the stereo component amplifier, and then is sent to the speakers. If there is an open or short in the circuit, sound cannot be heard from the speakers even if there is no malfunction in the stereo component amplifier, radio receiver, or speakers.

WIRING DIAGRAM

Stereo Jack Adapter

Radio Receiver

AUXO

AUXI Shielded Shielded ASGN

AV
ASGN

ARO

ARI

ALO

ALI

E107216E01

AUDIO / VISUAL AUDIO AND VISUAL SYSTEM

AV147

INSPECTION PROCEDURE

CHECK WIRE HARNESS (RADIO RECEIVER - STEREO JACK ADAPTER) (a) Disconnect the R5 receiver connector. (b) Disconnect the S30 adapter connector. (c) Measure the resistance of the wire harness side connectors. Standard resistance
Tester Connection Specified Condition Below 1 Below 1 Below 1 Below 1 10 k or higher 10 k or higher 10 k or higher 10 k or higher S30-4 (AUXO) - R5-19 (AUXI) S30-3 (ASGN) - R5-16 (ASGN) S30-2 (ARO) - R5-15 (ARI)

Wire Harness Side Radio Receiver

R5

ARI ASGN ALI AUXI

S30-1 (ALO) - R5-17 (ALI) S30-4 (AUXO) - Body ground S30-3 (ASGN) - Body ground

Stereo Jack Adapter

S30-2 (ARO) - Body ground S30-1 (ALO) - Body ground

S30

NG

REPAIR OR REPLACE HARNESS AND CONNECTOR

AV

ALO ARO ASGN AUXO


E107217E02

OK PROCEED TO NEXT CIRCUIT INSPECTION SHOWN IN PROBLEM SYMPTOMS TABLE

AV148

AUDIO / VISUAL AUDIO AND VISUAL SYSTEM

Mute Signal Circuit between Radio Receiver and Stereo Component Amplifier
DESCRIPTION
This circuit sends a signal to the stereo component amplifier to mute noise. As a reslut, the noise produced by changing the sound source ceases. If there is an open in the circuit, noise can be heard from the speakers when changing the sound source. If there is a short in the circuit, even though the stereo component amplifier is normal, no sound, or only an extremely small sound can be produced.

WIRING DIAGRAM
Stereo Component Amplifier Radio Receiver

MUTE

MUTE

AV
INSPECTION PROCEDURE

E107202E01

CHECK STEREO COMPONENT AMPLIFIER (MUTE VOLTAGE) (a) Measure the voltage of the amplifier. Standard voltage
MUTE
Tester Connection S15-1 (MUTE) - Body ground Condition Turn power switch ON (ACC), Audio system is playing Changing mode Specified Condition Above 3.5 V Below 1 V

S15

OK
E107229E01

PROCEED TO NEXT CIRCUIT INSPECTION SHOWN IN PROBLEM SYMPTOMS TABLE

NG

AUDIO / VISUAL AUDIO AND VISUAL SYSTEM

AV149

CHECK WIRE HARNESS (RADIO RECEIVER - STEREO COMPONENT AMPLIFIER) (a) Disconnect the R6 receiver connector. (b) Disconnect the S15 amplifier connector. (c) Measure the resistance of the wire harness side connectors. Standard resistance
Tester Connection R6-7 (MUTE) - S15-1 (MUTE) Specified Condition Below 1 10 k or higher

Wire Harness Side

Radio Receiver

R6

R6-7 (MUTE) - Body ground

NG
MUTE Stereo Component Amplifier

REPAIR OR REPLACE HARNESS AND CONNECTOR

S15 MUTE
E107199E02

AV

OK

REPLACE RADIO RECEIVER (a) Replace the radio receiver with a normal one and check if it operates normally. OK: The radio receiver operates normally. NG REPLACE STEREO COMPONENT AMPLIFIER

OK END

AV150

AUDIO / VISUAL AUDIO AND VISUAL SYSTEM

AVC-LAN Circuit
DESCRIPTION
Each unit of the audio system connected to the AVC-LAN (communication bus) transfers the signal of each switch by communication. When a short to +B or short to ground occurs in this AVC-LAN, the audio system will not function normally as the communication is discontinued.

INSPECTION PROCEDURE

INSPECT RADIO RECEIVER (a) for 9 Speaker System: Disconnect the R5 and R6 receiver connectors. (b) for 6 Speaker System: Disconnect the R5 receiver connector. (c) Measure the resistance of the receiver. Standard resistance
Tester Connection R5-9 (TX1+) - R5-10 (TX1-)*1 R5-9 (TX+) - R5-10 (TX-)*2 R6-5 (TX+) - R6-15 (TX-)*2 Specified Condition 60 to 80 60 to 80 60 to 80

for 9 Speaker System Radio Receiver TX+

AV

R5

TXRadio Receiver R6

HINT: *1: for 6 speaker system *2: for 9 speaker system NG REPLACE RADIO RECEIVER

TX+ TXfor 6 Speaker System TX1+ R5 Radio Receiver

TX1E107228E01

OK

CHECK WIRE HARNESS HINT: For details of the connectors, refer to the "TERMINALS OF ECU" (see page AV-31).

AUDIO / VISUAL AUDIO AND VISUAL SYSTEM

AV151

(a) Referring to the AVC-LAN wiring diagram below, check all AVC-LAN circuits. (1) Disconnect all connectors in all AVC-LAN circuits. (2) Check for an open or short in all AVC-LAN circuits. OK: There is no open or short circuit.
AVC-LAN Wiring Diagram

Gateway ECU

Multi-display

Radio Receiver

GTX+ Slave Unit GTX-

TX1+

TX2+

TX1+*1 TX+*2 TX1-*1 TX-*2

Master Unit TX1TX2-

AV
Slave Unit Stereo Component Amplifier*2

TX+*2 *1: for 6 Speaker System *2: for 9 Speaker System Slave Unit TX-*2

*2

TX+*2

*2

TX-*2

E126611E01

NG OK

REPAIR OR REPLACE HARNESS AND CONNECTOR

PROCEED TO NEXT CIRCUIT INSPECTION SHOWN IN PROBLEM SYMPTOMS TABLE

AV152

AUDIO / VISUAL AUDIO AND VISUAL SYSTEM

Vehicle Speed Signal Circuit between Stereo Component Amplifier and Combination Meter
DESCRIPTION
This circuit is necessary for the ASL (Auto Sound Levelizer) built into the stereo component amplifier. Speed signals are received from the combination meter and used for the ASL. The ASL function automatically adjusts the sound data in order to enable hearing the clear audio even when vehicle noise increases (as vehicle noise increases, the volume is turned up, etc.).

WIRING DIAGRAM
Combination Meter Stereo Component Amplifier

SPD

AV
INSPECTION PROCEDURE

E107202E03

CHECK OPERATION OF SPEEDOMETER (a) Drive the vehicle and check if the function of the speedometer on the combination meter is normal. OK: Actual vehicle speed and the speed indicated on the speedometer are the same. HINT: The vehicle speed sensor is functioning normally when the indication on the speedometer is normal. NG GO TO METER / GAUGE SYSTEM

OK

CHECK STEREO COMPONENT AMPLIFIER (a) Disconnect the S15 amplifier connector. (b) Measure the voltage. (1) Jack up either one of the drive wheels. (2) Move the shift lever to the neutral position. (3) Turn the power switch ON (IG).

SPD

S15

E107229E02

AUDIO / VISUAL AUDIO AND VISUAL SYSTEM

AV153

(4) Measure the voltage between terminal 11 (SPD) of the stereo component amplifier and body ground when the drive wheels are turned slowly. OK: Voltage pulses as shown in the illustration.
4.5 to 14 V

OK

REPLACE STEREO COMPONENT AMPLIFIER

Below 2 V 0 Turn the wheel


E110855E01

NG

CHECK WIRE HARNESS (COMBINATION METER - STEREO COMPONENT AMPLIFIER) (a) Disconnect the S15 amplifier connector. (b) Disconnect the C10 meter connector. (c) Measure the resistance of the wire harness side connectors. Standard resistance
Tester Connection S15-11 (SPD) - C10-13 Specified Condition Below 1

Wire Harness Side Stereo Component Amplifier

AV

S15

NG
SPD Combination Meter

REPAIR OR REPLACE HARNESS AND CONNECTOR

C10

E107205E02

OK

AV154

AUDIO / VISUAL AUDIO AND VISUAL SYSTEM

CHECK WIRE HARNESS (STEREO COMPONENT AMPLIFIER - BODY GROUND) (a) Disconnect the S15 amplifier connector. (b) Measure the resistance of the wire harness side connector. Standard resistance
Tester Connection S15-11 (SPD) - Body ground Specified Condition 10 k or higher

Wire Harness Side S15

SPD
E107203E04

HINT: If the resistance between terminal 11 (SPD) and body ground is less than 10 k, there may be a short in a wire harness, connector, or an ECU that is connected to the SPD signal wire. NG REPAIR OR REPLACE HARNESS AND CONNECTOR

OK

AV

REPLACE STEREO COMPONENT AMPLIFIER

AUDIO / VISUAL AUDIO AND VISUAL SYSTEM

AV155

Microphone Circuit between Overhead J/B and Multi-display


DESCRIPTION
This circuit sends a microphone signal from the microphone to the multi-display. It also supplies power from multi-display to the microphone.

WIRING DIAGRAM

Overhead Junction Block Microphone Multi-display

ACC MI1+ MICShielded Shielded

MACC MIN+ MIN-

AV

E130117E01

INSPECTION PROCEDURE

CHECK MULTI-DISPLAY (MACC VOLTAGE) (a) Measure the voltage of the display. Standard voltage
Tester Connection M14-4 (MACC) - Body ground Condition Power switch ON (ACC) Specified Condition 10 to 14 V

M14

MACC

NG

REPLACE MULTI-DISPLAY

E129491E01

OK

AV156

AUDIO / VISUAL AUDIO AND VISUAL SYSTEM

CHECK WIRE HARNESS (MULTI-DISPLAY - OVERHEAD JUNCTION BLOCK) (a) Disconnect the M14 display connector. (b) Disconnect the O3 junction block connector. (c) Measure the resistance of the wire harness side connectors. Standard resistance
Tester Connection M14-4 (MACC) - O3-7 (ACC) M14-2 (MIN+) - O3-8 (MI1+) M14-3 (MIN-) - O3-9 (MIC-) Specified Condition Below 1 Below 1 Below 1 10 k or higher 10 k or higher 10 k or higher

Wire Harness Side

Multi-display M14

MIN+

MIN-

MACC

M14-4 (MACC) - Body ground M14-2 (MIN+) - Body ground M14-3 (MIN-) - Body ground

Overhead Junction Block

NG

REPAIR OR REPLACE HARNESS AND CONNECTOR

AV
OK

O3 ACC MI1+ MIC-

E126436E03

PROCEED TO NEXT INSPECTION PROCEDURE SHOWN IN PROBLEM SYMPTOMS TABLE

AUDIO / VISUAL AUDIO AND VISUAL SYSTEM

AV157

Gateway ECU Communication Error


INSPECTION PROCEDURE

IDENTIFY COMPONENT SHOWN BY SUB-CODE (a) Enter the diagnostic mode. (b) Press the "LAN Mon" switch to change to "LAN Monitor" mode. (c) Identify the component which has stored this code. HINT: "110 (multi-display)" is the component shown by the sub-code in the example shown in the illustration. The sub-code will be indicated by its physical address. For details of the DTC display, refer to "DIAGNOSIS DISPLAY DETAILED DESCRIPTION" (see page AV22).

Example

AV

Component which has stored this code

DTC Component shown by sub-code


E107226E01

NEXT

CHECK POWER SOURCE CIRCUIT OF COMPONENT SHOWN BY SUB-CODE (a) Inspect the power source circuit of the component shown by the sub-code. If the power source circuit is operating normally, proceed to the next step.

Component table:
Component Multi-display (110) Stereo component amplifier (440) Proceed to Multi-display power source circuit (see page AV-175) Stereo component amplifier power source circuit (see page AV-173)

AV158
Component Radio receiver (190)

AUDIO / VISUAL AUDIO AND VISUAL SYSTEM


Proceed to Radio receiver power source circuit (see page AV-171)

NEXT

INSPECT RADIO RECEIVER (a) for 9 Speaker System: Disconnect the R5 and R6 receiver connectors. (b) for 6 Speaker System: Disconnect the R5 receiver connector. (c) Measure the resistance of the receiver. Standard resistance
Tester Connection R5-9 (TX1+) - R5-10 (TX1-)*1 R5-9 (TX+) - R5-10 (TX-)*2 R6-5 (TX+) - R6-15 (TX-)*2 Specified Condition 60 to 80 60 to 80 60 to 80

for 9 Speaker System Radio Receiver TX+ R5

TX-

AV
R6

Radio Receiver

HINT: *1: for 6 speaker system *2: for 9 speaker system NG REPLACE RADIO RECEIVER

TX+ TXfor 6 Speaker System TX1+ R5 Radio Receiver

TX1E107228E01

OK

CHECK WIRE HARNESS (GATEWAY ECU - COMPONENT SHOWN BY SUB-CODE) HINT: Start the check from the circuit that is near the component shown by the sub-code first. For details of the connectors, refer to the "TERMINALS OF ECU" (see page AV-31). (a) Referring to the AVC-LAN wiring diagram below, check the AVC-LAN circuit between the gateway ECU and the component shown by the sub-code.

AUDIO / VISUAL AUDIO AND VISUAL SYSTEM

AV159

(1) Disconnect all connectors between the gateway ECU and the component shown by sub-code. (2) Check for an open or short in the AVC-LAN circuit between the gateway ECU and the component shown by the sub-code. OK: There is no open or short circuit.
AVC-LAN Wiring Diagram

Gateway ECU

Multi-display

Radio Receiver

GTX+ Slave Unit GTX-

TX1+

TX2+

TX1+*1 TX+*2 TX1-*1 TX-*2

Master Unit TX1TX2-

AV

Slave Unit Stereo Component Amplifier*2

TX+*2 *1: for 6 Speaker System *2: for 9 Speaker System Slave Unit TX-*2

*2

TX+*2

*2

TX-*2

E126611E01

NG OK

REPAIR OR REPLACE HARNESS AND CONNECTOR

REPLACE COMPONENT SHOWN BY SUB-CODE (a) Replace the component shown by the sub-code with a normal one and check if the same problem occurs again. OK: Same problem does not occur. NG REPLACE GATEWAY ECU

AV160 OK END

AUDIO / VISUAL AUDIO AND VISUAL SYSTEM

AV

AUDIO / VISUAL AUDIO AND VISUAL SYSTEM

AV161

Radio Receiver Communication Error


INSPECTION PROCEDURE

IDENTIFY COMPONENT SHOWN BY SUB-CODE (a) Enter the diagnostic mode. (b) Press the "LAN Mon" switch to change to "LAN Monitor" mode. (c) Identify the component which has stored this code. HINT: "110 (multi-display)" is the component shown by the sub-code in the example shown in the illustration. The sub-code will be indicated by its physical address. For details of the DTC display, refer to "DIAGNOSIS DISPLAY DETAILED DESCRIPTION" (see page AV22).

Example

AV

Component which has stored this code

DTC Component shown by sub-code


E107226E01

NEXT

CHECK POWER SOURCE CIRCUIT OF COMPONENT SHOWN BY SUB-CODE (a) Inspect the power source circuit of the component shown by the sub-code. If the power source circuit is operating normally, proceed to the next step.

Component table:
Component Gateway ECU (1C6) Stereo component amplifier (440) Proceed to Gateway ECU power source circuit (see page AV-177) Stereo component amplifier power source circuit (see page AV-173)

AV162
Component Multi-display (110)

AUDIO / VISUAL AUDIO AND VISUAL SYSTEM


Proceed to Multi-display power source circuit (see page AV-175)

NEXT

INSPECT RADIO RECEIVER (a) for 9 Speaker System: Disconnect the R5 and R6 receiver connectors. (b) for 6 Speaker System: Disconnect the R5 receiver connector. (c) Measure the resistance of the receiver. Standard resistance
Tester Connection R5-9 (TX1+) - R5-10 (TX1-)*1 R5-9 (TX+) - R5-10 (TX-)*2 R6-5 (TX+) - R6-15 (TX-)*2 Specified Condition 60 to 80 60 to 80 60 to 80

for 9 Speaker System Radio Receiver TX+ R5

TX-

AV
R6

Radio Receiver

HINT: *1: for 6 speaker system *2: for 9 speaker system NG REPLACE RADIO RECEIVER

TX+ TXfor 6 Speaker System TX1+ R5 Radio Receiver

TX1E107228E01

OK

CHECK WIRE HARNESS (RADIO RECEIVER - COMPONENT SHOWN BY SUB-CODE) HINT: Start the check from the circuit that is near the component shown by the sub-code first. For details of the connectors, refer to the "TERMINALS OF ECU" (see page AV-31). (a) Referring to the AVC-LAN wiring diagram below, check the AVC-LAN circuit between the radio receiver and the component shown by the sub-code.

AUDIO / VISUAL AUDIO AND VISUAL SYSTEM

AV163

(1) Disconnect all connectors between the radio receiver and the component shown by sub-code. (2) Check for an open or short in the AVC-LAN circuit between the radio receiver and the component shown by the sub-code. OK: There is no open or short circuit.
AVC-LAN Wiring Diagram

Gateway ECU

Multi-display

Radio Receiver

GTX+ Slave Unit GTX-

TX1+

TX2+

TX1+*1 TX+*2 TX1-*1 TX-*2

Master Unit TX1TX2-

AV

Slave Unit Stereo Component Amplifier*2

TX+*2 *1: for 6 Speaker System *2: for 9 Speaker System Slave Unit TX-*2

*2

TX+*2

*2

TX-*2

E126611E01

NG OK

REPAIR OR REPLACE HARNESS AND CONNECTOR

REPLACE COMPONENT SHOWN BY SUB-CODE (a) Replace the component shown by the sub-code with a normal one and check if the same problem occurs again. OK: Same problem does not occur. NG REPLACE RADIO RECEIVER

AV164 OK END

AUDIO / VISUAL AUDIO AND VISUAL SYSTEM

AV

AUDIO / VISUAL AUDIO AND VISUAL SYSTEM

AV165

Stereo Component Amplifier Communication Error


INSPECTION PROCEDURE

IDENTIFY COMPONENT SHOWN BY SUB-CODE (a) Enter the diagnostic mode. (b) Press the "LAN Mon" switch to change to "LAN Monitor" mode. (c) Identify the component which has stored this code. HINT: "110 (multi-display)" is the component shown by the sub-code in the example shown in the illustration. The sub-code will be indicated by its physical address. For details of the DTC display, refer to "DIAGNOSIS DISPLAY DETAILED DESCRIPTION" (see page AV22).

Example

AV

Component which has stored this code

DTC Component shown by sub-code


E107226E01

NEXT

CHECK POWER SOURCE CIRCUIT OF COMPONENT SHOWN BY SUB-CODE (a) Inspect the power source circuit of the component shown by the sub-code. If the power source circuit is operating normally, proceed to the next step.

Component table:
Component Gateway ECU (1C6) Multi-display (110) Proceed to Gateway ECU power source circuit (see page AV-177) Multi-display power source circuit (see page AV-175)

AV166
Component Radio receiver (190)

AUDIO / VISUAL AUDIO AND VISUAL SYSTEM


Proceed to Radio receiver power source circuit (see page AV-171)

NEXT

INSPECT RADIO RECEIVER (a) for 9 Speaker System: Disconnect the R5 and R6 receiver connectors. (b) for 6 Speaker System: Disconnect the R5 receiver connector. (c) Measure the resistance of the receiver. Standard resistance
Tester Connection R5-9 (TX1+) - R5-10 (TX1-)*1 R5-9 (TX+) - R5-10 (TX-)*2 R6-5 (TX+) - R6-15 (TX-)*2 Specified Condition 60 to 80 60 to 80 60 to 80

for 9 Speaker System Radio Receiver TX+ R5

TX-

AV
R6

Radio Receiver

HINT: *1: for 6 speaker system *2: for 9 speaker system NG REPLACE RADIO RECEIVER

TX+ TXfor 6 Speaker System TX1+ R5 Radio Receiver

TX1E107228E01

OK

CHECK WIRE HARNESS (STEREO COMPONENT AMPLIFIER - COMPONENT SHOWN BY SUB-CODE) HINT: Start the check from the circuit that is near the component shown by the sub-code first. For details of the connectors, refer to the "TERMINALS OF ECU" (see page AV-31). (a) Referring to the AVC-LAN wiring diagram below, check the AVC-LAN circuit between the stereo component amplifier and the component shown by the sub-code.

AUDIO / VISUAL AUDIO AND VISUAL SYSTEM

AV167

(1) Disconnect all connectors between the stereo component amplifier and the component shown by sub-code. (2) Check for an open or short in the AVC-LAN circuit between the stereo component amplifier and the component shown by the sub-code. OK: There is no open or short circuit.
AVC-LAN Wiring Diagram

Gateway ECU

Multi-display

Radio Receiver

GTX+ Slave Unit GTX-

TX1+

TX2+

TX1+*1 TX+*2 TX1-*1 TX-*2

Master Unit TX1TX2-

AV

Slave Unit Stereo Component Amplifier*2

TX+*2 *1: for 6 Speaker System *2: for 9 Speaker System Slave Unit TX-*2

*2

TX+*2

*2

TX-*2

E126611E01

NG OK

REPAIR OR REPLACE HARNESS AND CONNECTOR

REPLACE COMPONENT SHOWN BY SUB-CODE (a) Replace the component shown by the sub-code with a normal one and check if the same problem occurs again. OK: Same problem does not occur.

AV168

AUDIO / VISUAL AUDIO AND VISUAL SYSTEM

NG OK END

REPLACE STEREO COMPONENT AMPLIFIER

AV

AUDIO / VISUAL AUDIO AND VISUAL SYSTEM

AV169

Multi-display Communication Error


INSPECTION PROCEDURE

IDENTIFY COMPONENT SHOWN BY SUB-CODE (a) Enter the diagnostic mode. (b) Press the "LAN Mon" switch to change to "LAN Monitor" mode. (c) Identify the component which has stored this code. HINT: "110 (multi-display)" is the component shown by the sub-code in the example shown in the illustration. The sub-code will be indicated by its physical address. For details of the DTC display, refer to "DIAGNOSIS DISPLAY DETAILED DESCRIPTION" (see page AV22).

Example

AV

Component which has stored this code

DTC Component shown by sub-code


E107226E01

NEXT

CHECK POWER SOURCE CIRCUIT OF COMPONENT SHOWN BY SUB-CODE (a) Inspect the power source circuit of the component shown by the sub-code. If the power source circuit is operating normally, proceed to the next step.

Component table:
Component Gateway ECU (1C6) Stereo component amplifier (440) Proceed to Gateway ECU power source circuit (see page AV-177) Stereo component amplifier power source circuit (see page AV-173)

AV170
Component Radio Receiver (190)

AUDIO / VISUAL AUDIO AND VISUAL SYSTEM


Proceed to Radio receiver power source circuit (see page AV-171)

NEXT

INSPECT RADIO RECEIVER (a) for 9 Speaker System: Disconnect the R5 and R6 receiver connectors. (b) for 6 Speaker System: Disconnect the R5 receiver connector. (c) Measure the resistance of the receiver. Standard resistance
Tester Connection R5-9 (TX1+) - R5-10 (TX1-)*1 R5-9 (TX+) - R5-10 (TX-)*2 R6-5 (TX+) - R6-15 (TX-)*2 Specified Condition 60 to 80 60 to 80 60 to 80

for 9 Speaker System Radio Receiver TX+ R5

TX-

AV
R6

Radio Receiver

HINT: *1: for 6 speaker system *2: for 9 speaker system NG REPLACE RADIO RECEIVER

TX+ TXfor 6 Speaker System TX1+ R5 Radio Receiver

TX1E107228E01

OK

CHECK WIRE HARNESS (MULTI-DISPLAY - COMPONENT SHOWN BY SUB-CODE) HINT: Start the check from the circuit that is near the component shown by the sub-code first. For details of the connectors, refer to the "TERMINALS OF ECU" (see page AV-31). (a) Referring to the AVC-LAN wiring diagram below, check the AVC-LAN circuit between the multi-display and the component shown by the sub-code.

AUDIO / VISUAL AUDIO AND VISUAL SYSTEM

AV171

(1) Disconnect all connectors between the multi-display and the component shown by sub-code. (2) Check for an open or short in the AVC-LAN circuit between the multi-display and the component shown by the sub-code. OK: There is no open or short circuit.
AVC-LAN Wiring Diagram

Gateway ECU

Multi-display

Radio Receiver

GTX+ Slave Unit GTX-

TX1+

TX2+

TX1+*1 TX+*2 TX1-*1 TX-*2

Master Unit TX1TX2-

AV

Slave Unit Stereo Component Amplifier*2

TX+*2 *1: for 6 Speaker System *2: for 9 Speaker System Slave Unit TX-*2

*2

TX+*2

*2

TX-*2

E126611E01

NG OK

REPAIR OR REPLACE HARNESS AND CONNECTOR

REPLACE COMPONENT SHOWN BY SUB-CODE (a) Replace the component shown by the sub-code with a normal one and check if the same problem occurs again. OK: Same problem does not occur. NG REPLACE MULTI-DISPLAY

AV172 OK END

AUDIO / VISUAL AUDIO AND VISUAL SYSTEM

AV

AUDIO / VISUAL AUDIO AND VISUAL SYSTEM

AV173

Radio Receiver Power Source Circuit


DESCRIPTION
This circuit provides power to the radio receiver.

WIRING DIAGRAM

Radio Receiver

from Battery

DOME

+B

AV
from ACC Relay ACC ACC

GND

E107218E01

INSPECTION PROCEDURE

INSPECT FUSE (DOME, ACC) (a) Disconnect the DOME fuse from the engine room junction block.

AV174

AUDIO / VISUAL AUDIO AND VISUAL SYSTEM

(b) Disconnect the ACC fuse from the driver side junction block. (c) Measure the resistance of the fuses. Standard resistance: Below 1 NG OK REPLACE FUSE

CHECK WIRE HARNESS (RECEIVER - BATTERY AND BODY GROUND) (a) Disconnect the R3*1 or R6*2 receiver connector. HINT: *1: for 6 speaker system *2: for 9 speaker system (b) Measure the resistance of the wire harness side connector. Standard resistance
Tester Connection Specified Condition Below 1 R3-7 (GND) - Body ground*1 R6-20 (GND) - Body ground*2

Wire Harness Side for 9 Speaker System Radio Receiver R6 +B

AV

ACC for 6 Speaker System Radio Receiver

GND

(c) Measure the voltage of the wire harness side connector. Standard voltage
Tester Connection Condition Always Specified Condition 10 to 14 V

ACC R3 GND
E129162E01

R3-4 (+B) - R3-7 (GND)*1 R6-1 (+B) - R6-20 (GND)*2 R3-3 (ACC) - R3-7 (GND)*1 R6-11 (ACC) - R6-20 (GND)*2

+B

Power switch ON (ACC)

10 to 14 V

NG OK

REPAIR OR REPLACE HARNESS AND CONNECTOR

PROCEED TO NEXT CIRCUIT INSPECTION SHOWN IN PROBLEM SYMPTOMS TABLE

AUDIO / VISUAL AUDIO AND VISUAL SYSTEM

AV175

Stereo Component Amplifier Power Source Circuit


DESCRIPTION
This circuit provides power to the stereo component amplifier.

WIRING DIAGRAM

Stereo Component Amplifier

from Battery

AMP

+B

+B2

AV

from ACC Relay

ACC

ACC

GND

GND2

E107219E01

INSPECTION PROCEDURE

INSPECT FUSE (AMP, ACC) (a) Disconnect the AMP fuse from the engine room junction block.

AV176

AUDIO / VISUAL AUDIO AND VISUAL SYSTEM

(b) Disconnect the ACC fuse from the driver side junction block. (c) Measure the resistance of the fuses. Standard resistance: Below 1 NG OK REPLACE FUSE

CHECK WIRE HARNESS (AMPLIFIER - BATTERY AND BODY GROUND) (a) Disconnect the S14, S15 and S29 amplifier connectors. (b) Measure the resistance of the wire harness side connector. Standard resistance
Tester Connection S29-6 (GND) - Body ground S29-7 (GND2) - Body ground Specified Condition Below 1 Below 1

Wire Harness Side

Stereo Component Amplifier +B S14

AV

+B2

(c) Measure the voltage of the wire harness side connectors. Standard voltage
Tester Connection Condition Always Always Power switch ON (ACC) Specified Condition 10 to 14 V 10 to 14 V 10 to 14 V S14-1 (+B) - S29-6 (GND) S14-5 (+B2) - S29-6 (GND)

Stereo Component Amplifier

S15

ACC

S15-12 (ACC) - S29-6 (GND)

NG

REPAIR OR REPLACE HARNESS AND CONNECTOR

Stereo Component Amplifier

S29

GND

GND2
E107220E02

OK PROCEED TO NEXT CIRCUIT INSPECTION SHOWN IN PROBLEM SYMPTOMS TABLE

AUDIO / VISUAL AUDIO AND VISUAL SYSTEM

AV177

Multi-display Power Source Circuit


DESCRIPTION
This circuit provides power to the multi-display.

WIRING DIAGRAM

Multi-display

from Battery

ECU-B

+B1

AV
from ACC Relay ACC ACC

GND*1 GND1*2 *1: for 4 Connector Type *2: for 3 Connector Type

E107218E04

INSPECTION PROCEDURE

INSPECT FUSE (ECU-B, ACC) (a) Disconnect the ECU-B and ACC fuses from the driver side junction block. (b) Measure the resistance of the fuses.

AV178

AUDIO / VISUAL AUDIO AND VISUAL SYSTEM

Standard resistance: Below 1 NG OK REPLACE FUSE

CHECK WIRE HARNESS (MULTI-DISPLAY - BATTERY AND BODY GROUND) (a) Disconnect the M13 connector. (b) Measure the resistance of the wire harness side connector. Standard resistance
Tester Connection M13-1 (GND) - Body ground*1 Specified Condition Below 1 Below 1

Wire Harness Side ACC*1 GND*1 +B1*1 ACC*2 GND1*2 B1*2

M13

M13-3 (GND1) - Body ground*2

(c) Measure the voltage of the wire harness side connector. Standard voltage
Tester Connection Condition Power switch ON (ACC) Always Power switch ON (ACC) Always Specified Condition 10 to 14 V 10 to 14 V 10 to 14 V 10 to 14 V M13-2 (ACC) - Body ground*1 M13-3 (+B1) - Body ground*1
B118155E15

AV

*1: for 4 Connector Type *2: for 3 Connector Type

M13-11 (ACC) - Body ground*2 M13-12 (B1) - Body ground*2

HINT: *1: for 4 Connector type *2: for 3 Connector type NG OK PROCEED TO NEXT CIRCUIT INSPECTION SHOWN IN PROBLEM SYMPTOMS TABLE REPAIR OR REPLACE HARNESS AND CONNECTOR

AUDIO / VISUAL AUDIO AND VISUAL SYSTEM

AV179

Gateway ECU Power Source Circuit


DESCRIPTION
This is the power source circuit to operate the gateway ECU.

WIRING DIAGRAM

Gateway ECU

from IG1 Relay

ECU-IG

IG

from ACC Relay

ACC

ACC

AV

from Battery

ECU-B

BATT

GND

E107221E01

INSPECTION PROCEDURE

INSPECT FUSE (ECU-IG, ACC, ECU-B) (a) Disconnect the ECU-IG, ECU-B and ACC fuses from the driver side junction block. (b) Measure the resistance of the fuses.

AV180

AUDIO / VISUAL AUDIO AND VISUAL SYSTEM

Standard resistance: Below 1 NG OK REPLACE FUSE

CHECK WIRE HARNESS (GATEWAY ECU - BATTERY AND BODY GROUND) (a) Disconnect the G1 ECU connector. (b) Measure the resistance of the wire harness side connector. Standard resistance
Tester connection G1-24 (GND) - Body ground Specified condition Below 1

Wire Harness Side ACC IG G1

BATT

GND
E107222E02

(c) Measure the voltage of the wire harness side connector. Standard voltage
Tester connection G1-10 (BATT) - G1-24 (GND) Condition Always Power switch ON (ACC) Power switch ON (IG) Specified condition 10 to 14 V 10 to 14 V 10 to 14 V

AV

G1-2 (ACC) - G1-24 (GND) G1-1 (IG) - G1-24 (GND)

NG OK

REPAIR OR REPLACE HARNESS AND CONNECTOR

PROCEED TO NEXT CIRCUIT INSPECTION SHOWN IN PROBLEM SYMPTOMS TABLE

AUDIO / VISUAL RADIO RECEIVER

AV179

RADIO RECEIVER
AUDIO / VISUAL BODY ELECTRICAL

COMPONENTS

MULTI-DISPLAY ASSEMBLY

AV

RADIO RECEIVER ASSEMBLY

NO. 3 INSTRUMENT PANEL REGISTER ASSEMBLY

NO. 4 INSTRUMENT PANEL REGISTER ASSEMBLY

INSTRUMENT CLUSTER FINISH PANEL ASSEMBLY CENTER

B139837E01

AV180

AUDIO / VISUAL RADIO RECEIVER

RADIO RECEIVER ASSEMBLY

NO. 1 RADIO BRACKET NO. 2 RADIO BRACKET

AV

STEREO OPENING COVER

B139836E01

AUDIO / VISUAL RADIO RECEIVER

AV181

REMOVAL
1. DISCONNECT CABLE FROM NEGATIVE BATTERY TERMINAL CAUTION: Wait at least 90 seconds after disconnecting the cable from the negative (-) battery terminal to prevent airbag and seat belt pretensioner activation. REMOVE NO. 3 INSTRUMENT PANEL REGISTER ASSEMBLY (See page IP-6) REMOVE NO. 4 INSTRUMENT PANEL REGISTER ASSEMBLY (See page IP-6) REMOVE INSTRUMENT CLUSTER FINISH PANEL ASSEMBLY CENTER (See page IP-18) REMOVE MULTI-DISPLAY ASSEMBLY (See page NS172) REMOVE RADIO RECEIVER WITH BRACKET (a) Remove the 4 screws. (b) Disconnect the connector and remove the radio receiver w/ bracket.

2. 3. 4. 5. 6.

AV

I038866E01

7.

REMOVE NO. 1 RADIO BRACKET (a) Remove the 6 screws and No. 1 radio bracket.

I038867E01

AV182

AUDIO / VISUAL RADIO RECEIVER

8.

REMOVE NO. 2 RADIO BRACKET (a) Remove the 6 screws and No. 2 radio bracket.

I038868E01

INSTALLATION
1. INSTALL NO. 2 RADIO BRACKET (a) Install the No. 2 radio bracket to the radio receiver with the 6 screws.

I038868E01

AV

2.

INSTALL NO. 1 RADIO BRACKET (a) Install the No. 1 radio bracket to the radio receiver with the 6 screws.

I038867E01

AUDIO / VISUAL RADIO RECEIVER

AV183

3.

INSTALL RADIO RECEIVER WITH BRACKET (a) Connect all the connectors and install the radio receiver. (b) Install the 4 screws. INSTALL MULTI-DISPLAY ASSEMBLY (See page NS172) INSTALL INSTRUMENT CLUSTER FINISH PANEL ASSEMBLY CENTER (See page IP-22) INSTALL NO. 4 INSTRUMENT PANEL REGISTER ASSEMBLY (See page IP-12) INSTALL NO. 3 INSTRUMENT PANEL REGISTER ASSEMBLY (See page IP-13) CONNECT CABLE TO NEGATIVE BATTERY TERMINAL PERFORM INITIALIZATION (a) Perform initialization (see page IN-32). NOTICE: Certain systems need to be initialized after disconnecting and reconnecting the cable from the negative (-) battery terminal.

4. 5. 6. 7. 8. 9.

AV

I038866E01

AV184
AUDIO / VISUAL BODY ELECTRICAL

AUDIO / VISUAL STEREO COMPONENT AMPLIFIER

STEREO COMPONENT AMPLIFIER


COMPONENTS

AV

AUDIO AMPLIFIER COVER

STEREO COMPONENT AMPLIFIER ASSEMBLY

B139844E01

AUDIO / VISUAL STEREO COMPONENT AMPLIFIER

AV185

REMOVAL
1. DISCONNECT CABLE FROM NEGATIVE BATTERY TERMINAL CAUTION: Wait at least 90 seconds after disconnecting the cable from the negative (-) battery terminal to prevent airbag and seat belt pretensioner activation. REMOVE FRONT SEAT ASSEMBLY RH (See page SE-4) REMOVE AUDIO AMPLIFIER COVER (a) Detach the 2 clips and amplifier cover.

2. 3.

I039615E01

4.

REMOVE STEREO COMPONENT AMPLIFIER ASSEMBLY (a) Disconnect the connector. (b) Remove the 3 bolts and stereo component amplifier.

AV

E071459E01

INSTALLATION
1. INSTALL STEREO COMPONENT AMPLIFIER ASSEMBLY (a) Connect the connector. (b) Install the stereo component amplifier with the 3 bolts.

E071459E01

2. 3. 4.

INSTALL AUDIO AMPLIFIER COVER (a) Attach the 2 clips to install the amplifier cover. INSTALL FRONT SEAT ASSEMBLY RH (See page SE10) CONNECT CABLE TO NEGATIVE BATTERY TERMINAL

I039615E01

AV186

AUDIO / VISUAL STEREO COMPONENT AMPLIFIER

5.

PERFORM INITIALIZATION (a) Perform initialization (see page IN-32). NOTICE: Certain systems need to be initialized after disconnecting and reconnecting the cable from the negative (-) battery terminal.

AV

AUDIO / VISUAL FRONT NO. 1 SPEAKER

AV187

FRONT NO. 1 SPEAKER


AUDIO / VISUAL BODY ELECTRICAL

COMPONENTS

AV

FRONT NO. 1 SPEAKER ASSEMBLY

RIVET

Non-reusable part
B139841E01

AV188

AUDIO / VISUAL FRONT NO. 1 SPEAKER

REMOVAL
HINT: Use the same procedures for the RH side and LH sides. The procedures listed below are for the LH side. 1. DISCONNECT CABLE FROM NEGATIVE BATTERY TERMINAL CAUTION: Wait at least 90 seconds after disconnecting the cable from the negative (-) battery terminal to prevent airbag and seat belt pretensioner activation. REMOVE FRONT DOOR LOWER FRAME BRACKET GARNISH LH (See page ED-11) REMOVE FRONT DOOR INSIDE HANDLE BEZEL LH (See page ED-11) REMOVE DOOR PULL HANDLE (See page ED-11) REMOVE FRONT ARMREST BASE PANEL UPPER LH (See page ED-11) REMOVE FRONT DOOR TRIM BOARD SUBASSEMBLY LH (See page ED-12) REMOVE FRONT NO. 1 SPEAKER ASSEMBLY (a) Disconnect the connector. (b) Using a drill bit with a diameter of less than 4 mm (0.16 in.), drill out the 3 rivet heads and remove the speaker. NOTICE: Do not drill the rivet at an angle as this will cause damage to the drill and drill hole. Line up the drill and rivet, and carefully drill out the rivet head. Be careful. The cut rivet is very hot. (c) Continue drilling and push out the remaining rivet fragments. (d) Using a vacuum cleaner, remove the rivet fragments and shavings from the inside of the door.

2. 3. 4. 5. 6.

AV

7.

I036712E01

AUDIO / VISUAL FRONT NO. 1 SPEAKER

AV189

INSTALLATION
HINT: Use the same procedures for the RH and LH sides. The procedures listed below are for the LH side. 1.
(1) (2)

INSTALL FRONT NO. 1 SPEAKER ASSEMBLY (a) Using an air riveter or hand riveter, install the speaker with 3 new rivets. HINT: Install the new strike rivets in the order shown in the illustration.

(3)

I036713E03

Riveter

NOTICE: Do not pry the rivet with the riveter, as this will cause damage to the riveter and mandrel.

AV
Mandrel
H002440E04

Riveter

Confirm that the rivets are seated properly against the speaker. Do not tilt the riveter when installing the rivet to the speaker. Do not leave any space between the rivet head and speaker.

Riveter

H002441E03

Do not leave any space between the speaker and door. Firmly hold together the 2 items while installing the rivet. (b) Connect the connector.
Riveter

2. 3.
H002442E03

INSTALL FRONT DOOR TRIM BOARD SUBASSEMBLY LH (See page ED-21) INSTALL FRONT ARMREST BASE PANEL UPPER LH (See page ED-21) INSTALL DOOR PULL HANDLE (See page ED-22) INSTALL FRONT DOOR INSIDE HANDLE BEZEL LH (See page ED-22) INSTALL FRONT DOOR LOWER FRAME BRACKET GARNISH LH (See page ED-22) CONNECT CABLE TO NEGATIVE BATTERY TERMINAL

4. 5. 6. 7.

AV190

AUDIO / VISUAL FRONT NO. 1 SPEAKER

8.

PERFORM INITIALIZATION (a) Perform initialization (see page IN-32). NOTICE: Certain systems need to be initialized after disconnecting and reconnecting the cable from the negative (-) battery terminal.

AV

AV190
AUDIO / VISUAL BODY ELECTRICAL

AUDIO / VISUAL FRONT NO. 2 SPEAKER

FRONT NO. 2 SPEAKER


COMPONENTS

AV

FRONT NO. 2 SPEAKER ASSEMBLY

B139838E01

AUDIO / VISUAL FRONT NO. 2 SPEAKER

AV191

REMOVAL
HINT: Use the same procedures for the RH and LH sides. The procedures listed below are for the LH side. 1. DISCONNECT CABLE FROM NEGATIVE BATTERY TERMINAL CAUTION: Wait at least 90 seconds after disconnecting the cable from the negative (-) battery terminal to prevent airbag and seat belt pretensioner activation. REMOVE FRONT DOOR LOWER FRAME BRACKET GARNISH LH (See page ED-11) REMOVE FRONT NO. 2 SPEAKER ASSEMBLY (a) Detach the 3 claws and remove the speaker.

2. 3.

AV
I038877E02

AV192

AUDIO / VISUAL FRONT NO. 2 SPEAKER

INSTALLATION
HINT: Use the same procedures for the RH and LH sides. The procedures listed below are for the LH side. 1. 2. 3. 4.
I038877E02

INSTALL FRONT NO. 2 SPEAKER ASSEMBLY (a) Attach the 3 claws to install the speaker. INSTALL FRONT DOOR LOWER FRAME BRACKET GARNISH LH (See page ED-22) CONNECT CABLE TO NEGATIVE BATTERY TERMINAL PERFORM INITIALIZATION (a) Perform initialization (see page IN-32). NOTICE: Certain systems need to be initialized after disconnecting and reconnecting the cable from the negative (-) battery terminal.

AV

AV192
AUDIO / VISUAL BODY ELECTRICAL

AUDIO / VISUAL STEREO COMPONENT SPEAKER

STEREO COMPONENT SPEAKER


COMPONENTS

INSTRUMENT PANEL SPEAKER PANEL SUB-ASSEMBLY

AV

FRONT STEREO COMPONENT SPEAKER ASSEMBLY

B139842E01

AUDIO / VISUAL STEREO COMPONENT SPEAKER

AV193

REMOVAL
1. DISCONNECT CABLE FROM NEGATIVE BATTERY TERMINAL CAUTION: Wait at least 90 seconds after disconnecting the cable from the negative (-) battery terminal to prevent airbag and seat belt pretensioner activation. REMOVE FRONT STEREO COMPONENT SPEAKER ASSEMBLY (a) Detach the 4 claws and remove the instrument panel speaker panel. (b) Disconnect the connector.

2.

I041455E02

(c) Remove the 2 screws and detach the clamp, and then remove the speaker.

AV

I040164E02

INSTALLATION
1. INSTALL FRONT STEREO COMPONENT SPEAKER ASSEMBLY (a) Install the speaker with the 2 screws and clamp. (b) Connect the connector.

I040164E02

(c) Attach the 4 claws to install the speaker panel. 2. 3. CONNECT CABLE TO NEGATIVE BATTERY TERMINAL PERFORM INITIALIZATION (a) Perform initialization (see page IN-32). NOTICE: Certain systems need to be initialized after disconnecting and reconnecting the cable from the negative (-) battery terminal.

I041455E02

AV194

AUDIO / VISUAL REAR SPEAKER

REAR SPEAKER
AUDIO / VISUAL BODY ELECTRICAL

COMPONENTS

AV

REAR SPEAKER ASSEMBLY

RIVET

Non-reusable part
B139839E01

AUDIO / VISUAL REAR SPEAKER

AV195

REMOVAL
HINT: Use the same procedures for the RH side and LH sides. The procedures listed below are for the LH side. 1. DISCONNECT CABLE FROM NEGATIVE BATTERY TERMINAL CAUTION: Wait at least 90 seconds after disconnecting the cable from the negative (-) battery terminal to prevent airbag and seat belt pretensioner activation. REMOVE REAR DOOR INSIDE HANDLE BEZEL LH (See page ED-28) REMOVE DOOR PULL HANDLE (See page ED-28) REMOVE REAR DOOR ARMREST BASE PANEL UPPER LH (See page ED-28) REMOVE REAR DOOR TRIM BOARD SUBASSEMBLY LH (See page ED-28) REMOVE REAR SPEAKER ASSEMBLY (a) Disconnect the connector. (b) Using a drill bit with a diameter of less than 4 mm (0.16 in.), drill out the 3 rivet heads and remove the speaker. NOTICE: Do not drill the rivet at an angle as this will cause damage to the drill and drill hole. Line up the drill and rivet, and carefully drill out the rivet head. Be careful as the cut rivet will be very hot. (c) Continue drilling and push out the remaining rivet fragments. (d) Using a vacuum cleaner, remove the rivet fragments and shavings from the inside of the door.

2. 3. 4. 5. 6.

AV

I036712E01

AV196

AUDIO / VISUAL REAR SPEAKER

INSTALLATION
HINT: Use the same procedures for the RH and LH sides. The procedures listed below are for the LH side. 1.
(1) (2)

INSTALL REAR SPEAKER ASSEMBLY (a) Using an air riveter or hand riveter, install the speaker with 3 new rivets. HINT: Install the new strike rivets in the order shown in the illustration.

(3)

I036713E03

Riveter

NOTICE: Do not pry the rivet with the riveter, as this will cause damage to the riveter and mandrel.

AV
Mandrel
H002440E04

Riveter

Confirm that the rivets are seated properly against the speaker. Do not tilt the riveter when installing the rivet to the speaker. Do not leave any space between the rivet head and speaker.

Riveter

H002441E03

Do not leave any space between the speaker and door. Firmly hold together the 2 items while installing the rivet. (b) Connect the connector.
Riveter

2. 3.
H002442E03

INSTALL REAR DOOR TRIM BOARD SUBASSEMBLY LH (See page ED-37) INSTALL REAR DOOR ARMREST BASE PANEL UPPER LH (See page ED-37) INSTALL DOOR PULL HANDLE (See page ED-37) INSTALL REAR DOOR INSIDE HANDLE BEZEL LH (See page ED-37) CONNECT CABLE TO NEGATIVE BATTERY TERMINAL

4. 5. 6.

AUDIO / VISUAL REAR SPEAKER

AV197

7.

PERFORM INITIALIZATION (a) Perform initialization (see page IN-32). NOTICE: Certain systems need to be initialized after disconnecting and reconnecting the cable from the negative (-) battery terminal.

AV

AUDIO / VISUAL REAR NO. 2 SPEAKER

AV197

REAR NO. 2 SPEAKER


AUDIO / VISUAL BODY ELECTRICAL

COMPONENTS

AV

REAR NO. 2 SPEAKER ASSEMBLY

B139840E03

AV198

AUDIO / VISUAL REAR NO. 2 SPEAKER

REMOVAL
HINT: Use the same procedures for the RH side and LH sides. The procedures listed below are for the LH side. 1. DISCONNECT CABLE FROM NEGATIVE BATTERY TERMINAL CAUTION: Wait at least 90 seconds after disconnecting the cable from the negative (-) battery terminal to prevent airbag and seat belt pretensioner activation. REMOVE REAR DOOR INSIDE HANDLE BEZEL LH (See page ED-28) REMOVE DOOR PULL HANDLE (See page ED-28) REMOVE REAR DOOR ARMREST BASE PANEL UPPER LH (See page ED-28) REMOVE REAR DOOR TRIM BOARD SUBASSEMBLY LH (See page ED-28) REMOVE REAR NO. 2 SPEAKER ASSEMBLY (a) Detach the 3 claws and remove the speaker.

2. 3. 4. 5. 6.

AV

I039619E02

AUDIO / VISUAL REAR NO. 2 SPEAKER

AV199

INSTALLATION
HINT: Use the same procedures for the RH and LH sides. The procedures listed below are for the LH side. 1. 2. 3. 4.
I039619E02

INSTALL REAR NO. 2 SPEAKER ASSEMBLY (a) Attach the 3 claws to install the speaker. INSTALL REAR DOOR TRIM BOARD SUBASSEMBLY LH (See page ED-37) INSTALL REAR DOOR ARMREST BASE PANEL UPPER LH (See page ED-37) INSTALL DOOR PULL HANDLE (See page ED-37) INSTALL REAR DOOR INSIDE HANDLE BEZEL LH (See page ED-37) CONNECT CABLE TO NEGATIVE BATTERY TERMINAL PERFORM INITIALIZATION (a) Perform initialization (see page IN-32). NOTICE: Certain systems need to be initialized after disconnecting and reconnecting the cable from the negative (-) battery terminal.

5. 6. 7.

AV

AUDIO / VISUAL RADIO ANTENNA CORD

AV199

RADIO ANTENNA CORD


AUDIO / VISUAL BODY ELECTRICAL

COMPONENTS

NO. 2 ANTENNA CORD SUB-ASSEMBLY

ANTENNA CORD SUB-ASSEMBLY

AV

B139848E02

AV200

AUDIO / VISUAL RADIO ANTENNA CORD

REMOVAL
1. DISCONNECT CABLE FROM NEGATIVE BATTERY TERMINAL CAUTION: Wait at least 90 seconds after disconnecting the cable from the negative (-) battery terminal to prevent airbag and seat belt pretensioner activation. REMOVE ROOF HEADLINING ASSEMBLY (a) Remove the roof headlining (see page IR-7). REMOVE ANTENNA CORD SUB-ASSEMBLY

2. 3.

AV

I038874E02

(a) Disconnect the connector. (b) Remove the 10 clamps, ground bolt and antenna cord. 4. 5. REMOVE INSTRUMENT PANEL SUB- ASSEMBLY (a) Remove the instrument panel (see page IP-5). REMOVE NO. 2 ANTENNA CORD SUB-ASSEMBLY (a) Disconnect the connector. (b) Detach the 3 clamps and 2 claws, and then remove the antenna cord.

AUDIO / VISUAL RADIO ANTENNA CORD

AV201

AV
I038961E02

AV202

AUDIO / VISUAL RADIO ANTENNA CORD

INSTALLATION
1. INSTALL NO. 2 ANTENNA CORD SUB-ASSEMBLY (a) Attach the 3 clamps and 2 claws to install the antenna cord. (b) Connect the connector.

AV

I038961E02

2. 3.

INSTALL INSTRUMENT PANEL SUB-ASSEMBLY (a) Install the instrument panel (see page IP-11). INSTALL ANTENNA CORD SUB-ASSEMBLY (a) Attach the 10 clamps. Install the antenna cord with the bolt. Torque: 7.0 N*m (71 kgf*cm, 62 in.*lbf)

AUDIO / VISUAL RADIO ANTENNA CORD

AV203

(b) Connect the connector.

AV

I038874E02

4. 5. 6.

INSTALL ROOF HEADLINING ASSEMBLY (a) Install the roof headlining (see page IR-13). CONNECT CABLE TO NEGATIVE BATTERY TERMINAL PERFORM INITIALIZATION (a) Perform initialization (see page IN-32). NOTICE: Certain systems need to be initialized after disconnecting and reconnecting the cable from the negative (-) battery terminal.

AV204
AUDIO / VISUAL BODY ELECTRICAL

AUDIO / VISUAL RADIO ANTENNA HOLDER

RADIO ANTENNA HOLDER


COMPONENTS

ANTENNA (CORD / POLE SEPARATE TYPE) HOLDER ASSEMBLY

AV
5.0 (51, 44 in.*lbf)

N*m (kgf*cm, ft.*lbf) : Specified torque

B139846E01

AUDIO / VISUAL RADIO ANTENNA HOLDER

AV205

REMOVAL
1. DISCONNECT CABLE FROM NEGATIVE BATTERY TERMINAL CAUTION: Wait at least 90 seconds after disconnecting the cable from the negative (-) battery terminal to prevent airbag and seat belt pretensioner activation. REMOVE ROOF HEADLINING ASSEMBLY (a) Remove the roof headlining (see page IR-7). REMOVE ANTENNA (CORD / POLE SEPARATE TYPE) HOLDER ASSEMBLY (a) Disconnect the connector. (b) Remove the antenna nut. (c) Remove the clamp and detach the 2 claws to remove the antenna holder.

2. 3.

I038960E01

AV

I038872E02

INSTALLATION
1. INSTALL ANTENNA (CORD / POLE SEPARATE TYPE) HOLDER ASSEMBLY (a) Install the antenna holder assembly on the roof and align the antenna cord with the antenna nut cutout. (b) Tighten the antenna holder assembly with the antenna nut. Torque: 5.0 N*m (51 kgf*cm, 44 in.*lbf) (c) Attach the clamp. (d) Connect the connector. INSTALL ROOF HEADLINING ASSEMBLY (a) Install the roof headlining (see page IR-13). CONNECT CABLE TO NEGATIVE BATTERY TERMINAL

I038873E01

2. 3.

AV206

AUDIO / VISUAL RADIO ANTENNA HOLDER

4.

PERFORM INITIALIZATION (a) Perform initialization (see page IN-32). NOTICE: Certain systems need to be initialized after disconnecting and reconnecting the cable from the negative (-) battery terminal.

AV

AUDIO / VISUAL RADIO ANTENNA POLE

AV207

RADIO ANTENNA POLE


AUDIO / VISUAL BODY ELECTRICAL

COMPONENTS

ANTENNA POLE SUB-ASSEMBLY

AV

B139847E01

AV208

AUDIO / VISUAL RADIO ANTENNA POLE

REMOVAL
1. REMOVE ANTENNA POLE SUB-ASSEMBLY (a) Remove the antenna pole by turning it counterclockwise.

I032662E01

AV

AUDIO / VISUAL RADIO ANTENNA POLE

AV209

INSTALLATION
1. INSTALL ANTENNA POLE SUB-ASSEMBLY (a) Install the antenna pole by turning it clockwise.

AV

AUDIO / VISUAL NETWORK GATEWAY ECU

AV209

NETWORK GATEWAY ECU


AUDIO / VISUAL BODY ELECTRICAL

COMPONENTS

AV

NETWORK GATEWAY ECU

B136397E01

AV210

AUDIO / VISUAL NETWORK GATEWAY ECU

REMOVAL
1. DISCONNECT CABLE FROM NEGATIVE BATTERY TERMINAL CAUTION: Wait at least 90 seconds after disconnecting the cable from the negative (-) battery terminal to prevent airbag and seat belt pretensioner activation. REMOVE INSTRUMENT PANEL SUB-ASSEMBLY (a) Remove the instrument panel (see page IP-5). REMOVE NETWORK GATEWAY ECU (a) Disconnect the connector. (b) Remove the bolt and network gateway ECU.

2. 3.

I038881

AV

INSTALLATION
1. INSTALL NETWORK GATEWAY ECU (a) Install the network gateway ECU with the bolt. (b) Connect the connector. INSTALL INSTRUMENT PANEL SUB-ASSEMBLY (a) Install the instrument panel (see page IP-11). CONNECT CABLE TO NEGATIVE BATTERY TERMINAL PERFORM INITIALIZATION (a) Perform initialization (see page IN-32). NOTICE: Certain systems need to be initialized after disconnecting and reconnecting the cable from the negative (-) battery terminal.

2. 3.
I038881

4.

AUDIO / VISUAL STEERING PAD SWITCH

AV211

STEERING PAD SWITCH


PRECAUTION
1. PRECAUTION FOR VEHICLE WITH SRS (a) Some procedures in this section may affect the Supplemental Restraint System (SRS). Prior to performing the procedures, read the SRS section's "Precaution" ( see page RS-1).

AV

AV212

AUDIO / VISUAL STEERING PAD SWITCH

COMPONENTS

AV

STEERING PAD SWITCH RH

STEERING PAD SWITCH LH

B136395E01

AUDIO / VISUAL STEERING PAD SWITCH

AV213

REMOVAL
1. DISCONNECT CABLE FROM NEGATIVE BATTERY TERMINAL CAUTION: Wait at least 90 seconds after disconnecting the cable from the negative (-) battery terminal to prevent airbag and seat belt pretensioner activation. REMOVE NO. 2 STEERING WHEEL COVER LOWER REMOVE NO. 3 STEERING WHEEL COVER LOWER REMOVE STEERING PAD ASSEMBLY (See page RS268) REMOVE STEERING PAD SWITCH LH (a) Detach the 2 claws and pull out the steering pad switch. (b) Disconnect the connector and remove the steering pad switch.

2. 3. 4. 5.

I038856E02

AV
6. REMOVE STEERING PAD SWITCH RH (a) Detach the 2 claws and pull out the steering pad switch. (b) Disconnect the connector and remove the steering pad switch.

I038855E02

INSTALLATION
1. INSTALL STEERING PAD SWITCH LH (a) Connect the connector. (b) Attach the 2 claws to install the steering pad switch.

I038856E02

AV214

AUDIO / VISUAL STEERING PAD SWITCH

2.

INSTALL STEERING PAD SWITCH RH (a) Connect the connector. (b) Attach the 2 claws to install the steering pad switch. INSTALL STEERING PAD ASSEMBLY (See page RS269) INSTALL NO. 2 STEERING WHEEL COVER LOWER INSTALL NO. 3 STEERING WHEEL COVER LOWER CONNECT CABLE TO NEGATIVE BATTERY TERMINAL PERFORM INITIALIZATION (a) Perform initialization (see page IN-32). NOTICE: Certain systems need to be initialized after disconnecting and reconnecting the cable from the negative (-) battery terminal. INSPECT STEERING PAD ASSEMBLY (See page RS269) CHECK SRS WARNING LIGHT (See page RS-269)

3. 4. 5.
I038855E02

6. 7.

8. 9.

AV

AUDIO / VISUAL MICROPHONE AMPLIFIER

AV215

MICROPHONE AMPLIFIER
AUDIO / VISUAL BODY ELECTRICAL

COMPONENTS

MICROPHONE AMPLIFIER ASSEMBLY

AV

B139845E01

AV216

AUDIO / VISUAL MICROPHONE AMPLIFIER

REMOVAL
1. DISCONNECT CABLE FROM NEGATIVE BATTERY TERMINAL CAUTION: Wait at least 90 seconds after disconnecting the cable from the negative (-) battery terminal to prevent airbag and seat belt pretensioner activation. REMOVE MAP LIGHT ASSEMBLY (See page IR-12) REMOVE MICROPHONE AMPLIFIER ASSEMBLY (a) Remove the 3 screws and print board.

2. 3.

I038938E01

AV

(b) Detach the 4 claws and remove the amplifier cover. (c) Disconnect the connector.

I038939E02

(d) Remove the microphone amplifier.

I038940E01

AUDIO / VISUAL MICROPHONE AMPLIFIER

AV217

INSTALLATION
1. INSTALL MICROPHONE AMPLIFIER ASSEMBLY (a) Install the microphone amplifier. (b) Connect the connector.

I038940E01

(c) Attach the 4 claws to install the amplifier cover.

AV
I038939E02

(d) Install the print board with the 3 screws. 2. 3. 4. INSTALL MAP LIGHT ASSEMBLY (See page IR-15) CONNECT CABLE TO NEGATIVE BATTERY TERMINAL PERFORM INITIALIZATION (a) Perform initialization (see page IN-32). NOTICE: Certain systems need to be initialized after disconnecting and reconnecting the cable from the negative (-) battery terminal.

I038938

You might also like