KEMBAR78
Engine Immobiliser, Push-Button Start, Steering Lock, Smart Key System | PDF | Motor Vehicle | Transportation Engineering
100% found this document useful (2 votes)
590 views16 pages

Engine Immobiliser, Push-Button Start, Steering Lock, Smart Key System

Uploaded by

bakriramzi
Copyright
© © All Rights Reserved
We take content rights seriously. If you suspect this is your content, claim it here.
Available Formats
Download as PDF, TXT or read online on Scribd
100% found this document useful (2 votes)
590 views16 pages

Engine Immobiliser, Push-Button Start, Steering Lock, Smart Key System

Uploaded by

bakriramzi
Copyright
© © All Rights Reserved
We take content rights seriously. If you suspect this is your content, claim it here.
Available Formats
Download as PDF, TXT or read online on Scribd
You are on page 1/ 16

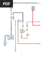
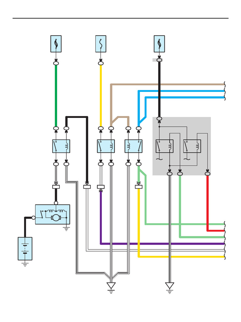
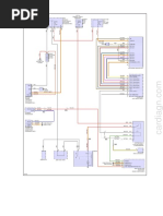
Engine Immobiliser , Push-Button Start , Steering Lock , Smart Key System

(BAT) (BAT) (BAT)

30A 25A 140A


ST/AM2 IG2 ALT

1 1A
1 1

B
G

Y
BE

BE

L
B BE
1 IA

1 1 1 1 1 1

5 1 5 1 1 5 ST CUT Relay 5 2 5 2

ACC Relay
IG2 Relay

IG1 Relay
ST Relay

3 2 3 2 2 3 3 1 3 1

1 1 1 1 1 1
W–B

W–B

W–B
GR

LG

10 IF 9 II 3 II
W
B

W–B

LG

R
2 BA2 1 BA2 10 AD2 6 BA2
B

LG
W

1 A

1
B M
LG
B16(A), C1(B)
B

Starter R

LG

Battery W

Y
W–B

W–B

W–B

W–B

A3 D1

-1-
Engine Immobiliser , Push-Button Start , Steering Lock , Smart Key System

10A
IGN

7 II 9 IG
LG
V

LG

BE BE

L B

L
W LG R

Y
7 BA2 3 BA2
W

R
V

B
L B
48 A 63 B 13 A 14 A
Park/Neutral
Position SW

P
STA STAR ACCR STSW
A55(A), B50(B)
Engine Control

N
B13

Module

4
NSW TACH IMO IMI NE+ NE–
62 B 15 A 10 A 11 A 110 B 111 B
Y

BE
G
B

L–B

(Shielded)

R
Y

Y
L

Position Sensor
Crank Shaft
10 11
STA NSW

1 B7

B53
Transmission Control ECU

LG LG

R R

LG LG

V BE

W G

Y
BR

B3

-2-
Engine Immobiliser , Push-Button Start , Steering Lock , Smart Key System

LG
(BAT) (BAT)

7. 5A 15A
AM2 STOP
NO. 1

2 2

1 1

B
LG

BE
2
L

Junction Connector
G
L

A41(A), D46(B)

Stop Lamp SW
R 10 DE 11 B

A23
10 DA1 15 AD2 11 AD2 16 AD2 7 AD2
10 DF 8 A 1

W
BE

LG
W
R

D44
39 31 35 33 12 1 Power Source Control ECU
STSW CTSW IG2D AM1 AM2 STP

STR2 STR1 ACCD IG1D TACH SPD SSW1 SSW2


15 17 11 34 2 19 14 37

V
L
SB

LG

W
R
B

7 2
SS1 SS2

17 DL

SS1 GND SS2


19 DA1 9 DA1
Free
6 DL 6 DI
Full
Traveling
Power SW
BE
W

D21

GND
5
L
17 AD2
W–B

LG

R
B

LG

BE BE

G G

B BE

W–B

-3-
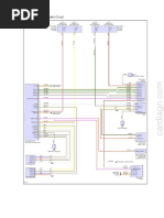
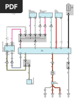
Engine Immobiliser , Push-Button Start , Steering Lock , Smart Key System

LG LG

LG

W–B
8
E

Control ECU
Shift Lock
D25
P2
11

LG
P

B
D44
Power Source Control ECU 5 7 24
P MPX1 MPX2

INDS INDW SWIL GND2 LIN1 SLR+ SLP


4 13 36 6 30 32 26
GR

R
Y

D21
W–B

GR
BR

BR

12 13 11 Power SW
INDS INDW SWIL
GR

ANT1 BR
Antenna
Coil BR

ANT2
W–B

COM VC5 TXCT CODE AGND W–B


4 14 9 10 8
SB SB
W–B

GR
BE

GR

BE

BE BE

G G

W W

BE BE

W–B

W–B W–B

-4-
Engine Immobiliser , Push-Button Start , Steering Lock , Smart Key System

LG
(BAT)

25A
STR
9 PD LOCK

19 PB 9 PC 1
V

B
B B

LG LG

B Y

9 AD2

R BR
V

6 7 5
IG2 B LIN 14 PB 4 PC

M
14 PC 14 PD
Steering Lock ECU

BR

V
D14

SLP1 IGE SGND GND


4 3 2 1
GR
W–B

W–B

BR

BR

13 20
W–B
DE DL

9 DL 5 DD 15 DD 1 DG 1 DH

W–B
W–B

W–B

W–B

W–B

SB SB

W W

GR GR

BE BE

BE BE

G G

W W

BE BE
W–B

W–B

W–B 2 V
1 W–B
Connector
Junction

W–B
D53

D2 D1

-5-
Engine Immobiliser , Push-Button Start , Steering Lock , Smart Key System

(ACC)

7. 5A
ECU–
ACC

2 IF

Y
B R

LG LG

Y
18 DD

BR 5 PB
8 DD

G
5 PC

SB
R
Y

D39
10 18 Certification ECU 28 27 19
LIN IG MPX2 MPX1 ACC

AGND CODE TXCT VC5 ASEL RSSI RDA RC0 CG5B CLG5
40 9 8 30 37 39 38 29 12 11
GR
SB

BE

SB
W

Y
L

R
16 DL2 15 DL2 14 DL2 13 DL2
BE

LG
V
L

3 1
CLGB CLG3
4 5 3 2
ASEL RSSI DATA +5
Electrical Key

Door Control
Receiver
Antenna

ANT ANT GND


L21

L11

1 7 6
SB

W #
W–B

GR D26
Electrical Key
BE Oscillator (Console)
# : There is no wire color information.
BE BE

G G

W W

BE BE

V V
W–B

L2

-6-
Engine Immobiliser , Push-Button Start , Steering Lock , Smart Key System

(BAT)

7. 5A
EFI
NO. 3

L
R R

LG LG

1
A42
Junction
Connector
2

D29
B

ID Code Box

D39 2 DA1
Certification ECU
P

+B GND EFIO EFII LIN


1 8 6 5 3

CG6B CLG6 E +B1


W–B

BR
W

V
L
14 13 17 1
SB

W–B
R

8 PD 18 PD 12 PD
11 DK2 2 DK2 11 AD7 10 AD7
G
V

8 PC 2 PC 1 PC 2 PB
3 1
W–B

W–B

W–B

CLGB CLG4
BE

G
R

K8 W–B
Electrical Key
Oscillator (Rear Seat)

BE

W W

BE BE

V
W–B

D2

-7-
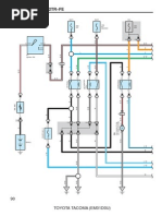
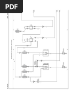
Engine Immobiliser , Push-Button Start , Steering Lock , Smart Key System

MICON

BEAN I/F

8 1G 7 1G
R

LG

Y
A41(A), D46(B)
R
2 A

Connector
18 DA1

Junction
Windshield Wiper
30 7

SW Assembly
A/C Amplifier

MPX+ MPX2
6 B

BE
D37

D13
MPX– MPX1

B
31 6

BR
L

9 IR 14 DK

D6(A), D7(B), D8(C)


15 ED1 21 A 14
MPX2 MPX1 3 DI
G

Body ECU

DCTY IND
3 17 18 14 C 24 B
Gateway ECU

MPD1 CA1H CA1L


L

MPD2
E23

W
V

12 16 DL SB

LG
2 H 1 H
5 DK
D51(F), D52(G), E28(H)

L
Junction Connector
P

3 DK3
P

1 G 2 F 1 F
Door Courtesy SW

1
W–B

(Driver' s Side)
W

14 6
W–B CANL CANH
K4
Connector 3
Data Link

SB
D20

LG

W W

BE BE

-8-
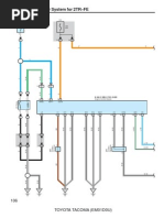
Engine Immobiliser , Push-Button Start , Steering Lock , Smart Key System

(BAT) (BAT) (IG)

7. 5A 10A 7. 5A
DOME ECU–B GAUGE
NO. 2

2 2

12 IG
1 1

G
L–B

BE
13 ID 19 DK 10 ID 4 DE 15 DK

G
R
10 IL 8 DI 1 IF 11 DI 4 DI
W
Y

R
V

B
E2(A), E3(B)
18 A 1 A Combination Meter 2 A 13 A 14 B
LP B2 B IG+ SI
+B IG+

MPX +B Power Supply


Circuit
Security

Speedometer

Tachometer

MICRO COMPUTER

IG+

Buzzer

MPX+ MPX– +S S E2 ES
16 A 4 A 15 A 14 A 12 A 10 A
W–B
SB

BE
LG
Y

1 DI 2 DI 10 DI

12 DL 13 DL
1 DG 1 DH
W

SB
W–B

LG

P
W–B

W–B

BE

2
Connector
Junction

1 W–B
D53

D2 D1 E1

-9-
Engine Immobiliser , Push-Button Start , Steering Lock , Smart Key System

Speed Sensor (Rear LH, RH)

W
R

B
L

20 6 5 19
RL+ RL– RR+ RR–
A34
Skid Control ECU with Actuator
SP1 FL+ FL– FR+ FR–
12 18 4 3 17
BR

LG
W

4 ED2 5 DA1

Speed Sensor (Front LH, RH)

- 10 -
Engine Immobiliser , Push-Button Start , Steering Lock , Smart Key System

A 23 A 34 A 41
Blue Black Black

1 2 1 2 3 4 5 6

3 4 7 8 9 10 11 12
3 4 5 6 7 8 9 10 11 12 13 14 15 16
1 2
17 18 19 20 21 22 23 24 25 26 27 28 29 30

31 32
33 34 35 36 37 38 39 40 41 42 43 44 45 46

A 42 A 55
Black Black

1 2 3 4 5 6 7 8 9 10 11
12 13 14 15 16 17 18 19 20 21 22 1 2 3 4 5 6 7 8 9 10 11
12 13 14 15 16 17 18 19
20 21 22 23 24 25 26 27 28 29 30

31 32 33 34 35 36 37 38 39 40 41
42 43 44 45 46 47 48 49
50 51 52 53 54 55 56 57 58 59 60

B7 B 13 B 16
Black Gray Black

1
1 2 1 2 3 4

5 6 7 8 9

B 50
Black

1 2 3 4 5 6 7 8 9 10 11 12 13 14 15 16 17 18 19 20 21 22 23
24 25 26 27 28 29 30 31 32 33 34 35 36 37 38 39 40
47 48 49 50 51 52 53 54 55 56 57 58 59 60 61 62 63 41 42 43 44 45 46

64 65 66 67 68 69 70 71 72 73 74 75 76 77 78 79 80 81 82 83 84 85 86
87 88 89 90 91 92 93 94 95 96 97 98 99 100 101 102 103
110 111 112 113 114 115 116 117 118 119 120 121 122 123 124 125 126 104 105 106 107 108 109

- 11 -
Engine Immobiliser , Push-Button Start , Steering Lock , Smart Key System

B 53 C1 D6
Gray White

1 2 3 4 5 6 7 8 9 10

8 9 1 2 3 4 5 6 7 11 12 13 14 15 16 17 18 19 20
10 11 12 13 14 15 16 17 21 22 23 24 25 26 27 28
18 19 20 21 22 23 24 25 26

D7 D8 D 13 D 14
White White White Black

1 2 3 4
1 2 3 4 5 6 1 2 3 4 5 6 7
1 4
2 3 5 6 7 8

7 8 9 10 11 12 13 14 15 16 17 5 6 7 8 9 10

18 19 20 21 22 23 24 25 26 11 12 13 14 15 16

D 20 D 21 D 25 D 26
White Black White White

1 2 3 4 5 6 7 1 2 3 4 5 6
1 2 3
8 9 10 11 12 13 14 7 8 9 10 11 12
16 15 14 13 12 11 10 9

8 7 6 5 4 3 2 1

D 29 D 37
White White

1 2 3 4 5 6 7 8 1 2 3 4 5 6 7 8 9 10 11 12 13 14 15 16 17 18 19 20
21 22 23 24 25 26 27 28 29 30 31 32 33 34 35 36 37 38 39 40

D 39
White

1 2 3 4 5 6 7 8 9 10 11 12 13 14 15 16 17

18 19 20 21 22 23 24 25 26 27 28 29 30 31 32 33 34 35 36 37 38 39 40

- 12 -
Engine Immobiliser , Push-Button Start , Steering Lock , Smart Key System

D 44 D 46 D 51
White Black White

1 2 3 4 5 6 7 8 9 10 11 12 13 14 15 16 17 1 2 3 4 5 6 1

18 19 20 21 22 23 24 25 26 27 28 29 30 31 32 33 34 35 36 37 38 39 40 7 8 9 10 11 12 2

D 52 D 53 E2 E3
White White White White

1 2 3 4
1
5 6 7 8 9 10 11
1 2 3 4 5 6 7 8
1 2 3 4 5 6 7 8 9 10 11 12
9 10 11 12 13 14 15 16
13 14 15 16 17 18 19 20 21 22 23 24

E 23 E 28 K4 K8
White White White White

1
1 2 3 4 5 6 7 8 9 1

10 11 12 13 14 15 16 17 18 19 20 21 22 23 24 1 2 3
2

L 11 L 21 1A 1G
White Gray White

1
1 2 3 1 1 2 3

4 5 6 7 4 5 6 7 8 9

DD DE DF
Gray White White

1 10 1 10 1 10

11 2 3 4 5 6 7 8 9 20 11 2 3 4 5 6 7 8 9 20 11 2 3 4 5 6 7 8 9 20
12 13 14 15 16 17 18 19 12 13 14 15 16 17 18 19 12 13 14 15 16 17 18 19

DG DH DI
Blue Blue White

1 10 1 10

11 2 3 4 5 6 7 8 9 20 11 2 3 4 5 6 7 8 9 20 1 2 3 4 5 6 7 8 9 10 11
12 13 14 15 16 17 18 19 12 13 14 15 16 17 18 19 12 13 14 15 16 17 18 19 20 21 22

- 13 -
Engine Immobiliser , Push-Button Start , Steering Lock , Smart Key System

DK DL IA
White White White

1 2 3 4 5 6 7 8 9 10 11 1 2 3 4 5 6 7 8 9 10 11 1
12 13 14 15 16 17 18 19 20 21 22 12 13 14 15 16 17 18 19 20 21 22

ID IF IG
White White White

1 2 3 4 5 6 7 8 1 2 3 4 5 6 7 8 9 10 1 2 3 4 5 6
9 10 11 12 13 14 15 16 11 12 13 14 15 16 17 18 19 20 7 8 9 10 11 12

II IL IR
White White White

1 2 3 4 5 1 2 3 4 5 6
8 9 10 1 2 3 4 5 6
6 7 7 8 9 10 11 12
7 8 9 10 11 12

PB PC PD
Blue White White

1 10 1 10 1 10

11 2 3 4 5 6 7 8 9 20 11 2 3 4 5 6 7 8 9 20 11 2 3 4 5 6 7 8 9 20
12 13 14 15 16 17 18 19 12 13 14 15 16 17 18 19 12 13 14 15 16 17 18 19

AD2
White

1 2 8 9
9 8 2 1
10 11 3 4 5 6 7 17 18
12 13 14 15 16 18 17 7 6 5 4 3 11 10
16 15 14 13 12

AD7
White

1 2 8 9
9 8 2 1
10 11 3 4 5 6 7 17 18
12 13 14 15 16 18 17 7 6 5 4 3 11 10
16 15 14 13 12

- 14 -
Engine Immobiliser , Push-Button Start , Steering Lock , Smart Key System

BA2
White

1 2 3 4 5
6 7 8 9 10 11 12 13
5 4 3 2 1
13 12 11 10 9 8 7 6

DA1
White

1 10
10 1
11 2 3 4 5 6 7 8 9 20
12 13 14 15 16 17 18 19 20 9 8 7 6 5 4 3 2 11
19 18 17 16 15 14 13 12

DK2
White

1 2 8 9
9 8 2 1
10 11 3 4 5 6 7 17 18
12 13 14 15 16 18 17 7 6 5 4 3 11 10
16 15 14 13 12

DK3
Blue

1 10
10 1
11 2 3 4 5 6 7 8 9 20
12 13 14 15 16 17 18 19 20 9 8 7 6 5 4 3 2 11
19 18 17 16 15 14 13 12

DL2
White

1 2 8 9
9 8 2 1
10 11 3 4 5 6 7 17 18
12 13 14 15 16 18 17 7 6 5 4 3 11 10
16 15 14 13 12

- 15 -
Engine Immobiliser , Push-Button Start , Steering Lock , Smart Key System

ED1
White

1 10
10 1
11 2 3 4 5 6 7 8 9 20
12 13 14 15 16 17 18 19 20 9 8 7 6 5 4 3 2 11
19 18 17 16 15 14 13 12

ED2
White

1 2 8 9
9 8 2 1
10 11 3 4 5 6 7 17 18
12 13 14 15 16 18 17 7 6 5 4 3 11 10
16 15 14 13 12

- 16 -

You might also like