KEMBAR78
Lemon Bass Building Docs2 | PDF | Printed Circuit Board | Resistor
0% found this document useful (0 votes)
35 views7 pages

Lemon Bass Building Docs2

The Lemon Bass is a bass pre-amp project inspired by the Orange AD200B MkII amplifier, utilizing dual opamps to replace tubes for enhanced pedal board compatibility while maintaining rich tonal quality. The document includes detailed components lists, build instructions, and wiring diagrams for constructing the pre-amp, which is designed to fit a 125b enclosure. Additionally, it offers guidance on component selection and encourages users to engage with the DIY community for support and sharing experiences.

Uploaded by

sainttjamesgang
Copyright
© © All Rights Reserved
We take content rights seriously. If you suspect this is your content, claim it here.
Available Formats
Download as PDF, TXT or read online on Scribd
0% found this document useful (0 votes)
35 views7 pages

Lemon Bass Building Docs2

The Lemon Bass is a bass pre-amp project inspired by the Orange AD200B MkII amplifier, utilizing dual opamps to replace tubes for enhanced pedal board compatibility while maintaining rich tonal quality. The document includes detailed components lists, build instructions, and wiring diagrams for constructing the pre-amp, which is designed to fit a 125b enclosure. Additionally, it offers guidance on component selection and encourages users to engage with the DIY community for support and sharing experiences.

Uploaded by

sainttjamesgang
Copyright
© © All Rights Reserved
We take content rights seriously. If you suspect this is your content, claim it here.
Available Formats
Download as PDF, TXT or read online on Scribd
You are on page 1/ 7

Lemon Bass

Based on: Amount of parts: Enclosure type:


BAJA Orange AD200B MkII bass High, total 68 components 125b
amplifier Technology: Get your board at:
Effect type: Dual OpAmp Lemon Bass Pre-amp
Bass Pre-amp Power consumption: Get your kit at:
Build difficult: 9V Das Musikding (Europe)
Advanced

Project overview:

Bass pre-amp based on Orange AD200B Mkll, replacing the tubes of the original unit for more
convenient dual opamps that makes it more friendly to your pedal board while keeping a great tone with
deep, dynamic low-end and a creamy yet focused mid-range.

Lemon Bass by PCB Guitar Mania 1


Document version 1.0v, 25th November 2020
Index
1. Project overview 6. Build Notes
2. Index, Introduction & Controls 7. Schematic
3. Bills of Materials, BOM 8. Wiring Diagram
4. Shopping Lists 9. Drill Template
5. Components Recommendations 10. Licensing and Usage

Introduction
The Lemon Bass is an original circuit developed by Bajaman for FreeStompboxes, inspired on the now
iconic Orange AD200B MkII bass amplifier, emulating its gain structure by replacing the tubes from the
original head for more convenient OpAmps, making it pedal friendly while keeping its wide spectrum of
vintage and modern tones.
This modern classic is able to cover every tonal spectrum you need from Vintage Soul to Classic Rock,
high-fidelity Funk to grinding Metal.
In this model you can place Q1* as an SMD transistor or the classic through-hole version. Choose just
one of both. Remember the SMD J201 are more consistent quality wise than its through-hole counter
part which is plagued by fake Chinese counterfeits.

Controls

• Volume
• Gain
• Pre-amp
• Bass
• Mids
• Treble

Lemon Bass by PCB Guitar Mania 2


Document version 1.0v, 25th November 2020
Bill of materials
Resistors C4 560p Transistors
Part Value C6 220n Part Value
R1 1M5 C7 56p Q1* J201
R2 1M C8 1n2
R3 100K C10 2n2
Diods
R4 1M C11 470n
Part Value
R5 3K3 C12 220n
D0 1N5817
R6 4K7 C13 47p
D1 1n4148
R7 820R C14 22n
D2 1n4148
R8 100K C15 1u
D3 1n4148
R9 22K C17 1u
D4 1n4148
R10 47K C18 1u
LED 3mm Red
R11 4K7
LED
R12 820R
Electrolytics Capacitors
R13 100K
Part Value
R14 8K2
C5 100U
R15 1M
C9 220u
R16 47K
C16 220u
R17 2K2
R18 4K7
R19 15K Potentiometers
R20 2K2 Part Value
R21 2K2 BASS 50K B
R22 15K GAIN 50K B
R23 1M MASTER 100K B
R24 1M MIDS 1K B
R25 4K7 PRE-VOL 1M B
R26 4K7 TREBLE 25K B
R27 1K
R28 10K
IC
R29 10K
Part Value
RLED 4K7
IC1 TL072
IC2 TL072
Capacitors IC3 TL062
Part Value
C1 1u
C2 1u
C3 33p

Lemon Bass by PCB Guitar Mania 3


Document version 1.0v, 25th November 2020
Shopping list

Resistors Electrolytics Capacitors


Qty Value Parts Qty Value Parts
3 100K R3, R8, R13 1 100U C5
2 10K R28, R29 2 220u C9, C16
2 15K R19, R22
1 1K R27
Potentiometers
5 1M R2, R4, R15, R23, R24
Qty Value Parts
1 1M5 R1
1 B100K MASTER
1 22K R9
1 B1K MIDS
3 2K2 R17, R20, R21
1 B1M PRE-VOL
1 3K3 R5
1 B25K TREBLE
2 47K R10, R16
2 B50K BASS, GAIN
6 4K7 R6, R11, R18, R25, R26, RLED
2 820R R7, R12
1 8K2 R14 IC
Qty Value Parts
1 TL062 IC3
Capacitors
2 TL072 IC1, IC2
Qty Value Parts
1 1n2 C8
5 1u C1, C2, C15, C17, C18 Transistors
1 220n C6 Qty Value Parts
1 220n C12 1 J201 Q1*
1 22n C14
1 2n2 C10
Diodes
1 33p C3
Qty Value Parts
1 470n C11
1 1N5817 D0
1 47p C13
4 1n4148 D1, D2, D3, D4
1 560p C4
1 3mm Red LED LED
1 56p C7

Lemon Bass by PCB Guitar Mania 4


Document version 1.0v, 25th November 2020
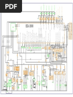
Schematic

Lemon Bass by PCB Guitar Mania 5


Document version 1.0v, 25th November 2020
Components Recommendations
As many people like to experiment with some pedals with higher voltage, always ensure
your electrolytic capacitors' max tolerance is over 25v.

This board has been tested using Film box capacitors for most of the values over 1nf and ceramics discs
for those under 1nf. However, high-quality components such as Wima's Capacitors and Panasonic's
electrolytics can deliver a better performance.

All the resistors used for testing this project are 1/4W Metal Film.

The BOM and Shopping list are exclusive regarding this project. It doesn't include all the hardware like
the 3PDT bypass switch, audio/dc jacks, enclosure, etc.

Build Notes
If this is one of your first projects, I recommend you to take a look at our Pedal Building Guide.

For a successful and tidy build, it’s recommended the following order:

1. Resistors & diodes


2. Capacitors, starting with the smaller ones and the ceramic ones.
3. Electrolytic capacitors (always check the polarity)
4. Transistors
5. Wires
6. Potentiometers and switches
7. Off-board wiring

Wiring Diagram
All our projects include a free 3PDT Board to make the wiring easier and tidier. Also, all of our PCBs
feature the status LED on board.

The pad named “Ctrl” or “LED” is the one that controls the status of the led; wire it to the “LED” pad on
the 3PDT board or in the control slug of your 3PDT.

This board has been designed to match our EZ 3PDT PCB; check it here to access our Pedal Wiring
Guide.

Lemon Bass by PCB Guitar Mania 6


Document version 1.0v, 25th November 2020
Drill Template
This Project has been planned to fit into a 125b enclosure type.

Check the Attached “Drilling templates” to drill the box properly. The files are on Scale 1:1, ready to print
on an A4 page.

Licensing and Usage


We really appreciate your trust and support in buying this PCB, as well as your will to dive into the DIY
electronics world. For us, that's why you can make this project work properly and enjoy not only the
building process but also experiment and play with it on your rig.

We try to reply to every question we receive on our email or our social media. Still, we try to encourage all
our customers to join our PCB Guitar Mania – Builders Group on Facebook to post all your doubts,
issues, suggestions, or requests, share your builds, and have some feedback from other fellow builders
and us!

We tested all our projects following this same guide on their standard configurations. Although, not all of
the variations and mods have necessarily been checked. These are suggestions based on the schematic
analysis and the experiences and opinions of others. Feel free to share with us your views and
recommendations regarding the mods your personal experimentation.

These boards may be used for commercial endeavors in any quantity unless expressly noted. No
attribution is necessary, though accreditation or a link back is always much appreciated.

If you are a builder planning to make your own run of pedals, we also offer the service of custom-made
boards with your brand and logo, design according to your specifications.

The only usage restrictions are that, first, you cannot resell the PCB as part of a kit without prior
arrangement with us, and second, you cannot scratch off the silkscreen or other way of trying to hide our
logos and the source of the PCBs. Like it's written above, if you want to have your designs with your
brand and logo, we could undoubtedly reach an agreement.

Follow us on Instagram and Facebook to stay in tune with the latest projects!

Lemon Bass by PCB Guitar Mania 7


Document version 1.0v, 25th November 2020

You might also like