KEMBAR78
Ecm Input Output | PDF | Throttle | Electrical Engineering
100% found this document useful (1 vote)
2K views17 pages

Ecm Input Output

Copyright
© © All Rights Reserved
We take content rights seriously. If you suspect this is your content, claim it here.
Available Formats
Download as PDF, TXT or read online on Scribd
100% found this document useful (1 vote)
2K views17 pages

Ecm Input Output

Copyright
© © All Rights Reserved
We take content rights seriously. If you suspect this is your content, claim it here.
Available Formats
Download as PDF, TXT or read online on Scribd
You are on page 1/ 17

Page 1 of 17

FORTE/FORTE KOUP(TD) >2010 > G 2.0 DOHC > Fuel System

ECM Terminal And Input/Output signal

ECM Terminal Function


Connector [CHG-K]

Pin
Description Connected to
No.
1 Power ground Chassis Ground
2 Battery power (B+) Ignition Switch
3 Power ground Chassis Ground
4 Battery power (B+) Main Relay
5 Power ground Chassis Ground
6 Battery power (B+) Battery
7 Wheel Speed Sensor (WSS) [+] signal input Wheel Speed Sensor (WSS) [Without ABS/ESC]
8 -
9 Fuel Level Sensor (FLS) signal input Fuel Level Sensor (FLS)
10 -
11 -
12 Knock Sensor (KS) signal input Knock Sensor (KS)
13 Sensor ground Accelerator Position Sensor (APS) 2
14 Sensor ground Engine Coolant Temperature Sensor (ECTS)
Camshaft Position Sensor (CMPS) [Bank 1/Exhaust] Camshaft Position Sensor (CMPS) [Bank 1/Exhaust]
15
signal input [Except 2.0 ULEV]
16 -
17 Crankshaft Position Sensor (CKPS) signal input Crankshaft Position Sensor (CKPS)
18 Rc/Rp (Pump Cell Voltage) Heated Oxygen Sensor [Bank 1/Sensor 1]
19 VS+ (NERNST Cell Voltage) Heated Oxygen Sensor [Bank 1/Sensor 1]
20 VS-/IP- (Common Ground for VS, IP) Heated Oxygen Sensor [Bank 1/Sensor 1]
21 -
22 Sensor feedback Variable Charge Motion Actuator (VCMA)
23 Fuel consumption signal output Trip Computer
24 -

http://www.kiatechinfo.com/viewer/content.asp?IsPrint=true&imgnum=1&print_title=&veh... 7/2/2010
Page 2 of 17

25 Injector (Cylinder #1) control output Injector (Cylinder #1)


26 Injector (Cylinder #3) control output Injector (Cylinder #3)
27 Injector (Cylinder #4) control output Injector (Cylinder #4)
28 Injector (Cylinder #2) control output Injector (Cylinder #2)
29 Wheel Speed Sensor (WSS) [-] signal input Wheel Speed Sensor (WSS) [Without ABS/ESC]
30 Sensor power (+5V) Manifold Absolute Pressure Sensor (MAPS)
Manifold Absolute Pressure Sensor (MAPS)
31 Manifold Absolute Pressure Sensor (MAPS)
signal input
32 Throttle Position Sensor (TPS) 2 signal input Throttle Position Sensor (TPS) 2
Engine Coolant Temperature Sensor (ECTS)
33 Engine Coolant Temperature Sensor (ECTS)
signal input
34 Sensor ground Knock Sensor (KS)
35 Accelerator Position Sensor (APS) 2 signal input Accelerator Position Sensor (APS) 2
36 Sensor power (+5V) Accelerator Position Sensor (APS) 2
Camshaft Position Sensor (CMPS) [Bank 1/Exhaust]
37 Sensor ground
[Except 2.0 ULEV]
38 -
39 Sensor ground Crankshaft Position Sensor (CKPS)
40 Vehicle speed signal input ABS/ESC Control Unit [With ABS/ESC]
41 -
42 Rc (Compensative Resistance) Heated Oxygen Sensor [Bank 1/Sensor 1]
A/C Pressure Transducer (APT),
43 Sensor power (+5V) Fuel Tank Pressure Sensor (FTPS),
Variable Charge Motion Actuator (VCMA)
44 Sensor ground Variable Charge Motion Actuator (VCMA)
45 -
46 Alternator (COM) Alternator
47 -
48 -
49 -
50 Variable Intake Solenoid (VIS) Valve control output Variable Intake Solenoid (VIS) Valve
51 Battery power (B+) Main Relay
52 Sensor ground Fuel Tank Pressure Sensor (FTPS)
53 Intake Air Temperature Sensor (IATS) signal input Intake Air Temperature Sensor (IATS)
54 A/C Pressure Transducer (APT) signal input A/C Pressure Transducer (APT)
55 -
56 Blower Motor “MAX” Switch signal input A/C Control Module
57 Sensor ground A/C Pressure Transducer (APT)

http://www.kiatechinfo.com/viewer/content.asp?IsPrint=true&imgnum=1&print_title=&veh... 7/2/2010
Page 3 of 17

58 -
59 Sensor ground Throttle Position Sensor (TPS) 1,2
60 Sensor power (+5V) Accelerator Position Sensor (APS) 1
61 Sensor ground Accelerator Position Sensor (APS) 1
Camshaft Position Sensor (CMPS) [Bank 1/Intake]
62 Camshaft Position Sensor (CMPS) [Bank 1/Intake]
signal input
63 Sensor power (+5V) Throttle Position Sensor (TPS) 1,2
64 Main Relay control output Main Relay
65 Cooling Fan Relay [Low] control output Cooling Fan Relay [Low]
CVVT Oil Control (OCV) Valve [Bank 1/Intake]
66 CVVT Oil Control Valve (OCV) [Bank 1/Intake]
control output
67 Purge Control Solenoid Valve (PCSV) control output Purge Control Solenoid Valve (PCSV)
CVVT Oil Control (OCV) Valve [Bank 1/Exhaust] CVVT Oil Control Valve (OCV) [Bank 1/Exhaust]
68
control output [Except 2.0 ULEV]
Immobilizer Lamp [Without Button Engine Start
69 Immobilizer Lamp control output
System]
70 Fuel Pump Relay control output Fuel Pump Relay
71 ETC Motor [+] control output ETC Motor
72 ETC Motor [-] control output ETC Motor
73 Fuel Tank Pressure Sensor (FTPS) signal input Fuel Tank Pressure sensor (FTPS)
74 Sensor ground Manifold Absolute Pressure Sensor (MAPS)
75 Immobilizer communication line Immobilizer Control
76 Battery Sensor signal input Battery Sensor
Other control module, Data Link Connector (DLC),
77 CAN [High]
Multi-Purpose Check Connector
Other control module, Data Link Connector (DLC),
78 CAN [Low]
Multi-Purpose Check Connector
79 -
80 Throttle Position Sensor (TPS) 1 signal input Throttle Position Sensor (TPS) 1
81 -
82 Accelerator Position Sensor (APS) 1 signal input Accelerator Position Sensor (APS) 1
83 Sensor ground Camshaft Position Sensor (CMPS) [Bank 1/Intake]
Heated Oxygen Sensor (HO2S) [Bank 1/Sensor 2]
84 Heated Oxygen Sensor (HO2S) [Bank 1/Sensor 2]
signal input
85 Sensor ground Heated Oxygen Sensor (HO2S) [Bank 1/Sensor 2]
86 Engine speed signal output Tachometer (Cluster)
87 A/C Compressor Relay control output A/C Compressor Relay
88 Cooling Fan Relay [High] control output Cooling Fan Relay [High]

http://www.kiatechinfo.com/viewer/content.asp?IsPrint=true&imgnum=1&print_title=&veh... 7/2/2010
Page 4 of 17

89 Cruise “CRUISE” lamp control output Cruise “CRUISE” Lamp (Cluster)


90 Cruise “SET” lamp control output Cruise “SET” Lamp (Cluster)
91 Canister Close Valve (CCV) control output Canister Close Valve (CCV)
92 Malfunction Indicator Lamp (MIL) control output Malfunction Indicator Lamp (MIL)
Heated Oxygen Sensor (HO2S) [Bank 1/Sensor 1]
93 Heated Oxygen Sensor (HO2S) [Bank 1/Sensor 1]
Heater control output
Heated Oxygen Sensor (HO2S) [Bank 1/Sensor 2]
94 Heated Oxygen Sensor (HO2S) [Bank 1/Sensor 2]
Heater control output

Connector [CHG-A]

Pin
Description Connected to
No.
Ignition Coil (Cylinder #4) control output
Ignition Coil (Cylinder #4) [With Immobilizer]
[With Immobilizer]
1
Ignition Coil (Cylinder #1) control output
Ignition Coil (Cylinder #1) [Without Immobilizer]
[Without Immobilizer]
2 Shield Ignition Coil (Cylinder #1,2,3,4)
3 -
4 -
5 -
6 -
7 -
8 -
9 -
10 -
11 -
12 -
13 Electrical load [Head Lamp] signal input Head Lamp [Low] Relay
14 Alternator (FR) Alternator
15 Ground Cruise Control Switch
Ignition Coil (Cylinder #2) control output
Ignition Coil (Cylinder #2) [With Immobilizer]
[With Immobilizer]
16
Ignition Coil (Cylinder #3) control output
Ignition Coil (Cylinder #3) [Without Immobilizer]
[Without Immobilizer]
17 -
18 -
19 -
20 -
21 -

http://www.kiatechinfo.com/viewer/content.asp?IsPrint=true&imgnum=1&print_title=&veh... 7/2/2010
Page 5 of 17

22 -
23 -
24 -
25 -
26 -
27 -
28 -
29 Brake Switch 1 signal input Brake Switch
30 Cruise Control Switch signal input Cruise Control Switch
Ignition Coil (Cylinder #1) control output
Ignition Coil (Cylinder #1) [With Immobilizer]
[With Immobilizer]
31
Ignition Coil (Cylinder #4) control output
Ignition Coil (Cylinder #4) [Without Immobilizer]
[Without Immobilizer]
32 -
33 -
34 -
35 -
36 -
37 -
38 -
39 -
40 -
41 -
42 A/C Blower Switch signal input A/C Control Module
43 Clutch Switch signal input Clutch Switch
44 Brake Switch 2 signal input Brake Switch
45 Motor [+] control output Variable Charge Motion Actuator (VCMA)
Ignition Coil (Cylinder #3) control output
Ignition Coil (Cylinder #3) [With Immobilizer]
[With Immobilizer]
46
Ignition Coil (Cylinder #2) control output
Ignition Coil (Cylinder #2) [Without Immobilizer]
[Without Immobilizer]
47 -
48 -
49 -
50 -
51 -
52 -
53 -

http://www.kiatechinfo.com/viewer/content.asp?IsPrint=true&imgnum=1&print_title=&veh... 7/2/2010
Page 6 of 17

54 -
55 -
56 -
57 A/C Switch “ON” signal input A/C Control Module
58 Power Steering Pressure Switch signal input Power Steering Pressure Switch [Without MDPS]
59 -
60 Motor [-] control output Variable Charge Motion Actuator (VCMA)

ECM Terminal Input/ Output signal


Connector [CHG-K]

Pin
Description Condition Type Level Test Result
No.
1 Power ground Idle DC Max. 50mV
IG OFF Max. 0.5V 10.2mV
2 Battery power (B+) DC
IG ON Battery Voltage 12.02V
3 Power ground Idle DC Max. 50mV 2.8mV
IG OFF Max. 1.0V 3.1mV
4 Battery power (B+) DC
IG ON Battery Voltage 12.1V
5 Power ground Idle DC Max. 50mV 1.8mV
Always Current Below 2.0 mA 0.4 mA
6 Battery power (B+) (Without
Ignition key) DC Battery Voltage 12.88V

Wheel Speed Sensor (WSS) Vehicle Run SINE 15Hz: Min. 0.13Vpp
7
[+] signal input (30KPH) WAVE 1000Hz: Min. 0.2Vpp
8 -
Fuel Level Sensor (FLS)
9 Idle Analog Max. 9.0V 6.85V
signal input
10 -
11 -
Knocking Variable -0.3 ~ 0.3V
12 Knock Sensor (KS) signal input
Normal Frequency 0 V

13 Sensor ground Idle DC Max. 50mV 30mV


14 Sensor ground Idle DC Max. 50mV 12.4mV
HI: Vcc or Battery Voltage 5.0V
Camshaft Position Sensor
15 (CMPS) [Bank 1/Exhaust] signal Idle Pulse LO: Max. 0.5V 0.2V
input
FREQ: 5.36Hz
16 -
HI: Vcc or Battery Voltage 5.00V

http://www.kiatechinfo.com/viewer/content.asp?IsPrint=true&imgnum=1&print_title=&veh... 7/2/2010
Page 7 of 17

Crankshaft Position Sensor LO: Max. 0.5V 40mV


17 Idle Pulse
(CKPS) signal input FREQ: 600Hz
Normal: 450±50 mV
18 Rc/Rp (Pump Cell Voltage) Idle Analog Rich: Max. Normal+150 mV
Lean: Min. Normal-150 mV
Normal: 450±50 mV
19 VS+ (NERNST Cell Voltage) Idle Analog Rich: Max. Normal+150 mV
Lean: Min. Normal-150 mV
VS-/IP- (Common Ground
20 Idle Analog Reference for V_IP, V_N
for VS, IP)
21 -
22 Sensor feedback
HI: Battery Voltage 13.7V
LO: Max. 0.5V 0V
23 Fuel consumption signal output Idle Pulse
Frequency 3.33Hz
Pulse Width 500μs
24 -
HI: Battery Voltage 13.8V
LO: Max. 1.0V 200mV
Injector (Cylinder #1) control
25 Idle Pulse Vpeak: Max. 80V 54.1V
output
Frequency 5.21Hz
Dwell Time 2.74ms
HI: Battery Voltage 13.9V
LO: Max. 1.0V 170mV
Injector (Cylinder #3) control
26 Idle Pulse Vpeak: Max. 80V 53.9V
output
Frequency 5.18Hz
Dwell Time 2.73ms
HI: Battery Voltage 14V
LO: Max. 1.0V 160mV
Injector (Cylinder #4) control
27 Idle Pulse Vpeak: Max. 80V 54.3V
output
Frequency 5.24Hz
Dwell Time 2.70ms
HI: Battery Voltage 14.1V
LO: Max. 1.0V 160mV
Injector (Cylinder #2) control
28 Idle Pulse Vpeak: Max. 80V 53.9V
output
Frequency: 5.21Hz 5.21Hz
Dwell Time: 2.73ms 2.74ms
15Hz: Min. 0.13Vpp
29
Wheel Speed Sensor (WSS) [-] Vehicle Run SINE

http://www.kiatechinfo.com/viewer/content.asp?IsPrint=true&imgnum=1&print_title=&veh... 7/2/2010
Page 8 of 17

signal input (30KPH) WAVE 1000Hz: Min. 0.2Vpp


IG OFF Max. 0.5V 0mV
30 Sensor power (+5V) DC
IG ON 4.9 ~ 5.1V 4.98V
Manifold Absolute Pressure
31 Idle Analog 0.8 ~ 1.6V 1.37V
Sensor (MAPS) signal input

Throttle Position Sensor (TPS) 2 C.T 4.2 ~ 5.0V 4.52V


32 Analog
signal input W.O.T 3.3 ~ 3.8V 3.68V
Engine Coolant Temperature
33 Idle Analog 0.5 ~ 4.5V 1.02V
Sensor (ECTS) signal input
34 Sensor ground Idle DC Max. 50mV 8mV

Accelerator Position Sensor (APS) C.T Max. 1.0V 0.4V


35 Analog
2 signal input W.O.T 1.5 ~ 3.0V 1.9V
IG OFF Max. 0.5V 5mV
36 Sensor power (+5V) DC
IG ON 4.9 ~ 5.1V 5.02V
37 Sensor ground Idle DC Max. 50mV 11mV
38 -
39 Sensor ground Idle DC Max. 50mV 11mV
HI: Min. 4.5V 5.0V
LO: Max. 0.5V 0V
40 Vehicle speed signal input Vehicle Run Pulse 46.9Hz at
Frequency
Idle
Duty(-) 50.4% at Idle
41 -
42 Rc (Compensative Resistance) Idle Analog │Rc-Rc/Rp│<±0.1V
IG OFF Max. 0.5V
43 Sensor power (+5V) DC
IG ON 4.9 ~ 5.1V
44 Sensor ground Idle DC Max. 50mV
45 -
46 Alternator (COM)
47 -
48 -
49 -

Variable Intake Solenoid (VIS) Active Max. 1.0V 316mV


50 DC
Valve control output Inactive Battery Voltage 14.0V
IG OFF Max. 1.0V 3.1mV
51 Battery power (B+) DC
IG ON Battery Voltage 12.3V
Fuel Tank Pressure Sensor
52 Idle DC 0.4 ~ 4.6V 2.47V
(FTPS) signal input

http://www.kiatechinfo.com/viewer/content.asp?IsPrint=true&imgnum=1&print_title=&veh... 7/2/2010
Page 9 of 17

Intake Air Temperature Sensor


53 Idle Analog 0 ~ 5.0V 2.55V
(IATS) signal input
A/C OFF:
A/C Pressure Transducer (APT) 1.29V
54 Idle DC 0.4 ~ 4.6V
signal input A/C ON:
2.01V
55 -
Blower Motor "MAX" Switch
56
signal input
57 Sensor ground Idle DC Max. 50mV 11mV
58 -
59 Sensor ground Idle DC Max. 50mV 6mV
IG OFF Max. 0.5V 10mV
60 Sensor power (+5V) DC
IG ON 4.9 ~ 5.1V 5.02V
61 Sensor ground Idle DC Max. 50mV 30mV
HI: Vcc or Battery Voltage 5.0V
Camshaft Position Sensor
62 (CMPS) [Bank 1/Intake] signal Idle Pulse LO: Max. 0.5V 0.2V
input
Frequency 5.2Hz
IG OFF Max. 0.5V 0V
63 Sensor power (+5V) DC
IG ON 4.9 ~ 5.1V 5.03V
Relay OFF Battery Voltage 12.3V
64 Main Relay control output DC
Relay ON Max. 1.0V 730mV

Cooling Fan Relay [Low] control HI: Battery Voltage 10.4V


65 A/C ON Pulse
output LO: 0 ~ 0.5V 60mV
HI: Battery Voltage 15.0V

CVVT Oil control (OCV) Valve LO: Max. 1.0V 120mV


66 Idle Pulse
[Bank 1/Intake] control output Frequency 300Hz
Duty(+) 84.70%
HI: Battery Voltage 14.3V

Purge control Solenoid Valve Inactive LO: Max. 1.0V 80mV


67 Pulse
(PCSV) control output Active Vpeak: Max. 70V 57.0V
Frequency 16Hz
HI: Battery Voltage 13.5V

CVVT Oil control (OCV) Valve LO: Max. 1.0V 100mV


68 Idle Pulse
[Bank 1/Exhaust] control output Vpeak: Max.70V 13.5V
Frequency 300Hz
Lamp OFF HI: Battery Voltage 13.2V
69 Immobilizer Lamp control output DC
Lamp ON LO: Max . 2.0V 40mV

http://www.kiatechinfo.com/viewer/content.asp?IsPrint=true&imgnum=1&print_title=&veh... 7/2/2010
Page 10 of 17

Relay OFF Battery Voltage 12.8V


70 Fuel Pump Relay control output DC
Relay ON Max. 1.0V 40mV
HI: Battery Voltage 13.4V
71 ETC Motor [+] control output Idle Pulse
LO: Max . 1.0V 0V
HI: Battery Voltage 13.3V
72 ETC Motor [-] control output Idle Pulse
LO: Max . 1.0V 0V
73 Sensor ground Idle DC Max. 50 mV 5mV
74 Sensor ground Idle DC Max. 50 mV 7mV

During HI: Min. 8.5V 11.8V


75 Immobilizer communication line Pulse
communicating LO: Max. 3.5V 1.0V
76 Battery Sensor signal input
Recessive 2.0 ~ 3.0V 2.58V
77 CAN [High] Pulse
Dominant 2.75~4.5V 3.54V
Recessive 2.0 ~ 3.0V 2.64V
78 CAN [Low] Pulse
Dominant 0.5~2.25V 1.52V
79 -

Throttle Position Sensor (TPS) 1 C.T 0.3 ~ 0.9 V 0.65V


80 Analog
signal input W.O.T 1.5 ~ 3.0 V 1.63V
81 -

Accelerator Position Sensor (APS) C.T Max. 1.0V 0.8V


82 Analog
1 signal input W.O.T Min. 4.0V 4.0V
83 Sensor ground Idle DC Max. 50 mV 12mV

Heated Oxygen Sensor (HO2S) Rich: 0.6 ~ 1.0V 74 mV


84 Idle DC
[Bank 1/Sensor 2] signal input Lean: Max. 0.4V 70mV
85 Sensor ground Idle DC Max. 50 mV 10 mV
HI: Battery Voltage 14.0V
LO: Max. 0.5V 60mV
86 Engine speed signal output Idle Pulse
Frequency: 20~26Hz 21Hz
Duty(+) 50%

A/C Compressor Relay control A/C OFF Battery Voltage 14.3 V


87 DC
output A/C ON Max. 1.0V 102mV

Cooling Fan Relay [High] control Relay OFF Battery Voltage


88 DC
output Relay ON Max. 1.0V
Cruise “CRUISE” lamp control
89
output
90 Cruise “SET” lamp control output
HI: Battery Voltage 13.0V

http://www.kiatechinfo.com/viewer/content.asp?IsPrint=true&imgnum=1&print_title=&veh... 7/2/2010
Page 11 of 17

Canister Close Valve (CCV) Inactive LO: Max. 1.0V 20mV


91 Pulse
control output Active Vpeak: Max. 70V 57.7V

Malfunction Indicator Lamp (MIL) Lamp OFF Battery Voltage 13.8V


92 DC
control output Lamp ON Max. 1.0V 54mV
HI: Battery Voltage 14.4V
Heated Oxygen Sensor (HO2S) LO: Max. 1.0V 0.36V
93 [Bank 1/Sensor 1] Heater control Engine Run Pulse
output Frequency 10.0Hz
Duty(+) 58.30%
HI: Battery Voltage 14.0V
Heated Oxygen Sensor (HO2S) LO: Max. 1.0V 0.31V
94 [Bank 1/Sensor 2] Heater control Engine Run Pulse
output Frequency 7.68Hz
Duty(+) 53.9%

Connector [CHG-A]

Pin
Description Condition Type Level Test Result
No.

Ignition Coil (Cylinder #4) 1st Voltage: 300~400V 416V


control output [With Immobilizer] ON Voltage: Max. 2.0V 1.4V
1 Idle Pulse
Ignition Coil (Cylinder #1) Frequency 5.2Hz
control output [Without
Immobilizer] Dwell Time 2.78ms

2 Shield Idle DC Max. 50mV 16.8mV


3 -
4 -
5 -
6 -
7 -
8 -
9 -
10 -
11 -
12 -
Electrical load [Head Lamp]
13
signal input
HI: Battery Voltage 13.4V
14 Alternator (FR) Idle Pulse
LO: Max 1.5V 40 mV
15 Ground Idle DC Max. 50 mV
1st Voltage: 300~400V 416V
Ignition Coil (Cylinder #2)

http://www.kiatechinfo.com/viewer/content.asp?IsPrint=true&imgnum=1&print_title=&veh... 7/2/2010
Page 12 of 17

control output [With Immobilizer] ON Voltage: Max. 2.0V 1.3V

16 Ignition Coil (Cylinder #3) Idle Pulse Frequency 5.2Hz


control output [Without
Immobilizer] Dwell Time 2.73ms

17 -
18 -
19 -
20 -
21 -
22 -
23 -
24 -
25 -
26 -
27 -
28 -
Brake ON Battery Voltage
29 Brake Switch 1 signal input DC
Brake OFF Max. 0.5 V
Cruise ON Battery Voltage
30 Cruise control Switch signal input DC
Cruise OFF 4.3 ~ 4.7V

Ignition Coil (Cylinder #1) 1st Voltage: 300~400V 408V


control output [With Immobilizer] ON Voltage: Max. 2.0V 1.6V
31 Idle Pulse
Ignition Coil (Cylinder #4) Frequency 5.2Hz
control output [Without
Immobilizer] Dwell Time 2.74ms

32 -
33 -
34 -
35 -
36 -
37 -
38 -
39 -
40 -
41 -
A/C S/W OFF Max. 0.5V 20mV
42 A/C Blower Switch signal input DC
A/C S/W ON Battery Voltage 11.8V
Release Max. 0.5V

http://www.kiatechinfo.com/viewer/content.asp?IsPrint=true&imgnum=1&print_title=&veh... 7/2/2010
Page 13 of 17

43 Clutch Switch signal input Push DC Battery Voltage


Push Max. 0.5V
44 Brake Switch 2 signal input DC
Normal Battery Voltage
IG OFF Max. 0.5V
45 Motor [+] control output DC
IG ON Battery Voltage

Ignition Coil (Cylinder #3) 1st Voltage: 300~400V 410V


control output [With Immobilizer] ON Voltage: Max. 2.0V 1.5V
46 Idle Pulse
Ignition Coil (Cylinder #2) Frequency 5.2Hz
control output [Without
Immobilizer] Dwell Time 2.78ms

47 -
48 -
49 -
50 -
51 -
52 -
53 -
54 -
55 -
56 -
A/C OFF Max. 0.5V 0V
57 A/C Switch “ON” signal input DC
A/C ON Battery Voltage 14.0V

Power Steering Pressure Switch S/W ON Max. 0.5V


58 DC
signal input S/W OFF Battery Voltage
59 -
IG OFF Max. 0.5V
60 Motor [-] control output DC
IG ON Battery Voltage

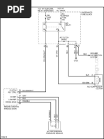
Circuit Diagram

http://www.kiatechinfo.com/viewer/content.asp?IsPrint=true&imgnum=1&print_title=&veh... 7/2/2010
Page 14 of 17

http://www.kiatechinfo.com/viewer/content.asp?IsPrint=true&imgnum=1&print_title=&veh... 7/2/2010
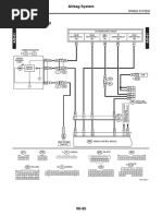
Page 15 of 17

http://www.kiatechinfo.com/viewer/content.asp?IsPrint=true&imgnum=1&print_title=&veh... 7/2/2010
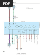
Page 16 of 17

http://www.kiatechinfo.com/viewer/content.asp?IsPrint=true&imgnum=1&print_title=&veh... 7/2/2010
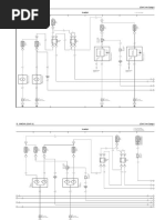
Page 17 of 17

http://www.kiatechinfo.com/viewer/content.asp?IsPrint=true&imgnum=1&print_title=&veh... 7/2/2010

You might also like