KEMBAR78
SLD PDF | PDF | Power Inverter | Alternating Current
0% found this document useful (0 votes)
46 views1 page

SLD PDF

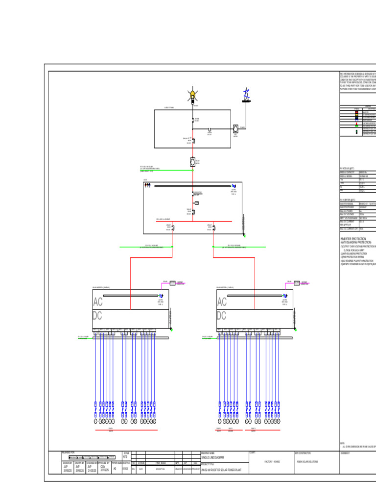
The document outlines the specifications and components of a 299.52 kW rooftop solar power plant, including details on inverters, distribution boxes, and earthing systems. It emphasizes that the information is proprietary and should not be reproduced or shared without written permission. The document also includes a single line diagram and various technical parameters for the solar modules and inverters used in the project.

Uploaded by

avinash anand
Copyright
© © All Rights Reserved
We take content rights seriously. If you suspect this is your content, claim it here.
Available Formats
Download as PDF, TXT or read online on Scribd
0% found this document useful (0 votes)
46 views1 page

SLD PDF

The document outlines the specifications and components of a 299.52 kW rooftop solar power plant, including details on inverters, distribution boxes, and earthing systems. It emphasizes that the information is proprietary and should not be reproduced or shared without written permission. The document also includes a single line diagram and various technical parameters for the solar modules and inverters used in the project.

Uploaded by

avinash anand
Copyright
© © All Rights Reserved
We take content rights seriously. If you suspect this is your content, claim it here.
Available Formats
Download as PDF, TXT or read online on Scribd
You are on page 1/ 1

THIS INFORMATION IS DESIGN AS DETAILED IN TH

DOCUMENT IS THE PROPERTY OF NPT IT IS ISSUE


CONDITION THAT EXCEPT WITH OUR WRITTEN PE
IT IS NOT TO BE REPRODUCED, COPIED OR COMM
TO ANY THIRD PARTY NOR TO BE USED FOR ANY
PURPOSE OTHER THAN THIS AGREEMENT/ CONTR

TO LOAD LEGENDS
CLIENT LT PANEL
SYMBOL DISCRIPTION
INVERTER
AC DISTRIBUTION BOX
DC DISTRIBUTION BOX
4P MCB
O/C,S/C SOLAR MODULE
LIGHTNING ARRESTER
25X3 MM EARTH STRIP
TO GRID
EARTHING PIT (AC) : EPA
EARTHING PIT (DC) : EPD
4P MCB
O/C,S/C NET EARTHING PIT (LA) : EPL
METER
500A,30 mA, 4P
MCCB
O/C,S/C

SOLAR
METER
1R X 3.5C X 300 SQ.MM
(AL. XLPE INSULATED ARM. CABLE) PV MODULE @STC:
(CABLE LENGTH : 55 M)
MODULE CAPACITY 585.00 Wp
MODULE MODEL VIKRAM 585
ACCB Voc 51.1 V
Vmp 43.00 V
R Y B Isc 14.26 A
AC SPD Imp
400V, 40kA
13.62 A
CONTACTOR
500 AMP TYPE : 2

PV INVERTER @STC:
NVR
INVERTER MODEL ENVIRO GTi - 125 KT-NG
INVERTER POWER 125.00 kW
500A 4P
MCCB MAX. DC POWER NA
O/C,S/C MAX. DC VOLTAGE 1000 V

25 X 3 MM G.I.
EARTH STRIP
630 A, 400V, AL, BUSBAR MPPT VOLTAGE RANGE 180-1000 V
MAX. DC CURRENT 40.0 A
250A 4P 250A 4P PER MPPT (I/P)
MCCB MCCB
O/C,S/C O/C,S/C MAX. AC CURRENT (O/P) 190 A

INVERTER PROTECTION
(ANTI ISLANDING PROTECTION)
1R X 3.5C X 120 SQ.MM 1R X 3.5C X 120 SQ.MM
(AL. XLPE INSULATED, ARMOURED CABLE) (AL. XLPE INSULATED, ARMOURED CABLE) (1)OUTPUT OVER VOLTAGE PROTECTION IN
OLTAGE FOR EACH MPPT
(2)ANTI-ISLANDING PROTECTION
(3)IP65 PROTECTION RATING
(4)DC REVERSE POLARITY PROTECTION
(5)SAFETY STANDARD IEC62109-1(2010),IEC6

RS-485 INTERNET RS-485 INTERNET


ROUTER ROUTER
CONNECTION CONNECTION
125 kW INVERTER-1 [ HAVELLS ] 125 kW INVERTER-2 [ HAVELLS ]

AC AC SPD
400V, 40kA
TYPE : 2
AC AC SPD
400V, 40kA
TYPE : 2
25 X 3 MM G.I.

25 X 3 MM G.I.
EARTH STRIP

EARTH STRIP
DC DC
MPPT : 1 MPPT : 2 MPPT : 3 MPPT : 4 MPPT : 5 MPPT : 6 MPPT : 7 MPPT : 8 MPPT : 9 MPPT : 10 MPPT : 1 MPPT : 2 MPPT : 3 MPPT : 4 MPPT : 5 MPPT : 6 MPPT : 7 MPPT : 8 MPPT : 9 MPPT : 10

1R X 1C X 4 SQ.MM 1R X 1C X 4 SQ.MM
CU.FLEX CABLE CU.FLEX CABLE

16 18 18 17 17 17 17 17 17 17 17 17 17 17 17 16 18 18 17 17 17 17 17 17 17 17 17 17 17 17

01 01 01 01 01 01 01 01 01 01 01 01 01 01 01 01 01 01 01 01 01 01 01 01 01 01 01 01 01 01

1 2 3 4 5 6 7 8 9 10 11 12 13 14 15 1 2 3 4 5 6 7 8 9 10 11 12 13 14 15

ROOF-1 ROOF-1 ROOF-1 ROOF-1


SOUTH SOUTH CENTER NORTH

NOTE:
- ALL GIVEN DIMENSION ARE IN MM UNLESS SP

RELEASED FOR: SCALE DRAWING NAME: CLIENT: EPC CONTRACTOR: DESIGN BY:
PRELIMINARY TENDER REVISION FABRICATION CONSTRUCTION APPROVAL NTS SINGLE LINE DIAGRAM
DESIGN BY DRAWN BY CHECKED BYAPPROVED BY R0 31/05/25 FIRST ISSUE FACTORY - 9 SHED AISEN SOLAR SOLUTIONS
PAPER SIZESHEET NO. NPT JVP CGV PROJECT TITLE:
JVP JVP JVP CGV
31/05/25 A0 01/03 REV. DATE DESCRIPTION DRAWN BY CHECKED BYAPPROVED BY
299.52 kW ROOFTOP SOLAR POWER PLANT
31/05/25 31/05/25 31/05/25

You might also like