KEMBAR78
2jz Ecu Terminals | PDF | Throttle | Fuel Injection
100% found this document useful (2 votes)
4K views4 pages

2jz Ecu Terminals

This document provides a wiring diagram listing various connectors and the components they connect to for an automobile. Connector E10 connects components related to ABS, cruise control, traction control and other systems. Connector E9 connects fuel injectors, sensors, solenoids and other engine components. The document continues listing wiring connections for additional sensors, valves and electronics.

Uploaded by

Jp Da Silva
Copyright
© Attribution Non-Commercial (BY-NC)
We take content rights seriously. If you suspect this is your content, claim it here.
Available Formats
Download as XLS, PDF, TXT or read online on Scribd
100% found this document useful (2 votes)
4K views4 pages

2jz Ecu Terminals

This document provides a wiring diagram listing various connectors and the components they connect to for an automobile. Connector E10 connects components related to ABS, cruise control, traction control and other systems. Connector E9 connects fuel injectors, sensors, solenoids and other engine components. The document continues listing wiring connections for additional sensors, valves and electronics.

Uploaded by

Jp Da Silva
Copyright
© Attribution Non-Commercial (BY-NC)
We take content rights seriously. If you suspect this is your content, claim it here.
Available Formats
Download as XLS, PDF, TXT or read online on Scribd
You are on page 1/ 4

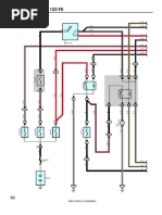
First connector; E10 (A) 1 2 3 4 5 6 7 8 9 10 11 12 13 14 15 16 17 18 19 20 21 22 23 24 25 26 27 28 '2', park / neutral position switch #143 'L', park / neutral position switch

#143 ABS, for ABS and traction ECU #76 OD1, for cruise control ECU #76 TRC- for Traction ECU #76 TRC+ for Traction ECU #76 ELS from defogger relay and taillight relay #76 Taco, Tachometer signal (combination meter) #61 TT for datalink connector 2 (Automatic trans) #142 M, normal / manual shifting (A/T) #142 TE2 for datalink connector 2 #142 TE1 for datalink connector 1 and 2 #142 DI signal to fuel pump ECU #73 FPC signal to fuel pump ECU #73 ACMG, A/C magnetic clutch relay #76 EFI main relay coil #73 MI, manual indicator light #143 EFI- for Traction ECU #76 EFI+ for Traction ECU #76 OD2, Overdrive main switch #143 II1, pin 5 II1, pin 32 II1, pin 29 IJ1, pin 6 IJ2, pin 12 IJ1 pin 17 IJ1 pin 5 IJ1 pin 12 IJ1 pin 4 EA1, pin 2 EA1, pin 8 II1, pin 38 IJ1 pin 17 IJ1 pin 27 IJ1 pin 14 IJ2, pin 11 IGSW 7.5A fused ig sw on signal #73 SP1, no 1 vehicle speed sensor from trip/odo meter #77 KD, kick down switch #142 STP, Stop light switch #142 Catalytic converter temperature warning signal for combination meter (Jap. Spec) W, malfunction indication lamp #77 R, park / neutral position switch #143 II1 pin 11 IJ2 pin 3 IJ1 pin 11 II1 pin 6 II1 pin 15 IJ1 pin 36

Export '95

Jap spec '93

Black - Orange Black - Orange Pink Yellow Green - White N.C. Blue - Black Red - Black N.C. Green - Red Green - Black Yellow - Red Brown - Black White - Red Orange Red - Yellow Black - White Grey - Red Green - Yellow Pink - Green Yellow - Blue Green Violet - White White - Green Grey White - Blue White Black Violet - Green Pink Yellow Green - White Light Green Blue - Black Red - Black N.C. Green - Red Green - Black Yellow - Red Brown - Black White Orange Red - Yellow Black - White Grey - Red Green - Yellow Pink - Green Yellow - Blue Green Violet - White White - Green Grey White - Blue Black White Violet - Green

29 30 31 32 33 34 35 36 37 38 39 40

Thermistor probe signal for catalytic temperature warning signal (Jap spec only)

N.C. N.C.

Light Green - Black N.C. Black - Red N.C. Black - Yellow Blue - Red

+B after EFI main relay #73 +B1 after EFI main relay ?????? Batt via 30A EFI no1 fuse #73 A/C for A/C amplifier #76

EA2, pin 2

Black - Red ?

EA1, pin 4 II1, pin 31

Black - Yellow Blue - Red

NEO signal for traction ECU #76 Signal for Traction ECU pin 27 Signal for Traction ECU pin 26

IJ2 pin 2

Pink - Blue N.C. N.C.

Pink - Blue Green - Orange Violet - Yellow

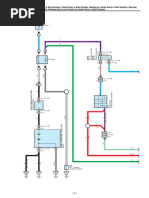
Second connector; E9 (B) 1 2 3 4 5 6 7 8 9 10 11 12 13 14 15 16 17 18 19 20 21 22 23 SP2+ vehicle speed sensor 2 from ECT #141 SLT-, ATM SLT solenoid #141 SLN, ATM SLN solenoid #141 SLU-, ATM SLU solenoid #141 Injector 6 #73 Injector 5 #73 Injector 4 #73 Injector 3 #73 Injector 2 #73 Injector 1 #73 NCO+ O/D Direct clutch speed sensor #142 S2, ATM No2 solenoid #141 S1, ATM No1 solenoid #141 SP2-, Speed sensor 2 (from ECT) #141 E11 ECM ground ??? G2- Camshaft position sensor 2 #61 G1- Camshaft position sensor 1 #61 NE- Crankshaft position sensor #61 NCO- O/D Direct clutch speed sensor #142 Yellow N.C. Green ? Blue Orange Brown N.C. Red - Blue White - Red N.C. Light Green Red Yellow - Green Light Green Black Red - Black Red Red - White Red - Green Red - Yellow Red - Blue Blue N.C. Red Yellow N.C. Green N.C. Blue Orange Brown N.C. Red - Blue White - Red N.C. Light Green - Red Yellow - Green Light Green - Black Red - Black Red Red - White Red - Green Red - Yellow Red - Blue Blue N.C. Red

24 25 26 27 28 29 30 31 32 33 34 35 36 37 38 39 40 41 42 43 44 45 46 47 48 49 50 51 52 53 54 55 56 57 58 59

A/T oil temp sensor #75 G2 Camshaft position sensor 2 #61 G1 Camshaft position sensor 1 #61 NE Crankshaft position sensor #61 E2 signal from MAF #74 (EXPORT ONLY) VF1, Datalink connector 1 #76

Orange Black - White White Black - Red Brown Light Green N.C.

Orange Black - White White Black - Red N.C. Light Green N.C. White - Green Red - Green

SLT+ A/T solenoid SLT #141 ISC4 #73 ISC2 #73 ISC3 #73 ISC1 #73

White - Green Red - Green

Green - Orange Green - Orange Green - White Violet - Yellow N.C. N.C. Green - White Violet - Yellow N.C. N.C. Green - Red Green - Yellow Green - Black Blue - Red Yellow - Blue Yellow Blue - Yellow Pink - Blue

VSV3 for exhaust bypass valve #74 VSV2 for exhaust gas control #74 VSV1 for intake air control valve #74 VCC for throttle sensor and turbo sensor #75 VTA2 sub throttle position sensor #75 VTA1 throttle position sensor #75 Engine coolant temp sensor for EFI #75 THA, intake air temp signal from MAF #74 (and MAP on Jap spec) THG, EGR gas temperature #75 Ox2 signal, Sub heated oxygen sensor #74 Ox1 signal main heated oxygen sensor #74 KNK2, knock sensor 2 rear side #74 KNK1, knock sensor 1 front side #74 To traction ECU pin 1 IGT 6 #61 IGT 5 #61 IGT 4 #61 IGT 3 #61 IGT 2 #61 IGT 1 #61 IGF #61

Green - Red Green - Yellow Green - Black Blue - Red Yellow - Blue Yellow Blue - Yellow Pink - Blue

Brown - Yellow N.C. Red - Blue White Transparent Transparent N.C. Blue - Orange Pink - Black Grey - Green Grey - Black N.C. White Transparent Transparent White - Blue Blue - Orange Pink - Black Grey - Green Grey - Black

Black - Orange Black - Orange Red - White Red - Yellow N.C. Red - White Red - Yellow N.C.

60 61 62 63 64 65 66 67 68 69 70 71 72 73 74 75 76 77 78 79 80

PMC, VSV for wastegate #74

Blue - White N.C.

Blue - White N.C. Black - Yellow Grey - Red Red Brown - Black N.C. Pink N.C. Brown N.C. Black - Blue N.C. N.C. Violet N.C. Black - White Black N.C. Brown Brown

PM1, turbo pressure sensor #74 IDL2 sub throttle position sensor #75 IDL1 throttle position sensor #75 E2, sensor ground (turbo and MAF) #74 VG signal from mass airflow meter #74 To Traction ECU pin 20

Black - Yellow Grey - Red Red Brown - Black Yellow - Red N.C. N.C.

E1, ECM ground #76

Brown N.C.

HT1 signal Main heated oxygen sensor #74 HT2 signal Sub heated oxygen sensor #74 FPU, fuel pressure up #74 EVAP, to VSV for EVAP #73 EGR, to VSV for EGR #73 NSW, Neutral start switch #61 STA, starter relay #61

Black - Blue Brown - White White - Blue Violet N.C. Black - White Black N.C.

EO2 power ground #76 EO1 power ground #76

Brown Brown

You might also like