KEMBAR78
e | PDF | Switch | Power Supply
0% found this document useful (0 votes)
152 views6 pages

e

This document summarizes the key specifications and functions of a 2-fold input module: 1. It evaluates the signals from two safety-tested proximity switches and indicates wire breakage or short circuits. Its outputs are safety-related. 2. It has a switching time of approximately 2ms and reset time of 4ms for its outputs. It operates at 24V DC and 75mA and takes up 3 units high and 4 width units in a rack. 3. It communicates status and input values via MODBUS or Profibus-DP protocols for integration into control systems. An error is indicated by specific status flags and outputs.

Uploaded by

soroush_bme
Copyright
© © All Rights Reserved
We take content rights seriously. If you suspect this is your content, claim it here.
Available Formats
Download as PDF, TXT or read online on Scribd
0% found this document useful (0 votes)
152 views6 pages

e

This document summarizes the key specifications and functions of a 2-fold input module: 1. It evaluates the signals from two safety-tested proximity switches and indicates wire breakage or short circuits. Its outputs are safety-related. 2. It has a switching time of approximately 2ms and reset time of 4ms for its outputs. It operates at 24V DC and 75mA and takes up 3 units high and 4 width units in a rack. 3. It communicates status and input values via MODBUS or Profibus-DP protocols for integration into control systems. An error is indicated by specific status flags and outputs.

Uploaded by

soroush_bme
Copyright
© © All Rights Reserved
We take content rights seriously. If you suspect this is your content, claim it here.
Available Formats
Download as PDF, TXT or read online on Scribd
You are on page 1/ 6

13 110 (0128)

All rights reserved. The technology is subject to changes without notice: 1/6
HIMA Paul Hildebrandt GmbH + Co KG, Postfach 1261, 68777 Brhl
13 110
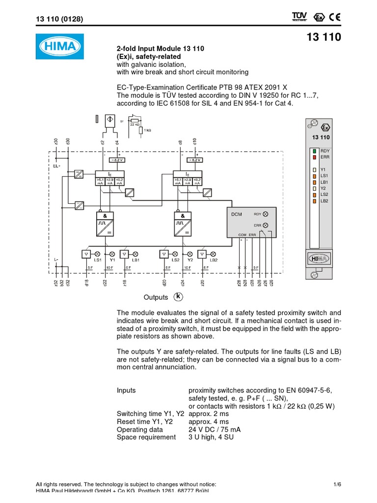
2-fold Input Module 13 110
(Ex)i, safety-related
with galvanic isolation,
with wire break and short circuit monitoring
EC-Type-Examination Certificate PTB 98 ATEX 2091 X
The module is TV tested according to DIN V 19250 for RC 1...7,
according to IEC 61508 for SIL 4 and EN 954-1 for Cat 4.
Outputs
The module evaluates the signal of a safety tested proximity switch and
indicates wire break and short circuit. If a mechanical contact is used in-
stead of a proximity switch, it must be equipped in the field with the appro-
piate resistors as shown above.
The outputs Y are safety-related. The outputs for line faults (LS and LB)
are not safety-related; they can be connected via a signal bus to a com-
mon central annunciation.
Inputs proximity switches according to EN 60947-5-6,
safety tested, e. g. P+F ( ... SN),
or contacts with resistors 1 k / 22 k (0,25 W)
Switching time Y1, Y2 approx. 2 ms
Reset time Y1, Y2 approx. 4 ms
Operating data 24 V DC / 75 mA
Space requirement 3 U high, 4 SU
k
13 110
RDY
ERR
Y1
Y2
LS1
LS2
LB1
LB2
13 110 (0128)
2/6
The switching amplifier has a safe isolation among the inputs and the po-
wer supply or the outputs, according to EN 50178 (VDE 0160). The clea-
rence in air and the creepage distance are dimensioned for overvoltage
class II up to 300 V.
For (Ex)i application the female connector in the subrack must be equip-
ped with a coding pin on d6.The module is a corresponding electric instal-
lation which must be installed outside the hazardous area. The sensor
controlling the module may be mounted within the hazardous area.
Function table
The current values for I
E
refer to the nominal open-circuit voltage 8.2 V
LED off LED on
All functions on the module are monitored by a micro-controller.
A malfunction is indicated by ERR, the output d28 is on 1-signal and the
relay contact z26-d26 opens.
The output z28-b28 is provided for the connection to the communication
module, e. g. for data transfer to a process control system.
RDY (Ready) indicates the available power supply voltage ( 20 V).
Notes
When using safety tested proximity switches all statements and notes of
the manufacturer must be regarded.
For reasons of function and safety it is not permissible to connect the si-
gnal of one proximity switch onto two inputs.
For non-safety-related application it is also possible to use proximity
switches according to EN 60947-5-6 with a resistor of 390 (0.25 W).
Inputs Outputs
Y1, Y2 LS1, LS2 LB1, LB2
R
A
= 23 k...2,9 k
I
E
= 0,35...2,1 mA

R
A
= 1,8 k...0,9 k
I
E
= 2,9...4,3 mA

R
A
< 600 , I
E
> 5,1 mA (LS)

R
A
> 40 k, I
E
< 0,2 mA (LB)

13 110 (0128)
3/6
Communication via MODBUS
Reading of variables
Type BOOL: Function code 1
Type WORD: Function code 3
Events: Function codes 65, 66, 67
Value: 0 always has the contrary meaning
H: hexadecimal value
absolute address: A = p 256 + rel. address
absolute event no.: E = (p - 1) 32 + rel. event no.
p = module location no. in the subrack
Reading of all variables
Function code 3, 84 words
since address 2000 H, 3000 H or 4000 H
For a faultless data transfer all 84 words must be read. With that all the
variables of the modules of one subrack are transferred. For module loca-
tions not in use the values 0 are transferred.
Rel. address Data type Value Meaning Rel. event no.
0 WORD 12 H Module type 13 100
1 BOOL 0 none
2 BOOL 1 Module removed
3 BOOL 1 Communication with module not o.k.
4 BOOL 1 Module in slot, communication o.k.
5 BOOL 1 Operating voltage too low, no RDY
6 BOOL 1 Module error, ERR
7 BOOL 1 Current in input circuits not o.k., LS, LB
8...40 BOOL 0 none
41 BOOL 1 1-signal at output d22 Y1 24
42 BOOL 1 1-signal at output d24 Y2 25
43...48 BOOL 0 none
Word 0 (16 bit) Word 1 (16 bit) Word 2 (16 bit) Word 3 (16 bit)
Rel. address 0 8 . . . . . . 1 24 . . . . . . 17 16 . . . . . . 9 40 . . . . . . 33 32 . . . . . . 25 48 . . . . . . 41
Data Mod. type Mod. state none none none none none Outputs
13 110 (0128)
4/6
Communication via Profibus-DP
Reading of variables
Relative addresses type WORD and type BYTE
Value: 0 always has the contrary meaning
H: hexadecimal value
absolute address WORD: W = 4 (p - 1) + rel. address
absolute address BYTE: B = 8 (p - 1) + rel. address
p = module location no. in the subrack
WORD Bit BYTE Bit Value Meaning
0...7 0 0...7 11 H Module type 12 100
8 0 0 none
9 1 1 Module removed
10 2 1 Communication with module not o.k.
0 11 1 3 1 Module in slot, communication o.k.
12 4 1 Operating voltage too low, no RDY
13 5 1 Module error, ERR
14 6 1 Current in input circuits not o.k., LS, LB
15 7 0 none
1...2 2...5 0 none
0...7 6 0...7 0 none
8 0 1 1-signal at output d22 Y1
3 9 7 1 1 1-signal at output d24 Y2
10...15 2...7 0 none
13 110 (0128)
5/6
13 110 (0128)
6/6

You might also like