KEMBAR78
Tutorial Sheet#2, Unit-1: A.C. Analysis | PDF | Amplifier | Operational Amplifier
0% found this document useful (0 votes)
92 views8 pages

Tutorial Sheet#2, Unit-1: A.C. Analysis

1. The document discusses the AC analysis of an operational amplifier (op-amp) circuit known as a differential amplifier. It describes how to derive the voltage gain and input resistance of the circuit using an AC equivalent circuit model. 2. The differential amplifier amplifies the difference between two input voltages and rejects input signals that are common to both inputs. This helps reduce interference. The ability to reject common mode signals is known as the common mode rejection ratio. 3. There are two main types of differential amplifier circuits - one with a balanced output between two collectors, and one with an unbalanced output from a single collector. The unbalanced output has a DC offset voltage that requires further processing.
Copyright
© © All Rights Reserved
We take content rights seriously. If you suspect this is your content, claim it here.
Available Formats
Download as PDF, TXT or read online on Scribd
0% found this document useful (0 votes)
92 views8 pages

Tutorial Sheet#2, Unit-1: A.C. Analysis

1. The document discusses the AC analysis of an operational amplifier (op-amp) circuit known as a differential amplifier. It describes how to derive the voltage gain and input resistance of the circuit using an AC equivalent circuit model. 2. The differential amplifier amplifies the difference between two input voltages and rejects input signals that are common to both inputs. This helps reduce interference. The ability to reject common mode signals is known as the common mode rejection ratio. 3. There are two main types of differential amplifier circuits - one with a balanced output between two collectors, and one with an unbalanced output from a single collector. The unbalanced output has a DC offset voltage that requires further processing.
Copyright
© © All Rights Reserved
We take content rights seriously. If you suspect this is your content, claim it here.
Available Formats
Download as PDF, TXT or read online on Scribd
You are on page 1/ 8

Tutorial Sheet#2 , Unit-1

Prepared by Nirmal Kumar Pandey


Assistant professor (E&I)
Page 1

1. Discuss the A.C analysis of OP-AMP.
Ans:-
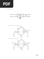
Dual Input, Balanced Output Difference amplifier:
The circuit is shown in fig. 1 v1 and v2 are the two inputs, applied to the bases of Q1 and Q2 transistors. The
output voltage is measured between the two collectors C1 and C2, which are at same dc potentials.

Fig. 1
A.C. Analysis :
In previous lecture dc analysis has been done to obtain the operatiing point of the two transistors.
To find the voltage gain Ad and the input resistance Ri of the differential amplifier, the ac equivalent circuit is
drawn using r-parameters as shown in fig. 2. The dc voltages are reduced to zero and the ac equivalent of CE
configuration is used.
Tutorial Sheet#2 , Unit-1

Prepared by Nirmal Kumar Pandey
Assistant professor (E&I)
Page 2


Fig. 2
Since the two dc emitter currents are equal. Therefore, resistance r'e1 and r'e2 are also equal and designated by
r'e . This voltage across each collector resistance is shown 180 out of phase with respect to the input voltages
v1 and v2. This is same as in CE configuration. The polarity of the output voltage is shown in Figure. The
collector C2 is assumed to be more positive with respect to collector C1 even though both are negative with
respect to to ground.
Applying KVL in two loops 1 & 2.

Substituting current relations,

Again, assuming RS1 / b and RS2 / b are very small in comparison with RE and re' and therefore neglecting
these terms,
Tutorial Sheet#2 , Unit-1

Prepared by Nirmal Kumar Pandey
Assistant professor (E&I)
Page 3


Solving these two equations, ie1 and ie2 can be calculated.

The output voltage VO is given by
VO = VC2 - VC1
= -RC iC2 - (-RC iC1)
= RC (iC1 - iC2)
= RC (ie1 - ie2)
Substituting ie1, & ie2 in the above expression

Thus a differential amplifier amplifies the difference between two input signals. Defining the difference of input
signals as vd = v1 - v2 the voltage gain of the dual input balanced output differential amplifier can be given by
(E-2)




Tutorial Sheet#2 , Unit-1

Prepared by Nirmal Kumar Pandey
Assistant professor (E&I)
Page 4

Differential Input Resistance:
Differential input resistance is defined as the equivalent resistance that would be measured at either input
terminal with the other terminal grounded. This means that the input resistance Ri1 seen from the input signal
source v1 is determined with the signal source v2 set at zero. Similarly, the input signal v1 is set at zero to
determine the input resistance Ri2 seen from the input signal source v2. Resistance RS1 and RS2 are ignored
because they are very small.

Substituting ie1,

Similarly,

The factor of 2 arises because the re' of each transistor is in series.
To get very high input impedance with differential amplifier is to use Darlington transistors. Another ways is to
use FET.
Output Resistance:
Output resistance is defined as the equivalent resistance that would be measured at output terminal with respect
to ground. Therefore, the output resistance RO1 measured between collector C1 and ground is equal to that of
the collector resistance RC. Similarly the output resistance RO2 measured at C2 with respect to ground is equal
Tutorial Sheet#2 , Unit-1

Prepared by Nirmal Kumar Pandey
Assistant professor (E&I)
Page 5

to that of the collector resistor RC.
RO1 = RO2 = RC (E-5)
The current gain of the differential amplifier is undefined. Like CE amplifier the differential amplifier is a small
signal amplifier. It is generally used as a voltage amplifier and not as current or power amplifier.


Difference Amplifier
A dual input, balanced output difference amplifier circuit is shown in fig. 1.

Fig. 1
Inverting & Non - inverting Inputs:
In differential amplifier the output voltage vO is given by
VO = Ad (v1 - v2)
When v2 = 0, vO = Ad v1
& when v1 = 0, vO = - Ad v2
Therefore the input voltage v1 is called the non inventing input because a positive voltage v1 acting alone
produces a positive output voltage vO. Similarly, the positive voltage v2 acting alone produces a negative
output voltage hence v2 is called inverting input. Consequently B1 is called non-inverting input terminal and B2
is called inverting input terminal.
Tutorial Sheet#2 , Unit-1

Prepared by Nirmal Kumar Pandey
Assistant professor (E&I)
Page 6

Common mode Gain:
A common mode signal is one that drives both inputs of a differential amplifier equally. The common mode
signal is interference, static and other kinds of undesirable pickup etc.
The connecting wires on the input bases act like small antennas. If a differential amplifier is operating in an
environment with lot of electromagnetic interference, each base picks up an unwanted interference voltage. If
both the transistors were matched in all respects then the balanced output would be theoretically zero. This is
the important characteristic of a differential amplifier. It discriminates against common mode input signals. In
other words, it refuses to amplify the common mode signals.
The practical effectiveness of rejecting the common signal depends on the degree of matching between the two
CE stages forming the differential amplifier. In other words, more closely are the currents in the input
transistors, the better is the common mode signal rejection e.g. If v1 and v2 are the two input signals, then the
output of a practical op-amp cannot be described by simply
v0 = Ad (v1 - v2 )
In practical differential amplifier, the output depends not only on difference signal but also upon the common
mode signal (average).
vd = (v1 - vd )
and vC = (v1 + v2 )
The output voltage, therefore can be expressed as
vO = A1 v1 + A2 v2
Where A1 & A2 are the voltage amplification from input 1(2) to output under the condition that input 2 (1) is
grounded.

The voltage gain for the difference signal is Ad and for the common mode signal is AC.
The ability of a differential amplifier to reject a common mode signal is expressed by its common mode
Tutorial Sheet#2 , Unit-1

Prepared by Nirmal Kumar Pandey
Assistant professor (E&I)
Page 7

rejection ratio (CMRR). It is the ratio of differential gain Ad to the common mode gain AC.

Date sheet always specify CMRR in decibels CMRR = 20 log CMRR.
Therefore, the differential amplifier should be designed so that r is large compared with the ratio of the common
mode signal to the difference signal. If r = 1000, vC = 1mV, vd = 1 m V, then

It is equal to first term. Hence for an amplifier with r = 1000, a 1m V difference of potential between two inputs
gives the same output as 1mV signal applied with the same polarity to both inputs.

Difference Amplifiers
In this case, two input signals are given however the output is measured at only one of the two-collector w.r.to.
ground as shown in fig. 2. The output is referred to as an unbalanced output because the collector at which the
output voltage is measured is at some finite dc potential with respect to ground..

Fig. 2
In other words, there is some dc voltage at the output terminal without any input signal applied. DC analysis is
exactly same as that of first case.
Tutorial Sheet#2 , Unit-1

Prepared by Nirmal Kumar Pandey
Assistant professor (E&I)
Page 8


AC Analysis:
The output voltage gain in this case is given by

The voltage gain is half the gain of the dual input, balanced output differential amplifier. Since at the output
there is a dc error voltage, therefore, to reduce the voltage to zero, this configuration is normally followed by a
level translator circuit.

You might also like