KEMBAR78
AN00153 Programming OTP Memory Via SPI Boot 1.0.2rc1 | PDF | Booting | Encryption
0% found this document useful (0 votes)
250 views12 pages

AN00153 Programming OTP Memory Via SPI Boot 1.0.2rc1

Programming OTP memory via SPI boot
Copyright
© © All Rights Reserved
We take content rights seriously. If you suspect this is your content, claim it here.
Available Formats
Download as PDF, TXT or read online on Scribd
0% found this document useful (0 votes)
250 views12 pages

AN00153 Programming OTP Memory Via SPI Boot 1.0.2rc1

Programming OTP memory via SPI boot
Copyright
© © All Rights Reserved
We take content rights seriously. If you suspect this is your content, claim it here.
Available Formats
Download as PDF, TXT or read online on Scribd
You are on page 1/ 12

AN00153 (1.0.

2)

Application Note: AN00153


Programming OTP memory via SPI boot
This application note describes how to create a binary image which can be used to program the xCORE tile
OTP memory via SPI boot. This is the XMOS recommended process for a production programmer which
would be used to program application data into the OTP memory in volume production.
The code associated with this application note provides a simple example which demostrates building an
application which then, using the XMOS development tools, produces a SPI flash image that can be used
to boot the xCORE, program the OTP and then signal that the device has been programmed correctly via
GPIO ports on the xCORE device.
With the development flow presented here it is possible to design and manufacture a programmer that
could be used to program xCORE devices with custom firmware images as required.
Example code is provided to allow a simple example to be built into the SPI programming image for the
xCORE OTP.

Required tools and libraries

• xTIMEcomposer Tools - Version 13.2

Required hardware

This application note is designed to run on any XMOS xCORE multicore microcontroller that is able to
boot from SPI and has OTP memory available for programming.
The example code provided with the application has been implemented and tested on an XMOS general
purpose sliceKIT (XK-SK-L2-ST) but there is no dependancy on this board and it can be modified to run on
any board containing an XMOS xCORE processor.
Note that the application example can only be run once successfully on the target hardware as the OTP
memory is one time programmable.

Prerequisites

• This document assumes familiarity with the XMOS xCORE architecture, the XMOS tool chain
and the xC language. Documentation related to these aspects which are not specific to this
application note are linked to in the References appendix.
• For descriptions of XMOS related terms found in this document please see the XMOS Glossary1 .
• The XMOS tools manual contains information regarding the use of xSCOPE and how to use it via
code running on an xCORE processor2 .

1 http://www.xmos.com/published/glossary
2 http://www.xmos.com/published/xtimecomposer-user-guide

Copyright 2016 XMOS Ltd. 1 www.xmos.com


XM006843
AN00153 (1.0.2)

1 Overview

1.1 Introduction

XMOS devices contain secure on-chip one-time programmable (OTP) memory that can be blown during
or after device manufacture testing. XMOS provides an Advanced Encryption Standard (AES) Module that
authenticates and decrypts programs from external SPI flash devices. You can program the AES Module
into the OTP of an xCORE device, allowing programs to be stored encrypted on flash memory.
This helps provide:

• Secrecy - Encrypted programs are hard to reverse engineer


• Program Authenticity - The AES loader will not load programs that have been tampered with or other
third-party programs
• Device Authenticity - Programs encrypted with your secret keys cannot be cloned using XMOS devices
provided by third parties

Once the AES Module is programmed, the OTP security bits are blown, transforming each tile into a
“secure island” in which all computation, memory access, I/O and communication are under exclusive
control of the code running on the tile.
When set, these bits:

• force boot from OTP to prevent bypassing


• disable JTAG access to the xCORE tile to prevent the keys being read stop further writes to OTP to
prevent updates

The programming process proceeds as follows:

• The XMOS device boots from the Programming Image through the SPI pins
• The XMOS device executes the Programming Image, which blows the OTP target image into the OTP
memory
• The XMOS device verifies that the OTP Target Image is now present in the OTP and signals status
using GPIO

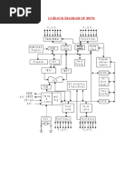
1.2 Block diagram

Figure 1: Block diagram of xCORE microcontroller programming platform

Copyright 2016 XMOS Ltd. 2 www.xmos.com


XM006843
AN00153 (1.0.2)

2 Programming OTP memory via SPI boot example


The example in this document does not have any external dependancies on application libraries other than
those supplied with the XMOS development tools. It demonstrates how to generate an OTP programming
image of an xCORE application which can signal its PASS / FAIL and completion status via the GPIO pins
of an XMOS mulitcore microcontroller. This allows an external programming rig to automatically detect if
the device under test has had the OTP memory programmed correctly.
In the example, the Programming Image is supplied to the XMOS device through a SPI slave interface on
a flash memory that is itself programmed using the XMOS development tools via JTAG. In a production
system the SPI slave interface may be provided directly from the programming equipment.
The following diagram shows the programming flow and the steps taken during the image generation
process.

2.1 Programming Flow:

The following diagram describes the programming flow where the Programming Image is provided
through a flash memory. If an alternative approach is used, for exmaple a SPI slave delivering the
Programming image from an FPGA, then the SPI flash programming step will have to be modified
accordingly.

Figure 2: Programming flow for OTP memory via SPI flash

Copyright 2016 XMOS Ltd. 3 www.xmos.com


XM006843
AN00153 (1.0.2)

2.2 Building the xCORE application target image

This is the first step in the programming process and is normally done by the application developer or
customer requiring the OTP to be programmed on the xCORE device. An xCORE application is built in the
standard way using an xmos makefile and source code.
To demonstrate the approach, this example uses a simple main function which operates in a loop as
follows.
// Copyright (c) 2016, XMOS Ltd, All rights reserved
#include <xs1.h>

out port leds = XS1_PORT_4E;

void drive_leds(void) {
for (int i = 0; i < 5; i++) {
delay_milliseconds(200);
leds <: 0x0;
delay_milliseconds(200);
leds <: 0xf;
}
}

int main (void) {


drive_leds();
return 0;
}

In this example you can see we are simply calling a function to flash an LED 5 times and then exiting the
program.
To compile this application, startup a command prompt which uses the XMOS development tools, go to
the top level of the application note directory structure and enter the command:

xmake all

2.3 Building the xCORE application OTP binary image

From the previous step we have a standard XMOS executable file which can be used with the XMOS
development tools to run on the target hardware. To be able to program this code into OTP memory via a
programming platform we need to generate the binary image of the data that would be programmed into
the OTP, independantly of the hardware platform itself.
To proceed with the example, open a command prompt setup to use the XMOS development tools. Then
change into the bin directory from the top level of the application note directory structure
First it is required to generate the program image for the specfied xCORE tile we are going to program.
This is done with the following command sequence:

> xobjdump --split app_test_program.xe


> xobjdump --add 0,0,image_n0c0_2.elf otp_tile_image.xe
> xobjdump --add 0,0,..\src\platform\platform_def.xn otp_tile_image.xe

The binary data for the OTP image can now be produced.
In order to do this the xburn tool is used:

> xburn -o otp_tile_image.bin otp_tile_image.xe --target-file ..\src\platform\platform_def.xn

Copyright 2016 XMOS Ltd. 4 www.xmos.com


XM006843
AN00153 (1.0.2)

The output from this stage of the process is a binary image of the OTP contents to be programmed. This
is contained within the file otp_tile_image.bin.

2.4 Building the OTP programming application for the programming rig

At this stage in the process there is normally a handover of the binary image for the OTP memory between
the customer and programming house. In this example both parts of the process are being performed on
the same development board.
Once we have the binary image for the OTP from the last step an OTP Programming Image can be gen-
erated which will perform the actual writing and verification of data into the OTP memory. This is done
again using the xburn tool.
For this step we need to link in some extra code into the programming executable in order to perform the
signalling of the programming completion and also the PASS / FAIL status of writing to the OTP memory.
This is done by passing the following code to xburn on the command line.

// Copyright (c) 2016, XMOS Ltd, All rights reserved


#include <platform.h>

on tile[0] : out port complete_signal = XS1_PORT_4E;

void _done() {
set_port_use_on(complete_signal);

complete_signal <: 0xc;

while (1);
}

void _exit(int exitcode) {


set_port_use_on(complete_signal);

if (exitcode != 0) {
complete_signal <: 0xe;
} else {
complete_signal <: 0xc;
}

while (1);
}

From this source code you can see the following,

• A GPIO is declared to report status complete and the status of PASS / FAIL
• Standard xCORE GPIO ports are used and these can be changed depending on where the detection
of these signal is connected
• The standard runtime function _done() is overloaded by this code to report the status that program-
ming the OTP has completed and been a success. This function is called by the OTP programming
application when there has been no error in programming
• The standard runtime function _exit is overloaded by this code to report the status that program-
ming the OTP has completed and has either passed or failed. This function will be called by there
OTP programming application when there has been an error in programming the OTP.
• Both of the above functions wait forever after signalling the status of the programming operation
In order to generate the OTP programming executable the following xburn command line is used:

Copyright 2016 XMOS Ltd. 5 www.xmos.com


XM006843
AN00153 (1.0.2)

> xburn --make-exec otp_programmer.xe --extra-file ..\src\signalling\portsignal.xc otp_tile_image.bin -target=


,→ XK-1A

At this point in the process a decision has to be made about various security options which are required
to be passed to xburn as command line options, the developer requesting OTP programming would have
specified these options,

• Enable boot from OTP


• Enable JTAG access
• Enable access to plink registers from other cores
• Enable participation of device in global debug
• Enable OTP master lock

2.5 Building the SPI flash boot image for programming

Once the OTP Programming Image is produced from the previous step it now needs to be translated into
a binary image which can reside in a SPI salev device (in this case a flash memory) and boot the xCORE
device. The act of booting this device will load the programming code from SPI slave device into the
xCORE SRAM memory and then execute the code which will in turn program the application image we
built earlier into the OTP memory of the xCORE device.
The OTP programming application is converted to a SPI flash image by using the xflash tool supplied
with the XMOS development tools.
The command line to convert the OTP programming image using xflash is as follows:

> xflash -o otp_programmer.bin otp_programmer.xe -target=SLICEKIT-L16 --noinq --boot-partition-size 0x10000

This command produces a binary image which is in the correct format to be programmed into a SPI flash
that will boot an xCORE device via its boot ROM.
This image can be used with an external programmer to load into the SPI slave device.

Copyright 2016 XMOS Ltd. 6 www.xmos.com


XM006843
AN00153 (1.0.2)

APPENDIX A - Example Hardware Setup


This example is designed to run on an XMOS general purpose sliceKIT (XK-SK-L2-ST) but the target can be
changed by editing the Makefile supplied to select a different target board. The hardware for running the
example is shown below.

Figure 3: XMOS startKIT

The hardware should be configured as displayed above for this example :

• The XMOS XTAG should be connected to the host machine via a USB cable
• The GPIO slice card should be connected into the triangle connector on the sliceKIT
• The sliceKIT should have its power connector plugged in an powered on

Copyright 2016 XMOS Ltd. 7 www.xmos.com


XM006843
AN00153 (1.0.2)

APPENDIX B - Testing the completion and PASS / FAIL signalling


In order to check that our hardware is correctly signalling that programming is complete and if the status
is a PASS or a FAIL we can run some simple code on the device using the GPIO signalling code we compiled
into our programming binary. This will generate an executable which can be loaded onto the target.
The signalling of programming status is shown on the LED’s of the GPIO slice connected as shown in the
example hardware setup.
The completion status is reported on LED0 and the PASS/FAIL status on LED1.
We are using the XMOS command line tools, make sure you are running in a console with the XMOS
development tools environment set.
From the top level of the application note directory change directory into the following location:

> cd src\signalling

In order to compile the pass and fail binaries from the XMOS command prompt then perform the following
operations:

> xcc -o pass.xe pass.c portsignal.xc -target=SLICEKIT-L16


> xcc -o fail.xe fail.c portsignal.xc -target=SLICEKIT-L16

Once these are compiled we can run them on the board to check the PASS status:

> xrun pass.xe

The LED’s on the GPIO slice should look as below.

Figure 4: Complete signalled by LED0 on and PASS signalled by LED1 on

And check FAIL status is being reported:

> xrun fail.xe

The LED’s on the GPIO slice should look as below.

Figure 5: Complete signalled by LED0 on and FAIL signalled by LED1 off

Copyright 2016 XMOS Ltd. 8 www.xmos.com


XM006843
AN00153 (1.0.2)

APPENDIX C - Programming the application code into the device

C.1 Programming the SPI flash on the board

In this example we are using the XMOS development tools to program the SPI flash binary image into the
flash device. The binary file we generated earlier would, in a production programmer, be used either with
an external flash programmer, or with a programmable device that emulates a SPI flash.
In order to program the flash the xflash command is used with the binary image generated earlier:

> xflash --write-all otp_programmer.bin -target=SLICEKIT-L16

Once this command has completed the SPI flash will be loaded with our programming image.

C.2 Programming the OTP memory on the device

Now that the Programming Image is present in the programming hardware, the XMOS device now needs
to be power cycled so that it can boot from the SPI slave device. In the example, this is done by removing
and reinserting the power cable to the XMOS sliceKIT.
Once this is done the OTP will be programmed and the board will now be configured to always boot
from OTP memory. You will no longer be able to boot the device from SPI or JTAG boot modes after this
operation is complete

Copyright 2016 XMOS Ltd. 9 www.xmos.com


XM006843
AN00153 (1.0.2)

APPENDIX D - References
XMOS Tools User Guide
http://www.xmos.com/published/xtimecomposer-user-guide
XMOS xCORE Programming Guide
http://www.xmos.com/published/xmos-programming-guide

Copyright 2016 XMOS Ltd. 10 www.xmos.com


XM006843
AN00153 (1.0.2)

APPENDIX E - Full source code listing

E.1 xCORE source code for main.xc

// Copyright (c) 2016, XMOS Ltd, All rights reserved


#include <xs1.h>

out port leds = XS1_PORT_4E;

void drive_leds(void) {
for (int i = 0; i < 5; i++) {
delay_milliseconds(200);
leds <: 0x0;
delay_milliseconds(200);
leds <: 0xf;
}
}

int main (void) {


drive_leds();
return 0;
}

E.2 xCORE source code for portsignal.xc

// Copyright (c) 2016, XMOS Ltd, All rights reserved


#include <platform.h>

on tile[0] : out port complete_signal = XS1_PORT_4E;

void _done() {
set_port_use_on(complete_signal);

complete_signal <: 0xc;

while (1);
}

void _exit(int exitcode) {


set_port_use_on(complete_signal);

if (exitcode != 0) {
complete_signal <: 0xe;
} else {
complete_signal <: 0xc;
}

while (1);
}

Copyright 2016 XMOS Ltd. 11 www.xmos.com


XM006843
AN00153 (1.0.2)

Copyright © 2016, All Rights Reserved.

Xmos Ltd. is the owner or licensee of this design, code, or Information (collectively, the “Information”) and is
providing it to you “AS IS” with no warranty of any kind, express or implied and shall have no liability in relation to
its use. Xmos Ltd. makes no representation that the Information, or any particular implementation thereof, is or will
be free from any claims of infringement and again, shall have no liability in relation to any such claims.

Copyright 2016 XMOS Ltd. 12 www.xmos.com


XM006843

You might also like