KEMBAR78
PSoC Programming for Engineers | PDF | Digital Electronics | Electronics
0% found this document useful (0 votes)
213 views12 pages

PSoC Programming for Engineers

This document provides an overview of programming a Cypress PSoC microcontroller using PSoC Designer software. It describes the PSoC hardware, the PSoC IDE and Designer interface, and provides two examples of implementing simple applications using inputs, outputs, and valuators on a system-level design flow. The first example is a basic heater controller and the second implements feedback-controlled thermal regulation of a garment using thermoelectric heating and cooling.

Uploaded by

Thanhha Nguyen
Copyright
© © All Rights Reserved
We take content rights seriously. If you suspect this is your content, claim it here.
Available Formats
Download as DOC, PDF, TXT or read online on Scribd
0% found this document useful (0 votes)
213 views12 pages

PSoC Programming for Engineers

This document provides an overview of programming a Cypress PSoC microcontroller using PSoC Designer software. It describes the PSoC hardware, the PSoC IDE and Designer interface, and provides two examples of implementing simple applications using inputs, outputs, and valuators on a system-level design flow. The first example is a basic heater controller and the second implements feedback-controlled thermal regulation of a garment using thermoelectric heating and cooling.

Uploaded by

Thanhha Nguyen
Copyright
© © All Rights Reserved
We take content rights seriously. If you suspect this is your content, claim it here.
Available Formats
Download as DOC, PDF, TXT or read online on Scribd
You are on page 1/ 12

Programming a Cypress PSoC using PSoC

Designer

Steven Shane
ECE 480, Spring 2009, Michigan State University

Key words: PSoC, Cypress, Control system


Introduction and Purpose.....................................................................................................3
The Hardware......................................................................................................................3
PSoC IDE and Designer......................................................................................................4
Example 1:.......................................................................................................................4
Application 1: Implementation of a simple Heater......................................................5
Schematic...........................................................................................................................10
Driver Schematics..........................................................................................................10
Introduction and Purpose

The Cypress-manufactured Programmable System on a Chip (PSoC) is a useful

tool for a series of engineering applications ranging from simple power regulation to

complex control applications. The on-board electronics allow for customization of the

chip’s functions. This customization can take the form of user-defined scripts, a network

of pre-defined electronic components, or a combination of the two. The object of this

note is to provide the reader with useful information on constructing a customizable

control system featuring multiple inputs and outputs.

The Hardware Analog and digital blocks:


The PSoC used in this
reconfigurable space which can be
application note is of the CY8C29X66
assigned
family of chips produced by Cypress
Figure 1: Overview of the PSoC

Semiconductors, incorporated into a

demonstration board. More recent

families with varying abilities and specs

are also available, but the core of the

product remains the same.

The PSoC is characterized by

containing the following components.

The Core: A microcontroller that

includes the clock and various timers.


PSoC IDE and Designer
The PSoC programmer and design IDE are both available as a free download

from the Cypress website, and these two programs are the focus of this document.

PSoC Designer is the application that allows the user to define interior chip logic,

placing isolated components and assigning the footprint of the chip. To start work on

defining the interior logic, create a new project.

The chip-level approach allows for a more robust control of modules added to the

programmable memory. PSoC Designer comes equipped with a series of pre-

programmed components that can simply be dragged into memory locations.

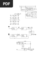
Example 1:
Each component takes up a certain amount of space, represented by the gray

boxes in the figure above. Note that analog operations (such as DTA conversion) takes up

space in the Analog Programmable region as opposed to the Digital Programmable

region. Pictured above is a 12-bit A-to-D converter placed in memory space. Unless

specified otherwise, Designer automatically allocates memory and required I/O ports.

User-defined modules can also be added to the library using the editor. Once the

components are placed, pin placement can be managed by building the project (F7).

A higher-level approach is the system-level design. In this mode, The user does

not manage the memory of the PSoC’s resources as directly, but instead a project

flowchart is automatically generated. The user drags pre-defined components into the

design window as before, except now the components are strictly Inputs, Outputs,

Valuators, and Interfaces.

Inputs range from simple digital banks to temperature sensors, accelerometers, or

even simple voltage or current inputs. These are each configured by selecting the proper

module from the toolbar, and then adjusting the characteristics of the input to match your

specific project needs.

Outputs can be any digital or analog signal generated by the PSoC. A transfer

function of some kind is required for each output, and these are typically determined by

valuators.

Valuators are logical constructions. They link outputs with inputs in logical

expressions and even blocks of C code.


Application 1: Implementation of a simple Heater
A heater is to be driven by the PSoC, controlled by an on/off switch, and with

output based upon the ambient temperature.

Inputs Outputs Valuators


Binary switch as on/off 0-5V DC output to drive Look-Ahead when the system
control a current-controlling is first initialized
MOSFET
Ambient temperature as
measured by thermistor

The figure below shows the completed display in Designer. The orange lines

denote dependencies determined by the transfer function of the valuators and outputs.

Figure 2: System-level Design

In this case, a LoopDelay valuator is used to monitor the on/off switch. It turns

high when the state of the switch changes. The output is the PWM DTA voltage, and it is

controlled by a priority encoder. The final logic is depicted below.


Application 2: Feedback-controlled thermal regulation
A more complex system that takes further advantage of the PSoC’s parallel

capabilities. Temperature is regulated by thermoelectrically-heated or cooled water

circulated through tubes in a garment. The thermoelectric is controlled by the PWM DC

output of the PSoC via a MOSFET. The figure below shows the Design window for this

particular application.

Temperature Inputs:
WaterTemp2 AmbientTemp2 BodyTemp2
Monitors output from Basis for check on Monitors the temperature of
Thermoelectric element Heating/Cooling mode. air inside the garment.
Capped at 45 degrees C Basis for fine-tuning PWM
duty cycle
All thermistor inputs are modeled after McShane TR-67 15K thermistors.
Resistance/Temperature chart http://mcshaneinc.com/html/TS67_Specs.html
Other Input(s)
4-state Dipswitch
User manual override. The four settings correspond to Cold, Off, Low Heat, and High
Heat, respectively. High at 2.2 V

Outputs
DC output H-bridge state
PWM-generated 0-5V, determined by duty Binary bit determining polarity of voltage
cycle, regulates a high-power MOSFET across TE. Determined by heating vs.
cooling mode.

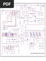
The completed schematic based upon the specified design is automatically generated
when the project is built. Appendix A contains the full schematic for this project, along
with recommendations for external electronics based upon the drivers provided by
Cypress.
Appendix A

Schematic

Driver Schematics

AmbientTemp AmbientTemp2 BodyTemp

AmbientTemp AmbientTemp2 BodyTemp


Output1 WaterTemp

You might also like