KEMBAR78
Elevator Commissioning Guide | PDF | Elevator | Electric Motor
100% found this document useful (1 vote)
3K views30 pages

Elevator Commissioning Guide

This document provides guidance for commissioning elevator systems. It outlines important safety notices and inspection procedures to complete before powering on equipment. These include checking installations, wiring, and grounding. It also describes setting basic system parameters and motor settings using a handheld operator.

Uploaded by

toufik
Copyright
© © All Rights Reserved
We take content rights seriously. If you suspect this is your content, claim it here.
Available Formats
Download as DOC, PDF, TXT or read online on Scribd
100% found this document useful (1 vote)
3K views30 pages

Elevator Commissioning Guide

This document provides guidance for commissioning elevator systems. It outlines important safety notices and inspection procedures to complete before powering on equipment. These include checking installations, wiring, and grounding. It also describes setting basic system parameters and motor settings using a handheld operator.

Uploaded by

toufik
Copyright
© © All Rights Reserved
We take content rights seriously. If you suspect this is your content, claim it here.
Available Formats
Download as DOC, PDF, TXT or read online on Scribd
You are on page 1/ 30

Elevator Commissioning Guide

This chapter provides the guide for operation of elevator. By the operation procedures
described in this chapter, the design, installation, wiring, parameter setting and
commissioning of elevator may be completed quickly.

Important Notice:

 Any users of our products are required to carefully read and understand this manual
and the related equipment manuals to system prior to starting system commissioning or
putting it into operation in order to avoid accident losses.

 Be sure to read and understand the instructions for System Parameter Setting in
this manual prior to starting system commissioning or putting it into operation in order to
avoid accident losses.

 Site commissioning can not be started until all mechanical equipment, especially
shaft equipments and devices are completed reliably (how the machine room equipment
is required depends on the preparation of machine room).

 Any equipment and devices required to be installed and commissioned before


system commissioning shall be surely completed in a reliable manner.

 Before commissioners starting its works, all the works must be confirmed by the
related installation persons and commissioning director of mechanical system and other
system or by the other persons designated to taking the related responsibilities.

 Prior to system commissioning, the commissioner shall carefully check all the
equipment and other devices related to the commissioning of electric system are all
completely installed and commissioned appropriately.

 Prior to system commissioning, the commissioner must carefully check there is not
any existences of unsafe factors to human body and property (including potential and
possible unsafe factors).

 The commissioner must be of trained and qualified to execute commissioning of


elevator control system.

 In case that this manual can not satisfy your requirements, please contact us timely
to get supporting in time.

 Commissioner shall, before starting its work, check all the site conditions are ready
to carry out system commissioning.

Danger

◎ Energized, don’t remove the shell


Or it may cause risk of electric shock.
◎ Do not reset alarm signals until operating signals are surely
cut off
Or it may cause risk of injury.

Caution

◎ Heat sink and brake resistor is at elevated temperature, do not


touch it
Or it may cause risk of burn.
Prior to put them into operation, make sure all motors and
machines are to be used in their scope of application.
Or it may cause risk of injury.

7.1 Inspection prior to Switching on


After completing electric installation of control system, the electric parts must be
inspected:
1. check all connections are properly completed against instruction manual and electric
diagrams.
2. check heavy current and weak current part is separated properly. Check the
resistance between circuits of different voltages and the resistances to earth is “ ∞”.
3. Check the supply lines to control boxes and the wiring of motors are made properly
to avoid burning out of elevator integrated drive controller when switching on
4. check the control box casing, motor casing, car earth connection and hall door earth
connection is reliably grounded to ensure personal safety.
▲ Note: single-point-grounding method must be adopted for control box casing and the
motor casing.

7.2 Power up and inspection

7.2.1 Inspection before power up

1. Short-circuit inspection of the control cabinet to ground before power up:


(1) Input power line three-phase to ground
(2) Motor line three-phase to ground
(3) Terminal 220V to ground
(4) Communication line to ground
(5) Encoder line to ground
Please eliminate the short-circuit if it occurs for any of the above items.
2. Grounding inspection: (please make sure that the following items need to be grounded
reliably)
(1) Control cabinet is grounded.
(2) Motor is grounded.
(3) Car is grounded.
(4) Door operator is grounded.
(5) Wireway is grounded.
(6) Control cabinet of the encoder shielding layer is grounded.
(7) Motor of encoder shielding layer is grounded.
Note: One terminal of shielding layer of the asynchronous motor encoder is
grounded,both terminals of shielding layer of the synchronous motor encoder need to
be grounded.
3. Wiring inspection of communication line、encoder line and power line:(Please affirm
whether it can meet the following request in the scene, please correct if not.)
(1) Hoistway communication lines are twisted in pair with the distance of intertwist <35cm.
(2) Cabin communication lines are twisted in pair with the distance of intertwist <35cm.
(3) Parallel group control communication lines are twisted in pair with the distance of
intertwist <35cm (only for parallel or group control lifts)
(4) Encoder lines and power lines are in the different wiring ducts.
(5) Communication lines and power lines are in the different wiring ducts.
(6) Parallel group control communication lines and power lines are in the different wiring
ducts. (only for parallel or group control lifts)

7.2.2 Inspections after Switching on Power

7.2.2.1 Switch on the main switch, if the green light on the phase-relay KAP lights up, the
phase order is correct; if NOT, switch off the power supply and exchange connections of
any two of the three phases and switch on power again.
7.2.2.2 Check the voltage levels on the terminals of the isolation transformer TCO in the
cabinet to ensure they are within their normal voltage ranges respectively. When the
above checks prove correct, do the following:
(1) Switch on fuses FUn(n=1,2,3……);
(2) Switch on the power supply control so that the switch power unit TPB (Voltages on
the terminals of TPB is shown in List 7-1 below) is powered on and the master control
board starts working.

Part L~ N 24V~ COM


Voltage 220±7%VAC 24.0±0.3VDC

Table 7.1 Voltages on the Terminals of TPB

(3) Switch on the Emergency Switch in the control cabinet with its corresponding LED
lighting up, and inspect the following:
◆ Check if the door interlock circuit works properly;
◆ Check if the door zone signals, the up limit and down limit switch signals work
properly;
◆ The working status in the handset programmer should have “INSPECTION” in display.
If anything wrong or abnormal is herein found out, further checks and corrections should
be done.

7.3 Setting of Basic System Parameter and Motor Setting


7.3.1 Setting of Basis system Parameter
With handheld special-purpose LCD operator, the following basic system parameters
may be set properly (see Chapter 5 for Operation Method of Handheld Operator):
Table 7.2 Basic System Parameters

Parameter
Description Default Value Range Unit Remarks
No.
F06 Rated speed 1750 200-6000 mm/s
Rated rotate
F07 1450 50-10000 rpm
speed of motor
Encoder pulses
F08 1024 100-10000 PPR
per revolution
Locking/home
F09 1 1-48
landing
F10 Floor offset 0 0-20
Pre-set number
F11 18 2-48
of floors
Inspection
F12 250 0-500 mm/s 0.25m/s
speed
Depend on whether
Group control group control or not.
F23 3 0-4
mode For setting details,
see Chapter 8.
Input type
1 ( set input
point X0-X15 as
F25 12531 0-65535
constant close
or constant
open)
Input type
2 ( set input
point X16-X31
F26 as constant 1 0-65535
close or
constant
open)
Input type
3 ( set input
TX0-TX15 as
F27 4255 0-65535
constant close
or constant
open)
Input type
4 ( set input
TX16-TX31 as
F28 0 0-65535
constant close
or constant
open)
Specification
options of
Setting as per
F32 elevator 5 0~7
Chapter 8.2
integrated drive
controller
Series of
F182 deceleration 2 0-65535
switch
Self-tuning
F183 800 0-65535 mm/s 0.800m/s
speed of shaft
0:asynchronous
F218 Motor type 0 0,1 ×
1: synchronous
F219 Motor poles 4 2~32 × Set as per nameplate
Rated motor 200V Series:220;
F220 380 0~400 V
voltage 400V Series:380;
Rated motor Set as per nameplate
F221 Factory-default
speed (see F07 also)
Rated motor
F222 Factory-default 0~80.00 A Set as per nameplate
current
Max output
F223 150 0~300 % Max 200% 10s
torque
(synchronous rotate
speed - rated rotate
speed)÷synchronous
Motor slip
F224 1.40 0~10 × rotate speed ×rated
frequency
frequency; no setting
is required for
synchronous motor)
Carrier Carrier frequency for
F225 8.0 4~15 kHz
frequency PWM output)
0: For incremental
type, difference type,
SINCOS, 2048 PPR
is required for
F226 Encoder type 0 0~10 × synchronous motor
1: CCW type UVW
Encoder
2: CW type UVW
encoder
Encoder pulses Set as per nameplate
F227 Factory-default
per revolution (see F08 also)
Initial phase angle in
Magnetic pole
F228 0 0~360 Degree synchronization
phase
to be set.

Note:
All parameters shown above must be properly set prior to commissioning; the setting of
motor may be made in reference to nameplate; for different site conditions, please see
Chapter 8 for specific setting and definition of each parameter.
7.3.2 Motor Setting
No self Self-tuning procedure but only self-setting of phase as follows is needed by
asynchronous motor:
1. When [iAStar-S8] series elevator integrated drive controller is provided with
synchronous traction machine, synchronous PG card will be necessary (5V, 5.3V, with
frequency division output, article code AS.T007 or AS.T010.);
2. Make sure the phase sequence of output power lines at the motor side of elevator
integrated drive controller is correct and both motor and elevator integrated drive
controller are reliably grounded with resistance less than 10ohms.
3. The standard configuration uses Sin/Cos difference encoder or UVW encoder.
Please make sure the encoder is wired properly and the shielding layer is reliably
grounded.
4. Self setting of motor phase:
a. Elevator is in the state of “Inspection”. Self-setting of motor phase requires
balance between car and counterweight, which means even if the brake is open, the
elevator will not slip.
b. When power on, the parameter F204 (zero speed integral)=0, F216 (current loop
gain)=1.00, F218(motor type)=1; all parameters or motor and encoder are set properly.
c. Activate Motor Self-tuning menu, press ENTER to confirm, then press INSPECT
UP or INSPECT DOWN button to activate motor self-setting. If no failure indicator lamps
light up at completion of self-setting, it means the setting is completed successfully. Now
you should turn off the power before exiting from the setting state.
d. If failure indicator lamp lights up at completion of self-setting and the operator
displays a error code “65”, you may invert V and W phase sequence and it is not required
to restart self-setting.
5. Observe the speed feedback of elevator integrated drive controller when elevator is
in inspection state. If obvious jump is found, check if the shielding layer of encoder has
been grounded reliably.
6. If the motor runs abnormally or only a in a same direction, check the phase sequence
of motor.
7. When the up and down inspection running is normal, the no-load full-speed running
may be started. Observe if the output current of elevator integrated drive controller is
correct.

7.4 Low-speed trial running and preparation before high-speed running

7.4.1 Inspection running of machine room

1. The following items should be checked before inspection of machine room

(1) the inspection switch of the control cabinet is turned to “Inspection” position and the
car top inpection button is at “normal” position.

(2) the safe loop and the door-lock loop operate normally. Never make door locks
shorted;

(3) encoders are installed and wired properly;

(4) check that the transducers are normal after powered up, that its parameters are set
properly. and that the working state of the lift is “ Inspection”;

(5) correctly connect brake lines of traction machine to the terminals in the control
cabinet;

(6) wiring of up/down limit switches and up/down forced slow-down switces is normal;
(7) Wiring of preferential loop of the car top inspection is in normal;

2. Inspection running of machine room

Push the slow-up/down button on control cabinet when inspection running conditions are
satisfied, and then the elevator should moves up or down at the set speed.

(1) Check up or down motion. Observe the operation direction of elevator. If the
direction is opposite, change any two-phase of the asynchronous motor and A/B phase of
the encoder; for the synchronous motor, invert the signal from the main board to the
transducer so that it can operate in normal or reversal direction.

(2) Inspect up or down motion. If the motor feed-back speed by the transducer is
unstable or obviously different from the given speed, please change A/B phase of the
encoder and start inspection with power up again.

(3) Inspect up or down motion. Observe whether speed displayed on main board is +or-.
If the display is opposite, please change A/B phase of speed feedback port on the main
board.

(4) Please affirm that X10(down leveling) actuates first compared to X9(up leveling)
through the leveling when inspecting up leveling of the lift. Please correct it if the order is
opposite; otherwise, the hoistway self-tuning can not be completed successfully.

7.4.2 Inspection Ride on Top of Car

If the inspection ride is worked out properly from the machine room, try it again on top of
the car.

7.4.3 Inspection of CAN communication cable and address setting of 04 board

1. Inspection of communication terminal resistor:

(1) Check the terminal resistor between CAN 1 communication ports TXA+ and TXA- is
60 ohm( in car and hall each 120 ohm)

(2) Affirm CAN2 communication ports TXA1+ and TXA1- in are parallel or the group
control terminal resistor is 60 ohm (only for parallel or group control elevators)

2. Address Setting of the SM-04 board

Please set the address of SM-04 board from 1 to the topmost in turn. Please set the
address of SM-04 board in car as 0.

7.4.4 Adjustment of opening/closing door

1. Make the elevator in inspection state and in leveling position;

2. Provide gate operator supply;

3. Move the gate by hand. Monitor whether signal of openning door to the set position
(TX0) and closing door to the set position (TX1) on the main-board is normal;

4. Affirm safety shoe and overload signal is not working;

5. Put the gate at the middle position;


6. Push the close door button. Affirm output of the door close relay is normal and the door
can be closed properly until the signal of closing door to the set position activates;

7. Push the open door button. Affirm output of the door open relay is normal and the door
can be opened properly until the signal of opening door to the set position activates.

7.5 Shaft self-tuning

Hoistway self-tuning is that the elevator works at a self-tuning speed and records the
positions of each floor and switches in the hoistway. The positions of floor are the basis
for normal run brake and floor display, so elevator shaft self-tuning is necessary before
high-speed running. Procedures of self-tuning are as follows:

1. Affirm the elevator meets the safe operation conditions.

2. Installation and wiring of each switch in the shaft is correct. Traveling cables and
outside cables are properly wired;

3. Set the elevator in inspection position;

4. Enter the self-tuning menu via a hand-held programmer and operate as per the menu;

5. Make the elevator in automatic state. Elevator will run down to the bottom at the self-
tuning speed, and then run above to start self-tuning. Hand-held manipulator will show
“success of self-tuning” after the successful completion of self-tuning;

6. If the control system has abnormal phenomena during the self-tuning process, self-
tuning will stop. At the same time, the corresponding fault signal will be sent and the
hand-held manipulator will show “failure of self-tuning ”.

7.5.1 2 floor/2 landing self-tuning method

1. Make the elevator in inspection position;

2. Make the elevator in limit position and make sure the up leveling switch is prolapsed.

3. Enter the self-tuning menu via a hand-held programmer and operate as per the menu;

4. Make the elevator in automatic state. Elevator will run at the self-tuning speed. Hand-
held manipulator will show “success of self-tuning” after the successful completion of self-
tuning.

7.5.2 Interpreting the meaning of hoistway data (monitoring state):


unit mm
No. Meaning unit mm
1-64 1-64 floors hoistway data
65 Length of leveling insert plate
66 Leveling inductor distance
67 Distance of up slow down switch on floor 1
68 Distance of up slow down switch on floor 2
69 Distance of up slow down switch on floor 3
70 Distance of up slow down switch on floor 4
71 Distance of down slow down switch on floor 1
72 Distance of down slow down switch on floor 2
73 Distance of down slow down switch on floor 3
74 Distance of down slow down switch on floor 4

7.6 High-speed running

1. High-speed trial running

Affirm the elevator meets the safe operation conditions when low-speed running is
satisfactory. Then start high-speed trial running after the elevator shaft self-tuning as
follows:

1. Set the elevator to the normal position.

2. With the floor selection interface by activating the MONITOR menu of handheld
programmer, you can select floors for elevator’s trail running: one floor run, double-floor
run, multi-floor run and the full floor run.

3. Affirm the elevator can normally close the door, start-up, accelerate, operate, stop the
car, slow down, stop eliminate the signal and open the door.

2. Safety testing

1) Safe loop

Test requirement: the safe loop relay releases when any safety switch activates;

2) Door lock loop

Test requirement: the door lock relay releases when any hall door lock disconnects and
when the car door lock disconnects;

3) Safe loop relay conglutination protection (not necessary if there is no safe loop relay) .

Test requirement: Push the emergency stop button on the control cabinet to make the
safe loop relay release. Press the safe loop relay by hand. The main-board should be
protected and can not be reset automatically;

4) Door lock relay conglutination protection (not necessary if there is no door lock relay)

Test requirement: Press the door lock relay by hand when the door is open. The main-
board should be protected and can not be reset automatically;

5) Band brake contactor conglutination protection

Test requirement: Press the band brake contactor by hand when it stops. The main-board
should be protected and can not be reset automatically;
6) Output contactor conglutination protection

Test requirement: Press the band brake contactor by hand when stop. The main-board
should be protected and can not be reset automatically;

7) Slip protection function

Test requirement: Inspection travel of the elevator in the middle floor. Removal two
leveling sensor lines from console cabinet terminal (Suppose that the leveling signal is
normal-open). Turn to normal state. The elevator runs to the leveling slowly. The main-
board should be protected in 45 and can not be reset automatically;

8) Error floor protection

Test requirement: Run the elevator to the middle floor. Remove feedback terminal on the
main-board. Inspect one or two leveling in down motion. Turn to normal state. Plug the
feedback terminal in. Register instructions at the bottom. The elevator runs down at high-
speed. When meeting the forced slow-down switch at the bottom, it can slow down
normally to the leveling.

Run the elevator to the middle floor. Remove feedback terminal on the main-board.
Inspect one or two leveling in up motion. Turn to normal state. Plug the feedback terminal
in. Register instructions at the top. The elevator runs up at high-speed. When meeting
the forced slow-down switch at the top, it can slow down normally to the leveling;

9) Overload function

Test requirement: Elevator overloaded switching action. Elevator should not close the
door. The car buzzer should ring and overload lamp should turn on.

10) 110% load test

Test requirement: Put 110% load in the car. Reverse TX3 (overload signal) of the main-
board, so that overloading does not work. The elevator can start and brake normally
during high-speed running up and down for 40 times;

3. Function test of the lift

1) Automatic operation

Test requirement: Register a number of directives in the car, and then the elevator can
normally and automatically close the door, start, stop, eliminate signal and open the door;

Registered a number of up and down directives, and then elevator can stop the car, slow
down, eliminate signal and open the door normally..

2) Attendant operation

Test requirement: Make the car switch in attendant position and register several
directives. Press the door close button continuously. The elevator can close the door,
start, stop, eliminate signal and open the door. Register a number of up and down
directives, and then elevator can normally stop the car,slow down, eliminate signal and
open the door.
3) Independent running.

Test requirement: Make the switch in independent position in the car. The elevator should
have no display and the call button is not working. Register directives in the car and
press the door close button continuously. The elevator can close the door, start, stop,
eliminate signal and open the door.

4) Fire return

Test requirement: Keep the elevator stop on a non-landing floor and make the fire
rundown switch in position “ON”. It should be immediately closed and return to landing
with high-speed to open the door and keep the door open, all the calls and orders in the
car should be invalid;

The elevator runs up at a high-speed and the fire rundown switch in position “ON”. The
elevator should stop at the nearest station and return to the landing at high-speed to
open the door and keep the door open, all the calls and orders in the car should be
invalid;

The elevator runs down at a high-speed and make the fire rundown switch in position
“ON”. The elevator should return to the landing directly to open the door and keep the
door open, all the calls and orders in the car should be invalid;

5) Fire running (Only for the fire ladder)

Test requirement: Make the firemen switch of operation panel in position “ON” after the
elevator fire back to the landing. Register a number of directives and press the close
button continuously. The elevator can close the door, start, stop, eliminate all in-car
registrations and does not open the door. The elevator should be opened when pressing
the door open button continuously. Keep the opening state after the door opens.

6) Parallel group control (only for the parallel or group control elevator)

Test requirement: Register a number of signal outside. Control system will deploy the
elevators which use the shortest time to response to the signal outside. When a elevator
stop the car, the signal outside on the same floor should be eliminated at the same time.
An elevator should wait on the landing when it is free.

7) Elevator lock function

Test requirement: Assume that the elevator stops on a non-landing floor and makes the
lock key of landing in a “lock” position. The elevator should close the door immediately,
and should not response to the signal outside. Return to the landing at a high-speed.
Delay to close the door after stopping and opening the door, turn off the light with no
instructions, outside call and display outside;

Assume that the elevator is in operation and makes the lock key of landing in a “lock”
position. The elevator should response to all the instructions one by one, and should not
response to the signal outside. Return to landing with high-speed. Delay to close the door
after stop and open the door, turn off the light with no all instruction, outside call and
display outside;

Assume that the elevator stopped at landing floor and made the lock key of landing in a
“lock” position. The elevator should close the door and turn off the light with no all
instruction, outside call and display outside;

7.7 Adjustment of Elevator Comfort


7.7.1 Factors Concerning the Comfort
1. Electric factors:
① Setting of running curve-related parameters:
Acceleration, deceleration, S curve turning time, start break delay and stop brake delay,
etc.
② The setting of PI parameters related to vector control: proportional gain, integral time,
etc.
2. Mechanical factors: verticality of guide rail, flatness of rail surface, perfectiveness of
joints, tension of guide shoe and uniformity of steel wire rope tension, etc.
The coordination status of the mechanical system is the essential factor which definitively
affects the elevator comport; while the electric factor is only helpful to further improve
elevator comfort through perfect coordinating with mechanical system. The electric factor
is to be set and adjusted by serial board parameters and elevator integrated drive
controller parameters.
The commissioning personnel and related technicians should pay sufficient attention if
the elevator comfort is affected due to defective mechanical system, any adjustment and
setting of serial board parameters and elevator integrated drive controller parameters can
definitely resolve it but improve comfort only.
7.7.2 Adjustment of Elevator Comfort
(I) Adjustment of mechanical factors
1) Guide rail:
 Flatness of rail surface;
 Erection verticality of guide rail;
 Treatment of rail joint;
The rail verticality and rail duplexism shall be controlled within the range allowed by
Chinese national standard. Too much of tolerance will affect comfort when elevator runs
at a higher speed, which is evidenced by obvious vibration, joggling or left-right swinging
of car at some positions;
Poor rail joint cause elevator stepping at certain fixed positions.
2) Tension of guide shoe
Too tight guide shoe is liable to cause elevator stepping when starting or braking when
stopping; too loose guide shoe is liable to cause elevator swinging.
Where slipper guide shoes are used, suitable clearance should be provided between
guide shoes and guide rail. If no clearance is reserved, the guide shoe will cause wearing
of rail surfaces and further cause elevator stepping or vibrating at start/stopping phase.
Stand on car roof and try best to rock the car in right-left direction during commissioning.
The fitness is allowable when only a little right-left displacement can be sensed.
3) Tension of Wire Rope
Non-uniform tension of wire ropes may cause elevator joggling or vibration due to some
ropes are over-tensioned but other ropes are under-tensioned and as a result, affect the
start, stop and high-speed running of elevator.
During commissioning, stop the elevator at middle floor, stand on car roof and pull wire
ropes one by one in horizontal direction. Uniform tension is indicated by approximately
identical shift distances caused by pulling forces. On the contrary situation, the installer
must adjust the their tensions.
In addition, the wire rope just uncoiled has restored torsion stress, which is liable to
cause vibration if directly installed. So, appropriate measures should be taken before
installation to release any restored torsion stress.
4) Soundness and Tightness of Car as installed
When elevator runs at a higher speed, the whole car has to bear considerable forces. If
any parts of car frame or car wall are not sufficiently tightened, relative slippage may
cause vibration. Most resonant whistles might be caused due to insufficient soundness
and tightness of car and some factors of shaft.
5) Whether mechanical resonance preventers are available
 Before mounting on tractor on steel beam, a rubber pad is arranged between them.
 Use suitable wood chuck or equivalent devices at wire rope ends to facilitate
eliminating vibration.
 Nowadays, some new type light-weight materials are used in car interior for
decorating purpose., however, this light-weight car is liable to cause “mechanical
resonance”, especially in case of high-speed high-rise elevators. This mechanical
resonance may be eliminated by add appropriate loads on the car to change its natural
frequency.
6) Tractor
Improper installation of tractor or long-term wearing of worm gear may cause axial
movement of worm gear during acceleration or deceleration of elevator and cause
elevator “stepping”.
7) Car Balance
Sometimes because of design or installation, the unbalanced car mass causes it slightly
tilting to a side. During car traveling, the guide shoe may closely abrade the rail surface
and result in joggling or vibration. Now, a balance weight may be added to the lighter side
followed for test running.
8) Others
The duplexism between guiding pulley and overhang traction sheave; the brake
clearance adjustment during running;
(II) Adjustment of Electric Factors
1) Elevator Operation Curve
In order to meet the requirements of elevator comfort and efficiency, the following S-curve
should be observed. The system may, by adjust the acceleration /deceleration slope and
time constants at four transition points, ensure the elevator comfort and efficiency.
Figure 7.1 Elevator Operation Curve
When internal instruction is send for starting elevator, the output contactor KMY picks up;
thereafter, on the one hand it drives band brake contactor after delay time F16, on the
other hand, it gives speed curve instructions after delay time F5; the entire operation
process is described as follows: start transition (elapses time T0)liner acceleration
(uniform acceleration F1)acceleration transition (elapses time T1)uniform speed
runningdeceleration transition(elapses time T2)liner deceleration (uniform
deceleration F2)leveling transition (elapses time T3)stop. During leveling process, it
firstly sends internal instruction STOP and then opens the brake contactor; after delay
time F17, it stops instruction signals (for inverter running) and shields the speed
instruction at last release output contactor KMY after delay time 0.5s.
Key parameters are described as follows:
Parameter Parameter Recommended
Setting Range
No. Name value or range
Smaller the value, smoother the
acceleration. Too small value decreases
efficiency; too high value results in abrupt
acceleration: ① too abrupt acceleration
makes passengers uncomfortable; ②
too abrupt acceleration is liable cause
Acceleration
F0 50(40(65( current problems. The elevator speed is
slope a1
generally induced by value setting as
follows: 1m/s(40); 1.5 ( 1.8m/s (50); 2.0m/s
(60). Higher value setting is not appreciated
especially for hotel and some residence
buildings in which a lot of oldsters and/or
children lives.
Smaller the value, smoother the
deceleration. Too small value decreases
efficiency; too high value results in abrupt
deceleration: ① too abrupt deceleration
makes passengers uncomfortable; ②
50 too abrupt acceleration is liable cause
Deceleratio
F1 voltage problems. The elevator speed is
n slope a2 (40(65( generally induced by value setting as
follows: 1m/s(40); 1.5 ( 1.8m/s (50); 2.0m/s
(60). Higher value setting is not appreciated
especially in hotel and some residence
buildings in which a lot of oldsters and/or
children live in.
T0: transmission time from starting to
acceleration stage; higher value setting
results in smoother starting. In this stage,
130 elevator runs at a very low speed, too long
F2 S-curve T0 transmission time is liable to cause motor
(130(160( incapable to drive the elevator and
subsequently induce PGO error or
overcurrent failure, especially in the case of
full-loaded car.
110 T1: transmission time from the end point of
F3 S-curve T1 acceleration to the top speed; T2:
(100(120( Transmission time from the top speed to
the start point of deceleration.
110 T1 and T2 do not obviously affect the
F4 S-curve T2 elevator comfort, they are unnecessary to
(100(120( be adjusted under most conditions. Too
higher T2 may cause over-travel.
T3: the transmission time from the end
point of deceleration to the stop of elevator.
In this stage, elevator runs at a low speed,
130 too long transmission time is liable to cause
F5 S-curve T3
(130(160( motor incapable to drive the elevator and
subsequently induce PGO error or
overcurrent failure, especially in the case of
full-loaded car.
Table 7.3 Key Parameters
Attention:
Properly down set the F0 and F1 may improve elevator comfort, but at the same time
decrease elevator efficiency. Properly up set F2~F5, totally four transmission times may
also improve comfort, but also decrease elevator efficiency.
2) Start-Brake Sequence Setting
Start-brake sequence is shown by the following figure 7.2.

KMB

KMY

KFWD

KREV

KENA

RunIns
CuvOn
Figure 7.2 Start-brake Sequence
KMB Brake output
After KENA output instruction, it is started after delay time F16(D8); KMB output stops
when RunIns stops.
KMY Main circuit output contactor
KMY output starts when RunIns activates; KMY output stops 0.5s after KENA stops.
KFWD Up output of elevator integrated drive controller
In up stage, it starts or stops at the same time with KENA;
KREV Down output of elevator integrated drive controller
In down stage, it starts or stops at the same time with KENA;
KENA Enabling output of elevator integrated drive controller
KENA output start 0.5s after KMY output starts; KENA stops after a delay time as set by
F17 (D9) when KMB output stops.
RunIns Internal running instruction
CuvOn Speed instruction output
It starts after a delay time as set by F58(D10) when KMB output starts (actually when
output is detected by band brake switch). CuvOn stops when RunIns stops.

Important Note:
Start: 1 in case the start is abrupt but without back movement, properly down
set F16 or up set F58 if other settings are in normal state.
2. In case the start is abrupt with back movement, properly up set F16 or down
set F58 if other settings are in normal state.
Stop: 1. in case the stop is abrupt, properly up set F17;
2. In case slippage occurs during stopping, properly up set F17 or down set
F122;
3. In case during stopping the delay time before release of contactor is too long
and the motor is heard of abnormal sound, properly down set F122.
3(Drive PID Regulating
Function parameters F206 to F213 are provided to set the speed regulator PID and are
determinative to the elevator operating performance. Function parameter F214 and F215
is for setting the switch-over frequency between high-speed and low speed.
See following Figure 7.3 for configuration of Drive Speed PID (where, KP is proportional
constant; KI is integral constant) :
Instruction speed ( Speed deviation Speed loop
1

K p (1  )
Feedback speed KI S
Figure 7.3 Speed Regulator PID
 Adjustment of Starting Comfort
This elevator integrated drive controller uses sensor based no-load starting
compensation technology which may ensure starting comfort of elevator even if no load
device is installed. in most cases, input the analog load measuring signals is not
necessary, it is only needed to set F204 and F205, respectively the proportion parameter
and integral parameter. When elevator is ready for operation, set F205, set the zero
servo time parameter F217, delay time F58 (0.5s as default) for setting control system
speed curve and the parameter C14 (0.8s as default). Up set F204 to make traction
sheave immovable when brake is opened. If the higher value setting of 204 causes motor
swinging, it is necessary to suitably down set F204 and up set F205 to ensure traction
sheave movable when brake is opened. See the following Figure 7.4 for sequence.

Figure 7.4 Adjustment of Starting Comfort


 Adjustment of Stopping Comfort
In case there is pulsation in stopping stage, the frequency switch-over point 1 may be
risen and additionally, F207 (low-speed proportion parameter) and F208 (low-speed
integral parameter) may be properly adjusted.
 PID Setting Description
a) Increasing proportion constant P may speed up the dynamic response of system.
However, too higher P value setting may cause system oscillation. See Figure 7.5 for the
effect of P on feedback tracking:

Figure 7.5 The effect of P on Feedback Tracking


b) Increasing the integral parameter I may speed up dynamic response of system., If
considerable vibration may be felt in low-speed starting or stopping, the I may be properly
up set. However, too higher I value setting may cause system oscillation. See figure as
follows:
Figure 7.6 The effect of I on Feedback Tracking
c) Usually, the proportion constant P is set at first. The P value may be up set as far as
possible provided that no occurrence of system oscillation. Then the integral constant I
will be so set that the system response is rapid but the overshooting is acceptable.
d) See Figure 7.7 for elevator operation curve sectional PI control.

Figure 7.7 Elevator Operation Curve Sectional PI Control

7.8 Floor Leveling Adjustment

☆ The floor leveling adjustment may start as the adjustment of riding comfort is near
finish.
7.8.1 Basic Requirements for Levelling
7.8.1.1 First of all both the door-zone inductors and the plates must be precisely
positioned with its bisecting point in line with the bisected distance between the two door-
zone inductors in order to avoid neither higher nor lower level of the car than the right
and desirable leveling position.
7.8.1.2 When using magnetic switches, sufficient inserting length shall be guaranteed in
installation in order to allow for the time needed by the inducting switches to act properly
against the higher-up and/or lower-down phenomenon.
7.8.1.3 To guarantee good leveling, the system calls for a short creeping of the lift before
stop.
7.8.1.4 In practice, the adjustment should begin with an intermediate landing until the
leveling looks perfect on that floor. The adjustment on other floors may continue based
on the data obtained from the first-done landing.
7.8.1.5 By means of the adjustment in the curve formation, ratio and integral increment, it
should be achieved that the landing position of the lift on the intermediate floor remains
the same no matter whether the lift is going up or down, with a tolerance of ≤±2 ( 3mm
from trip to trip.

7.8.2 Adjustment in Leveling with Multi-staged Speed Reference


7.8.2.1 No Creeping or Longer Creeping
After the deceleration begins the system requires entry of creeping of the lift as a
basic condition for leveling. The curve must be too flat so that there is no creeping
whereas the curve must be too steep if the creeping lasts too long. Modify the curve until
CREEPING APPEARS but NOT too long.
7.8.2.2 Lower-up and Higher-down or Vice Versa
When this phenomenon occurs, the creeping speed must be too high so that it
should be adjusted.
7.8.2.3 Both Lower-up and -down or Higher-up and –down
If this happens at stop, the door-zone plates must be in a deviated position which
should be adjusted to the right position.
7.8.2.4 Switches of the Terminal landings

If the terminal switches are improperly installed, the leveling accuracy on the
terminal landings will be affected. Take the top landing for example:

□ The terminal switches on top landings are positioned at a greater distance than they
are required for switching speeds.
□ The lift travels to the terminal landing at rated speed and slows down without leveling.
□ Set the lift into INSPECTION service immediately.
□ Measure the difference between the sills, which is the distance which should be moved
upwards in adjustment. Likewise the adjustment in downward direction should be done in
the dame way.

7.8.3 Adjustment in Leveling with Analogical Speed Reference


7.8.3.1 Confirm the Coincidence of the Stop Position for Every Travel
By means of the adjustment in the curve formation, ratio and integral increment
as addressed in Chapter III, it should be pledged that the landing position of the lift on the
intermediate floor remains the same no matter whether the lift is going up or down, with a
tolerance of ≤±2(3mm from trip to trip.
7.8.3.2 Adjustment of the plates in the door-zone
□ Have the lift stop at one landing after another, measure and note down the
difference △S between the sills (“+” for the higher car sill and “-”for vice versa).
□ Adjust the plate positions floor by floor, move the plate downward by △S if △S(
0, and upward by △S if △S(0.
□ A self-learning must be done again after the plate adjustment is completed.
□ Check the leveling again. If NOT satisfied with the result, repeat STEP (1)
through (3).
7.8.3.3 Adjustment of Parameters in the Menu
If the coincidence of the landing position shows a feature of repetition, but the
leveling position varies between trips up and down on the same landing, e.g., up-higher
and down-lower or up-lower and down higher. Go to the parameter menu and make
adjustment by F56 and f57. The default value is 50 mm, reduce it with up-higher and
down-lower but increase it with up-lower and down higher, the adjusting range should be
50% of the difference value. E.g., if the difference value in the case of up-higher and
down-lower is 20 mm, decrease the parameter by 10 mm.

☆ Requirements for Installation of Leveling Switches


With the car sill and landing sill absolutely in line horizontally, the upper edge of the
leveling plate should stay higher than the lower leveling switch and the lower edge stay
lower than the upper leveling switch by roughly 10 mm respectively, which make it easy
to adjust the riding comfort and the leveling accuracy. The standard length of the leveling
plate is 220 mm, and each of them should have the same length with a tolerance NOT
exceeding 3 mm (see the Fig. below).

Figure 7.8 Leveling Switch Installation Specification

⑴ When using magnetic leveling switches


① Ensure enough inserting length of the plate into the leveling switches so that the
switches can act effectively and reliably.
② The leveling plate must be mounted in strict vertical alignment to avoid the situation
that only of the switches work properly while the other is left out of the effective working
range, which spoils the normal operation of the lift.
⑵ When using photocell leveling switches (STEP Serial Port accepts effective low-
volt signals.)
It is recommended to have the switches treated in the way below for better performance.
① Remove the paint on the shade around the mounting hole in order to make a perfect
earth connection of the photocell’s metal coat via screws, brackets and top of the car. If
an earth wire is fixed beneath the fixation nut on the photocell casing with paint removed,
greater reliability in use can be expected.
② It is recommended the connection to the car top terminal box via a shielded cable with
an earth to it.
③ Using constant-open photo switches may greatly reduce the extent of being interfered.
④ In case one of the photo switches flashes in operation causing problems in travel or
leveling, it could be attributed to interference. Attach a capacitor of 0.1μF63V between
COM and PS (or PX(as shown in the Fig. below.

Figure 7.9 Capacitor Wiring Diagram

Attention: Photocell leveling switches are easily disturbed, it is not an advisable way to
repeatedly replace and that will greatly increase the cost. But if the 4 notes
above are adopted, the extent of being interfered will be greatly reduced.
☆ Attention Should be Paid to Installation of the Switches
① The leveling plates is supposed to insert into the switches by a depth of 2/3 while the
plates on every floor should be in vertical alignment with one another in order to maintain
the same insertion depth in the switches on every floor.
② With the insertion well done, both ends of the plate should stretch out of the switch by
a length of 10 mm to 30 mm (see the Fig. below).
Figure 7.10 Leveling plates Installation Specification

③ The leveling plates of every floor should be in alignment with the inductor by the
central line for better leveling performance after recording the floors.
④ Let the lift go up and down to every floor at normal speed, noting down the difference
between the sills. When going up, the higher car sill is regarded as overleveling whereas
the lower car sill as underleveling; when going down, the lower car sill is regarded as
overleveling whereas the higher car sill as underleveling.
⑤ In case of the encoder is interfered or it is of poor quality, the leveling performance
may also be affected. When wiring the system, the encoder cables or lines should be laid
in a separate trunk from that one in which the power supply lines are laid.

☆ Attention Should be Paid to Leveling Adjustment


□ The distance between the centers of the leveling inductors is recommended as
follows:
Without releveling with the door open: the distance in between should be 60 mm
smaller than the length of the plate, with 30 mm stretching out on both ends
respectively.
With releveling with the door open: the distance in between should be 40 mm smaller
than the length of the plate, with 20 mm stretching out on both ends respectively.
□ Setting of F21(delay for leveling inductor), 6 mm for 1.75 m/s and below, 10 mm for
2.0 ~ 3.0m/s;
Setting of F56 and F57, F56 = 50, F57 = 50, Fine adjustment for each floor 20.
□ Adjust PI in the inverter to eliminate over-frequency.
□ Write down the leveling data of every floor, “+” for the higher car sill and “-”for the
lower.
Single-floor up from F2 to FN, note down the leveling difference as Up(2),Up(3), ...
Up(N),
Single-floor down from F ( N-1 ( to F1, note down the leveling difference as Dn(N-
1),...Dn(2),Dn(1),
Calculate the respective leveling difference of the floors,
X(2) = (Up(2) + Dn(2)) / 2;
X(3) = (Up(3) + Dn(3)) / 2;
X(4) = (Up(4) + Dn(4)) / 2;


X(N-1) = (Up(N-1) + Dn(N-1)) / 2;
X(2) ~ X(N-1) If the difference is greater than 10 mm, the positioning of
the plate have to be adjusted, X(n) positive implies the plate’s positioned too high, and
vice versa. If the difference is smaller than 10 mm, use fine leveling adjustment.
□ With the plates re-positioned, let the lift do the self-learning, and write down the
leveling
data again.
Single-floor up from F 2 to F N note down the leveling difference as Up(2),Up(3), ...
Up(N),
Single-floor down from F ( N-1 ( to F l, note down the leveling difference as Dn(N-
1),...Dn(2),Dn(1),
1) Calculate the respective leveling difference of the floors,
X(2) = (Up(2) + Dn(2)) / 2;
X(3) = (Up(3) + Dn(3)) / 2;
X(4) = (Up(4) + Dn(4)) / 2;
...
X(N-1) = (Up(N-1) + Dn(N-1)) / 2;
2) Calculate the current difference value on average XUp, XDn excluding those to
the terminal landings
Difference value on average going up, XUp = (Up(2) + Up(3) + ... + Up(N-1)) / (N-
2);
Difference value on average going down, XDn = (Dn(2) + Dn(3) + ... + Dn(N-1)) /
(N-2);
Intermediate position, pX = (XUp - XDn) / 2;
Note that XUp, XDn and pX are all calculations with ”+/-“ marks.
3) Adjust F56, F57:
F56 = 50 - pX;
F57 = 50 - pX;
4) Make fine leveling adjustment and note down the data in fine adjustment for Fn
as L(n):
L(2) = 20 - X(2)
L(3) = 20 - X(3)
...
L(n) = 20 - X(n)
...
L(N-1) = 20 - X(N-1)

Finally calculate the value in fine adjustment for the terminal landings.
☆Reasons for Poor leveling adjustment:

The following issues are summed up. Please check in turn:

1. If the following parameters are set improperly, the leveling can not be adjusted well.

Inspect F21 ( adjustment of the leveling sensor will be delayed). Factory default setting: 6
mm. The elevator can be set to 6mm using the photoelectric leveling sensor below the
speed of 1.75m/s.

High-speed elevators (3.0m/s or above) can be set to 10mm using the photoelectric
leveling sensor.

High-speed elevators (5.0m/s or above) can be set to 16mm using the photoelectric
leveling sensor.

F56 leveling adjustment of up motion. Factory default setting: 50 mm.

F57 leveling adjustment of up motion. Factory default setting: 50 mm.

Leveling fine tuning ( The Leveling fine tuning on every floor is set to factory default
setting 20 mm.

2. Encoder interference

1) The encoder shielding line accepts a disturbance of power line because it is not
grounded or the signal line and power line are not separated. This problem is more
serious at the synchronous motor scene. The signal of the Sincos encoder or rotary
transformer is small analog signal, and is more vulnerable to interference. It is shown as
the random and erratic non-leveling.

2) Inspection method: Record the elevator shaft data after self-tuning (from down station
to up station), ,then restart self-tuning and record shaft data accordingly. Compare these
data collected during the self-tuning. The position error of corresponding floors is no
more than 3 mm. (Generally they are the same or the difference is + - 1mm) It is
considered as the encoder interference or traction sheave slippage when the error is
more than 3 mm.

3) Solutions:

a) Make sure the electrical grounding line has been connected from the motor to the
control cabinet.

b) Make sure the shielding line of PG card from the encoder to the transducer has been
grounded at the transducer end. Check whether there is a connection between the cable
terminations; if so, make sure that both ends of the shielding line are grounded.

Warning: Special attention should be given to the middle joins of Sincos encoder line of
the synchronous motor!!

c) Make sure the encoder line from PG card to encoder line of the main-board has been
grounded

d) Make sure the encoder line is far away from the power line and break resistor line (the
encoder line should be covered with flexible conduit if they are in the same wireway )
e) Make sure it is connected from PG card 0V to the main-board 0V. (Particularly when A
+, A-, B +, B- ouput is used at multi-segment speeds)

f) Inspect whether the encoder coupling shaft slips.

3. Slippage of the traction sheave’s steel wire rope

1) Phenomenon: The leveling is not correct when the elevator runs with no-load or full-
load, or when the up and down leveling is inconsistent. It is accurate when it runs at half-
load.

2) Inspection method: On any floor(Assumption it is the third floor) (mark signal line with
chalk between the traction sheave and the rope. Return to the third floor after runing
single round-trip (from the third floor to the fourth floor, from the fourth floor to the third
floor). Check error distance between signal line of traction sheave and rope (requested
less than 5 mm); this error is the single slippage distance error. Run 2 times when there
is Slippage error in the no-load and full-load situation. Slippage error which is greater
than 5 mm must be resolved.

3) Solutions:

a) Before and after the car decoration it may vary around 200 Kg. Is Car decoration
completed now? Is the current balance coefficient right? If we can not confirm console
cabinet load to half load, Ping-error?

b) High-speed elevators can not solve the slippage problem, the following two
approaches are:

1. Install the encoder at the side of the governor to offer the position feedback of the
main-board.

2. Absorp the slippage error by creeping. Set F24 = 2(Analog with creep) or F24 =
0(Multi-speed operation)

4. Speed regulator overshooting

DC speed regulator or synchronous motor with no gear may overshoot because of


having no reducer, especially Mentor II DC governor. It uses the encoder to feedback and
the characteristic is soft. Recommend the use of guns generators. Do not band brake at
zero rate before parking, and then another rate, have non-zero-speed band brake for the
Performance.

1) Inspection method: Check the elevator band brake situation when it is parked. If it is
found that speed of elevators slow down to zero, escalators do not have a band brake,
and then begin to have speed, and then hold the band brake with speed, which shows
that the elevator has overshoot.

2) Solution: Adjust PI parameters of the governor speed loop PI to eliminate the


overshoot data.

5. Ensure adequate insertion depth when using the magnetic reed sensor. Check
whether the leveling insert plate on each floor is inserted into the red line of sensor, and
flashboard on each floor is installed tilt.

6. When the length of leveling insert plate is inconsistent, flashboard on the second floor
is the length of the benchmark. The length of flashboard on other floors requirements to
be the same with the second floor, otherwise may cause problems of flashboard.

7. Does not do self-tuning again after adjusting the flashboard

7.9 Setting of Other Functions


If necessary, you may enable or set other functions by setting the parameter F (see
Section 2.8 for detailed function definition and setting method for elevator operation)

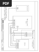
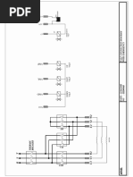
7.10 Simple commissioning diagram

Commissioning Process

You might also like