KEMBAR78
SLD PDF | PDF | Electricity | Power Engineering
0% found this document useful (0 votes)
570 views6 pages

SLD PDF

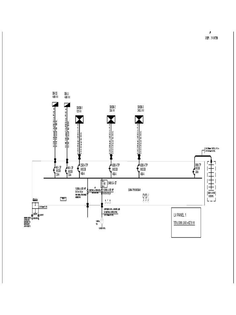
The document provides specifications for electrical distribution boards and switchgear including their ratings and cable sizes. It lists five main switch distribution boards (SMDBs) with their connected load ratings ranging from 121KW to 1280KW. It also details the specifications of main switchgear such as air circuit breakers, cable sizes, earthing arrangements and a transformer.

Uploaded by

essam khalil
Copyright
© © All Rights Reserved
We take content rights seriously. If you suspect this is your content, claim it here.
Available Formats
Download as PDF, TXT or read online on Scribd
0% found this document useful (0 votes)
570 views6 pages

SLD PDF

The document provides specifications for electrical distribution boards and switchgear including their ratings and cable sizes. It lists five main switch distribution boards (SMDBs) with their connected load ratings ranging from 121KW to 1280KW. It also details the specifications of main switchgear such as air circuit breakers, cable sizes, earthing arrangements and a transformer.

Uploaded by

essam khalil
Copyright
© © All Rights Reserved
We take content rights seriously. If you suspect this is your content, claim it here.
Available Formats
Download as PDF, TXT or read online on Scribd
You are on page 1/ 6

DB-SS DB-LV

4.00 KW 4.00 KW

SMDB-1 SMDB-2 SMDB-3


1X2C 10 mm² XLPE/SWA/PVC +

1X4C 10 mm² XLPE/SWA/PVC +


121 KW 256 KW 242.5 KW
1X1C 10 mm² GY ECC.

1X1C 10 mm² GY ECC.

1X2C 150 mm² XLPE/SWA/PVC +

2X2C 240 mm² XLPE/SWA/PVC +

2X2C 240 mm² XLPE/SWA/PVC +


2X1C 120 mm² GY ECC.

2X1C 120 mm² GY ECC.


1X1C 95 mm² GY ECC.
2X4C 300mm² XLPE/SWA/PVC/+
2X1C 150 mm² GY ECC.

40 A SP
250 A TP 630 A TP 630 A TP 800A TP
40 A SP MCCB MCCB MCCB MCCB
MCCB MCCB 50kA
25kA 25kA 45kA 45kA 45kA

M 2400/5A CT
4P
1500A ACB 4P ELECTRICAL+ MECHANICAL 1500A ACB 4P 2500A TPN BUSBAR
65kA (Draw Out Type) ENTER LOCKING 65kA (Draw Out Type) 350 KVAR IN
PROVISIONAL FOR MOBILE S/S V
GENERATOR 9 STEPS
NEUTRAL BUS BAR FORM 4
EARTH BUS BAR R Y B A A A

2 x 150 Sqmm PVC/CU.


(SUPPLIED BY DEWA AND INSTALLED
BY ELECTRICAL CONTRACTOR)

MINIMUM 3METRE
EARTH PIT EARTH PIT 2x1C 150mm² GY ECC. LV PANEL-1
MIN 6MTR
COPPER EARTH
1500 kvA
ELECTRODE WITH
INSPECTION PIT TR TOTAL CONN. LOAD =627.9 KW
AND COVER (TYP)
CABLE BY DEWA
SMDB-05
1280 KW

2800 A TP
MCCB
45kA

M 2400/5A CT
4P
2800A ACB 4P ELECTRICAL+ MECHANICAL 2800A ACB 4P 4000A TPN BUSBAR
65kA (Draw Out Type) ENTER LOCKING 65kA (Draw Out Type)
PROVISIONAL FOR MOBILE S/S V
GENERATOR
NEUTRAL BUS BAR FORM 4
EARTH BUS BAR R Y B A A A

2 x 150 Sqmm PVC/CU.


(SUPPLIED BY DEWA AND INSTALLED
BY ELECTRICAL CONTRACTOR)
EARTH PIT EARTH PIT 2x1C 300 mm² GY ECC.
MINIMUM 3METRE MIN 6MTR 2000 kvA
COPPER EARTH
ELECTRODE WITH TR
INSPECTION PIT
AND COVER (TYP) LV PANEL- 2
CABLE BY DEWA

TOTAL CONN. LOAD =1280 KW


NW N

SMDB-AC SMDB-4
270 KW 560 KW

2X2C 240 mm² XLPE/SWA/PVC +

3X2C 300 mm² XLPE/SWA/PVC +

3X1C 150 mm² GY ECC.


2X1C 120 mm² GY ECC.
630 A TP 1200 A TP
MCCB MCCB
45kA 45kA

M 2400/5A CT
4P
1500A ACB 4P ELECTRICAL+ MECHANICAL 1500A ACB 4P 4000A TPN BUSBAR
65kA (Draw Out Type) ENTER LOCKING 65kA (Draw Out Type)
PROVISIONAL FOR MOBILE S/S V
GENERATOR
NEUTRAL BUS BAR FORM 4
EARTH BUS BAR R Y B A A A

2 x 150 Sqmm PVC/CU.


(SUPPLIED BY DEWA AND INSTALLED
BY ELECTRICAL CONTRACTOR)
EARTH PIT EARTH PIT 2x1C 300 mm² GY ECC.
MINIMUM 3METRE MIN 6MTR 1500 kvA
COPPER EARTH
ELECTRODE WITH TR
INSPECTION PIT
AND COVER (TYP) LV PANEL- 3
CABLE BY DEWA

TOTAL CONN. LOAD =830 KW


M-06 M-10 M-11 M-12
128 KW 16 KW 96 KW 2.5 KW

4C 185 mm² XLPE/SWA/PVC +

4C 16 mm² XLPE/SWA/PVC +

4C 95 mm² XLPE/SWA/PVC +

4C 10 mm² XLPE/SWA/PVC +
1C 95 mm² GY ECC.

1C 16 mm² GY ECC.

1C 50 mm² GY ECC.

1C 10 mm² GY ECC.
300 A SP 63 A SP 200 A TP 40 A TP
MCCB MCCB MCCB MCCB
30kA 30kA 30kA 30kA

630 A TP S/S V
R Y B MCCB
A A A
35 KA

2X 4CX240 mm2 XLPE/SWA/PVC+


SMDB-3 2X1C x 120 mm2 GY ECC.
TOTAL CONN. LOAD = 242.5 KW
FEEDED FROM LV PANEL 2

M-01
1280 KW

8X4C 300 mm² XLPE/SWA/PVC +


8X1C 150 mm² GY ECC.
2500 A SP
MCCB
30kA

2500 A TP S/S V
R Y B MCCB
A A A
35 KA

8X 4CX300 mm2 XLPE/SWA/PVC+


SMDB-5 8X1C x 150 mm2 GY ECC.
TOTAL CONN. LOAD = 1280 KW
FEEDED FROM LV PANEL 2
OLD MACHINE 700 KVA SE
S

560 KW

SW W
NE E
NW N

3X4C 300 mm² XLPE/SWA/PVC +


3X1C 150 mm² GY ECC.
1200 A TP
MCCB
30kA

630 A TP S/S V
R Y B MCCB
A A A
35 KA

2X 4CX240 mm2 XLPE/SWA/PVC+


SMDB-4 2X1C x 120 mm2 GY ECC.
TOTAL CONN. LOAD = 560 KW
FEEDED FROM LV PANEL 3

PACK-01 PACK-02 PACK-03 PACK-04 PACK-05 PACK-06


45 KW 45 KW 45 KW 45 KW 45 KW 45 KW

4C 35 mm² XLPE/SWA/PVC +

4C 35 mm² XLPE/SWA/PVC +

4C 35 mm² XLPE/SWA/PVC +

4C 35 mm² XLPE/SWA/PVC +

4C 35 mm² XLPE/SWA/PVC +

4C 35 mm² XLPE/SWA/PVC +
1C 16 mm² GY ECC.

1C 16 mm² GY ECC.

1C 16 mm² GY ECC.

1C 16 mm² GY ECC.

1C 16 mm² GY ECC.

1C 16 mm² GY ECC.
100 A SP 100 A SP 100 A SP 100 A SP 100 A SP 100 A SP
MCCB MCCB MCCB MCCB MCCB MCCB
30kA 30kA 30kA 30kA 30kA 30kA

630 A TP S/S V
R Y B MCCB
A A A
35 KA

2X 4CX240 mm2 XLPE/SWA/PVC+


SMDB-AC 2X1C x 120 mm2 GY ECC.
TOTAL CONN. LOAD = 270 KW
FEEDED FROM LV PANEL 3
SE
S

SW W
NE E
NW N

M-02 M-02 M-03 M-03 M-04


40 KW 40 KW 14.5 KW 14.5 KW 12 KW

4C 35 mm² XLPE/SWA/PVC +

4C 35 mm² XLPE/SWA/PVC +

4C 16 mm² XLPE/SWA/PVC +

4C 16 mm² XLPE/SWA/PVC +

4C 10 mm² XLPE/SWA/PVC +
1C 16 mm² GY ECC.

1C 16 mm² GY ECC.

1C 16 mm² GY ECC.

1C 16 mm² GY ECC.

1C 10 mm² GY ECC.
100 A SP 100 A SP 63 A TP 63 A TP 40 A TP
MCCB MCCB MCCB MCCB MCCB
30kA 30kA 30kA 30kA 30kA

250 A TP S/S V
R Y B MCCB
A A A
35 KA

1X 4CX150 mm2 XLPE/SWA/PVC+


SMDB-1 1X1C x 95 mm2 GY ECC.
TOTAL CONN. LOAD = 121 KW
FEEDED FROM LV PANEL 2

M-05 M-07 M-07 M-08 M-09


120 KW 64 KW 64 KW 4 KW 4 KW

4C 150 mm² XLPE/SWA/PVC +

4C 70 mm² XLPE/SWA/PVC +

4C 70 mm² XLPE/SWA/PVC +

4C 10 mm² XLPE/SWA/PVC +

4C 10 mm² XLPE/SWA/PVC +
1C 70 mm² GY ECC.

1C 35 mm² GY ECC.

1C 35 mm² GY ECC.

1C 10 mm² GY ECC.

1C 10 mm² GY ECC.
250 A SP 160 A SP 160 A SP 40 A TP 40 A TP
MCCB MCCB MCCB MCCB MCCB
30kA 30kA 30kA 30kA 30kA

630 A TP S/S V
R Y B MCCB
A A A
35 KA

2X 4CX240 mm2 XLPE/SWA/PVC+


SMDB-2 2X1C x 120 mm2 GY ECC.
TOTAL CONN. LOAD = 256 KW
FEEDED FROM LV PANEL 2

You might also like