KEMBAR78
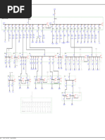
L.V.P Form4B Typ6: Total Conneceted Load. 833.81 Kw. MAX DEMAND at 0.90 D.F. 750.43 KW | PDF
0% found this document useful (0 votes)
88 views1 page

L.V.P Form4B Typ6: Total Conneceted Load. 833.81 Kw. MAX DEMAND at 0.90 D.F. 750.43 KW

The document contains detailed electrical layout specifications for a building, including cable types, sizes, and configurations for various floors. It outlines the total connected load for different sections and includes information on circuit breakers, meters, and bus bars. Additionally, it specifies the use of fire-rated cables and safety devices like ELCBs and MCCBs.

Uploaded by

Fawaz Kt
Copyright
© © All Rights Reserved
We take content rights seriously. If you suspect this is your content, claim it here.
Available Formats
Download as PDF, TXT or read online on Scribd
0% found this document useful (0 votes)
88 views1 page

L.V.P Form4B Typ6: Total Conneceted Load. 833.81 Kw. MAX DEMAND at 0.90 D.F. 750.43 KW

The document contains detailed electrical layout specifications for a building, including cable types, sizes, and configurations for various floors. It outlines the total connected load for different sections and includes information on circuit breakers, meters, and bus bars. Additionally, it specifies the use of fire-rated cables and safety devices like ELCBs and MCCBs.

Uploaded by

Fawaz Kt
Copyright
© © All Rights Reserved
We take content rights seriously. If you suspect this is your content, claim it here.
Available Formats
Download as PDF, TXT or read online on Scribd
You are on page 1/ 1

01 02 03 04 05 06 07 08 09 10 11 12 13 14 15 16 17 18 19 20 21

P
Q
X5

X4
R

X3

X2
S
T

Y1
X1

Y2
U

Y3

GROUND FLOOR BLOCK WORK LAYOUT


Y4

TERRACE FLOOR Y5

4C 16mm2 XLPE/SWA/PVC+

4C 16mm2 XLPE/SWA/PVC+

4C 16mm2 XLPE/SWA/PVC+

4C 16mm2 XLPE/SWA/PVC+

4C 16mm2 XLPE/SWA/PVC+

4C 16mm2 XLPE/SWA/PVC+

4C 16mm2 XLPE/SWA/PVC+

4C 16mm2 XLPE/SWA/PVC+

4C 16mm2 XLPE/SWA/PVC+

4C 16mm2 XLPE/SWA/PVC+

4C 16mm2 XLPE/SWA/PVC+
4C 35mm2 XLPE/SWA/PVC+

4C 25mm2 XLPE/SWA/PVC+
4C 25mm2 XLPE/SWA/PVC+

4C 25mm2 XLPE/SWA/PVC+

4C 25mm2 XLPE/SWA/PVC+

2C 4mm2 XLPE/SWA/PVC+

1 x 16mm2 GY ECC.

1 x 16mm2 GY ECC.

1 x 16mm2 GY ECC.

1 x 16mm2 GY ECC.

1 x 16mm2 GY ECC.

1 x 16mm2 GY ECC.

1 x 16mm2 GY ECC.

1 x 16mm2 GY ECC.

1 x 16mm2 GY ECC.

1 x 16mm2 GY ECC.

1 x 16mm2 GY ECC.
1 x 16mm2 GY ECC.

1 x 16mm2 GY ECC.
1 x 16mm2 GY ECC.

1 x 16mm2 GY ECC.

1 x 16mm2 GY ECC.

1 x 4mm2 GY ECC.
kWH kWH
M METER
M METER

SHUNT TRIP SHUNT TRIP SHUNT TRIP SHUNT TRIP SHUNT TRIP SHUNT TRIP SHUNT TRIP SHUNT TRIP SHUNT TRIP SHUNT TRIP SHUNT TRIP SHUNT TRIP SHUNT TRIP
30mA ELCB. 30mA ELCB. 100mA ELCB 100mA ELCB 100mA ELCB 100mA ELCB 100mA ELCB 100mA ELCB 100mA ELCB 100mA ELCB 100mA ELCB 100mA ELCB 100mA ELCB 100mA ELCB 100mA ELCB
63A TP 63A TP 63A TP 63A TP
MCCB MCCB MCCB 20A SP MCCB 40A TP 40A TP 40A TP 40A TP 40A TP 40A TP 80A TP 63A TP 40A TP 40A TP 40A TP 40A TP 40A TP
25KA 25KA 25KA MCCB 25KA MCCB MCCB MCCB MCCB MCCB MCCB MCCB MCCB MCCB MCCB MCCB MCCB MCCB
25KA 25KA 25KA 25KA 25KA 25KA 25KA 25KA 25KA 25KA 25KA 25KA 25KA 25KA

200A TP 300A TP
NEUTRAL BUS BAR ISOLATOR NEUTRAL BUS BAR NEUTRAL BUS BAR ISOLATOR
EARTH BUS BAR R Y B EARTH BUS BAR
R Y B

SMBD-FF 4C 185mm2 XLPE/SWA/PVC+ MBD-AC


1 X 95mm2 GY ECC.
TOTAL CONNECETED LOAD. =100.08 KW. TOTAL CONNECETED LOAD. =140.70 KW.
4C 120mm2 XLPE/SWA/PVC+ kWH
1 x 70mm2 GY ECC. M METER

FIRST FLOOR

R Y B

4C 120mm2 XLPE/SWA/PVC+
2C 10mm2 XLPE/SWA/PVC+
4C 16mm2 XLPE/SWA/PVC+

4C 16mm2 XLPE/SWA/PVC+

4C 16mm2 XLPE/SWA/PVC+
4C 16mm2 XLPE/SWA/PVC+

4C 16mm2 XLPE/SWA/PVC+

4C 25mm2 XLPE/SWA/PVC+

2C 16mm2 XLPE/SWA/PVC+

2C 16mm2 XLPE/SWA/PVC+

2C 16mm2 XLPE/SWA/PVC+

4C 16mm2 XLPE/SWA/PVC+

4C 35mm2 XLPE/SWA/PVC+

4C 35mm2 XLPE/SWA/PVC+
4C 16mm2 XLPE/SWA/PVC+

4C 16mm2 XLPE/SWA/PVC+

2C 16mm2 XLPE/SWA/PVC+

4C 16mm2 XLPE/SWA/PVC+

4C 16mm2 XLPE/SWA/PVC+

4C 16mm2 XLPE/SWA/PVC+

4C 16mm2 XLPE/SWA/PVC+

4C 16mm2 XLPE/SWA/PVC+
1 x 10mm2 GY ECC.
1 x 16mm2 GY ECC.

1 x 16mm2 GY ECC.

1 x 70mm2 GY ECC.
1 x 16mm2 GY ECC.

1 x 16mm2 GY ECC.

1 x 16mm2 GY ECC.

1 x 16mm2 GY ECC.

1 x 16mm2 GY ECC.

1 x 16mm2 GY ECC.

1 x 16mm2 GY ECC.

1 x 16mm2 GY ECC.

1 x 16mm2 GY ECC.

1 x 16mm2 GY ECC.
1 x 16mm2 GY ECC.

1 x 16mm2 GY ECC.

1 x 16mm2 GY ECC.

1 x 16mm2 GY ECC.

1 x 16mm2 GY ECC.

1 x 16mm2 GY ECC.

1 x 16mm2 GY ECC.

1 x 16mm2 GY ECC.
kWH kWH kWH kWH kWH kWH kWH kWH
M METER
M METER
M METER
M METER
M METER
M METER
M METER
M METER

ELS+ALARM+ATARTER ELS+ALARM+ATARTER SHUNT TRIP SHUNT TRIP SHUNT TRIP SHUNT TRIP SHUNT TRIP
30mA ELCB. 100mA ELCB 100mA ELCB 100mA ELCB 100mA ELCB 100mA ELCB
40A TP 40A TP 40A TP 63A TP 40A SP 40A TP 63A TP 40A TP 40A SP 40A SP 32A SP 40A TP 63A TP 40A TP 80A TP 80A TP
MCCB MCCB MCCB MCCB MCCB MCCB MCCB MCCB MCCB MCCB MCCB MCCB MCCB MCCB MCCB MCCB 250A TP 40A TP 40A SP 40A TP 40A TP 40A TP 40A TP 40A TP
25KA 25KA 25KA 25KA 25KA 25KA 25KA 25KA 25KA 25KA 25KA 25KA 25KA 25KA 25KA 25KA MCCB MCCB MCCB MCCB MCCB MCCB MCCB MCCB
25KA 25KA 25KA 25KA 25KA 25KA 25KA 25KA

250A TP 350A TP 300A TP 100A TP


NEUTRAL BUS BAR ISOLATOR NEUTRAL BUS BAR ISOLATOR NEUTRAL BUS BAR ISOLATOR NEUTRAL BUS BAR ISOLATOR
EARTH BUS BAR R Y B EARTH BUS BAR EARTH BUS BAR EARTH BUS BAR
R Y B R Y B R Y B

FIRE RATED CABLE FIRE RATED CABLE


4C 150mm2 XLPE/SWA/PVC+
SMBD-GF SMBD-SERVICE FIRE CONTROL PANEL-FCP SMBD-AC/EM AS BUILT DRAWING
1 x 70mm2 GY ECC. TOTAL CONNECETED LOAD. =121.35 KW. TOTAL CONNECETED LOAD. =174.91 KW. TOTAL CONNECETED LOAD. =118.20 KW. TOTAL CONNECETED LOAD. =45.90 KW. CHECKED AND CERTIFIED BY
4C185mm2 XLPE/SWA/PVC+ 4C 35mm2 XLPE/SWA/PVC+
1 X 95mm2 GY ECC. 1 X 16mm2 GY ECC.
Main Contractor REPRESENTATIVE

kWH Signature:......................Date:.....................
M METER
4C 240mm2 XLPE/SWA/PVC+ Name:...............................................
1 x 120mm2 GY ECC.
VERIFIED BY Consultant REPRESENTATIVE

4C 16mm2 XLPE/SWA/PVC+

4C 25mm2 XLPE/SWA/PVC+

4C 16mm2 XLPE/SWA/PVC+

4C 16mm2 XLPE/SWA/PVC+

4C 16mm2 XLPE/SWA/PVC+
Signature:......................Date:...................

Name:.......................................................

1 x 16mm2 GY ECC.

1 x 16mm2 GY ECC.

1 x 16mm2 GY ECC.

1 x 16mm2 GY ECC.

1 x 16mm2 GY ECC.
40A TP 63A TP 40A TP 40A TP 40A TP
MCCB MCCB MCCB MCCB MCCB PROJECT:
25KA 25KA 25KA 25KA 25KA

PROPOSED LEHBAB POLICE STATION


160A TP
NEUTRAL BUS BAR
EARTH BUS BAR
ISOLATOR
R Y B
(G+1)
4C 70mm2 XLPE/SWA/PVC+ CLIENT:
1 x 35mm2 GY ECC. SMBD-UPS
kWH TOTAL CONNECETED LOAD. =67.91 KW. DUBAI POLICE GENERAL H.Q.
M METER
GEN. DEP. OF SERVICES & SUPPLIES
ENGINEERING & PROJECTS DEPT.
kWH kWH kWH kWH kWH kWH
M METER
M METER
M METER
M METER
M METER
M METER
CONSULTANT:

4C 35mm2 XLPE/SWA/PVC+

4C 16mm2 XLPE/SWA/PVC+
110KVA UPS PANEL

ELS+ALARM+STARTER
250A TP 200A TP 350A TP 300A TP 40A SP 400A TP 630A,TP
2C 25mm2 XLPE/SWA/PVC+

4C 16mm2 XLPE/SWA/PVC+

2C 16mm2 XLPE/SWA/PVC+

2C 16mm2 XLPE/SWA/PVC+

2C 16mm2 XLPE/SWA/PVC+

4C 16mm2 XLPE/SWA/PVC+

4C 16mm2 XLPE/SWA/PVC+

4C 16mm2 XLPE/SWA/PVC+

4C 70mm2 XLPE/SWA/PVC+
MCCB MCCB MCCB MCCB 300A TP MCCB MCCB MCCB

1 x 16mm2 GY ECC.

1 x 16mm2 GY ECC.
45kA 45kA 45kA 45kA MCCB 45kA 45kA 45kA
45kA
1 x 16mm2 GY ECC.

1 x 16mm2 GY ECC.

1 x 16mm2 GY ECC.

1 x 16mm2 GY ECC.

1 x 16mm2 GY ECC.

1 x 16mm2 GY ECC.

1 x 16mm2 GY ECC.
1 x 16mm2 GY ECC.

1 x 35mm2 GY ECC.
1600A TPN BUSBAR

1600A 4P ACB
50kA (DOT) 1600A ACB 4P (LOCKABLE) 1600A ACB 4P
COMPRISING OF
400 A 4P 45 KA
ATS DG ENG. ADNAN SAFFARINI
SET @ .90 50kA (Draw Out Type) 50kA (Draw Out Type)
DESIGN,SUPERVISION, & CONSULT
HEAD OFFICE , POST BOX - 4000 DUBAI : 04-2222002
BY DEWA E & M INTERLOCK , 4P BY DEWA AMF*
NEUTRAL BUS BAR
2x 150 mm2 GY ECC. 2x 150 mm2 GY ECC.
400 A 4P MCCB
ABUDHABI:02-6260501,SHJ:06-5733100,ALAIN:03-7668970
EARTH BUS BAR
FORM-4 4P WITH E & M INTERLOCK
45 KA kWH kWH kWH kWH kWH kWH kWH kWH
2x 150 Sqmm PVC/CU.
Y/G ECC.
NON-FERROUS CABLE GLAND PLATE (TYPICAL) NON-FERROUS CABLE GLAND PLATE (TYPICAL) M METER
M METER
M METER
M METER
M METER
M METER
M METER
M METER
DEWA CABLES (EMERGENCY DIESEL GENERATOR )STAND BY
EARTH PIT EARTH PIT GENERATOR MAIN.CONTRACTOR:
MIN 6MTR TP, 225 KVA.
MINIMUM 3METRE CABLE AS PER G MOBILE GENERATOR
300mA ELCB 30mA ELCB 100mA ELCB
PURE COPPER EARTH DEWA REQ.
ELECTRODE OF 20mm DIA
WITH INSPECTION PIT 63A SP 40A TP 40A SP 40A SP 40A SP 40A TP 40A TP 40A TP 160A TP 100A TP 40A TP
RESISTANCE SHOULD BE <1 OHM 1000 KVA TRANSFORMER MCCB MCCB MCCB MCCB MCCB MCCB MCCB MCCB MCCB
11/6.6/0.400 KV 50 Hz 25KA 25KA 25KA 25KA 25KA 25KA 25KA 25KA 25KA MCCB MCCB
25KA 25KA

L.V.P FORM4b TYP6


TOTAL CONNECETED LOAD. =833.81 KW. NEUTRAL BUS BAR
400A TP
ISOLATOR MEP.CONTRACTOR:
EARTH BUS BAR R Y B

MAX DEMAND @ 0.90 D.F. =750.43 KW


FIRE RATED CABLE
MDB-EM 4C 300mm2 XLPE/SWA/PVC+
TOTAL CONNECTED LOAD. = 177.87 KW. 1 x 150mm2 GY ECC.

DRAWING TITLE:

DRAWN BY: CHECKED BY: AUTHORISED BY:


GROUND FLOOR

DATE: PLOT NO: REVISION:


PORJECT NO: SCALE: PAPER SIZE:
DRAWING NO: SHEET NO:

You might also like