KEMBAR78
Tonepad Bigmuff | PDF | Electricity | Electrical Engineering
0% found this document useful (0 votes)
430 views2 pages

Tonepad Bigmuff

big muff diy article

Uploaded by

BAMF
Copyright
© © All Rights Reserved
We take content rights seriously. If you suspect this is your content, claim it here.
Available Formats
Download as PDF, TXT or read online on Scribd
0% found this document useful (0 votes)
430 views2 pages

Tonepad Bigmuff

big muff diy article

Uploaded by

BAMF
Copyright
© © All Rights Reserved
We take content rights seriously. If you suspect this is your content, claim it here.
Available Formats
Download as PDF, TXT or read online on Scribd
You are on page 1/ 2

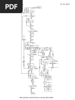
Gran Mango 3.1416 Rev.1.Jun.14.

2005

You can build the Big Muff Pi and many of its variants on this layout. Markings for polarized capacitors
can be ignored if using non polarized ones. Different diodes can be used for D1-D4 including LEDs.
Off board components except for the potentiometers are not shown on the layout. Check out our
offboard wiring project page at tonepad.com for offboard wiring options. Trademarks remain
property of their owners and are used only for reference.
100k-A 100k-B 100k-A

SUSTAIN T O N E +9V VOLUME


R6 R18 1
Q4
R22
R17

R21

R19
C10
C12

C11

C3 C4 C13
+ + + OUT MOC.DAPENOT

1
R20
R4

Q3
GND
R14
R15

R13

R16
D4
R3

R7

D3
C2

C8
C9

IN
Q1
+
R10

R12
R11

5002 PF
R5

R2

R8

R9
D2
1M

C6

C5
R1

D1

C1 C7
Q2 +

0
LAYOUT
0 1 1 2
Parts List (Stock Big Muff) READY TO TRANSFER
Capacitors
Resistors Potentiometers
C1 - 1F
R1 - 39k R12 - 8k2 (8.2k) 2 - 100k-A (log. taper)

Layout and presentation by Francisco Pea 2001-2005.


C2 - 500pF

All rights reserved. Authorization for personal use only,


R2 - 100k R13 - 100k 1 - 100k-B (linear taper)
C3 - 1F

Permission refused for posting from other sites.


R3 - 470k R14 - 470k
C4 - 1F
R4 - 15k R15 - 15k Diodes

Permission for posting/serving limited to


C5 - 0.1F
R5 - 100 ohm R16 - 100 ohm 4 - 1N914
C6 - 500pF

any commercial use is forbidden.


R6 - 1k R17 - 39k
C7 - 1F
R7 - 8k2 (8.2k) R18 - 100k Transistors
C8 - 0.1F

http://www.tonepad.com
R8 - 100k R19 - 100k 4 - 2N5088
C9 - 500pF
R9 - 470k R20 - 390k
C10 - 0.004F
R10 - 15k R21 - 10k
C11 - 0.01F
R11 - 100 ohm R22 - 2k2 (2.2k)
C12 - 0.1F
*1M resistor is for preventing pops when switching, C13 - 1F
it was not present in the original circuit

Schematic
AC R4 R10 R15 R20 R21
ADAPTOR
C5 C8
+
9v
C2 C3 C6 C9 C13

R18
C10
R3 R9 R14 OUTPUT
INPUT C1 3
SUSTAIN
R7 C7 3
TONE
3
VOLUME
2 2 2
100k-A 100k-B 100k-A
R1 Q1 1 C4 Q2 R12 Q3 1 C12 Q4 1

R17
1M* R2 R5 R6 R8 R11 R13 R16 C11 R19 R22
Gran Mango 3.1416 Variants Rev.1.Jun.14.2005

Variants and Mods. Many think the stock big muff has too much bass, these mods fix this by changing
the 1uF coupling capacitors to 0.1uF, they also tweak the gain on each of the stages and also the tone
stack. Trademarks remain property of their owners and are used only for reference.

100k-A 100k-B 100k-A 100k-A 100k-B 100k-A 100k-A 100k-B 100k-A

SUSTAIN T O N E +9V VOLUME SUSTAIN T O N E +9V VOLUME SUSTAIN T O N E +9V VOLUME


1k 100k 1k 39k 1k 22k
Q4 Q4 Q4

0.0039
0.004

0.004
100k

100k

100k
0.01

0.01

0.01
39k

2k2

39k

2k7

20k
10k

12k

10k
0.1

0.1

0.1

0.1

0.1

0.1

0.1

0.1

0.1
2k
1uF 1uF 1uF
+ + + OUT OUT OUT

470k
390k

390k
22k
15k

12k
Q3 Q3 Q3
empty

470pF

470pF
560pF

0.047
470k

470k

470k

470k
500p

500p

390k

390k
100k

100k
GND GND

0.05
GND
8k2

8k2

22k

82k

820

390
15k

100

10k

12k
0.1

D4

D4
D2

D3

D3
D1

IN IN IN
Q1 Q1 Q1
+
empty

470pF
560pF

0.047
470k

470k
500p

390k
100k

100k

100k

100k
0.05
39k

8k2

820
3k3
82k

8k2

390
39k

390
100

15k

100

12k

150

12k

10k
0.1

0.1

0.1

0.1

0.1
D2

D2

D2
1M

1M

1M
D1

D1

D1
1uF 1uF
Q2 + Q2 Q2

LAYOUT (Stock Big Muff) LAYOUT (Triangle Big Muff) LAYOUT (Green Big Muff)

Parts List (Triangle Big Muff)


Capacitors
Resistors Potentiometers
C1 - 0.1F
R1 - 3k3 (3.3k) R12 - 8k2 (8.2k) 2 - 100k-A (log. taper)

Layout and presentation by Francisco Pea 2001-2005.


C2 - nothing

All rights reserved. Authorization for personal use only,


R2 - 82k R13 - 82k 1 - 100k-B (linear taper)
C3 - 0.1F

Permission refused for posting from other sites.


R3 - 390k R14 - 390k
C4 - 0.1F
R4 - 22k R15 - 22k Diodes

Permission for posting/serving limited to


C5 - 0.05F
R5 - 820 ohm R16 - 820 ohm 4 - 1N914
C6 - 560pF

any commercial use is forbidden.


R6 - 1k R17 - 39k
C7 - 0.1F
R7 - 8k2 (8.2k) R18 - 39k Transistors
C8 - 0.05F

http://www.tonepad.com
R8 - nothing R19 - 100k 4 - 2N5088
C9 - 560pF
R9 - 390k R20 - 390k
C10 - 0.004F
R10 - 12k R21 - 12k
C11 - 0.01F
R11 - 150 ohm R22 - 2k7 (2.7k)
C12 - 0.1F
C13 - 0.1F
Parts List (Russian Green Big Muff)
Capacitors
Resistors Potentiometers
C1 - 0.1F
R1 - 39k R12 - 10k 2 - 100k-A (log. taper)
C2 - 470pF
R2 - 100k R13 - 100k 1 - 100k-B (linear taper)
C3 - 0.1F
R3 - 470k R14 - 470k
C4 - 0.1F
R4 - 12k R15 - 12k Diodes
C5 - 0.047F
R5 - 390 ohm R16 - 390 ohm 4 - 1N914
C6 - 470pF
R6 - 1k R17 - 20k
C7 - 0.1F
R7 - 10k R18 - 22k Transistors
C8 - 0.047F
R8 - 100k R19 - 100k 4 - 2N5088
C9 - 470pF
R9 - 470k R20 - 470k
C10 - 0.0039F
R10 - 12k R21 - 10k
C11 - 0.01F
R11 - 390 ohm R22 - 2k
C12 - 0.1F
C13 - 0.1F

You might also like