KEMBAR78
DTC B1608/84 Front Satellite Sensor Bus LH Initialization Incomplete Lost Communication With Front Airbag Sensor LH Front Airbag Sensor LH Initialization Incom-Plete | PDF | Airbag | Electrical Connector
0% found this document useful (0 votes)
2K views7 pages

DTC B1608/84 Front Satellite Sensor Bus LH Initialization Incomplete Lost Communication With Front Airbag Sensor LH Front Airbag Sensor LH Initialization Incom-Plete

1. The document describes diagnostic trouble codes related to the front airbag sensor LH in the supplemental restraint system. 2. DTCs B1608/84, B1617/84, and B1618/84 indicate a malfunction in the front airbag sensor LH circuit, including a line short circuit, open circuit, short to ground, or short to B+ signal. 3. The inspection procedure involves checking the connectors and wiring between the front airbag sensor LH and center airbag sensor assembly for issues like incorrect connectors, open or short circuits, or improper connections.

Uploaded by

samsoum1
Copyright
© © All Rights Reserved
We take content rights seriously. If you suspect this is your content, claim it here.
Available Formats
Download as PDF, TXT or read online on Scribd
0% found this document useful (0 votes)
2K views7 pages

DTC B1608/84 Front Satellite Sensor Bus LH Initialization Incomplete Lost Communication With Front Airbag Sensor LH Front Airbag Sensor LH Initialization Incom-Plete

1. The document describes diagnostic trouble codes related to the front airbag sensor LH in the supplemental restraint system. 2. DTCs B1608/84, B1617/84, and B1618/84 indicate a malfunction in the front airbag sensor LH circuit, including a line short circuit, open circuit, short to ground, or short to B+ signal. 3. The inspection procedure involves checking the connectors and wiring between the front airbag sensor LH and center airbag sensor assembly for issues like incorrect connectors, open or short circuits, or improper connections.

Uploaded by

samsoum1
Copyright
© © All Rights Reserved
We take content rights seriously. If you suspect this is your content, claim it here.
Available Formats
Download as PDF, TXT or read online on Scribd
You are on page 1/ 7

SUPPLEMENTAL RESTRAINT SYSTEM – AIRBAG SYSTEM RS–59

Front Satellite Sensor Bus LH Initialization


DTC B1608/84
Incomplete

Lost Communication with Front Airbag Sensor


DTC B1617/84
LH

Front Airbag Sensor LH Initialization Incom-


DTC B1618/84
plete
DESCRIPTION
The front airbag sensor LH consists of parts including the diagnostic circuit and the frontal deceleration
sensor.
When the center airbag sensor assembly receives signals from the frontal deceleration sensor, it
determines whether or not the SRS should be activated.
DTC B1608/84, B1617/84 or B1618/84 is set when a malfunction is detected in the front airbag sensor LH
RS
circuit.
DTC No. DTC Detection Condition Trouble Area
• Center airbag sensor assembly detects
line short circuit signal, open circuit
signal, short circuit to ground signal or • Instrument panel wire
B1608/84
short to B+ signal in front airbag sensor • Engine room main wire
B1617/84
LH circuit for 2 seconds. • Front airbag sensor LH
B1618/84
• Front airbag sensor LH malfunction • Center airbag sensor assembly
• Center airbag sensor assembly
malfunction
RS–60 SUPPLEMENTAL RESTRAINT SYSTEM – AIRBAG SYSTEM

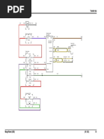
WIRING DIAGRAM

2 30
+SL EA3 E29 +SL
2

RS

1 28
-SL EA3 E29 -SL
1

A15
Front Airbag Sensor LH Center Airbag Sensor Assembly

H101947E09

INSPECTION PROCEDURE
NOTICE:
In order to prevent unexpected airbag deployment, disconnect the following connectors before
inspecting parts such as wire harnesses, if the application of tester probes to the center airbag
sensor assembly connector is necessary.
1. Turn the ignition switch off.
2. Disconnect the negative (-) terminal cable from the battery, and wait for at least 90 seconds.
3. Disconnect the connector from the center airbag sensor assembly.
4. Disconnect the connectors from the steering pad.
5. Disconnect the connectors from the front passenger airbag assembly.
6. Disconnect the connector from the front seat outer belt assembly LH.
7. Disconnect the connector from the front seat outer belt assembly RH.
HINT:
Skip the following steps if side airbags and curtain shield airbags are not fitted.
8. Disconnect the connector from the front seat side airbag assembly LH.
9. Disconnect the connector from the front seat side airbag assembly RH.
10.Disconnect the connector from the curtain shield airbag assembly LH.
11.Disconnect the connector from the curtain shield airbag assembly RH.
SUPPLEMENTAL RESTRAINT SYSTEM – AIRBAG SYSTEM RS–61

1 CHECK CONNECTOR (INSTRUMENT PANEL WIRE - CENTER AIRBAG SENSOR


ASSEMBLY)

(a) Turn the ignition switch off.


(b) Disconnect the negative (-) terminal cable from the
battery, and wait for at least 90 seconds.
(c) Disconnect the instrument panel wire connector from the
center airbag sensor assembly.
(d) Check the instrument panel wire connector and terminals
(on the center airbag sensor assembly side) and check
that the connector is properly connected to the center
airbag sensor assembly.
Result
Result Proceed to
No problem. A
Connector or terminals incorrect. B RS
Connector connected improperly. C

B REPAIR OR REPLACE INSTRUMENT PANEL


WIRE

C CONNECT CONNECTOR PROPERLY

2 CHECK CONNECTOR (ENGINE ROOM MAIN WIRE - FRONT AIRBAG SENSOR LH)

(a) Disconnect the engine room main wire connector from


the front airbag sensor LH.
(b) Check the engine room main wire connector and
terminals (on the front airbag sensor LH side) and check
that the connector is properly connected to the front
airbag sensor LH.
Result
Result Proceed to
No problem. A
Connector or terminals incorrect. B
Connector connected improperly. C

B REPAIR OR REPLACE ENGINE ROOM MAIN


WIRE

C CONNECT CONNECTOR PROPERLY

A
RS–62 SUPPLEMENTAL RESTRAINT SYSTEM – AIRBAG SYSTEM

3 CHECK FRONT AIRBAG SENSOR LH CIRCUIT

(a) Check for open in the circuit.


(1) Using a service wire, connect A15-1 and A15-2 of
connector E.
F A
NOTICE:
E DC B
Do not forcibly insert the service wire into the
Front Airbag terminals of the connector when connecting.
Sensor LH (2) Measure the resistance.
Center Airbag Standard resistance
Sensor Assembly
Tester Connection Condition Specified Condition
E29-30 (+SL) - E29-28 (-
Always Below 1 Ω
Connector E Connector B SL)

A15 E29
RS

+SL -SL
Service Wire

H100831E11

(b) Check for short in the circuit.


(1) Disconnect the service wire from connector E.
E DC B (2) Measure the resistance.
F A Standard resistance
Tester Connection Condition Specified Condition
Front Airbag
E29-30 (+SL) - E29-28 (-
Sensor LH SL)
Always 1 MΩ or higher

Center Airbag
Sensor Assembly (c) Check for short to ground in the circuit.
(1) Measure the resistance.
Standard resistance
Connector B Tester Connection Condition Specified Condition
E29-30 (+SL) - Body
E29 ground
Always 1 MΩ or higher

E29-28 (-SL) - Body


Always 1 MΩ or higher
ground

(d) Check for short to B+ in the circuit.


+SL -SL (1) Connect the negative (-) terminal cable to the
battery, and wait for at least 2 seconds.
(2) Turn the ignition switch to the on position.
H100832E11
(3) Measure the voltage.
Standard voltage
Tester Connection Condition Specified Condition
E29-30 (+SL) - Body
Ignition switch on Below 1 V
ground
E29-28 (-SL) - Body
Ignition switch on Below 1 V
ground

(4) Turn the ignition switch off.


SUPPLEMENTAL RESTRAINT SYSTEM – AIRBAG SYSTEM RS–63

(5) Disconnect the negative (-) terminal cable from the


battery, and wait for at least 90 seconds.
NG Go to step 5

OK

4 CHECK FRONT AIRBAG SENSOR LH

(a) Connect the connectors to the center airbag sensor


assembly.
(b) Interchange the front airbag sensor LH with the front
airbag sensor RH and connect the connectors to them.
(c) Connect the negative (-) terminal cable to the battery,
and wait for at least 2 seconds.
(d) Turn the ignition switch to the on position, and wait for at
least 60 seconds.
(e) Clear the DTCs stored in the memory (See page RS-36
RS
).
(f) Turn the ignition switch to the lock position.
(g) Turn the ignition switch to the on position, and wait for at
least 60 seconds.
(h) Check for DTCs (See page RS-36 ).
Result
Result Proceed to
DTC B1608/84, B1617/84 or B1618/84 is output. A
DTC B1603/83, B1612/83 or B1613/83 is output. B

B REPLACE FRONT AIRBAG SENSOR LH

REPLACE CENTER AIRBAG SENSOR ASSEMBLY

5 CHECK CONNECTOR (ENGINE ROOM MAIN WIRE - INSTRUMENT PANEL WIRE)

(a) Disconnect the engine room main wire connector from


the instrument panel wire.
(b) Check the engine room main wire connector and
terminals (on the instrument panel wire side) and check
that the connector is properly connected to the
instrument panel wire.
Result
Result Proceed to
No problem. A
Connector or terminals incorrect. B
Connector connected improperly. C

B REPAIR OR REPLACE ENGINE ROOM MAIN


WIRE
RS–64 SUPPLEMENTAL RESTRAINT SYSTEM – AIRBAG SYSTEM

C CONNECT CONNECTOR PROPERLY

6 CHECK ENGINE ROOM MAIN WIRE

(a) Check for open in the circuit.


Engine Room Main Wire (1) Using a service wire, connect A15-1 and A15-2 of
connector E.
F A NOTICE:
E D C B Do not forcibly insert the service wire into the
Front Airbag terminals of the connector when connecting.
Sensor LH (2) Measure the resistance.
Standard resistance
Center Airbag
Sensor Assembly Tester Connection Condition Specified Condition
Instrument Panel Wire
RS EA3-1 - EA3-2 Always Below 1 Ω

Connector E Connector D
A15 EA3

Service Wire
C135735E02

(b) Check for short in the circuit.


Engine Room Main Wire
(1) Disconnect the service wire from connector E.
(2) Measure the resistance.
F A Standard resistance
E D C B
Tester Connection Condition Specified Condition
Front Airbag EA3-1 - EA3-2 Always 1 MΩ or higher
Sensor LH
Center Airbag (c) Check for short to ground in the circuit.
Sensor Assembly (1) Measure the resistance.
Instrument Panel Wire Standard resistance
Tester Connection Condition Specified Condition
Connector D EA3-1 - Body ground Always 1 MΩ or higher
EA3-2 - Body ground Always 1 MΩ or higher

EA3
(d) Check for short to B+ in the circuit.
(1) Connect the negative (-) terminal cable to the
battery, and wait for at least 2 seconds.
(2) Turn the ignition switch to the on position.
(3) Measure the voltage.
Standard voltage
C135736E02
Tester Connection Condition Specified Condition
EA3-1 - Body ground Ignition switch on Below 1 V
EA3-2 - Body ground Ignition switch on Below 1 V

(4) Turn the ignition switch off.


SUPPLEMENTAL RESTRAINT SYSTEM – AIRBAG SYSTEM RS–65

(5) Disconnect the negative (-) terminal cable from the


battery, and wait for at least 90 seconds.
NG REPAIR OR REPLACE ENGINE ROOM MAIN
WIRE

OK

REPAIR OR REPLACE INSTRUMENT PANEL WIRE

RS

You might also like