KEMBAR78
LT MCC 512.2 | PDF | Electricity | Electrical Engineering
0% found this document useful (0 votes)
170 views5 pages

LT MCC 512.2

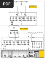
The document contains a diagram of a shipping facility with 4 sections and details of the electrical equipment in each section. Section 1 contains power distribution equipment including an air circuit breaker, contactors, and feeders. Section 2 includes additional power distribution equipment and a control bus. Section 3 has a marshalling chamber and vacant area. Section 4 lists transformers and other distribution components.

Uploaded by

HEMANT RAMJI
Copyright
© © All Rights Reserved
We take content rights seriously. If you suspect this is your content, claim it here.
Available Formats
Download as PDF, TXT or read online on Scribd
0% found this document useful (0 votes)
170 views5 pages

LT MCC 512.2

The document contains a diagram of a shipping facility with 4 sections and details of the electrical equipment in each section. Section 1 contains power distribution equipment including an air circuit breaker, contactors, and feeders. Section 2 includes additional power distribution equipment and a control bus. Section 3 has a marshalling chamber and vacant area. Section 4 lists transformers and other distribution components.

Uploaded by

HEMANT RAMJI
Copyright
© © All Rights Reserved
We take content rights seriously. If you suspect this is your content, claim it here.
Available Formats
Download as PDF, TXT or read online on Scribd
You are on page 1/ 5

SHIPPING SECTION-1 SHIPPING SECTION-2 SHIPPING SECTION-3 SHIPPING SECTION-1

LIFTING HOOK

CONTROL BUS N R Y B
1F 2F 3F 4F 20X3mm.(Cu.) 4R 3R 2R 1R
MARSHALLING
CABLE DUCT
1F1 L7 L8 L3 2F1 3F1 L1 L2 L3 4F1 L7 L8 L3 4R1 3R1 L7 L8 L3 2R1 L1 L2 L3 1R1

250A FP 0.55KW 2.2KW 1.1KW


ATS S2 S3 E.M L/R RDOL S2 S3 E.M L/R RDOL S2 S3 E.M L/R RDOL
250A TP 100A TP
L7 L8 L3 2F2 MCCB+NL L7 L8 L3 4R2 L7 L8 L3 2R2 MCCB+NL

L1 L2 L3 1R2
R Y B 1F2A R Y B 1F2B L1 L2 L3 4F2
0.55KW 2.2KW 1.1KW
L1 L2 L3 L1 L2 L3
MFM MFM S2 S3 E.M L/R RDOL S2 S3 E.M L/R RDOL S2 S3 E.M L/R RDOL
L7 L8 L3 2F3 4R3 L7 L8 L3 2R3
INCOMER-1 INCOMER-2 100A TP
160A TP FRONT REAR MCCB+NL
MCCB+NL
0.55KW VACANT 1.1KW L1 L2 L3 1R3
250A TP 250A TP S2 S3 E.M L/R RDOL MARSHALLING MARSHALLING S2 S3 E.M L/R RDOL
MCCB+NL MCCB+NL CHAMBER
L7 L8 L3 2F4 L5 L6 L9 4F3 CHAMBER L7 L8 L3 2R4

32A SS1
1F3A 1F3B 4R4 100A TP
0.55KW 7.5KW MCCB+NL
S2 S3 E.M L/R RDOL 415/240VAC, 2X2KVA S2 S3 E.M L/R RDOL
L7 L8 L3 2F5 CONTROL L7 L8 L3 2R5 L1 L2 L3 1R4
TRANSFORMER VACANT
CABLE CABLE DRAWING DRAWING
CHAMBER CHAMBER 0.55KW POCKET POCKET 7.5KW 63A TP
S2 S3 E.M L/R RDOL (WELDED) (WELDED) S2 S3 E.M L/R RDOL MCCB+NL

DUMMY SPACE DUMMY SPACE DUMMY SPACE DUMMY SPACE

SIDE VIEW
FRONT VIEW REAR VIEW

OUTGOING OUTGOING PLATE OUTGOING


FEEDER FEEDER GLAND FEEDER
GLAND GLAND GLAND
PLATE PLATE PLATE
N N
B B
INCOMING-1 INCOMING-2 Y Y
R GLAND R GLAND
GLAND GLAND OUTGOING PLATE OUTGOING PLATE
GLAND
PLATE PLATE FEEDER PLATE FEEDER

BOTTOM VIEW
AS BUILT 11.07.2020
AS BUILT 11.07.2020

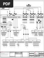
MAIN HORIZONTAL BUS-BAR

~
~
CT:7 P1 S1
TO APFCR
250/1A
CL-1 2.5A,TP 2.5A,TP 2.5A,TP 2.5A,TP 2.5A,TP
15VA P2 S2
MPCB MPCB MPCB MPCB MPCB
WITH S/C AUX. SUPPLY
WITH S/C AUX. SUPPLY
WITH S/C AUX. SUPPLY
WITH S/C AUX. SUPPLY
WITH S/C AUX. SUPPLY
FROM CONTROL BUS FROM CONTROL BUS FROM CONTROL BUS FROM CONTROL BUS FROM CONTROL BUS
250A,FP
ATS
P1 S1 P1 S1 P1 S1 P1 S1 P1 S1
CT:1-3 MPR CT:1-3 MPR CT:1-3 MPR CT:1-3 MPR CT:1-3 MPR
2-6.25A 2-6.25A 2-6.25A 2-6.25A 2-6.25A
250A,3P L1 L2 L3 250A,3P L1 L2 L3 P2 S2 P2 S2 P2 S2 P2 S2 P2 S2
MCCB+NL MCCB+NL
MP BASED MP BASED
O/L,S/C,E/F O/L,S/C,E/F
PROTECTION PROTECTION 2X 2X 2X 2X 2X
50KA 50KA 16A TP 16A TP 16A TP 16A TP 16A TP
3X6A,SP 3X6A,SP CONT. CONT. CONT. CONT. CONT.
MCB R Y B MCB R Y B
FROM CONTROL BUS

FROM CONTROL BUS

L7 L8 L3 L7 L8 L3 L7 L8 L3 L7 L8 L3 L7 L8 L3
AUX. SUPPLY

AUX. SUPPLY

P1 S1 P1 S1
CT:4-6 MFM CT:4-6 MFM
S2 S3 E.M S2 S3 E.M S2 S3 E.M S2 S3 E.M S2 S3 E.M
7KT 7KT
250/1A 250/1A
CL-1 P2 S2 CL-1 P2 S2
15VA 15VA
L/R L/R L/R L/R L/R

INCOMING SUPPLY-1 INCOMING SUPPLY-2


415V AC 415V AC
FEEDER
NO. 1F2A,1F2B 2F1 2F2 2F3 2F4 2F5
FEEDER
TYPE MCCB+ATS INCOMER RDOL RDOL RDOL RDOL RDOL
FEEDER
RATING 2X250A TP+NL+250A FP ATS 0.55KW 0.55KW 0.55KW 0.55KW 0.55KW
INCOMING
WIRE/BUSBAR 1X40X10 AL. BUSBAR/EQ. 2.5Sq.mm. Cu. WIRE 2.5Sq.mm. Cu. WIRE 2.5Sq.mm. Cu. WIRE 2.5Sq.mm. Cu. WIRE 2.5Sq.mm. Cu. WIRE
FEEDER
DESCRIPTION MAIN INCOMER OUTGOING OUTGOING OUTGOING OUTGOING OUTGOING
FIELD CABLE
SIZE ------------------ ------------------ ------------------ ------------------ ------------------ ------------------
AS BUILT 11.07.2020

MAIN HORIZONTAL BUS-BAR

~
16A TP 16A TP
MPCB MPCB 8A,TP 8A,TP 5A,TP
MPCB MPCB MPCB
250A,3P 160A,3P
L1 L2 L3 L1 L2 L3
2KVA 2KVA WITH S/C WITH S/C WITH S/C
MCCB+NL MCCB+NL AUX. SUPPLY AUX. SUPPLY AUX. SUPPLY
FROM CONTROL BUS FROM CONTROL BUS FROM CONTROL BUS
MP BASED MP BASED 415V/240V, AC 415V/240V, AC
O/L,S/C,E/F O/L,S/C,E/F CONTROL CONTROL
PROTECTION PROTECTION TRANSFORMER TRANSFORMER P1 S1 P1 S1 P1 S1
CT:1-3 MPR CT:1-3 MPR CT:1-3 MPR
50KA 50KA
0.4-12.5A 0.4-12.5A 0.2-6.25A
P2 S2 P2 S2 P2 S2
32A DP 6A SP 32A DP 6A SP
CT:1-3
P1 S1
CT:1-3
P1 S1 MCB MCB CTF.1 MCB MCB CTF.2
DA DA
250/1A 150/1A
CL-1 CL-1 2X 2X 2X
15VA
P2 S2 AUX. SUPPLY
FROM CONTROL BUS 15VA
P2 S2 AUX. SUPPLY
FROM CONTROL BUS
ON ON 32A TP 32A TP 16A TP
L5 L6 CONT. CONT. CONT.

32A SEL. L7 L8 L3 L7 L8 L3 L7 L8 L3
SWITCH
6A SP S2 S3 E.M S2 S3 E.M S2 S3 E.M
MCB CTR. SUPPLY

ON L/R L/R L/R


L9
TO CONTROL
SUPPLY
FEEDER
NO. 4F1 4F2 4F3 4R1 4R2 2R1
FEEDER
TYPE MCCB OUTGOING MCCB OUTGOING CONTROL TRF. RDOL RDOL RDOL
FEEDER
RATING 250A TP+NL 160A TP+NL 2X2KVA CONTROL TRF. 2.2KW 2.2KW 1.1KW
INCOMING
WIRE/BUSBAR 1X30X10 AL. BUSBAR/EQ. 1X20X10 AL. BUSBAR/EQ. 2.5Sq.mm./4.0Sq.mm.Cu.Wire 2.5Sq.mm. Cu. WIRE 2.5Sq.mm. Cu. WIRE 2.5Sq.mm. Cu. WIRE
FEEDER
DESCRIPTION OUTGOING OUTGOING OUTGOING OUTGOING OUTGOING OUTGOING
FIELD CABLE
SIZE ------------------ ------------------ ------------------ ------------------ ------------------ ------------------
AS BUILT 11.07.2020

MAIN HORIZONTAL BUS-BAR

~
5A,TP 5A,TP 32A,TP 32A,TP
MPCB MPCB MPCB MPCB
100A,3P 100A,3P 100A,3P
WITH S/C WITH S/C WITH S/C WITH S/C L1 L2 L3 L1 L2 L3 L1 L2 L3
AUX. SUPPLY AUX. SUPPLY AUX. SUPPLY AUX. SUPPLY MCCB+NL MCCB+NL MCCB+NL
FROM CONTROL BUS FROM CONTROL BUS FROM CONTROL BUS FROM CONTROL BUS
MP BASED MP BASED MP BASED
O/L,S/C,E/F O/L,S/C,E/F O/L,S/C,E/F
P1 S1 P1 S1 P1 S1 P1 S1 PROTECTION PROTECTION PROTECTION
CT:1-3 MPR CT:1-3 MPR CT:1-3 MPR CT:1-3 MPR
50KA 50KA 50KA
0.2-6.25A 0.2-6.25A 0.8-25A 0.8-25A
P2 S2 P2 S2 P2 S2 P2 S2

P1 S1 P1 S1 P1 S1
CT:1-3 DA CT:1-3 DA CT:1-3 DA
100/1A 100/1A 100/1A
2X 2X 2X 2X CL-1 CL-1 CL-1
P2 S2 P2 S2 P2 S2
16A TP 16A TP 50A TP 50A TP 15VA
AUX. SUPPLY
FROM CONTROL BUS 15VA
AUX. SUPPLY
FROM CONTROL BUS 15VA
AUX. SUPPLY
FROM CONTROL BUS
CONT. CONT. CONT. CONT.

L7 L8 L3 L7 L8 L3 L7 L8 L3 L7 L8 L3

S2 S3 E.M S2 S3 E.M S2 S3 E.M S2 S3 E.M

L/R L/R L/R L/R

FEEDER
NO. 2R2 2R3 2R4 2R5 1R1 1R2 1R3
FEEDER
TYPE RDOL RDOL RDOL RDOL MCCB OUTGOING MCCB OUTGOING MCCB OUTGOING
FEEDER
RATING 1.1KW 1.1KW 7.5KW 7.5KW 100A TP+NL 100A TP+NL 100A TP+NL
INCOMING
WIRE/BUSBAR 2.5Sq.mm. Cu. WIRE 2.5Sq.mm. Cu. WIRE 4.0Sq.mm. Cu. WIRE 4.0Sq.mm. Cu. WIRE 1X30X05 AL. BUSBAR/EQ. 1X30X05 AL. BUSBAR/EQ. 1X30X05 AL. BUSBAR/EQ.
FEEDER
DESCRIPTION OUTGOING OUTGOING OUTGOING OUTGOING OUTGOING OUTGOING OUTGOING
FIELD CABLE
SIZE ------------------ ------------------ ------------------ ------------------ ------------------ ------------------ ------------------
AS BUILT 11.07.2020

MAIN HORIZONTAL BUS-BAR

63A,3P
L1 L2 L3
MCCB+NL
MP BASED
O/L,S/C,E/F
PROTECTION
50KA

P1 S1
CT:1-3 DA
60/1A
CL-1 P2 S2 AUX. SUPPLY
15VA FROM CONTROL BUS

FEEDER
NO. 1R4
FEEDER
TYPE MCCB OUTGOING
FEEDER
RATING 63A TP+NL
INCOMING
WIRE/BUSBAR 16Sq.mm. Cu. WIRE
FEEDER
DESCRIPTION OUTGOING
FIELD CABLE
SIZE ------------------

You might also like