KEMBAR78
HIACE Relay Locations Guide | PDF | Mechanical Engineering | Car
0% found this document useful (0 votes)
1K views25 pages

HIACE Relay Locations Guide

This document lists relay locations for various vehicle systems. It outlines relays in the engine compartment, body, and instrument panel areas. In the engine compartment, relays are located in the engine room R/B No. 1 and engine room J/B No. 1. Relay functions and locations vary between the 2KD-FTV, 5L-E and 2TR-FE engine models. Body relays include door control relays. Instrument panel relays include air conditioning amplifiers and integration relays. Wiring diagrams then show more detailed relay and component connections.

Uploaded by

张业
Copyright
© © All Rights Reserved
We take content rights seriously. If you suspect this is your content, claim it here.
Available Formats
Download as PDF, TXT or read online on Scribd
0% found this document useful (0 votes)
1K views25 pages

HIACE Relay Locations Guide

This document lists relay locations for various vehicle systems. It outlines relays in the engine compartment, body, and instrument panel areas. In the engine compartment, relays are located in the engine room R/B No. 1 and engine room J/B No. 1. Relay functions and locations vary between the 2KD-FTV, 5L-E and 2TR-FE engine models. Body relays include door control relays. Instrument panel relays include air conditioning amplifiers and integration relays. Wiring diagrams then show more detailed relay and component connections.

Uploaded by

张业
Copyright
© © All Rights Reserved
We take content rights seriously. If you suspect this is your content, claim it here.
Available Formats
Download as PDF, TXT or read online on Scribd
You are on page 1/ 25

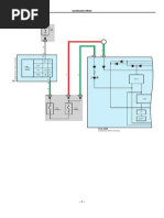
F RELAY LOCATIONS

[Engine Compartment]
* 1:2KD-FTV, 5L-E
* 2:2TR-FE

Engine Room
R/B No.2
Air Injection
Control Driver (*2)
Injection Driver
(EDU) (2KD-FTV)

Skid Control
ECU with Actuator
Engine ECU

Engine Room R/B No.1 (*1) Cooling Fan Cooling Fan Engine Room R/B No.1 (*2)
Engine Room J/B No.1 (*1) ECU No.1 ECU No.2 Engine Room J/B No.1 (*2)

[Body]
Door Control
Relay (RH) (RHD)

Door Control
Receiver

Door Control
Relay (LH) (RHD)

20

HIACE (EWD622E)
F
[Instrument Panel]
(LHD)
A/C Amplifier

Center J/B

Clearance Warning
Integration Relay ECU

Fuse Box
Instrument
Panel J/B

Transmission
Control ECU
Junction
Connector

Shift Lock Airbag Sensor Instrument


Control ECU Assembly Center Panel R/B

(RHD)
A/C Amplifier Clealance Warning ECU

Instrument
Panel J/B
Center J/B

Integration
Relay

Junction
Connector Transmission
Control ECU

Fuse Box

Instrument Airbag Sensor Shift Lock


Panel R/B Assembly Center Control ECU

21

HIACE (EWD622E)
F RELAY LOCATIONS
1 : Engine Room R/B No.1
Engine Compartment Front (See Page 20)
: Engine Room J/B No.1
[2TR–FE]
* 1:120A MAIN4 (for High Current)
* 2:40A HTR (for High Current)
* 3:30A RR CLR (for High Current)
* 4:140A ALT (for High Current)
* 5:50A A/PUMP (for High Current)
* 6:50A MAIN3 (for High Current)
* 7:50A FAN2 (for High Current)
* 8:50A FAN1 (for High Current)

1 15A 2
A/F

*4

1 15A 2
*5 *1 HAZ-HORN

Unit B
Unit A *6

1 20A 2
*7 *2 EFI

*8 *3
RR CLR Relay

3
1 4 2

3
FAN1 Relay

FAN2 Relay

3
1 4 2 1 2

5 5

22

HIACE (EWD622E)
F
1 : Engine Room R/B No.1
Engine Compartment Front (See Page 20)
: Engine Room J/B No.1
[2KD–FTV, 5L–E] * 1:50A PTC1 (for High Current)
* 2:120A MAIN4 (for High Current)
* 3:40A HTR (for High Current)
* 4:30A RR CLR (for High Current)
* 5:50A PTC2 (for High Current)
* 6:140A ALT (for High Current)
* 7:80A GLOW (for High Current)
* 8:50A MAIN3 (for High Current)
* 9:50A FAN2 (for High Current)
* 10:30A FAN3 (for High Current)
* 11:50A FAN1 (for High Current)

*6 *1

1 15A 2
*7 *2
HAZ-HORN

Unit B
*8
Unit A

1 25A 2
*9 *3 EFI

*10

*11 *4

*5
GLOW Relay

PTC2 Relay

PTC1 Relay

1 3 3
5 3 1 2 1 2
2 5 5
RR CLR Relay

FAN1 Relay

FAN2 Relay

1 3 3
5 4 3 1 2 1 2
2 5 5

23

HIACE (EWD622E)
F RELAY LOCATIONS
1 : Engine Room R/B No.1
Engine Compartment Front (See Page 20)
: Engine Room J/B No.1
(from Engine Room (from Engine Room 1
Main Wire) Main Wire) (from Engine Room
Unit A 1B 1C
Main Wire)
Wire Coler : R
1 2 1 2
3 4 3 4 1H

3 4 3 4
Back View 1 2 1 2

1
(from Engine Room
Main Wire)
Wire Coler : B-G

Side View 1G

1F

1
(from Engine Room
Main Wire)
Wire Coler : W

Top View

Side View

1A 1D 1E
1 1 1
(from Engine Room (from Engine Room (from Engine Room
Main Wire) Main Wire) Main Wire)
Wire Coler : W Wire Coler : W Wire Coler : B-W

24

HIACE (EWD622E)
F

Unit B

Back View Top View

1
1 2
3
2
3 4
1I
4 5
5 6
7
6
7 8
8

(from Engine Room


Main Wire)

1
1 2
3
2
3 4
1J
4 5
5 6
7
6
7 8
8

(from Engine Room


Main Wire)

1K
1
1

(from Engine Room


Main Wire)

25

HIACE (EWD622E)
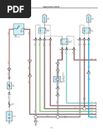
F RELAY LOCATIONS
[Engine Room R/B No.1 and Engine Room J/B No.1 Inner Circuit]

Unit A
1 1A

140A
ALT

50A PTC1
1 1D 1 1F
50A A/PUMP (*1)
80A GLOW (*2) 120A MAIN4
1 1E 1 1G

50A MAIN3
3 1B 1 1B

50A FAN2 40A HTR


4 1B 2 1B

30A FAN3
3 1C 1 1B

50A FAN1 30A RR CLR


4 1C 2 1C

50A PTC2
1 1H

* 1:2TR-FE
* 2:2KD-FTV, 5L-E

26

HIACE (EWD622E)
F

Unit B 1 1I
A/F Relay (*1)
FAN3 Relay (*2)
1 2
1 1K 4 1I
15A A/F (*1)
3 1I

2 1I

5 1I
HORN Relay
1 2
8 1I
15A HAZ-HORN
7 1I

6 1I

1 1J
MAIN Relay
1 2
4 1J
20A EFI (*1)
25A EFI (*2)
3 1J

2 1J

5 1J
C/OPN Relay (*1)
EDU Relay (*2)
8 1J
(*2)

7 1J

6 1J

* 1:2TR-FE
* 2:2KD-FTV, 5L-E

27

HIACE (EWD622E)
F RELAY LOCATIONS
2 : Engine Room R/B No.2 Inside of Battery Room (See Page 20)

ECU-B
2 10A 1

ETCS
2 10A 1

DOME
2 10A 1

ABS SOL RADIO ALT-S


2 25A 1 2 15A 1 1 7.5A 2

D.C.C
2 30A 1

40A HEAD 2 1 1 2 30A RR DOOR


(for High Current) (for High Current)

40A ABS MTR 2 1 1 2 30A AM2


(for High Current) (for High Current)

28

HIACE (EWD622E)
F
4 : Instrument Panel R/B Under the Glove Box (See Page 21)

HEAD LH
15A 2
1 HEAD RH
15A 2
ST
2 7.5A 1
A/C NO.3
2 7.5A 1

HEAD Relay 5 3

3
5 FR FOG Relay
1 2

1 1
ST Relay 5 3 5 3 MG CLT Relay
2 2

29

HIACE (EWD622E)
F RELAY LOCATIONS
: Instrument Panel J/B Left Side of Instrument Panel (See Page 21)

14 13 12 11 10 9 8 16 15 14 13 12 11 10 9
19 1
20 2 7 6 5 4 3 2 1 8 7 6 5 4 3 2 1
21 3
22 4
23 5 5B
24 6
25 7 (from Instrument Panel Wire) (from Instrument Panel Wire)
26 8 9 18
8 17
27 9 5D 5C 7 16
28 10 6 15
29 11 5 14
30 12 4 13
3 12
2 11
31 13
32 14 1 10
33 15
34 16
1 16 1 19 (from Instrument
35 17 2 17 2 20 7 6 5 4 3 2 1 Panel Wire)
3 21 8 7 6 5 4 3 2 1
3 18 14 13 12 11 10 9 8
36 18 4 22 16 15 14 13 12 11 10 9
4 19
5 20 5 23 5H
6 21 6 24
7 22 7 25
(from Cowl to Head 8 26
Lamp Wire) 18 9 1 17
8 23 9 27
28 17 8 2 18 17 1
9 24 10 3 19
10 25 11 29 16 7 18 2
15 6 4 20 19 3
16 1 11 26 12 30 5 21 20 4
17 2 5A 14 5 6 22 21 5
18 3 13 4 7 23 22 6
19 4 12 27 13 31 12 3 8 24 23 7
20 5 13 28 14 32 11 2 24 8
21 6 14 29 15 33 10 1 9 25 5E
22 7 15 30 16 34 10 26 25 9
17 35 11 27 26 10
23 8 18 36 12 28 27 11
24 9 4 28 12
25 10 3
26 11 2 13 29
1 3
1 14 30 29 13
4
1 15 31 30 14
27 12 5
16 32 31 15
28 13 2 6
2 32 16
29 14
30 15
2 (from Engine Room
3 2 1 Main Wire)
(from Roof Wire) 1 1
1 8 7 6 5 4

4
5J 3
3 1
4 5K 1 1
2
8 7 6 5 4 1
5
6 2 5 3 5 4 3 3 2 1
(from Instrument
Panel Wire)
(from Roof Wire) 2 2
30A PWR
(for High Current)
1 2 3
5F
4 5 6 7 8
30A DEF
(for High Current)
(from Instrument
Panel Wire)

5L 5G

IG1 Relay 1 HTR Relay 1 Flasher Relay

(from Engine Room Main Wire)


(from Engine Room Main Wire)

30

HIACE (EWD622E)
F RELAY LOCATIONS
: Instrument Panel J/B Left Side of Instrument Panel (See Page 21)

14 13 12 11 10 9 8 16 15 14 13 12 11 10 9
19 1
20 2 7 6 5 4 3 2 1 8 7 6 5 4 3 2 1
21 3
22 4
23 5 5B
24 6
25 7 (from Instrument Panel Wire) (from Instrument Panel Wire)
26 8 9 18
8 17
27 9 5D 5C 7 16
28 10 6 15
29 11 5 14
30 12 4 13
3 12
2 11
31 13
32 14 1 10
33 15
34 16
1 16 1 19 (from Instrument
35 17 2 17 2 20 7 6 5 4 3 2 1 Panel Wire)
3 21 8 7 6 5 4 3 2 1
3 18 14 13 12 11 10 9 8
36 18 4 22 16 15 14 13 12 11 10 9
4 19
5 20 5 23 5H
6 21 6 24
7 22 7 25
(from Cowl to Head 8 26
Lamp Wire) 18 9 1 17
8 23 9 27
28 17 8 2 18 17 1
9 24 10 3 19
10 25 11 29 16 7 18 2
15 6 4 20 19 3
16 1 11 26 12 30 5 21 20 4
17 2 5A 14 5 6 22 21 5
18 3 13 4 7 23 22 6
19 4 12 27 13 31 12 3 8 24 23 7
20 5 13 28 14 32 11 2 24 8
21 6 14 29 15 33 10 1 9 25 5E
22 7 15 30 16 34 10 26 25 9
17 35 11 27 26 10
23 8 18 36 12 28 27 11
24 9 4 28 12
25 10 3
26 11 2 13 29
1 3
1 14 30 29 13
4
1 15 31 30 14
27 12 5
16 32 31 15
28 13 2 6
2 32 16
29 14
30 15
2 (from Engine Room
3 2 1 Main Wire)
(from Roof Wire) 1 1
1 8 7 6 5 4

4
5J 3
3 1
4 5K 1 1
2
8 7 6 5 4 1
5
6 2 5 3 5 4 3 3 2 1
(from Instrument
Panel Wire)
(from Roof Wire) 2 2
30A PWR
(for High Current)
1 2 3
5F
4 5 6 7 8
30A DEF
(for High Current)
(from Instrument
Panel Wire)

5L 5G

IG1 Relay 1 HTR Relay 1 Flasher Relay

(from Engine Room Main Wire)


(from Engine Room Main Wire)

30

HIACE (EWD622E)
F

1
2
3
4
5
6
7
8
9
10
11
12
13
Integration Relay 14
15
16
17
18
19
20
21
22
23
24
25
26

5M 7 8 9 1011 12 1011 12 13 14 15 1617 18 6 7 8 9 10 6 7 8 9 10 11 12 13


12 1110 9 8 7
1 2 3 4 5 6 1 2 3 4 5 6 7 8 9 1 2 3 4 5 1 2 3 4 5
6 5 4 3 2 1

(from Instrument Panel Wire)

5S
1 2 3 4 5 6 7 8 9
1011121314 15161718
5P 5Q
(from Instrument Panel Wire)

1 2 3 4 5 1 2 3 4 5
6 7 8 9 10111213
6 7 8 9 10

(from Instrument Panel Wire) (from Instrument Panel Wire)

31

HIACE (EWD622E)
F RELAY LOCATIONS
: Instrument Panel J/B Left Side of Instrument Panel (See Page 21)

10A
TAIL
10A
PANEL
10A
25A A/C
WIP
15A
RR WIP-WSH
20A
WSH
7.5A
ECU-IG
10A
GAUGE 15A
7.5A CIG
OBD 7.5A
10A ACC
STOP

10A
30A ELS
DOOR
15A
RR HTR 15A
RR FOG

15A
FR FOG 15A
30A IGN
AM1 10A
MET IGN

32

HIACE (EWD622E)
Memo

33

HIACE (EWD622E)
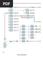
F RELAY LOCATIONS
[Instrument Panel J/B Inner Circuit]

1 5E

19 5E 19 5A

11 5D 12 5A

3 5A T-LP Relay 15 5B
10A TAIL
1 5G 4 5E

16 5B 10A PANEL
6 5P
18 5H
2 5Q
9 5S
7 5P
4 5J
8 5Q
18 5S
8 5P
6 5E
9 5P
2 5B
6 5Q
24 5A
10 5P
4 5A
9 5Q

7 5Q
18 5E
6 5K
8 5S PWR Relay
30A PWR
3 5P 36 5B
1 2
4 5P
30 5B
5 5P

5 5K 11 5B

15 5E
18 5B
8 5E

14 5S 10A ELS
DEF Relay 11 5M
32 5E 1 2
2 5F
10 5D 30A DEF
12 5Q 4 5Q

15A FR FOG
4 5M

13 5Q

25 5B 30A DOOR
1 5H
7 5E

13 5E 2 5J

4 5H 30A AM1
1 5F

(Cont. Next Page)

34

HIACE (EWD622E)
F

(Cont'd)

10A STOP
3 5J

7.5A OBD
5 5S
30 5E
2 5M
14 5E 15A RR FOG
8 5M
28 5A
6 5M
12 5E
15A RR HTR
7 5M 9 5M

1 5K
5 5M
1 5A
9 5C
1 5S
15 5S
1 5C
4 2 5E
3 5
7 5F 1 5L

1 2
5 5Q 13 5A

31 5B HTR Relay

16 5S 14 5B
2 1
15 5A LR IG 13 5S
4 3
1 5J +B LL 27 5A
5 6
11 5S EL ER 12 5S
8 7
17 5S EHW GND

Flasher Relay

7 5S
Noise Filter
7 5B
5 3 7.5A ECU-IG
11 5C

2 1
3 5F
IG1 Relay

25A WIP
2 5H

20A WSH
12 5B

1 5P

10A GAUGE
2 5P

(Cont. Next Page)

35

HIACE (EWD622E)
F RELAY LOCATIONS
[Instrument Panel J/B Inner Circuit]

(Cont'd)

9 5H
15A RR WIP-WSH
10 5A

11 5Q

10 5Q

1 5Q

28 5E

27 5B

10 5S
10A A/C
10 5M

8 5F

8 5A RR HTR Relay
25 5E 10 5H

6 5D 13 5D

7 5C

1 5D

21 5E
15A IGN
9 5E 4 5F

16 5E
10A MET IGN
1 5M

12 5M 5 5F
15A CIG
3 5Q

7.5A ACC
4 5S

6 5S

10 5C

(Cont. Next Page)

36

HIACE (EWD622E)
F

(Cont'd)

3 5H

26 5B

3 5E
19 25 1 4 5
3 5S 12 5D
TRLY HAZ GND ALTB SIG 20
31 5E PCTY 10 5E

7 5H 7 5D
26
23 5B DCTY 27 5E
10
5 5B UL1 5 5D

2 5K 35 5B

5 5H 17 5H

6 5H 17 5E

24 5B 13 5B
12
6 5B L1 3 5D
6
33 5B ECUB 2 5S

25 5A 12 5H
2
26 5E ACT+ 15 5C

13 5H
Integration Relay
24 5E 9 5D
9
14 5D KSW 14 5H

2 5D 4 5B

2 5C 22 5B
16
17 5B UL2 22 5A

32 5B 34 5B

29 5A
3
18 5A ACT- 11 5E

30 5A 7 5A

9 5A 3 5B
22 14
8 5D RCTY L2 21 5B

37

HIACE (EWD622E)
F RELAY LOCATIONS
LHD : Instrument Panel Reinforcement LH (See Page 21)
: Center J/B
RHD : Instrument Panel Reinforcement RH (See Page 21)

Black
6B
1 2 3 4
5 6 7 8 9 10
6A
1 2 3 3 2 1 4 3 2 1
4 5 6 7 8 8 7 6 5 4 10 9 8 7 6 5 (from Instrument Panel Wire)
Gray
(from Instrument Panel Wire)
6C
10 9 8 7 6 5 4 3 2 1 1 2 3 4 5 6 7 8 9 10
22 21 20 19 18 17 16 15 14 13 12 11 11 12 13 14 15 16 17 18 19 20 21 22

Black
(from Instrument Panel Wire)
6D
1 2 3 4 5 6 7 8 9 9 8 7 6 5 4 3 2 1
10 11 12 13 14 15 16 17 18 19 20 20 19 18 17 16 15 14 13 12 11 10

(from Instrument Panel Wire)


10 9 8 7 6 5 4 3 2 1 6E 1 2 3 4 5 6 7 8 9 10
22 21 20 19 18 17 16 15 14 13 12 11 11 12 13 14 15 16 17 18 19 20 21 22

Gray (from Instrument Panel Wire)


6F
1 2 3 4 5 6 7 8 9 9 8 7 6 5 4 3 2 1
10 11 12 13 14 15 16 17 18 19 20 20 19 18 17 16 15 14 13 12 11 10

(from Instrument Panel Wire)

38

HIACE (EWD622E)
Memo

39

HIACE (EWD622E)
F RELAY LOCATIONS
[Center J/B Inner Circuit]

1 6A 14 6C

2 6A 15 6C

3 6A 16 6C

4 6A 17 6C

5 6A 18 6C

6 6A 19 6C

7 6A 20 6C

8 6A 21 6C

1 6B 22 6C

2 6B 6 6D

3 6B 7 6D

4 6B 8 6D

5 6B 9 6D

6 6B 1 6D

7 6B 2 6D

8 6B 3 6D

9 6B 4 6D

10 6B 5 6D

1 6C 13 6D

2 6C 14 6D

3 6C 15 6D

4 6C 16 6D

5 6C 17 6D

6 6C 18 6D

7 6C 19 6D

8 6C 20 6D

9 6C 10 6D

10 6C 11 6D

11 6C 12 6D

12 6C

13 6C

(Cont. Next Page)

40

HIACE (EWD622E)
F

(Cont'd)

4 6E 1 6F

5 6E 2 6F

6 6E 3 6F

7 6E 4 6F

8 6E 5 6F

9 6E 6 6F

10 6E 7 6F

1 6E 8 6F

2 6E 9 6F

3 6E 10 6F

20 6E 11 6F

21 6E 12 6F

22 6E 13 6F

17 6E 14 6F

18 6E 15 6F

19 6E 16 6F

14 6E 17 6F

15 6E 18 6F

16 6E 19 6F

11 6E 20 6F

12 6E

13 6E

41

HIACE (EWD622E)
F RELAY LOCATIONS
Junction Connector Instrument Panel J/B RH Side (See Page 21)

H3 H4 H5
Junction Junction Junction
Connector Connector Connector
H6
Junction
2 2 2
Connector
1 1 1
1

1 1
1 1 1 2 ST-Plug
2 2 2 3

42

HIACE (EWD622E)
F
[Junction Connector Inner Circuit]

H3(A), H4(B), H5(C), H6(D)


Junction Connector

2
A

2
B
2
C

ST-Plug
3

1 2 1 1
A D

1
B

1
C

43

HIACE (EWD622E)

You might also like