KEMBAR78
Stereocoder DIY for Audio Enthusiasts | PDF | Electrical Circuits | Computer Science
0% found this document useful (0 votes)
236 views5 pages

Stereocoder DIY for Audio Enthusiasts

This document describes an analog stereo encoder circuit called the Elektuur Stereocoder. The circuit was originally published in Elektor Plus magazine in Germany and Elektuur magazine in the Netherlands. It generates the 19 kHz and 38 kHz subcarriers needed for FM stereo broadcasting from a digital oscillator and divider. A phase locked loop and phase shifter are used to align the subcarriers. The left and right audio channels are combined into sum and difference signals, and the difference signal is multiplied with the 38 kHz subcarrier before all signals are added to create the multiplex signal. Schematics and block diagrams of the circuit are provided.

Uploaded by

Hoson Ak
Copyright
© © All Rights Reserved
We take content rights seriously. If you suspect this is your content, claim it here.
Available Formats
Download as PDF, TXT or read online on Scribd
0% found this document useful (0 votes)
236 views5 pages

Stereocoder DIY for Audio Enthusiasts

This document describes an analog stereo encoder circuit called the Elektuur Stereocoder. The circuit was originally published in Elektor Plus magazine in Germany and Elektuur magazine in the Netherlands. It generates the 19 kHz and 38 kHz subcarriers needed for FM stereo broadcasting from a digital oscillator and divider. A phase locked loop and phase shifter are used to align the subcarriers. The left and right audio channels are combined into sum and difference signals, and the difference signal is multiplied with the 38 kHz subcarrier before all signals are added to create the multiplex signal. Schematics and block diagrams of the circuit are provided.

Uploaded by

Hoson Ak
Copyright
© © All Rights Reserved
We take content rights seriously. If you suspect this is your content, claim it here.
Available Formats
Download as PDF, TXT or read online on Scribd
You are on page 1/ 5

Elektuur Stereocoder

Elektuur-Stereocoder
This design originally comes from Elektro Sonderheft Hochfrequenz 1 (Elektor Plus 18) in Germany, but it was also published in
the Dutch version Elektuur in May 1993 (Number 355) pages 66-75. The stereocoder was published together with a three stages
transmitter that can deliver 150mW (see picture at the right). However this transmitter is very difficult to build, because all coils
have to be made handmade (and are not ordinary coils). Therefore only the stereocoder part is described here. The stereocoder pcb
could be ordered by Elektuur using number 920155, but the print is not for sale anymore. After searching the internet it turns out
that Geist Electronic Germany still sells the complete kit. But be aware that the kit costs 128 EURO, which is around $114US. The
PCB costs 42 EURO, which is around $38US. Some images on this page come from Bauanleitungen fur UKW-Kleinsender.

Screenshot from pricelist at 9-10-2001

This stereocoder is devided in several blocks (see figure below). A digital quartz oscillator makes the 19[kHz] and the 38[kHz] in combination with a divider. Both 19[kHz] and 38[kHz]
signals are then passed through filters that convert the blockwaves into sinus waves. After those filters a Phase Locked Loop (PLL) in combination with a phaseshifter shifts away phase-
differences between both signals.

http://www.pulsarfm.nl/elekcoder.htm (1 of 5)11-2-2005 1:00:13


Elektuur Stereocoder

Blockscheme of the stereocoder

Both right and left channel signals first go into a Pre-Emphasis-Network, after which they are added (L+R) and substracted (L-R). After this the L-R signal is multiplied with the 38[kHz]
signal (DSSC-signal). An adder adds the 19[kHz], the L+R signal and the DSSC-signal which makes up the MPX signal.

19[kHz] and 38[kHz] signals (left) and MPX signal without pilottone (right)

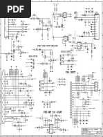
The complete schematic looks as follows. Note that the two XR2208 have different purpose: IC3 is the PLL and IC6 the analog multiplexer.

http://www.pulsarfm.nl/elekcoder.htm (2 of 5)11-2-2005 1:00:13


Elektuur Stereocoder

http://www.pulsarfm.nl/elekcoder.htm (3 of 5)11-2-2005 1:00:13


Elektuur Stereocoder

http://www.pulsarfm.nl/elekcoder.htm (4 of 5)11-2-2005 1:00:13


Elektuur Stereocoder

http://www.pulsarfm.nl/elekcoder.htm (5 of 5)11-2-2005 1:00:13

You might also like