KEMBAR78
Tutorial 3 | PDF | Electrical Network | Electronic Circuits
0% found this document useful (0 votes)
143 views2 pages

Tutorial 3

This document provides tutorial problems on basic electrical engineering concepts involving mesh analysis, Kirchhoff's laws, and nodal analysis. It includes 12 problems analyzing circuits with multiple resistors and voltage sources and calculating values like current and power. Diagrams of the circuit are provided for each problem.

Uploaded by

dareludum
Copyright
© © All Rights Reserved
We take content rights seriously. If you suspect this is your content, claim it here.
Available Formats
Download as PDF, TXT or read online on Scribd
0% found this document useful (0 votes)
143 views2 pages

Tutorial 3

This document provides tutorial problems on basic electrical engineering concepts involving mesh analysis, Kirchhoff's laws, and nodal analysis. It includes 12 problems analyzing circuits with multiple resistors and voltage sources and calculating values like current and power. Diagrams of the circuit are provided for each problem.

Uploaded by

dareludum
Copyright
© © All Rights Reserved
We take content rights seriously. If you suspect this is your content, claim it here.
Available Formats
Download as PDF, TXT or read online on Scribd
You are on page 1/ 2

Basic Electrical Engineering

Tutorial No # 3
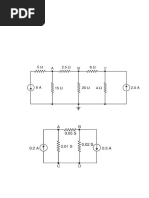
1. Using mesh analysis, obtain the current through the 10 V batteries for the circuit shown in fig 1. [Ans: 4.91 A]
2. What is the power loss in the 10 Ω resistors in the network shown in fig 2, Use mesh method. [Ans: 15.13 W]

1Ω 10 Ω
1Ω
Fig 2
2Ω 2Ω
10 V 3Ω
1A
8Ω 5Ω

Fig 1 2Ω
15 V

3. Determine the current through the resistors using mesh method for the network shown in fig 3. [Ans: 1.73 A, 1.68
A, 0.05 A, 2.95 A]
4. Using Mesh analysis, find the current flow through the 50 V source in the network of fig 4. [Ans: 5.48 A]

5Ω
3A
50 V 3Ω
5Ω 6Ω
2Ω 10 A 10 V
12 V 6V 2Ω

1Ω Fig 3 Fig 4

5. Determine the power output of each voltage source, using Kirchhoff’s laws for the network shown in fig 5.
[Ans: 3.7 W, 1.15 W, 1.45 W]
6. Determine the current in 10 Ω, by applying Maxwell’s loop current method in the network shown in fig 6.
[Ans: 0.4023 A]

3Ω 7Ω 10 Ω
3Ω
5Ω
5V 20 Ω 30 Ω
2Ω
5Ω

40 Ω 40 Ω
10 V 5Ω 50 Ω
5Ω
5V 100 V 50 V

5Ω

Fig 5 Fig 6

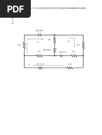
7. Calculate the voltage across AB in the circuit shown in fig 7 and indicate the polarity of voltage. [Ans: 3.5 V]
8. Use mesh analysis to determine i1, i2, i3 in fig 8. [Ans: 3.474 A, 0.473 A, 1.1052 A]
6Ω A
2Ω 2Ω
i3
10 V
5Ω
6V i 4Ω
2Ω
1
3A
2Ω 2Ω
i2 8Ω

B 1Ω
6Ω
Fig 8
Fig 7

9. Using nodal method, find the current through 100 Ω. Fig 7 [Ans: 311.8 mA]
10. In the network configuration of fig 8, find the current and voltage drops through 5 Ω resistors . [Ans: 1 A, 5V]

4Ω
20 Ω 30 Ω
5Ω
2A
100 Ω 20 V 1Ω 2Ω
50 V
120 Ω 1A

Fig 9
Fig 10

11. Using Nodal method, find the battery currents in the circuit of fig 9. [Ans: 0.925 A; 2.225 A; 0.706 A]
12. Using Nodal method find the current through the resistors in the circuit configuration of fig (10). [Ans:
3.6 A; 0.375 A; 2.76A; 3.63A]

1Ω 6A
2Ω
1Ω
5Ω
5V

2Ω 4Ω
2Ω 2Ω
3Ω
2Ω
5V 1Ω 2V
4A
5V
5V
2Ω 2Ω

Fig 11 Fig 12

You might also like