KEMBAR78
Mudbunny ExtraBOM | PDF | Passenger Rail Transport | Rail Transport
0% found this document useful (0 votes)
25 views5 pages

Mudbunny ExtraBOM

Uploaded by

arnaudded
Copyright
© © All Rights Reserved
We take content rights seriously. If you suspect this is your content, claim it here.
Available Formats
Download as PDF, TXT or read online on Scribd
0% found this document useful (0 votes)
25 views5 pages

Mudbunny ExtraBOM

Uploaded by

arnaudded
Copyright
© © All Rights Reserved
We take content rights seriously. If you suspect this is your content, claim it here.
Available Formats
Download as PDF, TXT or read online on Scribd
You are on page 1/ 5

Mudbunny_ExtraBOM

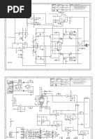
These BOMs were taken from previous versions of the Mudbunny and
updated to shown the additional parts on the 2020 version as well as the
component renaming. They should be accurate but it never hurts to double
check against the many schematics out there. Not shown are the DIP switch
and DPDT switch.

Civil War
Resistors Caps Diodes
R1 1M C1 100n D1 - D4 1n914
R2 39K C2 430p D5 1N4001
R3 100K C3 100n Transistors
R4 470K C4 100n Q1 - Q4 Si
R5 390R C5 430p Pots
R6 12K C6 47n SUS 100kB
R7 1K C7 100n TONE 100kB
R8 10K C8 430p VOL 100kB
R9 100K C9 47n
R10 470K C10 100n
R11 390R C11 4n7
R12 12K C12 10n
R13 10K C13 3n9
R14 100K C14 10n
R15 470K C15 100n
R16 390R C16 100n
R17 12K C17 100uF
R18 22K C18 100n
R19 20K
R20 47k
R21 47k
R22 470K
R23 100K
R24 10K
R25 2K7
R26 100R
R27 4k7
Mudbunny_ExtraBOM

Creamy Dreamer
Resistors Caps Diodes
R1 1M C1 100n D1 - D4 1n914
R2 33k C2 560pF D5 1N4001
R3 82k C3 100n Transistors
R4 470k C4 100n Q1 - Q4 Si
R5 jumper C5 560pF Pots
R6 22k C6 50n SUS 100kB
R7 1k C7 100n TONE 100kB
R8 15k C8 560pF VOL 100kB
R9 82k C9 50n
R10 470k C10 100n
R11 jumper C11 4n7
R12 22k C12 10n
R13 15k C13 4n
R14 82k C14 10n
R15 470k C15 100n
R16 jumper C16 100n
R17 22k C17 100uF
R18 39k C18 100n
R19 39k
R20 47k
R21 47k
R22 470k
R23 100k
R24 22k
R25 2k2
R26 100R
R27 4k7

madbeanpedals
Mudbunny_ExtraBOM

Green Russian
Resistors Caps Diodes
R1 1M C1 100n D1 - D4 1n914
R2 39K C2 470p D5 1N4001
R3 100K C3 100n Transistors
R4 470K C4 100n Q1 - Q4 Si
R5 390R C5 470p Pots
R6 12K C6 47n SUS 100kB
R7 1K C7 100n TONE 100kB
R8 10K C8 470p VOL 100kB
R9 100K C9 47n
R10 470K C10 100n
R11 390R C11 4n7
R12 12K C12 10n
R13 10K C13 3n9
R14 100K C14 10n
R15 470K C15 100n
R16 390R C16 100n
R17 12K C17 100uF
R18 22K C18 100n
R19 20K
R20 47k
R21 47k
R22 470K
R23 100K
R24 10K
R25 2K
R26 100R
R27 4k7

madbeanpedals
Mudbunny_ExtraBOM

Skreddy Mayo
Resistors Caps Diodes
R1 1M C1 100n D1 - D4 1n914
R2 33k C2 500pF D5 1N4001
R3 100k C3 100n Transistors
R4 470k C4 100n Q1 - Q4 Si
R5 100R C5 500pF Pots
R6 18k C6 100n SUS 100kB
R7 820R C7 100n TONE 100kB
R8 8k2 C8 500pF VOL 100kB
R9 100k C9 100n
R10 470k C10 100n
R11 100R C11 4n7
R12 10k C12 10n
R13 8k2 C13 4n
R14 100k C14 10n
R15 470k C15 100n
R16 100R C16 100n
R17 18k C17 100uF
R18 33k C18 100n
R19 33k
R20 47k
R21 47k
R22 390k
R23 100k
R24 10k
R25 2k7
R26 100R
R27 4k7

madbeanpedals
Mudbunny_ExtraBOM

Triangle
Resistors Caps Diodes
R1 1M C1 100n D1 - D4 1n914
R2 3K3 C2 omit D5 1N4001
R3 82K C3 100n Transistors
R4 390K C4 100n Q1 - Q4 Si
R5 820R C5 560p Pots
R6 22K C6 50n SUS 100kB
R7 1K C7 100n TONE 100kB
R8 8K2 C8 560p VOL 100kB
R9 omit C9 50n
R10 390K C10 100n
R11 150R C11 4n7
R12 12K C12 10n
R13 8K2 C13 4n
R14 82K C14 10n
R15 390K C15 100n
R16 820R C16 100n
R17 22K C17 100uF
R18 39K C18 100n
R19 39K
R20 47k
R21 47k
R22 390K
R23 100K
R24 12K
R25 2K7
R26 100R
R27 4k7

madbeanpedals

You might also like