KEMBAR78
DLC3 | PDF | Vehicles | Automotive Technologies
0% found this document useful (0 votes)
262 views5 pages

DLC3

altis 2017
Copyright
© © All Rights Reserved
We take content rights seriously. If you suspect this is your content, claim it here.
Available Formats
Download as PDF, TXT or read online on Scribd
0% found this document useful (0 votes)
262 views5 pages

DLC3

altis 2017
Copyright
© © All Rights Reserved
We take content rights seriously. If you suspect this is your content, claim it here.
Available Formats
Download as PDF, TXT or read online on Scribd
You are on page 1/ 5

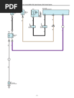
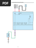
DLC3

(BAT)

7. 5A
OBD

Junction Connector
22 3D

No. 2 CAN
G

BE

W
E13
16 DLC3 6 14
BAT CANH CANL

CG SG TS TC TAC
4 5 12 13 9
W–B

GR
BR

SB

15 AE2 (∗5)
7 AE2 (∗6)
BR

3 AE7 (∗5)
7 BA2 (∗5) 11 AE7 2 AE7 (∗6)
13 BA2 (∗6)
GR
P

23 A 31 A (∗5 ∗1)
33 A 31 A (∗6 ∗1)
6 B 41 C 15 C (∗2)
TS 27 C 15 C (∗3)
TC TACH
BR

E40(B) A40(A), A56(C)


Power Steering ECM
ECU Assembly

ED BA

-1-
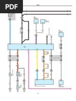
DLC3

∗ 1 : 2ZR–FE
∗ 2 : 1ZR–FE
∗ 3 : 2NZ–FE
∗ 4 : w/ Immobiliser System
∗ 5 : Before Jul. 2017 Production
∗ 6 : From Jul. 2017 Production
∗ 7 : w/ Smart Entry & Start System
∗ 8 : w/o Smart Entry & Start System
∗ 9 : w/ Headlight Beam Level Control
∗10 : w/o Headlight Beam Level Control

E13
DLC3

SIL LVL
7 8
(∗8 ∗9)

(∗7 ∗9)

(∗9)
LG

LG

Y
No. 7 Junction

1
Connector

2
E81

3
(∗8 ∗4 ∗10)

(∗8 ∗4 ∗9)

(∗8 ∗9)
LG

LG

LG

2 AE2 8 AE2
(∗9)

(∗9)
LG

9 15 5
D PRST INIT

E99 A60
Transponder Key Headlight Leveling ECU Assembly
ECU Assembly

-2-
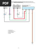
DLC3

A40
Black

1 2 3 4 5 6 7 8 9 10 11 12 13
22 23 24 25 26
14 15 16 17 18 19 20 21
27 28 29 30 31
32 33 34 35 36 37 38 39 40 41 42 43 44 45 46
47 48 49 50 51 52 53 54 55 56 57 58 59 60

90980-12931

A56 A60
Black White

1 2 3 4 5 6 7 8 9
1 2 3 4 5 6 7 8 9 10 11
10 11 12 13 14 15 16 17 18 19 20 21 22 23 24
12 13 14 15 16 17 18 19
20 21 22 23 24 25 26 27 28 29 30

90980-12404
31 32 33 34 35 36 37 38 39 40 41
42 43 44 45 46 47 48 49
50 51 52 53 54 55 56 57 58 59 60

90980-12461

E13 E40
White Black

1 2 3 4
16 15 14 13 12 11 10 9 5 6 7 8

9 10
8 7 6 5 4 3 2 1

90980-12898

90980-11665

-3-
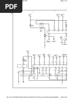
DLC3

E81
White

1 2 3 4 5 6 7 8 9 10 11

12 13 14 15 16 17 18 19 20 21 22

90980-12372
(Before Jul. 2017 Production )

E81 E99
Blue Black

1 2 3 4 5

6 7 8 9 10 11 12 13 14 15 16
1 2 3 4 5 6 7 8 9 10 11

12 13 14 15 16 17 18 19 20 21 22

90980-12423

90980-12372
( From Jul. 2017 Production)

3D
White

1 2 3 4 5 6 7 8 9 10 11 12

13 14 15 16 17 18 19 20 21 22 23 24 25 26 27 28 29 30

31 32 33 34 35 36 37 38 39 40 41 42 43 44 45 46 47 48

90980-12887

AE2
White

11 10 9 8 7 6 5 4 3 2 1
1 2 3 4 5 6 7 8 9 10 11
18 17 16 15 14 13 12
12 13 14 15 16 17 18

90980-12742
90980-12743

-4-
DLC3

AE7 BA2
Gray White

9 8 7 6 5 4 3 2 1 6 5 4 3 2 1
1 2 3 4 5 6 7 8 9 1 2 3 4 5 6
18 17 16 15 14 13 12 11 10 12 11 10 9 8 7
10 11 12 13 14 15 16 17 18 7 8 9 10 11 12

13 14 15 16 17 18 18 17 16 15 14 13

90980-12412
90980-12411
90980-12745
90980-12744

-5-

You might also like