KEMBAR78
ECM Connectors and Pin-Out 2.0 | PDF
0% found this document useful (0 votes)
534 views2 pages

ECM Connectors and Pin-Out 2.0

This document provides a connector assignment chart for the ME-SFI gasoline injection and ignition system used on various Mercedes engine models. The chart lists the component or circuit associated with each connector terminal letter/number combination.

Uploaded by

kisimba fabrice
Copyright
© © All Rights Reserved
We take content rights seriously. If you suspect this is your content, claim it here.
Available Formats
Download as PDF, TXT or read online on Scribd
0% found this document useful (0 votes)
534 views2 pages

ECM Connectors and Pin-Out 2.0

This document provides a connector assignment chart for the ME-SFI gasoline injection and ignition system used on various Mercedes engine models. The chart lists the component or circuit associated with each connector terminal letter/number combination.

Uploaded by

kisimba fabrice
Copyright
© © All Rights Reserved
We take content rights seriously. If you suspect this is your content, claim it here.
Available Formats
Download as PDF, TXT or read online on Scribd
You are on page 1/ 2

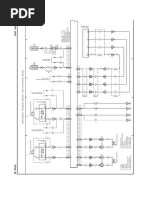
AD07.

61-P-2000-02A Connector assignment for ME-SFI gasoline


injection and ignition system

1A Oxygen sensor heating for Oxygen


sensor upstream of TWC on left
2A Voltage supply for terminal 87
fused (RM)
3A Ground
Model 129 module housing
bracket W27
Model 163 major assemblies
compartment W16
Models 202/208/210 major
assemblies compartment W16/6
4A -
5A Oxygen sensor heating for
Oxygen sensor upstream of
P07.61-0251-04
TWC on right

6A Suction-type fan control 2B Oxygen sensor heating for oxygen 25C Pedal value sensor (slider for
7A Ground sensor downstream of TWC on set value potentiometer 2)
Model 129 module housing left (only and EURO3) 26C Pedal value sensor
bracket W27 3B Programming connection (- set value potentiometer 2)
Model 163 major assemblies (diagnostic socket) 27C Pedal value sensor
compartment W16 4B Voltage supply (+2.5 V set value
Models 202/208/210 major (terminal 30) potentiometer 2)
assemblies compartment W16/6 1C-20C - 28C Air pump relay (only and
8A Ground 21C Purge control valve EURO3)
Model 129 module housing bracket 22C Pedal value sensor 29C Fuel pump relay
W27 (+5 V set value potentiometer 1) 30C -
Model 163 major assemblies 23C Pedal value sensor 31C Oxygen sensor ground upstream
compartment W16 (- set value potentiometer 1) of TWC on right
Models 202/208/210 major 24C Pedal value sensor (slider for 32C Oxygen sensor signal upstream
assemblies compartment W16/6 set value potentiometer 1) of
1B Oxygen sensor heating for TWC on right
oxygen sensor downstream 33C Oxygen sensor signal upstream
of TWC on right (only of
and TWC on left
EURO3) 34C Oxygen sensor ground upstream of
TWC on left
35C-37

38C Test connector for diagnosis


(engine speed signal)
39C Test connector for diagnosis
(ME-SFI injection system)
40C Terminal 50 signal

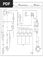
1D Fuel pump relay


2D Activated charcoal canister
shutoff valve (only )
3D Starter relay
4D Ground for tank pressure sensor
(only )
5D Signal for tank pressure sensor
(only ) P07.61-0252-04
6D Voltage supply 5 V for sensor
Tank pressure (only )

7D Oxygen sensor ground downstream 16D Crash signal (as of 06/98) 24D CC pushbutton switch (Off) only
of TWC on right (only and 17D Kickdown switch (MT only as of without DAS 3
EURO3) 06/98) 1E Fuel injector
8D Oxygen sensor signal 18D- cylinder 2
downstream of TWC on 19D Clutch pedal switch for MT 2E Fuel injector
right (only and EURO3) 19D P/N detection for AT cylinder 5
9D Oxygen sensor signal 20D CC pushbutton switch 3E-4E -
downstream of TWC on left (accelerate, set) only 5E EGR transducer
(only and EURO3) without
10D Oxygen sensor ground DAS 3
downstream of TWC on left 21D CC pushbutton switch
(only and EURO3) (decelerate, set) only
11D Data bus (CAN) "H" without DAS 3
12D Data bus (CAN) "L" 22D CC pushbutton switch (resume
13D Variable speed limiting only stored speed) only without
without DAS 3 DAS 3
14D Reversing light switch 23D CC pushbutton switch (control

© Daimler AG, 4/19/20, L/10/19, ad07.61-p-2000-02a, Connector assignment for ME-SFI gasoline injection and ignition system Page 1 of 2
ENGINE 112.910, 112.911 up to 31.5.00, 112.920, 112.921 up to 31.5.00, 112.923, 112.940 /941 /942 up to 31.5.00, 112.943
15D- switching contact) only without
DAS 3

6E-9E -
10E Secondary air injection switchover
valve (only and EURO3)
11E -
12E Variable intake manifold
switchover valve
13E Fuel injector
cylinder 3
14E Fuel injector
cylinder 6
15E Voltage supply 5 V for
oil sensor (oil level/temperature/
quality)
16E Ground for oil sensor
(oil level/temperature/quality)
17E Signal for oil sensor
(oil level/temperature/quality)

P07.61-0253-05

18E-21E - 27E Air pump relay (only and 33E Voltage supply for
22E Voltage supply 5 V for EURO3) actual value potentiometer
pressure sensor (only ) 28E Ground for temperature sensor 34E Actuator: actual value
23E Signal for pressure sensor (only ) of coolant potentiometer 2 (slider)
24E Ground for pressure sensor (only ) 29E Signal for temperature sensor of 35E-36E -
25E Fuel injector coolant 37E Ground for crankshaft sensor
cylinder 1 30E - 38E Signal for crankshaft sensor
26E Fuel injector 31E Actuator: actual value 39E Ground for camshaft sensor
cylinder 4 potentiometer 1 (slider) 40E Signal for camshaft sensor
32E Actuator: Ground
actual value potentiometer

41E Ground for knock sensor, right


bank of cylinders
42E Signal for knock sensor, right
bank of cylinders
43E Ground for knock sensor, left
bank of cylinders
44E Signal for knock sensor, left
bank of cylinders
45E Temperature sensor for intake air
(in the mass air flow
sensor)
46E Voltage supply for
mass air flow sensor 5 V
P07.61-0254-04

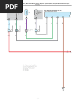
47E Signal for mass air flow sensor 9F-12F -


48E Ground for mass air flow sensor 13F Ignition coil T1/4 a cylinder 4
14F Ignition coil T1/4 b cylinder 4
1F Actuator (-) 15F Ground
2F Actuator (+) Model 129 module housing
3F - bracket W27
4F Ignition coil T1/5 b cylinder 5 Model 163 major assemblies
5F Ignition coil T1/5 a cylinder 5 compartment W16
6F Ignition coil T1/3 a cylinder 3 Models 202/208/210 major
7F Ignition coil T1/3 b cylinder 3 assemblies compartment W16/6
8F Ground 16F Ignition coil T1/2 b cylinder 2
Model 129 module housing 17F Ignition coil T1/2 a cylinder 2
bracket W27 18F Ignition coil T1/6 b cylinder 6
Model 163 major assemblies 19F Ignition coil T1/6 a cylinder 6
compartment W16 20F Ignition coil T1/1 a cylinder 1
Models 202/208/210 major 21F Ignition coil T1/1 b cylinder 1
assemblies compartment W16/6

© Daimler AG, 4/19/20, L/10/19, ad07.61-p-2000-02a, Connector assignment for ME-SFI gasoline injection and ignition system Page 2 of 2
ENGINE 112.910, 112.911 up to 31.5.00, 112.920, 112.921 up to 31.5.00, 112.923, 112.940 /941 /942 up to 31.5.00, 112.943

You might also like