KEMBAR78
10W Audio Amplifier With Bas | PDF | Resistor | Capacitor
0% found this document useful (0 votes)
71 views3 pages

10W Audio Amplifier With Bas

The document provides detailed circuit diagrams and parts lists for a 10W audio amplifier with bass-boost and a tone control module. It includes specifications for various components such as resistors, capacitors, transistors, and integrated circuits. Additionally, it outlines the power supply requirements and alternative tone control options.

Uploaded by

user akun75
Copyright
© © All Rights Reserved
We take content rights seriously. If you suspect this is your content, claim it here.
Available Formats
Download as DOCX, PDF, TXT or read online on Scribd
0% found this document useful (0 votes)
71 views3 pages

10W Audio Amplifier With Bas

The document provides detailed circuit diagrams and parts lists for a 10W audio amplifier with bass-boost and a tone control module. It includes specifications for various components such as resistors, capacitors, transistors, and integrated circuits. Additionally, it outlines the power supply requirements and alternative tone control options.

Uploaded by

user akun75
Copyright
© © All Rights Reserved
We take content rights seriously. If you suspect this is your content, claim it here.
Available Formats
Download as DOCX, PDF, TXT or read online on Scribd
You are on page 1/ 3

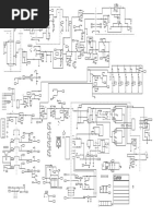
10W Audio Amplifier with Bass-boost

Circuit diagram:
Parts:
P1_________________22K Log.Potentiometer (Dual-gang for stereo)
P2________________100K Log.Potentiometer (Dual-gang for stereo)
R1________________820R 1/4W Resistor
R2,R4,R8____________4K7 1/4W Resistors
R3________________500R 1/2W Trimmer Cermet
R5_________________82K 1/4W Resistor
R6,R7______________47K 1/4W Resistors
R9_________________10R 1/2W Resistor
R10__________________R22 4W Resistor (wirewound)

C1,C8_____________470nF 63V Polyester Capacitor


C2,C5_____________100µF 25V Electrolytic Capacitors
C3,C4_____________470µF 25V Electrolytic Capacitors
C6_________________47pF 63V Ceramic or Polystyrene Capacitor
C7_________________10nF 63V Polyester Capacitor
C9________________100nF 63V Polyester Capacitor

D1______________1N4148 75V 150mA Diode

IC1_____________NE5532 Low noise Dual Op-amp

Q1_______________BC547B 45V 100mA NPN Transistor


Q2_______________BC557B 45V 100mA PNP Transistor
Q3_______________TIP42A 60V 6A PNP Transistor
Q4_______________TIP41A 60V 6A NPN Transistor
J1__________________RCA audio input socket
Power supply parts:
R11_________________1K5 1/4W Resistor

C10,C11__________4700µF 25V Electrolytic Capacitors

D2________________100V 4A Diode bridge


D3________________5mm. Red LED

T1________________220V Primary, 12 + 12V Secondary 24-30VA Mains transformer

PL1_______________Male Mains plug


SW1_______________SPST Mains switch

Tone Control Module circuit diagram:


Parts:
R1,R7___________47K 1/4W Resistors
R2_____________220K 1/4W Resistor
R3______________18K 1/4W Resistor
R4_____________330R 1/4W Resistor
R5______________39K 1/4W Resistor
R6______________56R 1/4W Resistor
R8_____________150R 1/4W Resistor
R9______________10K 1/4W Resistor
R10,R16__________6K8 1/4W Resistors
R11,R12________100R 1/4W Resistors
R13____________100K 1/4W Resistor
R14______________1K5 1/4W Resistor
R15,R21,R22______4K7 1/4W Resistors
R17,R24,R26______8K2 1/4W Resistors
R18______________3K3 1/4W Resistor
R19______________1K 1/4W Resistor
R20____________470R 1/4W Resistor
R23,R25_________12K 1/4W Resistors
R27,R28__________4K7 1/4W Resistors
C1_____________220nF 63V Polyester Capacitor
C2_______________1nF 63V Polyester or ceramic Capacitor
C3,C6___________47µF 50V Electrolytic Capacitors
C4,C5__________100µF 50V Electrolytic Capacitors
C7______________10nF 63V Polyester Capacitor
C8,C9__________100nF 63V Polyester Capacitors
Q1,Q2______BC550C 45V 100mA Low noise High gain NPN Transistors
Q3_________BC556 65V 100mA PNP Transistor
Q4_________BC546 65V 100mA NPN Transistor
SW1,SW2____2 poles 6 ways Rotary Switches
Simpler, alternative Tone Control parts:
P1______________22K Linear Potentiometer
P2______________47K Linear Potentiometer
R29,R30________470R 1/4W Resistors
R31,R32__________4K7 1/4W Resistors

C10_____________10nF 63V Polyester Capacitor


C11,C12________100nF 63V Polyester Capacitors

You might also like