KEMBAR78
Control Unit | PDF | Exhaust Gas | Transportation Engineering
0% found this document useful (0 votes)
815 views13 pages

Control Unit

The document provides an overview of system components for an overall vehicle network, listing various components with their corresponding codes. It includes over 100 components across many vehicle systems.

Uploaded by

gourav chauhan
Copyright
© © All Rights Reserved
We take content rights seriously. If you suspect this is your content, claim it here.
Available Formats
Download as PDF, TXT or read online on Scribd
0% found this document useful (0 votes)
815 views13 pages

Control Unit

The document provides an overview of system components for an overall vehicle network, listing various components with their corresponding codes. It includes over 100 components across many vehicle systems.

Uploaded by

gourav chauhan
Copyright
© © All Rights Reserved
We take content rights seriously. If you suspect this is your content, claim it here.
Available Formats
Download as PDF, TXT or read online on Scribd
You are on page 1/ 13

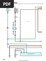
GF00.19-P-9997GN Overview of system components for overall network (GVN) 17.12.

2018

Model 166
as of model year 2016
Model 292

P00.19-5851-79

Shows model 166.0

A1 Instrument cluster N30/4 Electronic Stability Program control unit


A2 Radio (with CODE (505) Radio 20 NTG5 non- N32/1 Driver's seat control unit (with code 275 (Memory
navigation-capable or CODE (522) (Audio 20 radio)) Package) connected via interior CAN (CAN B), without
code 275 (Memory Package) connected via center
console switch LIN (LIN B12))
A6n1 Stationary heater control unit (with code 228 (Stationary N32/2 Front passenger seat control unit (with code P64
heater)) (Memory Package) connected via interior CAN (CAN B),
without code P64 (Memory Package) connected via
center console switch LIN (LIN B12))
A40/3 COMAND controller unit (with code 531 (COMAND N32/29 Driver multicontour seat control unit (with CODE 399
APS)) (Front multicontour seats with massage function))
A40/4 DVD player (with code 864 (Rear Entertainment Seat N32/30 Front passenger multicontour seat control unit (with
system)) CODE 399 (Front multicontour seats with massage
function))
A40/5 Left rear display (with code 864 (Rear Seat N37/5 Left NOx sensor control unit (with engine 276.9 with
Entertainment system)) code 920 (Gasoline direct injection with stratified
charge))
A40/6 Right rear display (with code 864 (Rear Seat N37/6 Right NOx sensor control unit (with engine 276.9 with
Entertainment system)) code 920 (Gasoline direct injection with stratified
charge))
A40/8 Audio/COMAND display N37/7 NOx sensor control unit downstream of diesel particulate
filter (engine 642.8, engine 651.9 with code U77
(BLUETEC (SCR) diesel exhaust gas cleaning))
A40/9 Audio/COMAND control panel N37/8 NOx sensor control unit downstream of SCR catalytic
converter (engine 642.8, engine 651.9 with code U77
(BLUETEC (SCR) diesel exhaust gas cleaning))
A40/11 Multifunction camera (with code 22P (Lane Tracking N40/3 Sound system amplifier control unit (with code 810
Package), code 513 (Traffic Sign Assist), code 640 (Sound system) located under driver's seat, with code
(High Performance LED) or code 641 (Dynamic LED 811 (Advanced sound system) located in left spare
headlamps, left-hand traffic) or code 642 (Dynamic LED wheel well)
headlamps, right-hand traffic))
A40/13 Stereo multifunction camera (with code 23P (Driving N51/3 AIRmatic control unit (with CODE 489 (AIRmatic))
assistance package), code 513 (Traffic Sign Assist),
code 640 (High Performance LED) or code 641
(Dynamic LED headlamps, left-hand traffic) or code 642
(Dynamic LED headlamps, right-hand traffic))
A76 Left front reversible emergency tensioning retractor N51/6 Active roll stabilization control unit (with CODE 468
(ACTIVE CURVE SYSTEM))
© Daimler AG, 5/27/19, X/05/19, gf00.19-p-9997gn, Overview of system components for overall network (GVN) Page 1 of 13
Model 166 as of model year 2016 Model 292
A76/1 Right front reversible emergency tensioning retractor N62 Parking system control unit (with code 235 (Active
Parking Assist with PARKTRONIC))
A89 DISTRONIC electric controller unit (with code (239) N62/1 Radar sensors control unit (with CODE 23P (Driving
DISTRONIC PLUS) Assistance package))
A90 COLLISION PREVENTION ASSIST controller unit (with N68 Electrical power steering control unit
code 258 (Collision Prevention Assist))
A90/4 Tuner unit (with code 536 (SIRIUS satellite radio) or N69/1 Left front door control unit
code 537 (Digital radio (DAB)) or code 865 (TV tuner))
A98 Panoramic sliding sunroof control module (with CODE N69/2 Right front door control unit
413 (Panoramic sliding sunroof))
A98n1 Panoramic sliding sunroof control unit (with code 413 N69/3 Left rear door control unit
(Panoramic sliding sunroof))
A98/1 Sliding roof control module (with CODE 414 (Sliding N69/4 Right rear door control unit
roof))
A105 Touchpad (with code 531 (COMAND APS)) N69/5 KEYLESS-GO control unit (with CODE 889 (KEYLESS-
GO ) or CODE 893 (KEYLESS-GO start function))
B24/15 Yaw rate sensor for lateral and longitudinal acceleration N70 Overhead control panel control unit
B84/3 Reversing camera (with CODE 218 (Reversing camera)) N72 Lower control panel control unit
B92 Front long-range radar sensor (with CODE 23P (Driving N72/1 Upper control panel control unit
Assistance package))
B92/1 Center rear bumper radar sensor (with CODE 23P N72/2 RCP control unit (with code 581 (Automatic air
(Driving Assistance package)) conditioning) or code 872 (Seat heating in rear))
B92/3 Left front bumper radar sensor (with CODE 23P (Driving N73 Electronic ignition switch control unit
Assistance package))
B92/4 Right front bumper radar sensor (with CODE 23P N74 Soot particulate sensor control unit (engine 642.8, 651.9
(Driving Assistance package)) with code U77 (BLUETEC (SCR) diesel exhaust gas
cleaning) and code 460 (Canada version) or code 494
(USA version), engine 642.8 as of model year 2018 with
code 927 (Emissions standard EU6) or code 935
(SULEV technology exhaust gas cleaning))
B92/6 Right outer rear bumper integrated radar sensor (with N80 Steering column module control unit
CODE22P (Lane package))
B92/7 Right outer rear bumper radar sensor (with CODE 23P N82/2 Battery management system control unit (model 166.063)
(Driving Assistance package))
B92/10 Left outer rear bumper radar sensor (with CODE 23P N83/1 DC/DC converter control unit (model 166.063)
(Driving Assistance package))
B92/11 Left outer rear bumper integrated radar sensor (with N83/5 Charger (model 166.063)
CODE 22P(Lane package))
E1n7 Left front actuation module, LED exterior lighting (with N88 Tire pressure monitor control unit (with CODE 475 (Tire
CODE 640 (High-performance LED) or CODE 641 pressure monitor))
(DYNAMIC LEFT-HAND TRAFFIC LED HEADLAMP) or
CODE 642 (DYNAMIC RIGHT-HAND TRAFFIC LED
HEADLAMP)
E1n9 Left headlamp control unit (with CODE 640 (High N93/7 Chassis gateway control unit (with CODE 23P (Driving
Performance LED) or CODE 641 (DYNAMIC LED Assistance Package))
HEADLAMP, LEFT-HAND TRAFFIC) or CODE 642
(DYNAMIC LED HEADLAMP, RIGHT-HAND TRAFFIC))
E2n7 Right front actuation module, LED exterior lighting (with N110 Weight sensing system (WSS) control unit (with code
CODE 640 (High-performance LED) or CODE 641 U10 (Automatic front passenger airbag shutoff))
(DYNAMIC LEFT-HAND TRAFFIC LED HEADLAMP) or
CODE 642 (DYNAMIC RIGHT-HAND TRAFFIC LED
HEADLAMP)
E2n9 Right headlamp control unit (with CODE 640 (High N112/2 Telematics services communication module (with code
Performance LED) or CODE 641 (DYNAMIC LED 05U (Remote Online), code 06U (Mercedes connect me
HEADLAMP, LEFT-HAND TRAFFIC) or CODE 642 basic services), code 350 (eCall Europe emergency call
(DYNAMIC LED HEADLAMP, RIGHT-HAND TRAFFIC)) system) or code B54 (Live Traffic Information))
N2/10 Supplemental restraint system control unit N112/9 HERMES control unit (with code 360 (HERMES UMTS)
or code 362 (HERMES LTE))
N3/9 CDI control unit (diesel engine, with engine 642.8 N118 Fuel pump control unit
positioned on right, with engine 651.9 positioned at
center)
N3/10 ME-SFI [ME] control unit (gasoline engine, with engine N118/5 AdBlue® control unit (engine 642.8, engine 651.9 with
276.9, located on the left, with engine 157, 276.8, 278 code U77 (BLUETEC (SCR) diesel exhaust gas
centrally located) cleaning))
N10 SAM control unit N121/1 Liftgate control unit (with CODE 890 (EASY-PACK
liftgate))
N10/8 Rear control unit N123/4 Emergency call system control unit (with code 348
(Emergency call/Assist system))
N15/7 Transfer case control unit (with code 430 (On & off-road N127 Powertrain control unit (model 166.063)
package))
N22/7 Automatic air conditioning control and operating unit N128 Electric parking brake control unit
N26/6 ATA/tow-away protection/interior protection control unit N129/1 Power electronics control unit (model 166.063)
(with code 551 (Anti-theft alarm system (ATA)))
N26/14 Special vehicle multifunction control unit (MSS) (with N148 360° camera control unit (with code 501 (360° camera))
CODE Z17 (Heated windshield) and CODE Z22 (Panic
alarm system (PAS)))
N28/1 Trailer recognition control unit (with code 550 (Trailer Y3/8n4 Fully integrated transmission control control unit
hitch))

© Daimler AG, 5/27/19, X/05/19, gf00.19-p-9997gn, Overview of system components for overall network (GVN) Page 2 of 13
Model 166 as of model year 2016 Model 292
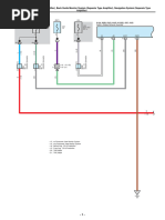
P00.19-A072-79

Shown on model 166.8

A1 Instrument cluster N26/14 Special vehicle multifunction control unit (MSS) (with
CODE Z17 (Heated windshield) and CODE Z22 (Panic
alarm system (PAS)))
A2 Radio (with CODE (505) Radio 20 NTG5 non- N28/1 Trailer recognition control unit (with code 550 (Trailer
navigation-capable or CODE (522) (Audio 20 radio)) hitch))
A6n1 Stationary heater control unit (with code 228 (Stationary N30/4 Electronic Stability Program control unit
heater))
A40/3 COMAND controller unit (with code 531 (COMAND N32/1 Driver's seat control unit (with code 275 (Memory
APS)) Package) connected via interior CAN (CAN B), without
code 275 (Memory Package) connected via center
console switch LIN (LIN B12))
A40/4 DVD player (with code 864 (Rear Entertainment Seat N32/2 Front passenger seat control unit (with code P64
system)) (Memory Package) connected via interior CAN (CAN B),
without code P64 (Memory Package) connected via
center console switch LIN (LIN B12))
A40/5 Left rear display (with code 864 (Rear Seat N32/29 Driver multicontour seat control unit (with CODE 399
Entertainment system)) (Front multicontour seats with massage function))
A40/6 Right rear display (with code 864 (Rear Seat N32/30 Front passenger multicontour seat control unit (with
Entertainment system)) CODE 399 (Front multicontour seats with massage
function))
A40/8 Audio/COMAND display N37/5 Left NOx sensor control unit (with engine 276.9 with
code 920 (Gasoline direct injection with stratified
charge))
A40/9 Audio/COMAND control panel N37/6 Right NOx sensor control unit (with engine 276.9 with
code 920 (Gasoline direct injection with stratified
charge))
A40/11 Multifunction camera (with code 22P (Lane Tracking N37/7 NOx sensor control unit downstream of diesel particulate
Package), code 513 (Traffic Sign Assist), code 640 filter (engine 642.8, engine 651.9 with code U77
(High Performance LED) or code 641 (Dynamic LED (BLUETEC (SCR) diesel exhaust gas cleaning))
headlamps, left-hand traffic) or code 642 (Dynamic LED
headlamps, right-hand traffic))
A40/13 Stereo multifunction camera (with code 23P (Driving N37/8 NOx sensor control unit downstream of SCR catalytic
assistance package), code 513 (Traffic Sign Assist), converter (engine 642.8, engine 651.9 with code U77
code 640 (High Performance LED) or code 641 (BLUETEC (SCR) diesel exhaust gas cleaning))
(Dynamic LED headlamps, left-hand traffic) or code 642
(Dynamic LED headlamps, right-hand traffic))
A76 Left front reversible emergency tensioning retractor N40/3 Sound system amplifier control unit (with code 810
(Sound system) located under driver's seat, with code
811 (Advanced sound system) located in right spare
wheel well)
A76/1 Right front reversible emergency tensioning retractor N51/3 AIRmatic control unit (with CODE 489 (AIRmatic))
A89 DISTRONIC electric controller unit (with code (239) N51/6 Active roll stabilization control unit (with CODE 468
DISTRONIC PLUS) (ACTIVE CURVE SYSTEM))
A90 COLLISION PREVENTION ASSIST controller unit (with N62 Parking system control unit (with code 235 (Active
code 258 (Collision Prevention Assist)) Parking Assist with PARKTRONIC))
A90/4 Tuner unit (with code 536 (SIRIUS satellite radio) or N62/1 Radar sensors control unit (with CODE 23P (Driving
code 537 (Digital radio (DAB)) or code 865 (TV tuner)) Assistance package))
© Daimler AG, 5/27/19, X/05/19, gf00.19-p-9997gn, Overview of system components for overall network (GVN) Page 3 of 13
Model 166 as of model year 2016 Model 292
A98 Panoramic sliding sunroof control module (with CODE N68 Electrical power steering control unit
413 (Panoramic sliding sunroof))
A98n1 Panoramic sliding sunroof control unit (with code 413 N69/1 Left front door control unit
(Panoramic sliding sunroof))
A98/1 Sliding roof control module (with CODE 414 (Sliding N69/2 Right front door control unit
roof))
A105 Touchpad (with code 531 (COMAND APS)) N69/3 Left rear door control unit
B24/15 Yaw rate sensor for lateral and longitudinal acceleration N69/4 Right rear door control unit
B84/3 Reversing camera (with CODE 218 (Reversing camera)) N69/5 KEYLESS-GO control unit (with CODE 889 (KEYLESS-
GO ) or CODE 893 (KEYLESS-GO start function))
B92 Front long-range radar sensor (with CODE 23P (Driving N70 Overhead control panel control unit
Assistance package))
B92/1 Center rear bumper radar sensor (with CODE 23P N72 Lower control panel control unit
(Driving Assistance package))
B92/3 Left front bumper radar sensor (with CODE 23P (Driving N72/1 Upper control panel control unit
Assistance package))
B92/4 Right front bumper radar sensor (with CODE 23P N72/2 RCP control unit (with code 581 (Automatic air
(Driving Assistance package)) conditioning) or code 872 (Seat heating in rear))
B92/6 Right outer rear bumper integrated radar sensor (with N73 Electronic ignition switch control unit
CODE22P (Lane package))
B92/7 Right outer rear bumper radar sensor (with CODE 23P N74 Soot particulate sensor control unit (engine 642.8 with
(Driving Assistance package)) code U77 (BLUETEC (SCR) diesel exhaust gas
cleaning) and code 460 (Canada version) or code 494
(USA version), engine 642.8 as of model year 2018 with
code 927 (Emissions standard EU6) or code 935
(SULEV technology exhaust gas cleaning))
B92/10 Left outer rear bumper radar sensor (with CODE 23P N80 Steering column module control unit
(Driving Assistance package))
B92/11 Left outer rear bumper integrated radar sensor (with N88 Tire pressure monitor control unit (with CODE 475 (Tire
CODE 22P(Lane package)) pressure monitor))
E1n7 Left front actuation module, LED exterior lighting (with N93/7 Chassis gateway control unit (with CODE 23P (Driving
CODE 640 (High-performance LED) or CODE 641 Assistance Package))
(DYNAMIC LEFT-HAND TRAFFIC LED HEADLAMP) or
CODE 642 (DYNAMIC RIGHT-HAND TRAFFIC LED
HEADLAMP)
E1n9 Left headlamp control unit (with CODE 640 (High N110 Weight sensing system (WSS) control unit (with code
Performance LED) or CODE 641 (DYNAMIC LED U10 (Automatic front passenger airbag shutoff))
HEADLAMP, LEFT-HAND TRAFFIC) or CODE 642
(DYNAMIC LED HEADLAMP, RIGHT-HAND TRAFFIC))
E2n7 Right front actuation module, LED exterior lighting (with N112/2 Telematics services communication module (with code
CODE 640 (High-performance LED) or CODE 641 05U (Remote Online), code 06U (Mercedes connect me
(DYNAMIC LEFT-HAND TRAFFIC LED HEADLAMP) or basic services), code 350 (eCall Europe emergency call
CODE 642 (DYNAMIC RIGHT-HAND TRAFFIC LED system) or code B54 (Live Traffic Information))
HEADLAMP)
E2n9 Right headlamp control unit (with CODE 640 (High N112/9 HERMES control unit (with code 360 (HERMES UMTS)
Performance LED) or CODE 641 (DYNAMIC LED or code 362 (HERMES LTE))
HEADLAMP, LEFT-HAND TRAFFIC) or CODE 642
(DYNAMIC LED HEADLAMP, RIGHT-HAND TRAFFIC))
N2/10 Supplemental restraint system control unit N118 Fuel pump control unit
N3/9 CDI control unit (diesel engine, with engine 642.8 N118/5 AdBlue® control unit (engine 642.8, engine 651.9 with
positioned on right, with engine 651.9 positioned at code U77 (BLUETEC (SCR) diesel exhaust gas
center) cleaning))
N3/10 ME-SFI [ME] control unit (gasoline engine, with engine N121/1 Liftgate control unit (with CODE 890 (EASY-PACK
157, 276.8, 278 located in center at top) liftgate))
N10 SAM control unit N123/4 Emergency call system control unit (with code 348
(Emergency call/Assist system))
N10/8 Rear control unit N128 Electric parking brake control unit
N15/7 Transfer case control unit (with code 430 (On & off-road N148 360° camera control unit (with code 501 (360° camera))
package))
N22/7 Automatic air conditioning control and operating unit Y3/8n4 Fully integrated transmission control control unit
N26/6 ATA/tow-away protection/interior protection control unit
(with code 551 (Anti-theft alarm system (ATA)))

© Daimler AG, 5/27/19, X/05/19, gf00.19-p-9997gn, Overview of system components for overall network (GVN) Page 4 of 13
Model 166 as of model year 2016 Model 292
P00.19-6412-79

Shown: Model 292

A1 Instrument cluster N28/1 Trailer recognition control unit (with code 550 (Trailer
hitch))
A2 Radio (with CODE (505) Radio 20 NTG5 non- N30/4 Electronic Stability Program control unit
navigation-capable or CODE (522) (Audio 20 radio))
A6n1 Stationary heater control unit (with code 228 (Stationary N32/1 Driver's seat control unit (with code 275 (Memory
heater)) Package) connected via interior CAN (CAN B), without
code 275 (Memory Package) connected via center
console switch LIN (LIN B12))
A40/3 COMAND controller unit (with code 531 (COMAND N32/2 Front passenger seat control unit (with code P64
APS)) (Memory Package) connected via interior CAN (CAN B),
without code P64 (Memory Package) connected via
center console switch LIN (LIN B12))
A40/4 DVD player (with code 864 (Rear Entertainment Seat N32/29 Driver multicontour seat control unit (with CODE 399
system)) (Front multicontour seats with massage function))
A40/5 Left rear display (with code 864 (Rear Seat N32/30 Front passenger multicontour seat control unit (with
Entertainment system)) CODE 399 (Front multicontour seats with massage
function))
A40/6 Right rear display (with code 864 (Rear Seat N37/7 NOx sensor control unit downstream of diesel particulate
Entertainment system)) filter (engine 642.8 with code U77 (BLUETEC (SCR)
diesel exhaust gas cleaning))
A40/8 Audio/COMAND display N37/8 NOx sensor control unit downstream of SCR catalytic
converter (engine 642.8 with code U77 (BLUETEC
(SCR) diesel exhaust gas cleaning))
A40/9 Audio/COMAND control panel N40/1 Engine sound control unit (engine 276 with code B63
(AMG eSound))
A40/11 Multifunction camera (with code 22P (Lane Tracking N40/3 Sound system amplifier control unit (with code 810
Package), code 513 (Traffic Sign Assist), code 640 (Sound system) located under driver's seat, with code
(High Performance LED) or code 641 (Dynamic LED 811 (Advanced sound system) located in left spare
headlamps, left-hand traffic) or code 642 (Dynamic LED wheel well)
headlamps, right-hand traffic))
A40/13 Stereo multifunction camera (with code 23P (Driving N51/3 AIRmatic control unit (with CODE 489 (AIRmatic))
assistance package), code 513 (Traffic Sign Assist),
code 640 (High Performance LED) or code 641
(Dynamic LED headlamps, left-hand traffic) or code 642
(Dynamic LED headlamps, right-hand traffic))
A76 Left front reversible emergency tensioning retractor N51/6 Active roll stabilization control unit (with CODE 468
(ACTIVE CURVE SYSTEM))
A76/1 Right front reversible emergency tensioning retractor N62 Parking system control unit (with code 235 (Active
Parking Assist with PARKTRONIC))
A89 DISTRONIC electric controller unit (with code (239) N62/1 Radar sensors control unit (with CODE 23P (Driving
DISTRONIC PLUS) Assistance package))
A90 COLLISION PREVENTION ASSIST controller unit (with N68 Electrical power steering control unit
code 258 (Collision Prevention Assist))
A90/4 Tuner unit (with code 536 (SIRIUS satellite radio) or N69/1 Left front door control unit
code 537 (Digital radio (DAB)) or code 865 (TV tuner))
A98 Panoramic sliding sunroof control module (with CODE N69/2 Right front door control unit
413 (Panoramic sliding sunroof))
© Daimler AG, 5/27/19, X/05/19, gf00.19-p-9997gn, Overview of system components for overall network (GVN) Page 5 of 13
Model 166 as of model year 2016 Model 292
A98n1 Panoramic sliding sunroof control unit (with code 413 N69/3 Left rear door control unit
(Panoramic sliding sunroof))
A105 Touchpad (with code 531 (COMAND APS)) N69/4 Right rear door control unit
B24/15 Yaw rate sensor for lateral and longitudinal acceleration N69/5 KEYLESS-GO control unit (with CODE 889 (KEYLESS-
GO ) or CODE 893 (KEYLESS-GO start function))
B84/3 Reversing camera (with CODE 218 (Reversing camera)) N70 Overhead control panel control unit
B92 Front long-range radar sensor (with CODE 23P (Driving N72 Lower control panel control unit
Assistance package))
B92/1 Center rear bumper radar sensor (with CODE 23P N72/1 Upper control panel control unit
(Driving Assistance package))
B92/3 Left front bumper radar sensor (with CODE 23P (Driving N72/2 RCP control unit (with code 581 (Automatic air
Assistance package)) conditioning) or code 872 (Seat heating in rear))
B92/4 Right front bumper radar sensor (with CODE 23P N73 Electronic ignition switch control unit
(Driving Assistance package))
B92/6 Right outer rear bumper integrated radar sensor (with N74 Soot particulate sensor control unit (engine 642.8 with
CODE22P (Lane package)) code U77 (BLUETEC (SCR) diesel exhaust gas
cleaning) and code 460 (Canada version) or code 494
(USA version), engine 642.8 as of model year 2018 with
code 927 (Emissions standard EU6) or code 935
(SULEV technology exhaust gas cleaning))
B92/7 Right outer rear bumper radar sensor (with CODE 23P N80 Steering column module control unit
(Driving Assistance package))
B92/10 Left outer rear bumper radar sensor (with CODE 23P N88 Tire pressure monitor control unit (with CODE 475 (Tire
(Driving Assistance package)) pressure monitor))
B92/11 Left outer rear bumper integrated radar sensor (with N93/7 Chassis gateway control unit (with CODE 23P (Driving
CODE 22P(Lane package)) Assistance Package))
E1n7 Left front actuation module, LED exterior lighting (with N110 Weight sensing system (WSS) control unit (with code
CODE 640 (High-performance LED) or CODE 641 U10 (Automatic front passenger airbag shutoff))
(DYNAMIC LEFT-HAND TRAFFIC LED HEADLAMP) or
CODE 642 (DYNAMIC RIGHT-HAND TRAFFIC LED
HEADLAMP)
E1n9 Left headlamp control unit (with CODE 640 (High N112/2 Telematics services communication module (with code
Performance LED) or CODE 641 (DYNAMIC LED 05U (Remote Online), code 06U (Mercedes connect me
HEADLAMP, LEFT-HAND TRAFFIC) or CODE 642 basic services), code 350 (eCall Europe emergency call
(DYNAMIC LED HEADLAMP, RIGHT-HAND TRAFFIC)) system) or code B54 (Live Traffic Information))
E2n7 Right front actuation module, LED exterior lighting (with N112/9 HERMES control unit (with code 360 (HERMES UMTS)
CODE 640 (High-performance LED) or CODE 641 or code 362 (HERMES LTE))
(DYNAMIC LEFT-HAND TRAFFIC LED HEADLAMP) or
CODE 642 (DYNAMIC RIGHT-HAND TRAFFIC LED
HEADLAMP)
E2n9 Right headlamp control unit (with CODE 640 (High N118 Fuel pump control unit
Performance LED) or CODE 641 (DYNAMIC LED
HEADLAMP, LEFT-HAND TRAFFIC) or CODE 642
(DYNAMIC LED HEADLAMP, RIGHT-HAND TRAFFIC))
N2/10 Supplemental restraint system control unit N118/5 AdBlue® control unit (engine 642.8 with code U77
(BLUETEC (SCR) diesel exhaust gas cleaning))
N3/9 CDI control unit (diesel engine) N121/1 Liftgate control unit (with CODE 890 (EASY-PACK
liftgate))
N3/10 ME-SFI [ME] control unit (gasoline engine, with engine N123/4 Emergency call system control unit (with code 348
157, 276.8, 278 located in center at top) (Emergency call/Assist system))
N10 SAM control unit N128 Electric parking brake control unit
N10/8 Rear control unit N148 360° camera control unit (with code 501 (360° camera))
N22/7 Automatic air conditioning control and operating unit Y3/8n4 Fully integrated transmission control control unit
N26/6 ATA/tow-away protection/interior protection control unit
(with code 551 (Anti-theft alarm system (ATA)))

Component description for instrument cluster A1 GF54.30-P-6000GN


Component description for the radio Model 166 GF82.60-P-3122GN
as of model year 2016
with code 505 (Radio 20 NTG5, not
navigation-enabled)
Model 166
as of model year 2016
with code 522 (Audio 20 radio)
Model 292
with code 505 (Radio 20 NTG5, not
navigation-enabled)
Model 292
with code 522 (Audio 20 radio)
A2
Stationary heater control unit, component Model 166 GF83.70-P-4066GN
description as of model year 2016
with code 228 (Auxiliary heater)
Model 292
with code 228 (Auxiliary heater)
A6n1

© Daimler AG, 5/27/19, X/05/19, gf00.19-p-9997gn, Overview of system components for overall network (GVN) Page 6 of 13
Model 166 as of model year 2016 Model 292
Component description for COMAND Model 166 GF82.85-P-3136GN
controller unit as of model year 2016
with code 531 (COMAND APS)
Model 292
with code 531 (COMAND APS)
A40/3
Component description for rear entertainment Model 166 GF82.90-P-4009GN
DVD player as of model year 2016
with code 864 (Rear compartment
entertainment package)
Model 292
with code 864 (Rear compartment
entertainment package)
A40/4
Component description for rear display left/ Model 166 GF82.90-P-4020GN
right as of model year 2016
with code 864 (Rear compartment
entertainment package)
Model 292
with code 864 (Rear compartment
entertainment package)
A40/5, A40/6
Component description for Audio/COMAND A40/8 GF54.30-P-6150GN
display
Component description for Audio/COMAND A40/9 GF54.21-P-4501GN
control panel
Component description for multifunction Model 166 GF54.21-P-3300GN
camera as of model year 2016
with code 22P (Lane tracking package)
Model 166
as of model year 2016
with code 23P (Driving Assistance package)
Model 166
as of model year 2016
with code 513 (Traffic Sign Assist)
Model 166
as of model year 2016
with code 640 (High-performance LED)
Model 166
as of model year 2016
with code 641 (Dynamic LED headlamps, left-
hand traffic)
Model 166
as of model year 2016
with code 642 (Dynamic LED headlamps,
right-hand traffic)
Model 292
with code 22P (Lane tracking package)
Model 292
with code 23P (Driving Assistance package)
Model 292
with code 513 (Traffic Sign Assist)
Model 292
with code 640 (High-performance LED)
Model 292
with code 641 (Dynamic LED headlamps, left-
hand traffic)
Model 292
with code 642 (Dynamic LED headlamps,
right-hand traffic)
A40/11, A40/13
Component description for front reversible A76, A76/1 GF91.40-P-4020GN
emergency tensioning retractors
Component description for DISTRONIC Model 166 GF30.30-P-3213GN
electric controller unit as of model year 2016
with code 239 (Active Distance Assist
DISTRONIC)
Model 292
as of model year 2016
with code 239 (Active Distance Assist
DISTRONIC)
A89
COLLISION PREVENTION ASSIST controller Model 166 GF30.30-P-3214GN
unit, component description as of model year 2016
with code 258 (COLLISION PREVENTION
ASSIST)
Model 292
with code 258 (COLLISION PREVENTION
ASSIST)
A90

© Daimler AG, 5/27/19, X/05/19, gf00.19-p-9997gn, Overview of system components for overall network (GVN) Page 7 of 13
Model 166 as of model year 2016 Model 292
Tuner unit, component description Model 166 GF82.60-P-5015GN
as of model year 2016
with code 536 (SIRIUS satellite radio)
Model 166
as of model year 2016
with code 537 (Digital radio (DAB))
Model 166
as of model year 2016
with code 865 (TV tuner)
Model 292
with code 536 (SIRIUS satellite radio)
Model 292
with code 537 (Digital radio (DAB))
Model 292
with code 865 (TV tuner)
A90/4
Component description for panoramic sliding Model 166 GF77.20-P-4106GN
roof control module as of model year 2016
with code 413 (Automatic panoramic sliding
sunroof)
Model 292
with code 413 (Automatic panoramic sliding
sunroof)
A98, A98n1
Component description for sliding roof control Model 166 GF77.20-P-4108GN
module as of model year 2016
with code 414 (Sliding sunroof)
A98/1
Touchpad, component description Model 166 GF54.21-P-4511GN
as of model year 2016
with code 531 (COMAND APS)
Model 292
with code 531 (COMAND APS)
A105
Turn rate, lateral and longitudinal acceleration B24/15 GF42.45-P-4082GN
sensor, component description
Reversing camera component description Model 166 GF54.65-P-5040GN
as of model year 2016
with code 218 (Rear view camera)
Model 292
with code 218 (Rear view camera)
B84/3
Long-range radar sensor, component Model 166 GF30.30-P-3125GN
description as of model year 2016
with code 23P (Driving Assistance package)
Model 292
with code 23P (Driving Assistance package)
B92
Component description for bumper radar Model 166 GF30.30-P-3302GN
sensors as of model year 2016
with code 22P (Lane tracking package)
Model 166
as of model year 2016
with code 23P (Driving Assistance package)
Model 292
with code 22P (Lane tracking package)
Model 292
with code 23P (Driving Assistance package)
B92/1, B92/3, B92/4, B92/6, B92/7, B92/10,
B92/11
Actuation module, LED exterior lighting, front, Model 166 GF82.10-P-2160GN
component description as of model year 2016
with code 640 (High-performance LED)
Model 166
as of model year 2016
with code 641 (Dynamic LED headlamps, left-
hand traffic)
Model 166
as of model year 2016
with code 642 (Dynamic LED headlamps,
right-hand traffic)
Model 292
with code 640 (High-performance LED)
Model 292
with code 641 (Dynamic LED headlamps, left-
hand traffic)
Model 292
with code 642 (Dynamic LED headlamps,
right-hand traffic)
E1n7, E2n7

© Daimler AG, 5/27/19, X/05/19, gf00.19-p-9997gn, Overview of system components for overall network (GVN) Page 8 of 13
Model 166 as of model year 2016 Model 292
Headlamp control unit, component description Model 166 GF82.10-P-2020GN
as of model year 2016
with code 640 (High-performance LED)
Model 166
as of model year 2016
with code 641 (Dynamic LED headlamps, left-
hand traffic)
Model 166
as of model year 2016
with code 642 (Dynamic LED headlamps,
right-hand traffic)
Model 292
with code 640 (High-performance LED)
Model 292
with code 641 (Dynamic LED headlamps, left-
hand traffic)
Model 292
with code 642 (Dynamic LED headlamps,
right-hand traffic)
E1n9, E2n9
Supplemental restraint system control unit, N2/10 GF91.60-P-4080GN
component description
Component description for CDI control unit Model 166 with engine 642.8 GF07.16-P-6000OGF
as of model year 2016
Model 292 with engine 642.8
N3/9
Model 166 with engine 651.9 as of 6/1/15 GF07.16-P-6000OLF
as of model year 2016
N3/9
Component description for ME-SFI (ME) Model 166 (except 166.063) with engine 276.8 GF07.61-P-6000MMX
control unit as of model year 2016
Model 292 with engine 276.8
N3/10
Model 166.063 with engine 276.8 GF07.61-P-6000MMM
as of model year 2016
N3/10
Model 166 with engine 157.9, 278.9 GF07.61-P-6000MMY
as of model year 2016
Model 292 with engine 157.9, 278.9
N3/10
Model 166 with engine 276.9 GF07.61-P-6000MNG
as of model year 2016
N3/10
SAM control unit, component description N10 GF54.21-P-4157GN
Rear control unit, component description N10/8 GF54.21-P-4134GN
Component description of transfer case Model 166 with transmission 725.0 GF28.19-P-3200VGF
control unit as of model year 2016
with code 430 (On & off-road package)
N15/7
Component description for climate control N22/7 GF83.40-P-3002GN
control and operating unit
ATA/tow-away protection/interior protection Model 166 GF80.50-P-4131GN
control unit, component description as of model year 2016
with code 551 (Anti-theft warning system)
Model 292
with code 551 (Anti-theft warning system)
N26/6
Special vehicle multifunction control unit Model 166 GF54.21-P-4010GR
(SVMCU (MSS)), component description as of model year 2016
with code Z17 (Heated windscreen)
Model 166
as of model year 2016
with code Z22 (Panic alarm system)
N26/14
Component description for trailer recognition Model 166 GF31.19-P-4050GN
control unit as of model year 2016
with code 550 (Trailer coupling)
Model 292
with code 550 (Trailer coupling)
N28/1
Component description for Electronic Stability Model 166 (except 166.063) GF42.45-P-5119GN
Program control unit as of model year 2016
Model 292
N30/4
Model 166.063 GF42.45-P-5119GRH
as of model year 2016
N30/4

© Daimler AG, 5/27/19, X/05/19, gf00.19-p-9997gn, Overview of system components for overall network (GVN) Page 9 of 13
Model 166 as of model year 2016 Model 292
Component description for driver seat control Model 166 GF91.29-P-5231GN
unit as of model year 2016
with code 275 (Memory package)
Model 292
with code 275 (Memory package)
N32/1
Model 166 GF91.29-P-5231GNA
as of model year 2016
except code 275 (Memory package)
Model 292
except code 275 (Memory package)
N32/1
Component description for front passenger Model 166 GF91.29-P-5241GN
seat control unit as of model year 2016
with code P64 (Memory package)
Model 292
with code P64 (Memory package)
N32/2
Model 166 GF91.29-P-5241GNA
as of model year 2016
except code P64 (Memory package)
Model 292
except code P64 (Memory package)
N32/2
Multicontour seat control unit (MCS), Model 166 GF91.25-P-5201GN
component description as of model year 2016
with code 399 (Multicontour front seats with
massage function)
Model 292
with code 399 (Multicontour front seats with
massage function)
N32/29, N32/30
Component description for NOx sensor control Model 166 with engine 642.8 GF14.40-P-3024OGF
unit as of model year 2016
Model 292 with engine 642.8
N37/7, N37/8
Model 166 with engine 651.9 GF14.40-P-3024OLF
as of model year 2016
with code U77 (Diesel Emission control
BLUETEC (SCR))
N37/7, N37/8
Model 166 with engine 276.9 GF14.40-P-3024MNG
as of model year 2016
with code 920 (Direct petrol injection with
stratified charging)
N37/5, N37/6
Engine sound control unit, component Model 292 with engine 276 GF54.21-P-0019GN
description with code B63 (AMG eSound)
N40/1
Component description for sound system Model 166 GF82.62-P-5010GN
amplifier control unit as of model year 2016
with code 810 (Sound system)
except code 811 (Advanced sound system)
Model 292
with code 810 (Sound system)
except code 811 (Advanced sound system)
N40/3
Model 166 GF82.62-P-5010GNA
as of model year 2016
with code 811 (Advanced sound system)
except code 810 (Sound system)
Model 292
with code 811 (Advanced sound system)
except code 810 (Sound system)
N40/3
AIRMATIC control unit, component description Model 166 GF32.22-P-5110GN
as of model year 2016
with code 489 (AIRMATIC)
Model 292
with code 489 (AIRMATIC)
N51/3
Active roll stabilization control unit component Model 166 GF32.34-P-5000GN
description as of model year 2016
with code 468 (ACTIVE CURVE SYSTEM)
Model 292
with code 468 (ACTIVE CURVE SYSTEM)
N51/6

© Daimler AG, 5/27/19, X/05/19, gf00.19-p-9997gn, Overview of system components for overall network (GVN) Page 10 of 13
Model 166 as of model year 2016 Model 292
Parking system control unit, component Model 166 GF54.65-P-5004GN
description as of model year 2016
with code 235 (Active Parking Assist with
PARKTRONIC)
Model 292
with code 235 (Active Parking Assist with
PARKTRONIC)
N62
Component description for radar sensors Model 166 GF30.30-P-3301GN
control unit as of model year 2016
with code 23P (Driving Assistance package)
Model 292
with code 23P (Driving Assistance package)
N62/1
Electrical power steering control unit (ES), N68 GF46.35-P-7010GN
component description
Component description for left front door N69/1 GF72.29-P-6001GN
control unit
Component description for right front door N69/2 GF72.29-P-6009GN
control unit
Component description for rear door control N69/3, N69/4 GF72.29-P-6021GN
unit
Component description for KEYLESS-GO Model 166 GF80.61-P-4204GN
control unit as of model year 2016
with code 889 (KEYLESS-GO)
Model 166
as of model year 2016
with code 893 (KEYLESS-GO)
Model 292
with code 889 (KEYLESS-GO)
Model 292
with code 893 (KEYLESS-GO)
N69/5
Component description for overhead control N70 GF82.20-P-5216GN
panel control unit
Lower control panel control unit, component N72 GF54.21-P-6060GN
description
Upper control panel control unit, component N72/1 GF54.21-P-6040GN
description
Rear control panel control unit, component Model 166 GF83.40-P-3020GN
description as of model year 2016
with code 581 (Automatic air conditioning)
Model 166
as of model year 2016
with code 872 (Heated rear seats)
Model 292
with code 581 (Automatic air conditioning)
Model 292
with code 872 (Heated rear seats)
N72/2
Component description for the electronic N73 GF80.57-P-6001GN
ignition lock control unit
Soot particulate sensor control unit, Model 166 with engine 642.8, 651.9 GF14.40-P-2020OGF
component description as of model year 2016
with code 460 (Canada version)
with code U77 (Diesel Emission control
BLUETEC (SCR))
Model 166 with engine 642.8, 651.9
as of model year 2016
with code 494 (US version)
with code U77 (Diesel Emission control
BLUETEC (SCR))
Model 166, 292 with engine 642.8
as of model year 2018
with code 927 (EU6 emissions standard)
Model 166, 292 with engine 642.8
as of model year 2018
with code 935 (Exhaust gas cleaning, SULEV
technology)
Model 292 with engine 642.8
with code 460 (Canada version)
with code U77 (Diesel Emission control
BLUETEC (SCR))
Model 292 with engine 642.8
with code 494 (US version)
with code U77 (Diesel Emission control
BLUETEC (SCR))
N74
Component description for steering column N80 GF54.21-P-6051GN
tube module control unit

© Daimler AG, 5/27/19, X/05/19, gf00.19-p-9997gn, Overview of system components for overall network (GVN) Page 11 of 13
Model 166 as of model year 2016 Model 292
Component description for battery Model 166 with engine 276.821 GF54.10-P-3012GRH
management system control unit as of model year 2016
N82/2
Component description for DC/DC converter Model 166 with engine 276.821 GF54.10-P-3006GRH
control unit as of model year 2016
N83/1
High-voltage charger control unit, component Model 166 with engine 276.821 GF08.20-P-2000GRH
description as of model year 2016
N83/5
Component description for tire pressure Model 166 GF40.15-P-5124GN
monitor control unit as of model year 2016
with code 475 (Tyre pressure monitoring
system)
Model 292
with code 475 (Tyre pressure monitoring
system)
N88
Component description for chassis gateway Model 166 GF54.21-P-1010GN
control unit as of model year 2016
with code 23P (Driving Assistance package)
Model 292
with code 23P (Driving Assistance package)
N93/7
Component description for Weight Sensing Model 166 GF91.60-P-4069GN
System (WSS) control unit as of model year 2016
with code U10 (Automatic seat occupancy
recognition and child seat recognition)
Model 292
with code U10 (Automatic seat occupancy
recognition and child seat recognition)
N110
Telematics services communications module, Model 166 GF82.85-P-0220GN
component description as of model year 2016 up to model year 2017
with code 05U (Remote Online)
Model 166
as of model year 2016 up to model year 2017
with code 06U (Mercedes connect me
standard services)
Model 166
as of model year 2016 up to model year 2017
with code 350 (Ecall emergency call system,
Europe)
Model 166
as of model year 2016 up to model year 2017
with code B54 (Live Traffic Information)
Model 292
up to model year 2017
with code 05U (Remote Online)
Model 292
up to model year 2017
with code 06U (Mercedes connect me
standard services)
Model 292
up to model year 2017
with code 350 (Ecall emergency call system,
Europe)
Model 292
up to model year 2017
with code B54 (Live Traffic Information)
N112/2
HERMES control unit, component description Model 166, 292 GF82.85-P-0221GN
as of model year 2017
with code 360 (HERMES UMTS)
Model 166, 292
as of model year 2017
with code 362 (HERMES LTE)
N112/9
Component description for fuel pump control Model 166 with engine 651.9 GF47.40-P-2001OLF
unit as of model year 2016
N118
Model 166 with engine 642.8 GF47.40-P-2001OGF
as of model year 2016
Model 292 with engine 642.8
N118
Model 166 with engine 276.8/9, 278.9 GF47.40-P-2001MNG
as of model year 2016
Model 292 with engine 276.8, 278.9
N118
Model 166 with engine 157.9 GF47.40-P-2001MMY
as of model year 2016
Model 292 with engine 157.9
N118

© Daimler AG, 5/27/19, X/05/19, gf00.19-p-9997gn, Overview of system components for overall network (GVN) Page 12 of 13
Model 166 as of model year 2016 Model 292
Component description for exhaust Model 166 with engine 642.8 GF14.40-P-3030OGF
aftertreatment control unit as of model year 2016
Model 292 with engine 642.8
N118/5
Model 166 with engine 651.9 GF14.40-P-3030OLF
as of model year 2016
with code U77 (Diesel Emission control
BLUETEC (SCR))
N118/5
Liftgate control unit, component description Model 166 GF80.20-P-6082GN
as of model year 2016
with code 890 (EASY-PACK-tailgate)
Model 292
with code 890 (EASY-PACK-tailgate)
N121/1
Component description for emergency call Model 166 GF82.95-P-3212GNU
system control unit as of model year 2016 up to model year 2017
with code 348 (Emergency call/assistant
system)
Model 292
up to model year 2017
with code 348 (Emergency call/assistant
system)
N123/4
Drivetrain control unit, component description Model 166.063 with engine 276.8 GF54.21-P-2141GN
as of model year 2016
N127
Electric parking brake control unit, component N128 GF42.20-P-5005GN
description
Component description for power electronics Model 166 with engine 276.821 GF08.20-P-1001GRH
control unit as of model year 2016
N129/1
Component description for 360 degree viewing Model 166 GF54.65-P-5003GN
system control unit as of model year 2016
with code 501 (360° camera)
Model 292
with code 501 (360° camera)
N148
Component description for fully integrated Model 166 with transmission 725.0 GF27.60-P-5165ANF
transmission control unit as of model year 2016
Y38n4
Model 292 with transmission 725.0 GF27.60-P-5165ANJ
Y38n4
Model 166 with transmission 724.204 GF27.60-P-5165GRH
as of model year 2016
Y38n4
Overall network (GVN) function description GF00.19-P-0999GN
table of contents

© Daimler AG, 5/27/19, X/05/19, gf00.19-p-9997gn, Overview of system components for overall network (GVN) Page 13 of 13
Model 166 as of model year 2016 Model 292

You might also like