KEMBAR78
Power Distribution Box, Rear Integrated Supply Module: Z11 F014 F011 F018 F08 F010 Z2a A361 | PDF | Ignition System | Throttle
0% found this document useful (0 votes)
608 views9 pages

Power Distribution Box, Rear Integrated Supply Module: Z11 F014 F011 F018 F08 F010 Z2a A361

This document provides a diagram and descriptions of the power distribution and components in an integrated supply module. It lists various sensors, valves, controllers and other automotive parts along with their locations, functions and connection details. The diagram shows the layout and wiring of over 60 components connected to the power distribution box and their interactions.

Uploaded by

Ninh Lỗ
Copyright
© © All Rights Reserved
We take content rights seriously. If you suspect this is your content, claim it here.
Available Formats
Download as PDF, TXT or read online on Scribd
0% found this document useful (0 votes)
608 views9 pages

Power Distribution Box, Rear Integrated Supply Module: Z11 F014 F011 F018 F08 F010 Z2a A361

This document provides a diagram and descriptions of the power distribution and components in an integrated supply module. It lists various sensors, valves, controllers and other automotive parts along with their locations, functions and connection details. The diagram shows the layout and wiring of over 60 components connected to the power distribution box and their interactions.

Uploaded by

Ninh Lỗ
Copyright
© © All Rights Reserved
We take content rights seriously. If you suspect this is your content, claim it here.
Available Formats
Download as PDF, TXT or read online on Scribd
You are on page 1/ 9

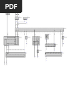
Power distribution box, rear Integrated supply module

Z2a Z11

A361 87 F014 87 F011 87 F018 87 F08 87 F010

40A 20A 10A 15A 30A

12 A361*1B 3 2 Z11*6B 12 6 Z11*5B 1 Z11*6B

30B_AUS U_VVT<14 U_IGN<11 U_HR<18 U_HR<8 U_INJ<10


0.5 2.5 2.5 0.75 0.75 2.5
RT/VI RT/GN RT/GN RT/GN RT/GN RT/GN

54 A46*1B 1 2 4 6 8 A46*5B

3 5 7 A46*5B 56 61 58 59 60

31 31 31 M_OENS P_OENS A_KS2A A_KS2B M_LIN


2.5 2.5 2.5 0.35 0.35 0.35 0.35 0.35
BR BR BR SW/WS GE/WS GE SW/GE VI

Z6000*1B Z6000*1B Z6000*1B 2 3 B442*1B 1 2 B429*1B 1 G2*1B


B6120 B428a G2

Oil-level sensor Knock sensor 2 Alternator


Temperature sensor at radiator outlet
B90

Body domain controller CAN terminator 6


A258 R6
1 2 B90*1B

31 32 A258*8B 12 25 R6*1B

X203*1V X203*2V

FR_BM_1
FR_BP_1 0.35
PT_CAN2H PT_CAN2L PT_CAN_H PT_CAN_L A_TKA M_TKA
0.35
GN/WS 0.35 0.35 0.35 0.35 0.35 0.35
RS/BL
WS/GN WS/BL GE/WS GE/SW SW/GR SW/BL
GN/SW

26 32 35 36 41 42 1 7

63 64 A46*2B 1 16 2 8 4 5

A_KS1A A_KS1B U_TEV T_TEV U_NWE T_NWE T_NWA U_NWA


0.35 0.35 0.35 0.35 0.35 0.35 0.35 0.35
GE SW/VI RT/GN WS RT/GN BL/WS WS RT/GN

1 2 B428*1B 1 2 Y193*1B 1 2 Y194*1B 2 1 Y195*1B


B428 Y6120 Y6270a Y6271a

Knock sensor Tank vent valve VANOS solenoid actuator intake VANOS solenoid actuator exhaust
Electric fuel pump
Accelerator pedal module Electrical exhaust flap control electronics
B81 Y42a A98a

5 3 4 6 1 2 B81*1B 1 Y42*1B 7 A98*1B

with petrol particulate filter

1 2 3 X13*4B

U_5V_1 A_DOPF M_DOPF U_5V_1 U_5V_2 A_FWG1 A_FWG2 M_FWG1 M_FWG2 S_AKL PWM
0.35 0.35 0.35 0.35 0.35 0.35 0.35 0.35 0.35 0.35 0.35
GN/GE GN/BL GN GE GE/GN WS WS/GN BR/GN BR BR/GR VI/WS

2 8 14 3 4 9 10 15 16 6 21

9 10 51 56 61 14 18 49 54 59 64

T_WG1 T_WG2 M_WGS A_WGS U_5V_2 M_BBH T_LHV1 M_LSV1 A_LSVR1 A_LSVP1 I_LSVP1
0.35 0.35 0.35 0.35 0.35 0.75 0.5 0.35 0.35 0.35 0.35
BL/WS WS SW GE BL BR WS SW/RT GE GE/BL GE/RT

3 2 6 1 5 X1398*1B

5 1 3 4 2 Y105*1B 2 E357*1B
Y6720a E6539 B6200

Electrical wastegate valve 1) Rotor position sensor Engine ventilation heating Oxygen sensor before catalytic conventer
Natural vacuum Clutch Diagnostic Auxuliary Body domain Cutoff Cutoff
leak detection module socket battery controller relay electric fan relay electric fan
A248 S50 X6 G6 A258 K5 K5

3 A248*1B 2 S50*1B 9 X6*1B 1 G10*3B 2 A258*3B 2 K5*1B 2 K5*2B

L_REL L_REL
0.5 0.5
BL/WS BL/WS

X328*1V
M_LIN
0.35
15_3
fan 850/1000 W fan up to 400 W
BL/GE 0.35
DMTLH M_LIN S_KUP F_TD
0.35 0.35 0.35 0.35 BL GN/WS
SW/RT GR BL/BR SW
GR GN

22 27 28 29 37 48 53 A46*1B

19 28 33 23 24 25 30 35 42 27 32 37

T_LHH1 A_LSH1 M_LSH1 U_MSV T_MSV U_5V_3 P_HFM M_HFM A_TRL U_5V_3 P_NWGE M_NWGE
0.5 0.35 0.35 0.75 0.75 0.35 0.35 0.35 0.35 0.35 0.35 0.35
WS GE SW/RT WS/GN WS BL GE SW GE/RT BL GE SW/BL

3 1 2 X1399*1B

2 1 Y190*1B 1 3 2 4 B129*1B 3 1 2 B433*1B


B6201 Y6538 B129 B6210

Oxygen sensor after catalytic conventer Quantity control valve Hot-film air mass meter Intake camshaft sensor
Shutoff valve for coolant Temperature sensor,
expansion tank crankcase Electromotive throttle actuator
Y285 B516 Y6390

2 Y285*1B 1 2 B516*1B 5 6 3 4 1 2 Y176*1B

PWMAV A_TKGH M_TKGH U_5V_1 A_DKG2 A_DKG1 M_DKG T_MDK1 T_MDK2


0.5 0.35 0.35 0.35 0.35 0.35 0.35 0.35 0.35
WS GE/RT SW/VI BL GE SW/BL SW/VI WS/GN WS/GE

1 2 6 4 7 8 12 21 22 A46*2B

31 40 45 46 50 55 60 53 58 63 A46*3B

M_LIN M_NWGA U_5V_1 P_NWGA M_RDF A_RDF U_5V_2 M_DDS A_DDS U_5V_1
0.35 0.35 0.35 0.35 0.35 0.35 0.35 0.35 0.35 0.35
VI SW BL GE/BL SW/BL GE/BL BL SW/GE GE/WS BL

2 M253*1B 2 3 1 B435*1B 2 1 3 B313*1B 2 1 3 B344*1B


M253 B6211 B313 B344

Coolant pump in low Exhaust camshaft sensor Rail pressure sensor Pressure sensor, Venturi nozzle
temperature coolant circuit
Engine mount
Integrated supple module changeover valve
Z11 Y64

1 Z11*2B 3 2 9 5 8 Z11*5B 2 Y64*1B

S_HR A_EA S_EA S_VVTR S_IGINJ U_HRL S_MLS


0.35 0.35 0.35 0.35 0.35 0.35 0.5
WS/VI RT/GN WS WS WS/GE RT/GN WS/GN

11 A46*2B 10 18 27 30 31 A46*5B 16

4 6 8 13 16 19 22 25 28 31 A46*4B

BLDC_U BLDC_V BLDC_W U_5V_3 M_BLDCS BLDCS1 BLDCS5 BLDCS3 BLDCS4 BLDCS2
2.5 2.5 2.5 0.35 0.35 0.35 0.35 0.35 0.35 0.35
RT WS GN BL SW GE WS GE/RT GE/WS GE/BL

7 6 5 11 10 9 8 4 3 2 M282*1B
M6353a

Valvetronic servomotor
Turbocharge
Heat management module Oil pressure control valve coolant pump
Y165 Y84 M251

4 5 Y165*1B 1 Y165*2B 3 2 1 Y165*1B 2 Y84*1B 2 M251*1B

T_WMM+ T_WMM- T_SCA M_WMM P_WMM U_5V_2 T_OLP M_LIN


0.35 0.35 0.35 0.35 0.35 0.35 0.35 0.5
WS/GN WS/GE WS SW/VI GE BL WS VI

17 18 20 42 47 52 19 24

16 19 21 A46*5B 1 5 2 6

U_5V_2 SENT_GS M_GS P_ZSZ1 U_IGN1 P_ZSZ3 U_IGN3


0.35 0.35 0.35 0.75 0.75 0.75 0.75
BL GE/BL SW WS RT/GN WS/GE RT/GN

2 3 4 B446*1B 3 1 T8*1B 3 1 T10*1B


B155a T6151 T6153

Gear sensor Ignition coil, cylinder 1 Ignition coil, cylinder 3


Crankshaft sensor Engine- oil pressure sensor
B6214a B268

1 2 3 B432*1B 3 2 1 B268*1B

with petrol particulate filter

1 2 4 3 X697*3B

A_TOPF M_TOPF M_TOPF2 A_TOPF2 U_5V_1 P_KWG M_KWG U_5V_1 P_OLD M_OLD
0.35 0.35 0.35 0.35 0.35 0.35 0.35 0.35 0.35 0.35
GE SW SW/WS GE/WS BL/SW GE SW/GE BL/SW GE/WS SW/GE

25 30 41 57 26 31 36 27 32 37

2 6 3 7 9 10 13 17

P_ZSZ3 U_IGN3 P_ZSZ4 U_IGN4 P_ZSZ2 U_IGN2 P_EVZ1M P_EVZ1P


0.75 0.75 0.75 0.75 0.75 0.75 0.75 0.75
WS/GE RT/GN WS RT/GN WS/GN RT/GN WS/GN WS

3 1 T10*1B 3 1 T11*1B 3 1 T9*1B 2 1 Y178*1B


T6153 T6154 T6152 Y6101

Ignition coil, cylinder 3 Ignition coil, cylinder 4 Ignition coil, cylinder 2 Injector, cylinder 1
Intake-manifold pressure Intake air
sensor charge air temperature Coolant temperature sensor temperature sensor Charging pressure sensor
B439 B6236 B310a B311

2 4 3 1 B439*1B 2 1 B545*1B 2 1 B310*1B 2 3 1 B302*1B

U_5V_2 A_PNDK M_PNDK A_TNDK M_TMOT A_TMOT M_TLL A_TLL M_LDF A_LDF U_5V_2
0.35 0.35 0.35 0.35 0.35 0.35 0.35 0.35 0.35 0.35 0.35
BL/SW GE/BL SW/GE GE/WS SW/VI GE/RT GE/BL GE SW/GE GE BL

28 33 38 44 35 40 43 54 48 49 53 A46*2B
A46

Digital Motor Electronics

14 18 15 19 21 22 A46*6B

P_EVZ3M P_EVZ3P P_EVZ4M P_EVZ4P P_EVZ2M P_EVZ2P


0.75 0.75 0.75 0.75 0.75 0.75
WS/BR WS WS/GN WS WS/SW WS

2 1 Y180*1B 2 1 Y181*1B 2 1 Y179*1B


Y6103 Y6104 Y6102

Injector, cylinder 3 Injector, cylinder 4 Injector, cylinder 2

You might also like