KEMBAR78
Mercedes CLS-Class Fuse Guide | PDF | Fuse (Electrical) | Trunk (Car)
0% found this document useful (0 votes)
6K views7 pages

Mercedes CLS-Class Fuse Guide

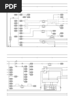
This document provides a fuse box diagram for the 2010-2017 Mercedes CLS-Class W218 models (C218 and X218). It lists 33 fuses with their amperage ratings and the electronic components controlled by each fuse, such as the engine control unit, climate control system, stability control system, lights, horns, and other auxiliary systems.

Uploaded by

apollohorrus
Copyright
© © All Rights Reserved
We take content rights seriously. If you suspect this is your content, claim it here.
Available Formats
Download as PDF, TXT or read online on Scribd
0% found this document useful (0 votes)
6K views7 pages

Mercedes CLS-Class Fuse Guide

This document provides a fuse box diagram for the 2010-2017 Mercedes CLS-Class W218 models (C218 and X218). It lists 33 fuses with their amperage ratings and the electronic components controlled by each fuse, such as the engine control unit, climate control system, stability control system, lights, horns, and other auxiliary systems.

Uploaded by

apollohorrus
Copyright
© © All Rights Reserved
We take content rights seriously. If you suspect this is your content, claim it here.
Available Formats
Download as PDF, TXT or read online on Scribd
You are on page 1/ 7

2010-2017 Mercedes CLS-Class W218 (C218/X218) fuse box diagram »... http://knigaproavto.ru/shemy/en/mercedes/cls-class/303-2010-2017-mer...

Fuse Box Diagram (http://knigaproavto.ru/shemy/en/) » Mercedes (http://knigaproavto.ru/shemy/en/mercedes/) » CLS-Class


Search (http://knigaproavto.ru/shemy/en/mercedes/cls-class/) » 2010-2017 Mercedes CLS-Class W218 (C218/X218) fuse box diagram

2010-2017 MERCEDES CLS-CLASS W218 (C218/X218) FUSE BOX DIAGRAM

AdChoices

Electrical Sche

Circuit Relay S

Mercedes-Benz (http://knigaproavto.ru/shemy/en/mercedes/) CLS-Class


W219 (2004-2010) (http://knigaproavto.ru/shemy W218 (2010-2017) (http://knigaproavto.ru/shemy/en/mercedes
/en/mercedes/cls-class/297-2004-2010-mercedes-cls-class- /cls-class/303-2010-2017-mercedes-cls-class-w218-c218-x218-
w219-c219-fuse-box-diagram.html) fuse-box-diagram.html)

(http://knigaproavto.ru/shemy/en/mercedes/cls- (http://knigaproavto.ru/shemy/en/mercedes/cls-
class/297-2004-2010-mercedes-cls-class-w219-c219-fuse-box- class/303-2010-2017-mercedes-cls-class-w218-c218-x218-fuse-
diagram.html) box-diagram.html)

Fuse box in the engine compartment

(http://fotohostingtv.ru/show.php/18337_knigaproavtoru03025720.jpg.html)
No. Fused function A
Electronic Stability Program control unit
Premium Electronic Stability Program control unit
1 25
Blower motor
Blower regulator
2 Left front door control unit 30
3 Right front door control unit 30
4 Valid with engine 157: Fuel system control unit 20
Instrument cluster
5 Rear SAM control unit with fuse and relay module 7.5
Exterior lights switch
6 Valid for diesel engine: CDI control unit 10
Valid for gasoline engine: ME-SFI control unit
7 Starter circuit 50 relay 20
8 Supplemental restraint system control unit 7.5
9 Center console socket 15
10 Wiper motor 30
Switched via wiper park position heater relay: Wiper park position heater
Audio/COMAND display
11 7.5
Audio/COMAND control panel

1 of 7 4/5/2018, 2:00 PM
2010-2017 Mercedes CLS-Class W218 (C218/X218) fuse box diagram »... http://knigaproavto.ru/shemy/en/mercedes/cls-class/303-2010-2017-mer...
Automatic climate control control and operating unit
Upper control panel control unit
12 7.5
Automatic transmission transmission mode button
Suspension button group
Steering column tube module control unit
13 Multifunction camera 7.5
Stereo multifunction camera
Electronic Stability Program control unit
14 7.5
Premium Electronic Stability Program control unit
15 Supplemental restraint system control unit 7.5
16 Valid with engine 157: DIRECT SELECT INTERFACE 5
17 Electrical glass tilting/sliding roof: Overhead control panel control unit 30
Analog clock
18 7.5
Backup relay
19 Electronic ignition lock control unit 20
Electronic Stability Program control unit
20 40
Premium Electronic Stability Program control unit
Brake lights switch
Glove compartment lamp switch
21 7.5
Front passenger seat occupied recognition and ACSR
Weight sensing system (WSS) control unit
Fan motor for internal combustion engine and air conditioning with integrated control
Valid for diesel engine:
CDI control unit
Connector sleeve, circuit 87
22 15
Valid for gasoline engine:
ME-SFI control unit
Connector sleeve, circuit 87 M2e
Valid with engine 276: Radiator shutters actuator
Valid for gasoline engine: Connector sleeve, circuit 87 M1i
Valid for diesel engine:
23 20
CDI control unit
Connector sleeve, circuit 87
Valid for diesel engine: Connector sleeve, circuit 87
24 15
Valid for engine 157, 276, 278: Connector sleeve, circuit 87 M1e
25 Valid for diesel engine: Oxygen sensor upstream of catalytic converter 15
Valid for gasoline engine: ME-SFI control unit
Radio
26 Radio with auto pilot system 20
COMAND controller unit
27 Valid for gasoline engine: ME-SFI control unit 7.5
Valid for diesel engine:
CDI control unit
Electronic ignition lock control unit
28 Instrument cluster 7.5
29 Right front lamp unit 10
30 Left front lamp unit 10
Switched through the horns relay:
31A Left fanfare horn 15
Right fanfare horn
Switched through the horns relay:
31B Left fanfare horn 15
Right fanfare horn
32 Secondary air injection relay -
33 Fully integrated transmission control controller unit 10
34 Fuel system control unit 7.5
35 Spare -
Night View Assist control unit
36 7.5
DISTRONIC electric controller unit
Relay
J Circuit 15 relay
K Terminal 15R relay
L Wiper park heater relay
M Starter circuit 50 relay
N Engine circuit 87 relay
O Horn relay
P Spare

2 of 7 4/5/2018, 2:00 PM
2010-2017 Mercedes CLS-Class W218 (C218/X218) fuse box diagram »... http://knigaproavto.ru/shemy/en/mercedes/cls-class/303-2010-2017-mer...
Q Backup relay
R Chassis circuit 87 relay

AdChoices

Fuse box in the trunk

(http://fotohostingtv.ru/show.php/18339_knigaproavtoru03021929.jpg.html)
No. Fused function A
Driver seat NECK-PRO head restraint solenoid
37 7.5
Front passenger seat NECK-PRO head restraint solenoid
38 Shooting Brake: Connected through liftgate windshield wiper relay: Tailgate wiper motor 15
Valid for left-hand drive vehicles:Left rear door control unit
39 30
Valid for right-hand drive vehicles: Left front door control unit
40 Spare -
Valid for left-hand drive vehicles: Right front door control unit
41 30
Valid for right-hand drive vehicles: Right rear door control unit
42 Fuel system control unit 25
Valid up to 31.08.2014: Telematics services communications module (Live Traffic Information)
43 7.5
Valid as of 01.09.2014:Tire pressure monitor control unit
44 Front passenger seat adjustment switch 30
45 Driver seat adjustment switch 30
Alarm siren (Interior monitoring)
Interior protection and tow-away protection control unit (Interior monitoring)
46 Coupe: M 1, AM, CL [ZV] and KEYLESS-GO antenna amplifier 7.5
Shooting Brake: Rear window antenna amplifier 1
Valid with engine 157, 276, 278 and USA version: Coolant circulation pump relay
47 Spare -
48 Spare -
Coupe: Switched through the rear window heater relay: Rear window heater
49 40
Shooting Brake: Switched through the rear window heater relay: Rear window antenna amplifier 1
50 Right front reversible emergency tensioning retractor 50
51 Left front reversible emergency tensioning retractor 50
52 Spare -
53 Trailer recognition control unit 30
54 Trailer recognition control unit 15
55 Spare -
56 Trailer socket 15
57 Trailer recognition control unit 25
58 Trailer recognition control unit 25
Left front bumper DISTRONIC (DTR) sensor
Right front bumper DISTRONIC (DTR) sensor
Left rear bumper radar sensor (Active Blind Spot Assist)
59 7.5
Right rear bumper radar sensor (Active Blind Spot Assist)
Left rear bumper intelligent radar sensor (Blind Spot Assist)
Intelligent radar sensor for right rear bumper (Blind Spot Assist)
Multicontour seat pneumatic pump 7.5
60
Active multicontour seat pneumatic pump 30

3 of 7 4/5/2018, 2:00 PM
2010-2017 Mercedes CLS-Class W218 (C218/X218) fuse box diagram »... http://knigaproavto.ru/shemy/en/mercedes/cls-class/303-2010-2017-mer...
Coupe: Trunk lid control (KDS) control unit
61 40
Shooting Brake: Liftgate control unit
62 Driver seat control unit 25
63 Rear seat heater control unit 25
64 Front passenger seat control unit 25
Up to 31.05.2012: Steering wheel heater control unit
65 7.5
As of 01.06.2012: Steering column tube module control unit
66 Rear blower motor 7.5
67 Sound system amplifier control unit 40
68 AIRmatic control unit 15
69 Rear bass speaker amplifier 25
Tire pressure monitor control unit
70 5
Valid as of 01.09.2014 with engine 157, 276, 278 without USA version: Coolant circulation pump relay
71 Vehicle interior socket, front 15
72 Cargo area socket 15
Valid with engine 157: Transmission mode control unit
73 5
Stationary heater: Stationary heater radio remote control receiver
KEYLESS-GO control unit
Valid as of 01.09.2014:
74 15
Left front lamp unit
Right front lamp unit
Stationary heater unit
Valid as of 01.09.2014:
75 20
Left front lamp unit
Right front lamp unit
76 Rear center console socket 15
Weight sensing system (WSS) control unit
77 7.5
Navigation processor
78 Media interface control unit 7.5
Video and radar sensor system control unit
Valid as of 01.09.2014 with Driving assistance package Plus:
79 5
Radar sensors control unit
Chassis gateway control unit
80 Parking system control unit 5
Cellular telephone system antenna amplifier / compensator
81 5
Mobile phone electrical connector
Left front seat ventilation blower regulator
82 7.5
Right front seat ventilation blower regulator
Reversing camera
83 Navigation processor 7.5
Emergency call system control unit
Reversing camera control unit
Reversing camera power supply module
84 Reversing camera 5
SDAR/high definition tuner control unit
Digital Audio Broadcasting control unit
TV tuner (analog/digital)
85 7.5
Digital TV tuner
86 Spare -
Emergency call system control unit
Valid up to 31.08.2014 with engine 157, 276, 278 without USA version: Coolant circulation pump relay
Valid to 31.05.2016 with Live Traffic Information or eCall Europe emergency call system: Telematics
87 services communications module 7.5
Valid as of 01.06.2016: HERMES control unit
Valid as from 01.06.2016 with Comfort telephony and Remote control for stationary heater: Antenna
changeover switch for telephone and stationary heater
88 Intelligent servo module for DIRECT SELECT 15
Trailer recognition control unit
89 30
Valid with engine 157: Fuel system control unit
90 Spare -
91 Spare -
92 KEYLESS-GO control unit 15
Relay
A Circuit 15 relay
B Circuit 15R relay (1)
C Heated rear window relay
D Valid for diesel engine: Fuel pump relay

4 of 7 4/5/2018, 2:00 PM
2010-2017 Mercedes CLS-Class W218 (C218/X218) fuse box diagram »... http://knigaproavto.ru/shemy/en/mercedes/cls-class/303-2010-2017-mer...
Shooting Brake: Liftgate windshield wiper relay
E
Electrically adjustable front seats memory package: Seat adjustment relay
G Circuit 15R relay (2)

Front prefuse box


Without ECO start/stop

(http://fotohostingtv.ru/show.php/18342_knigaproavtoru03021623.jpg.html)
ECO start/stop

(http://fotohostingtv.ru/show.php/18341_knigaproavtoru03021634.jpg.html)

Louisville, KY: This Unbelievable


Disrupting A $200 Billion Industr
No. Fused function A
150 ECO start/stop function: Pyrofuse 150 -
151 Electrical power steering control unit 60
152 Front SAM control unit with fuse and relay module 60
153 Spare 100

5 of 7 4/5/2018, 2:00 PM
2010-2017 Mercedes CLS-Class W218 (C218/X218) fuse box diagram »... http://knigaproavto.ru/shemy/en/mercedes/cls-class/303-2010-2017-mer...
154 Fan motor for internal combustion engine and air conditioning with integrated control (M4/7) 100
155 Valid for diesel engine: PTC heater booster 150
156 Spare -
157 Front SAM control unit with fuse and relay module 150
Valid for left-hand drive vehicles: Blower regulator
Valid for right-hand drive vehicles without DISTRONIC PLUS or without engine 157: Electronic Stability
158 Program control unit 50
Valid with right-hand drive vehicles with DISTRONIC PLUS or with engine 157: Premium Electronic
Stability Program control unit
Valid for right-hand drive vehicles without DISTRONIC PLUS or without engine 157: Electronic Stability
Program control unit
159 50
Valid with right-hand drive vehicles with DISTRONIC PLUS or with engine 157: Premium Electronic
Stability Program control unit
160 AlRmatic relay 60
161 Spare -
162 Front SAM control unit with fuse and relay module 100
163 Without ECO start/stop function: Rear SAM control unit with fuse and relay module 150
164 Without ECO start/stop: Rear SAM control unit with fuse and relay module 100

Coolant circulation pump relay

(http://fotohostingtv.ru/show.php/18823_knigaproavtoru05035151.jpg.html)

AIRMATIC relay

(http://fotohostingtv.ru/show.php/18824_knigaproavtoru05035206.jpg.html)

The Instrument Panel Fuse Panel

(http://fotohostingtv.ru/show.php/18828_knigaproavtoru05031747.jpg.html)
Fused function A
Protects the connection between the additional battery and the electronic ignition lock control unit and the front SAM control 5
unit (for engine 276 as of 01.09.2014 or with engine 274)

Additional battery relay and fuse

6 of 7 4/5/2018, 2:00 PM
2010-2017 Mercedes CLS-Class W218 (C218/X218) fuse box diagram »... http://knigaproavto.ru/shemy/en/mercedes/cls-class/303-2010-2017-mer...

(http://fotohostingtv.ru/show.php/18829_knigaproavtoru05032224.jpg.html)
F96 - Additional battery circuit 30 fuse
K114 - ECO start/stop function additional battery relay

AdChoices

Shop Related Products

HELLA H84960091 6-Way APDTY 035791 Fuse Box 100 pcs Assorted Auto Car Trunk 10 Way Blade Fuse Block For
Lateral Single Fuse Box Assembly Battery Mounted w/ Standard Blade Fuse Car Truck Boat RV LED Indicator
(http://aax-us-east.amazon- New Fuses & … (http://aax-us- 2,3,5,7.5,10,15,… (http://aax-us- Fuses Box W… (http://aax-us-
$13.13
adsystem.com $23.00
east.amazon-adsystem.com $7.99
east.amazon-adsystem.com $19.99
east.amazon-adsystem.com
/x/c/QvhS64IHmmiuJQsciXfEA
(155) … /x/c/QvhS64IHmmiuJQsciXfEA
(28) … /x/c/QvhS64IHmmiuJQsciXfEA
(90) … /x/c/QvhS64IHmmiuJQsciXfEA
(1) …
/https://www.amazon.com /https://www.amazon.com /https://www.amazon.com /https://www.amazon.com
/HELLA-H84960091-6-Way- /APDTY-Assembly-Volkswagen- /Assorted-Standard-Automotive- /gp/slredirect
Lateral-Single/dp/B000VU9D1G Description-1J0937617D Replacement-Accessories /picassoRedirect.html
/ref=sm_n_au_dka_US_pr_co… /dp/B00C8E9CMS /dp/B01HEONS3U /ref=syn_sp_syn_a9sb_deskto…
creativeASIN=B000VU9D1G& /ref=sm_n_au_dka_US_pr_co… /ref=sm_n_au_dka_US_pr_co… adId=A01041401KJJP7KFZFB…
linkId=0df019cd3e692b428e9e… creativeASIN=B00C8E9CMS& creativeASIN=B01HEONS3U& qualifier=1522950906&
tag=148809-20&linkCode=w41& linkId=0df019cd3e692b428e9e… linkId=0df019cd3e692b428e9e… id=429065312475219&
ref-refURL=http%3A%2F tag=148809-20&linkCode=w41& tag=148809-20&linkCode=w41& widgetName=sp_syn_a9sb_de…
%2Fknigaproavto.ru%2Fshem… ref-refURL=http%3A%2F ref-refURL=http%3A%2F url=https%3A%2F
OLS 6-Way Blade Fuse Box
class%2F303-2010-2017- KKmoon DC 12V 10 Way Blade
%2Fknigaproavto.ru%2Fshem … Wisse 420 Pcs Assorted
%2Fknigaproavto.ru%2Fshem … Dorman 924-680 High Voltage …
%2Fwww.amazon.com%2FBla
[LED Indicator for Blown Fuse]
mercedes-cls-class-w218-c218- Fuse Box Holder with LED
class%2F303-2010-2017- Automotive Fuses Kit, Standard
class%2F303-2010-2017- Fuse Box (http://aax-us-
Block-Indicator-Terminals-
[Protection… (http://aax-us-
x218-fuse-box-diagram.html& Warning Light… (http://aax-us-
mercedes-cls-class-w218-c218- and Mini Blade… (http://aax-us-
mercedes-cls-class-w218-c218- east.amazon-adsystem.com
Wiring%2Fdp%2FB078J6QHS…
$9.25 $10.99
east.amazon-adsystem.com $13.99
east.amazon-adsystem.com $29.99
east.amazon-adsystem.com $34.95
/x/c/QvhS64IHmmiuJQsciXfEA …
slotNum=0& x218-fuse-box-diagram.html& x218-fuse-box-diagram.html& refURL%3Dhttp%253A%252F…
/x/c/QvhS64IHmmiuJQsciXfEA
(609)
imprToken=429065312475219| …
… /x/c/QvhS64IHmmiuJQsciXfEA
slotNum=0& (85) … /x/c/QvhS64IHmmiuJQsciXfEA
slotNum=0& (6) … /https://www.amazon.com
(69)
class%252F303-2010-2017-
/https://www.amazon.com
adType=smart&adMode=auto& /https://www.amazon.com
imprToken=429065312475219|… /https://www.amazon.com
imprToken=429065312475219|… /Dorman-924-680-High-Voltage-
mercedes-cls-class-w218-c218-
/gp/slredirect
Ads /KKmoon-Blade-Holder-Warning- /gp/slredirect Fuse/dp/B00902G49U
by Amazon (http://aax-us-east.amazon-adsystem.com/x/c/QvhS64IHmmiuJQsciXfEAqMAAAFilvKhDQEAAAE0AT0G1P8/https://affiliate-program.amazon.com/home/ads
adFormat=grid& adType=smart&adMode=auto& adType=smart&adMode=auto& x218-fuse-box-
/ref=sm_n_au_dka_US_logo?adId=logo&creativeASIN=logo&linkId=0df019cd3e692b428e9e0ef270454f1c&tag=148809-20&linkCode=w41&ref-refURL=http%3A%2F
/picassoRedirect.html
impressionTimestamp=152295… Marine/dp/B01J3R8I7M
adFormat=grid& /picassoRedirect.html
adFormat=grid& diagram.html%26slotNum%3D…
/ref=sm_n_au_dka_US_pr_co
%2Fknigaproavto.ru%2Fshemy%2Fen%2Fmercedes%2Fcls-class%2F303-2010-2017-mercedes-cls-class-w218-c218-x218-fuse-box-diagram.html&slotNum=0& …
imprToken=429065312475219|1522950906&adType=smart&adMode=auto&adFormat=grid&impressionTimestamp=1522950970270&ac-ms-src=nsa-ads&cid=nsa-ads)
/ref=syn_sp_syn_a9sb_deskto… /ref=sm_n_au_dka_US_pr_co
impressionTimestamp=152295… … impressionTimestamp=152295…
/ref=syn_sp_syn_a9sb_deskto … creativeASIN=B00902G49U&
(http://aax-us-east.amazon-adsystem.com/x/c/QvhS64IHmmiuJQsciXfEAqMAAAFilvKhDQEAAAE0AT0G1P8/https://www.amazon.com/adprefs
adId=A066780632FNS0WS63… creativeASIN=B01J3R8I7M& adId=A07953632Y9F97WGLJ… linkId=0df019cd3e692b428e9e…
/ref=sm_n_au_dka_US_ac?tag=148809-20&linkCode=w41)
qualifier=1522950906& linkId=0df019cd3e692b428e9e… qualifier=1522950906& tag=148809-20&linkCode=w41&
id=429065312475219& tag=148809-20&linkCode=w41& id=429065312475219& ref-refURL=http%3A%2F
widgetName=sp_syn_a9sb_de… ref-refURL=http%3A%2F widgetName=sp_syn_a9sb_de… %2Fknigaproavto.ru%2Fshem…
url=https%3A%2F %2Fknigaproavto.ru%2Fshem… url=https%3A%2F class%2F303-2010-2017-
%2Fwww.amazon.com%2FOLS- class%2F303-2010-2017- %2Fwww.amazon.com%2FWi… mercedes-cls-class-w218-c218-
6-Way-Blade-Indicator- mercedes-cls-class-w218-c218- Automotive-Assortment- x218-fuse-box-diagram.html&
Protection%2Fdp%2FB00QMT… x218-fuse-box-diagram.html& Replacement- slotNum=0&
refURL%3Dhttp%253A%252F… slotNum=0& Motorcycles%2Fdp%2FB074Z… imprToken=429065312475219|…
class%252F303-2010-2017- imprToken=429065312475219|… refURL%3Dhttp%253A%252F… adType=smart&adMode=auto&
mercedes-cls-class-w218-c218- adType=smart&adMode=auto& class%252F303-2010-2017- adFormat=grid&
x218-fuse-box- adFormat=grid& mercedes-cls-class-w218-c218- impressionTimestamp=152295…
diagram.html%26slotNum%3D… impressionTimestamp=152295… x218-fuse-box-
diagram.html%26slotNum%3D…

7 of 7 4/5/2018, 2:00 PM

You might also like