KEMBAR78
SP12 AVR Programmer | PDF | Resistor | Programmer
0% found this document useful (0 votes)
290 views5 pages

SP12 AVR Programmer

This document discusses an AVR programmer used to upload code to microcontrollers (uCs). It describes: 1) Writing a simple programmer board with just an IC socket, crystal, and few other parts to connect to a PC's parallel port for programming AVR uCs. 2) Details about the parallel port voltage and requirements for some devices. It also discusses using the programmer in-circuit or with a cable. 3) Recommendations for brown-out reset circuits depending on the application to guard against spurious resets during programming.

Uploaded by

Juan Luis Merlo
Copyright
© © All Rights Reserved
We take content rights seriously. If you suspect this is your content, claim it here.
Available Formats
Download as DOC, PDF, TXT or read online on Scribd
0% found this document useful (0 votes)
290 views5 pages

SP12 AVR Programmer

This document discusses an AVR programmer used to upload code to microcontrollers (uCs). It describes: 1) Writing a simple programmer board with just an IC socket, crystal, and few other parts to connect to a PC's parallel port for programming AVR uCs. 2) Details about the parallel port voltage and requirements for some devices. It also discusses using the programmer in-circuit or with a cable. 3) Recommendations for brown-out reset circuits depending on the application to guard against spurious resets during programming.

Uploaded by

Juan Luis Merlo
Copyright
© © All Rights Reserved
We take content rights seriously. If you suspect this is your content, claim it here.
Available Formats
Download as DOC, PDF, TXT or read online on Scribd
You are on page 1/ 5

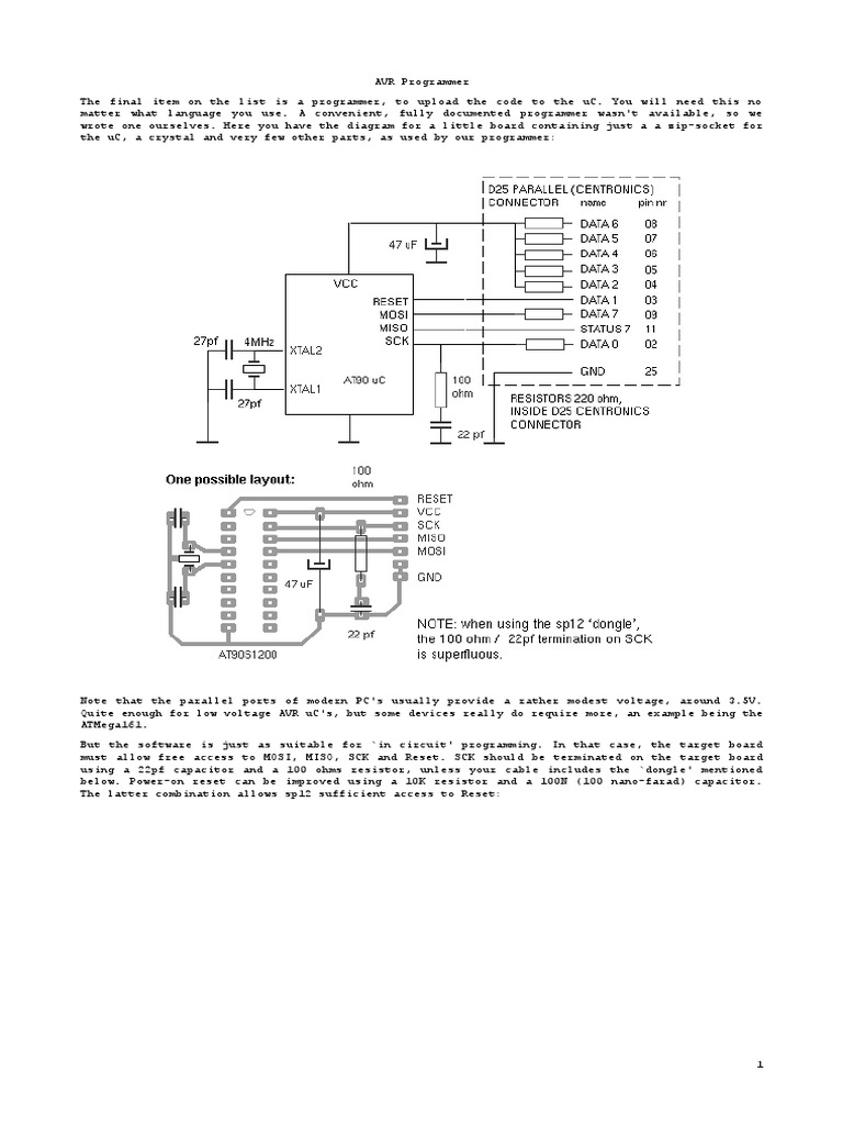
AVR Programmer

The final item on the list is a programmer, to upload the code to the uC. You will need this no
matter what language you use. A convenient, fully documented programmer wasn't availale, so we
wrote one ourselves. !ere you have the diagram for a little oard containing "ust a a #ip$soc%et for
the uC, a crystal and very few other parts, as used y our programmer&
'ote that the parallel ports of modern PC's usually provide a rather modest voltage, around (.)V.
*uite enough for low voltage AVR uC's, ut some devices really do re+uire more, an e,ample eing the
AT-ega./..
0ut the software is "ust as suitale for 1in circuit' programming. 2n that case, the target oard
must allow free access to -342, -243, 4C5 and Reset. 4C5 should e terminated on the target oard
using a 66pf capacitor and a .77 ohms resistor, unless your cale includes the 1dongle' mentioned
elow. Power$on reset can e improved using a .75 resistor and a .77' 8.77 nano$farad9 capacitor.
The latter comination allows sp.6 sufficient access to Reset&
.
:hen using the sp.6 1stand alone' programming hardware and a plain cale, the .75;.77' time constant
on reset isn't re+uired. The uC does its own start$up delay when Vcc goes high, and that wor%s fine
if it is powered y the parallel port. 0ut 2've noticed that reset does fail occasionally if power
doesn't switch on cleanly $ li%e when an adapter is plugged in to feed a target oard. The time
constant on the reset pin solves that, and also guards against spurious resets 8which occurred when
2 used the .677 in a charging ciruit, where relatively high currents were switched9.
0rown$out reset
<epending on your application, you may need a rather more elaorate rown$out reset circuit. 2'm
happy with this one&
6
5en's 1dongle'
A short cale connects the oard to the Centronics parallel port of a PC. 2n most cases a plain
cale will do well enough, ut 5en !untington has designed a nice 1dongle' to improve the signal
+uality and ma%e the programming lines high$= e,cept when sp.6 is active. The dongle can e part of
the cale, and is perfectly transparent to the software. 2t has no power re+uirements, as it
receives its Vcc from the port 8and passes it on to a low power target oard if re+uired9. The 4c%
termination 8.77 ohm in series with 66P9 ecomes superfluous when using it, ut the reset circuit
should at least consist of a .75 resistor etween Vcc and the uC's reset pin. !ere is the schematic&
(
>
A2 Prog for Atmel AVR uC 8PonyProg 67779
)

You might also like