KEMBAR78
Arduino UNO R3 Pinout and MAX487 Integration | PDF | Arduino
0% found this document useful (0 votes)
63 views1 page

Arduino UNO R3 Pinout and MAX487 Integration

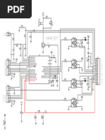
This document shows a circuit diagram with 4 stations connected in a master-slave configuration using MAX487 transceivers. Each station contains an ATmega328p microcontroller connected to various pins for communication over the I2C bus between the stations.
Copyright
© © All Rights Reserved
We take content rights seriously. If you suspect this is your content, claim it here.
Available Formats
Download as PDF, TXT or read online on Scribd
0% found this document useful (0 votes)
63 views1 page

Arduino UNO R3 Pinout and MAX487 Integration

This document shows a circuit diagram with 4 stations connected in a master-slave configuration using MAX487 transceivers. Each station contains an ATmega328p microcontroller connected to various pins for communication over the I2C bus between the stations.
Copyright
© © All Rights Reserved
We take content rights seriously. If you suspect this is your content, claim it here.
Available Formats
Download as PDF, TXT or read online on Scribd
You are on page 1/ 1

+5V +5V

+5V +5V
MASTER SLAVE3

R4 R8

microcontrolandos.blogspot.com
R1 R2 R9

microcontrolandos.blogspot.com
R3
10k 680 10k 680 680
680
B B
U1 U3
1 7
AREF
STATION ID 1 1 7
AREF
STATION ID 4
RO B 13 RO B 13
PB5/SCK PB5/SCK
12 2 A 12
2 PB4/MISO PB4/MISO
RE 11 RESET RE 11 RESET
A PB3/MOSI/OC2A ~ PB3/MOSI/OC2A ~
MAX487 MAX487
10 3 10
3
DE PB2/SS/OC1B ~ DE PB2/SS/OC1B ~
9 9
PB1/OC1A ~ PB1/OC1A ~
8 4 6 8
4 6 PB0/ICP1/CLKO PB0/ICP1/CLKO
DI A DI A

ATMEGA328P-PU
ATMEGA328P-PU

1121
1121

DIGITAL (~PWM)
DIGITAL (~PWM)
7 7

ANALOG IN
PD7/AIN1

ANALOG IN
PD7/AIN1
6 6
PD6/AIN0 ~ A0 PD6/AIN0 ~ A0
5 PC0/ADC0 5 PC0/ADC0
PD5/T1 ~ A1 PD5/T1 ~ A1
4 PC1/ADC1 4 PC1/ADC1
PD4/T0/XCK A2 PD4/T0/XCK A2
3 PC2/ADC2 3 PC2/ADC2
PD3/INT1 ~ A3 PD3/INT1 ~ A3
2 PC3/ADC3 2 PC3/ADC3
PD2/INT0 A4 PD2/INT0 A4
1 PC4/ADC4/SDA 1 PC4/ADC4/SDA
PD1/TXD TX A5 PD1/TXD TX A5
0 PC5/ADC5/SCL 0 PC5/ADC5/SCL
PD0/RXD RX PD0/RXD RX

ARDUINO UNO R3 ARDUINO UNO R3


+5V +5V
+5V +5V

R5 R6 R7 R10 R11 R12


10k 680 10k 680 +5V
680 680 SLAVE4
SLAVE1 +5V
U2 U4
1 7 1 7 680
RO B RO B

microcontrolandos.blogspot.com
microcontrolandos.blogspot.com
R22
2 2 10k R24 R23 SIM1
RE RE 680
MAX487 MAX487
AREF U8 LCD2
3
DE
AREF
STATION ID 2 3
DE STATION ID 5 1 7
LM016L
13 13 RO B B
4 6 PB5/SCK 4 6 PB5/SCK
DI A 12 DI A 12
PB4/MISO PB4/MISO 2 B
11 RESET 11 RESET RE
PB3/MOSI/OC2A ~ PB3/MOSI/OC2A ~
10 10 MAX487 AREF
~
9
PB2/SS/OC1B
PB1/OC1A ~
~
9
PB2/SS/OC1B
PB1/OC1A ~
3
DE STATION ID 7
8 8 13
PB0/ICP1/CLKO PB0/ICP1/CLKO 4 6

VDD
VSS

VEE
ATMEGA328P-PU
ATMEGA328P-PU

RW
ARDUINO
1121
1121 DI A A

RS
RESET 12 RS

D0
D1
D2
D3
D4
D5
D6
D7
E
DIGITAL (~PWM)
DIGITAL (~PWM)

7 7 ~11

ANALOG IN
ANALOG IN
PD7/AIN1 PD7/AIN1
6 6 5V ~10 E
PD6/AIN0 ~ A0 PD6/AIN0 ~ A0

1
2
3

4
5
6

7
8
9
10
11
12
13
14
5 PC0/ADC0 5 PC0/ADC0 A ~9
PD5/T1 ~ A1 PD5/T1 ~ A1
PC1/ADC1

SIMULINO
PC1/ADC1 4

POWER
4 GND 8
PD4/T0/XCK A2 PD4/T0/XCK A2
3 PC2/ADC2 3 PC2/ADC2
PD3/INT1 ~ A3 PD3/INT1 ~ A3
PC3/ADC3

ATMEGA328P
2 PC3/ADC3 2

DIGITAL (PWM~)
7

+5V
PD2/INT0 A4 PD2/INT0 A4

D4
D5
D6
D7
1 PC4/ADC4/SDA 1 PC4/ADC4/SDA ~6
PD1/TXD TX A5 PD1/TXD TX A5

ATMEL
0 PC5/ADC5/SCL 0 PC5/ADC5/SCL

ANALOG IN
A0 ~5 D4

RS
PD0/RXD RX

E
PD0/RXD RX
A1 4 D5
A2 ~3 D6
ARDUINO UNO R3 ARDUINO UNO R3 A3 2 D7
A4 TX > 1
A5 RX < 0
www.arduino.cc
blogembarcado.blogspot.com
+5V SIMULINO UNO
+5V
+5V +5V
680

R13 R14 R15 R16 R17


10k 680 680 10k 680 SLAVE5
SLAVE2
U5 U6
1 7 1 7 R18
RO B RO B
microcontrolandos.blogspot.com

microcontrolandos.blogspot.com
2 2
RE RE
MAX487 MAX487
AREF AREF
3
DE STATION ID 3 3
DE STATION ID 6
13 13
4 6 PB5/SCK 4 6 PB5/SCK
DI A 12 DI A 12
PB4/MISO PB4/MISO
11 RESET 11 RESET
PB3/MOSI/OC2A ~ PB3/MOSI/OC2A ~
10 10
PB2/SS/OC1B ~ PB2/SS/OC1B ~
9 9
PB1/OC1A ~ PB1/OC1A ~
8 8
PB0/ICP1/CLKO PB0/ICP1/CLKO
ATMEGA328P-PU

ATMEGA328P-PU
1121

1121
DIGITAL (~PWM)

DIGITAL (~PWM)
7 7
ANALOG IN

ANALOG IN
PD7/AIN1 PD7/AIN1
6 6
PD6/AIN0 ~ A0 PD6/AIN0 ~ A0
5 PC0/ADC0 5 PC0/ADC0
PD5/T1 ~ A1 PD5/T1 ~ A1
4 PC1/ADC1 4 PC1/ADC1
PD4/T0/XCK A2 PD4/T0/XCK A2
3 PC2/ADC2 3 PC2/ADC2
PD3/INT1 ~ A3 PD3/INT1 ~ A3
2 PC3/ADC3 2 PC3/ADC3
PD2/INT0 A4 PD2/INT0 A4
1 PC4/ADC4/SDA 1 PC4/ADC4/SDA
PD1/TXD TX A5 PD1/TXD TX A5
0 PC5/ADC5/SCL 0 PC5/ADC5/SCL
PD0/RXD RX PD0/RXD RX

ARDUINO UNO R3 ARDUINO UNO R3

You might also like