KEMBAR78
Marantz Transistor Sub1 | PDF | Microtechnology | Computer Engineering
0% found this document useful (0 votes)
563 views8 pages

Marantz Transistor Sub1

Uploaded by

Sam Kinnison
Copyright
© © All Rights Reserved
We take content rights seriously. If you suspect this is your content, claim it here.
Available Formats
Download as PDF, TXT or read online on Scribd
0% found this document useful (0 votes)
563 views8 pages

Marantz Transistor Sub1

Uploaded by

Sam Kinnison
Copyright
© © All Rights Reserved
We take content rights seriously. If you suspect this is your content, claim it here.
Available Formats
Download as PDF, TXT or read online on Scribd
You are on page 1/ 8

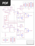
MARANTZ TRANSISTOR/DIODE/TRIMMER SUBSTITUTION GUIDE -- updated 05/18/2022

Transistor Vce Ic Package Sub 1 Vce Ic Package Sub 2 Vce Ic Package

2N4123 30V 0.2A TO-92 2N3904 40V 0.2A TO-92


2N4125 30V 0.2A TO-92 2N3906 40V 0.2A TO-92
2SA1039 120V 50mA TO-92 KSA992FBU 120V 50mA TO-92
2SA484 110V 1.5A TO-39 2N5415 200V 1A TO-39 2N5416 300V 1A TO-39
2SA493 40V 50mA TO-98 KSA992FBU 120V 50mA TO-92
2SA494 30V 30mA TO-98 2SA1015 50V 0.15A TO-92 KSA992FTA 120V 50mA TO-92
2SA495 20V 0.1A TO-98
2SA497 80V 0.8A TO-92 KSA1220AY 160V 1.2A TO-92
2SA562 (ECB) 30V 0.4A TO-98 2N3906 (EBC) 40V 0.2A TO-92 KSA1013YTA 160V 1A TO-92
2SA564 25V 0.1A TO-92 KSA992FBU 120V 50mA TO-92
2SA566 100V 0.7A TO-66 MJE15033G 250V 8A TO-220
2SA606 80V 0.7A TO-37 2N5415 200V 1A TO-39 2N5416 300V 1A TO-39
2SA607 80V 0.7A TO-37 2N5415 200V 1A TO-39 2N5416 300V 1A TO-39
2SA627 60V 7A TO-3 MJ21193G 250V 16A TO-3
2SA640 45V 30mA TO-92 KSA992FBU 120V 50mA TO-92
2SA684 60V 1.2A TO-92 KSA1220AY 160V 1.2A TO-126
2SA706 60V 1A TO-202 KSA1220AY 160V 1.2A TO-126
2SA720 40V 0.5A TO-92 KSA1013YTA 160V 1A TO-92 KSA1220AY 160V 1.2A TO-126
2SA721 35V 0.1 A TO-92 KSA992FBU 120V 50mA TO-92
2SA722 55V 0.1A TO-92 KSA992FBU 120V 50mA TO-92
2SA725 35V 0.1 A TO-92 KSA992FBU 120V 50mA TO-92
2SA726 50V 0.1A TO-92 KSA992FBU 120V 50mA TO-92 BC327 45V 0.5A TO-92
2SA733 40V 0.3A TO-92 KSA733 Digikey 50V 0.15A TO-92 2N3906 40V 0.2A TO-92
2SA747A 140V 10A TO-3 MJ21193G 250V 16A TO-3
2SA750 80V 50mA TO-92 KSA992FBU 120V 50mA TO-92
2SA753 110V 10A TO-3 MJ21193G 250V 16A TO-3
2SA757 90V 7A TO-3 MJ21193G 250V 16A TO-3
2SA763 30V 50mA TO-92 KSA992FBU 120V 50mA TO-92
2SA771 80V 6A TO-66 TIP42B or C 80V 6A TO-220
2SA777 80V 0.5A TO-92 KSA1220AY 160V 1.2A TO-126 KSA1013YTA 160V 1A TO-92
2SA794 80V 0.5A TO-126 KSA1220AY 160V 1.2A TO-126
2SA798 50V 0.1A SP9 KSA992FBU 120V 50mA TO-92

1
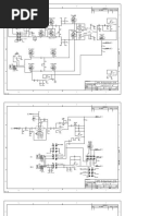
MARANTZ TRANSISTOR/DIODE/TRIMMER SUBSTITUTION GUIDE -- updated 05/18/2022

Transistor Vce Ic Package Sub 1 Vce Ic Package Sub 2 Vce Ic Package


2SA809 120V 50mA TO-5 KSA1381ESTU 300V 0.1A TO-126
2SA815 100V 1A TO-220 TIP30C 100V 1A TO-220
2SA818 150V 50mA SOT-33 KSA1381ESTU 300V 0.1A TO-126
2SA839 150V 1.5A TO-220 MJE15033G 250V 8A TO-220
2SA841 60V 50mA TO-98 KSA992FBU 120V 50mA TO-92
2SA842 40V 50mA TO-98 BC557 (CBE leads) 45V 0.1A TO-92
2SA872 90V 50mA TO-92 KSA992FBU 120V 50mA TO-92
2SA912 150V 0.1A TO-92 KSA1013YTA 160V 1A TO-92
2SA913 150V 0.1A TO-220 KSA940TU 150V 1.5A TO-220
2SA914 150V 50mA TO-126 KSA1381ESTU 300V 0.1A TO-126
2SA915-A 120V 50mA SOT-33 KSA1220A 160V 1.2A TO-126
2SA959 100V 10A TO-3 MJ21193G 250V 16A TO-3
2SB507 60V 3A TO-220 MJE15031 150V 8A TO-220 MJE15033 250V 8A TO-220
2SB537 110V 2A TO-220 KSA940TU 150V 1.5A TO-220 MJE15031 150V 8A TO-220
2SB541 100V 12A TO-3 MJ21193G 250V 16A TO-3
2SB549 100V 0.8A TO-126 MJE253G 100V 4A TO-225 KSA1220AY 160V 1.2A TO-126
2SB557 120V 8A TO-3 MJ21193G 250V 16A TO-3
2SB600 200V 15A TO-3 MJ21193G 250V 16A TO-3
2SB617 100V 6A XM20 2STA1694 120V 8A TO3
2SB618 120V 7A XM20 BD912 100V 15A TO-220
2SB645-R 200V 15A TO-3 MJ21193G 250V 16A TO-3
2SB686 100V 6A TO-218 2STA1694 120V 8A TO-3
2SC1000 50V 0.1A TO-98 KSC1815 50V 0.15A TO-92 KSC1845F 120V 50mA TO-92
2SC1047 20V 20mA TO-92 KSP10 (leads BEC) 25V 100nA TO-92
2SC1116A 120V 10A TO-3 MJ21194G 250V 16A TO-3
2SC1124 140V 1A TO-202 KSC2690AY 160V 1.2A TO-126
2SC1175 45V 0.2A TO-92 KSC2383YTA 160V 1A TO-92
2SC1213A 35V 0.5A SOT-33 KSC2383YTA 160V 1A TO-92
2SC1222 30V 30mA TO-92 KSC1845FTA 120V 50mA TO-92
2SC1312 35V 0.1A TO-92 KSC1845FTA 120V 50mA TO-92 BC337 45V 0.8A TO-92
2SC1313 50V 0.1A TO-92 KSC1845FTA 120V 50mA TO-92 BC337 45V 0.8A TO-92
2SC1318 50V 0.5A TO-92 KSC2383YTA 160V 1A TO-92 KSC2690 160V 1.2A TO-126
2SC1327 35V 0.1A TO-92 KSC1815YTA 50V 0.15A TO-92 KSC1845FTA 120V 50mA TO-92

2
MARANTZ TRANSISTOR/DIODE/TRIMMER SUBSTITUTION GUIDE -- updated 05/18/2022

Transistor Vce Ic Package Sub 1 Vce Ic Package Sub 2 Vce Ic Package


2SC1328 55V 0.1A TO-92 KSC1845FTA 120V 50mA TO-92
2SC1342 20V 30mA SOT-33
2SC1343 110V 10A TO-3 MJ21194G 250V 16A TO-3
2SC1344E 30V 0.1A SOT-33 KSC1815YTA 50V 0.15A TO-92 KSC1845FTA 120V 50mA TO-92
2SC1345 50V 0.1A SOT-33 KSC1815YTA 50V 0.15A TO-92
2SC1384 50V 1.5A TO-92 KSC2690AY 160V 1.2A TO-126
2SC1400 80V 50mA TO-92 KSC1845FTA 120V 50mA TO-92
2SC1403 100V 8A TO-3 MJ15015G 120V 15A TO-3 MJ21194G 250V 16A TO-3
2SC1407 50V 1.5A TO-92
2SC1451 120V 50mA R119 KSC1845FTA 120V 50mA TO-92 KSC3503DSTU 300V 0.1A TO-126
2SC1509 80V 1A TO-92 KSC2383 160V 1A TO-92
2SC1567 100V 0.5A TO-126 KSC2690AY 160V 1.2A TO-126
2SC1568 15V 0.8A TO-126 BD13516S 45V 1.5A TO-126 MJE243G 100V 4A TO-225
2SC1625 100V 1A TO-220 TIP29C 100V 1A TO-220
2SC1627A 80V 0.3A TO-92 2SC3708 Sanyo 80V 0.5A TO-92
2SC1628 150V 50mA TO-131 KSC3503DSTU 300V 0.1A TO-126
2SC1669 150V 1.5A TO-220 MJE15032G 250V 8A TO-220
2SC1681 60V 50mA TO-98 KSC1845FTA 120V 50mA TO-92
2SC1740 50V 0.1A TO-92 KSC1845FTA (?) 120V 50mA TO-92
2SC1775 90V 50mA TO-92 KSC1845FTA 120V 50mA TO-92
2SC1885 150V 0.1A TO-92 KSC2690AY 160V 1.2A TO-126 KSC2383YTA 160V 1A TO-92
2SC1913 150V 1.5A TO-220 KSC2073TU 150V 1.5A TO-220
2SC1940 120V 50mA SOT-33 KSC2690AY 160V 1.2A TO-126
2SC1953 150V 50mA TO-126 KSC3503DSTU 300V 0.1A TO-126
2SC1986 80V 6A TO-220 TIP41B or C 80V 6A TO-220
2SC2235 120V 0.8A TO-92 KSC2383YTA 160V 1A TO-92
2SC2390 80V 50mA TO-92 KSC1845FTA 120V 50mV TO-92
2SC371 30V 0.1A TO-98 KSC1815 50V 0.15A TO-92 KSC945C 50V 0.15A TO-92
2SC372 30V 0.1A TO-98 KSC1815 50V 0.15A TO-92 KSC945C 50V 0.15A TO-92
2SC373 30V 0.1A TO-98 KSC2383YTA 160V 1A TO-92 KSC945C 50V 0.15A TO-92
2SC458BLG 30V 0.1A SOT-33 KSC1815 50V 0.15A TO-92 TO-92
2SC461 30V 0.1A SOT-33 KSC945 50V 0.15A TO-92 TO-92
2SC484 110V 1.5A TO-39 2N3440 250V 1A TO-39 TO-39

3
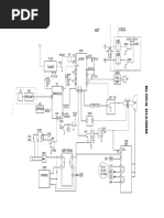
MARANTZ TRANSISTOR/DIODE/TRIMMER SUBSTITUTION GUIDE -- updated 05/18/2022

Transistor Vce Ic Package Sub 1 Vce Ic Package Transistor Vce Ic Package


2SC497 80V 0.8A TO-92 KSC2690AY 160V 1.2A TO-92 TO-92
2SC535B 20V 20mA SOT-33
2SC536G,E 30V 0.1A TO-92 KSC945CYTA 50V 0.15A TO-92 TO-92
2SC631 25V 0.1A U29 KSC1845 120V 50mA TO-92 hFE>350 TO-92
2SC632 40V 0.1A U29 KSC1845 120V 50mA TO-92 hFE>350 TO-92
2SC644 25V 50mA TO-92 KSC1845 120V 50mA TO-92 KSC945CYTA 50V 0.15A TO-92
2SC668C 15V 30mA R145 NTE107 (?)
2SC680 120V 2A TO-66 MJE15032G 250V 8A TO-220 TO-220
2SC696 60V 3A TO-39 MJE182G 80V 3A TO-225 KSC2690AY 160V 1.2A TO-126
2SC710 25V 30mA TO-92 KSC1845FTA 120V 50mA TO-92 TO-92
2SC732 30V 0.1A TO-98 KSC1845 120V 50mA TO-92 TO-92
2SC733 30V 0.1A TO-98 KSC945CYTA 50V 0.15A TO-92 TO-92
2SC734 50V 0.15A TO-98 KSC2383YTA 160V 1A TO-92 KSC945CYTA 50V 0.15A TO-92
2SC735 (ECB) 30V 0.4A TO-98 BC337 (CBE) 45V 0.8A TO-92 2N3904 (EBC) 40V 0.2A TO-92
2SC789 60V 4A TO-220 TIP41C 100V 6A TO-220 MJE15030 150V 8A TO-220
2SC828 30V 50mA TO-92 KSC1845FTA 120V 50mA TO-92 TO-92
2SC829 20V 30mA TO-92 KSC1845FTA 120V 50mA TO-92 TO-92
2SC829C 20V 30mA TO-92 KSC1845FTA 120V 50mA TO-92 TO-92
2SC853 60V 0.2A TO-236 BD139 80V 1.5A SOT-32-3 SOT-32-3
2SC871 25V 30mA TO-92 KSC1845 120V 50mA TO-92 BC550B 45V 0.2A TO-92
2SC875 75V 0.5A TO-5 2N3440 250V 1A TO-39 TO-39
2SC897B 100V 7A TO-3 MJ21194G 250V 16A TO-3 TO-3
2SC929C 10V 30mA R145
2SC930C 10V 30mA R145
2SC941(O) 35V 20mA TO-98 KSC1845 120V 50mA TO-92 TO-92
2SC945 40V 0.1A TO-92 KSC945C 50V 0.15A TO-92 TO-92
2SC959 80V 0.7A TO-39 2N3440 250V 1A TO-39 TO-39
2SC960 80V 0.7A MD34 2N3440 250V 1A TO-39 TO-39
2SC984 30V 0.5A TO-1 ZTX694B 120V 0.5A TO-92 KSC1815 50V 0.15A TO-92
2SD188M 70V 5A TO-3 MJ21194G 250V 16A TO-3 TO-3
2SD217 80V 7A TO-3 MJ21194G 250V 16A TO-3 TO-3
2SD313 60V 3A TO-220 MJE15030 150V 8A TO-220 MJE15032 250V 8A TO-220
2SD315 40V 4A TO-66 2N4231 40V 5A TO-66 NTE175 300V 2A TO-66

4
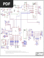
MARANTZ TRANSISTOR/DIODE/TRIMMER SUBSTITUTION GUIDE -- updated 05/18/2022

Transistor Vce Ic Package Sub 1 Vce Ic Package Sub 2 Vce Ic Package


2SD330 50V 2A TO-220 MJE15030 150V 8A TO-220 TO-220
2SD331 50V 2A TO-220 MJE15030 150V 8A TO-220 TO-220
2SD382 120V 1.5A TO-220 KSC2073TU 150V 1.5A TO-220 MJE15030 150V 8A TO-220
2SD388 100V 8A TO-3 MJ21194G 250V 16A TO-3 TO-3
2SD415 100V 0.8A TO-126 MJE243G 100V 4A TO-225 KSC2690AY 160V 1.2A TO-126
2SD427 120V 8A TO-3 MJ21194G 250V 16A TO-3 TO-3
2SD555 200V 10A TO-3 MJ21194G 250V 16A TO-3 TO-3
2SD587 100V 6A XM20 MJE15030 150V 8A TO-220 TO-220
2SD588 120V 7A XM20 BD911 100V 15A TO-220 MJE15030 150V 8A TO-220
2SD665-R 200V 16A TO-3 MJ21194G 250V 16A TO-3 TO-3
2SD669A 160V 1.5A TO-126 KSC2690AY 160V 1.2A TO-126 TO-126
2SD716 100V 6A TO-247 2STC4467 120V 8A TO-3 TO-3
SJ2517 TO-3 MJ21194G 250V 16A TO-3 TO-3
SJ2518 TO-3 MJ21193G 250V 16A TO-3 TO-3
SJ2519 TO-3 MJ21194G 250V 16A TO-3 TO-3
SJ2520 TO-3 MJ21193G 250V 16A TO-3 TO-3
SJ2582 TO-39 2N3440 250V 1A TO-39 TO-39
SJ2583 TO-39 2N5415 200V 1A TO-39 TO-39
SPS1928 TO-92 2N5961 60V 50mA TO-92 TO-92
SPS1951 TO-92 BC547 45V 0.1A TO-92 TO-92

5
MARANTZ TRANSISTOR/DIODE/TRIMMER SUBSTITUTION GUIDE -- updated 05/18/2022

Thermistors Source Part #


SDT-100 Digikey 495-2156-ND

Diode Specs Sub 1 Specs Sub 2 Specs


10D-1 1N5392
10D-2 1N5393
1N34A
1N60
1S1008
1S1212 1N4148
1S1555 1N4148
1S188FM2
1S2471 1N4148
1S2472 1N4148
1S2473C 1N4148
20A90M 1N60
5B2 250V 5A
6B20 240V 6A
BZ-140 14V 1W 1N4744A 15V 1W
BZ-150 15V 1W BZX85B15-TR 15V 1.3W
CZ-205 20.5V 1W 1N4747A 20V 1W
DS-131B MUR1620CTG NXP BYQ28E200,127
DS-132B MUR1620CTRG
DS-133A 1N4007 X 2 series
DS-133B 1N4007 X 2 series
MV-1
MV-13 1N4148 X 2 series
S1B-01-02 UF4005
S3016R 1N4148 1N4448

6
MARANTZ TRANSISTOR/DIODE/TRIMMER SUBSTITUTION GUIDE -- updated 05/18/2022

Diode Specs Sub 1 Specs Sub 2 Specs


S5188
SM-150-01 1N4001 1N4007
STV-3H
U05B UF5405
U05C UF5404
VD1122 1N4148
VD1212 1N4148 X 2 series
W06B 1N4004
WZ-071 7.1V 500mW NZX6V8D 7.05V 500mW
WZ-081 8.1V 500mW BZX79B8V2 8.2V 500mW
WZ-120 12V 500mW 1N5242 12V 500mW
WZ-140 14V 500mW 1N5244B 14V 500mW
WZ-150 15V 500mW BZX79B15 15V 500mW
WZ-177 17.7V 500mW 1N5247B 17V 500mW
WZ-192 19V 500mW 1N5249B-TR 19V 500mW
WZ-240 24V 500mW 1N5252B 24V 500mW
WZ-310 31V 500mW BZX79-C30, 133 30V 500mW

Trimmer Subs
Model Single/Multi Resistance Bourns Part Number Top/Side Adjust
2215 Single 100K 3386F-1-104 Top
Single 470 3386F-1-471 Top
2226b Multi 5k 3296Y-1-502LF Top
Multi 100 3296Y-1-101LF Top
2230 Single 100K 3386F-1-104 Top
Single 470 3386F-1-471 Top

7
MARANTZ TRANSISTOR/DIODE/TRIMMER SUBSTITUTION GUIDE -- updated 05/18/2022

Model Single/Multi Resistance Bourns Part Number Top/Side Adjust


2235B Single 5K 3386F-1-502TLF Side
Single 200 3386H-1-201LF Side
2245 Single 1K 3386H-1-102 Side
Single 2.2K 3386H-1-222 Side
2270 Single 1K 3386H-1-102 Side
Single 2.2K 3386H-1-222 Side
2275 Single 1K 3386H-1-102 Side
Single 2K 3386H-1-202 Side

You might also like